Fórum témák
» Több friss téma |
Testhez képest mértem, pozitív feszültségeket. Közben találtam még 3db-ot, bár nem tf tokos, holnap beleteszek egyet próbából.
Ezek szerint még fennáll az a körülmény ami az előző IC-t is tönkretette. Nézz szét alaposan mielőtt újabbat ültetnél be! Élesztés csak áramkorlátozóval!
Nem látom az összeállítást, a bemenetet mi húzza testre?
Jelenleg egy sub szűrő van a bemenetre kötve, annak a bemenetére pedig egy telefon.
Megnyugodtam. Beültetési rajz hiányában elég lassan fejtettem vissza a kapcsolást, a 10-es láb levegőben lógása kicsit megijesztett. Ugye nincs csatoló kondi a szűrő végén?
Sub szűrő
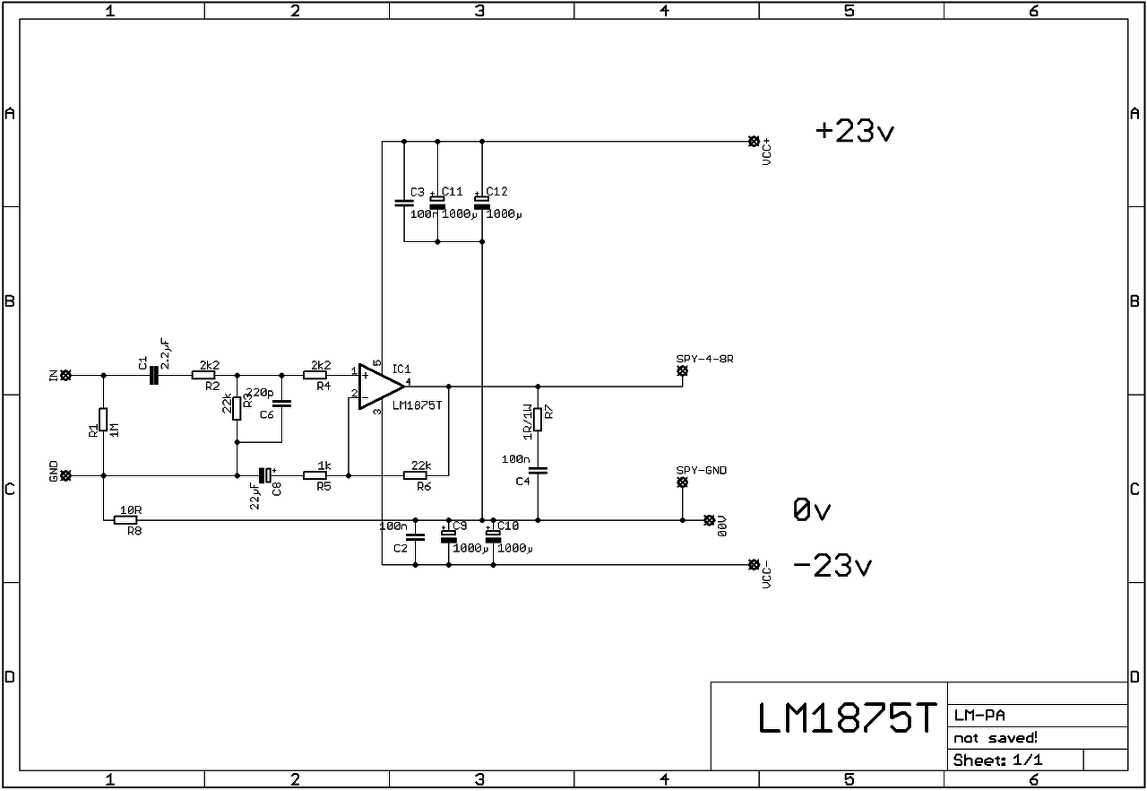
Ezt az áramkört használom. A legelső hozzászólásomban van a kapcsolási és beültetési rajz is.
Kedves Reloop!
Beiktattam az általad javasolt LC szűrőt. Valóban jót tett neki! ![]() Illetve a V- és kimenet összekötését is megcsináltam a kb56 ohm 15W-al. Erős pozitív változás hallatszik. A tisztaság, ami először feltűnt. Rengeteg apró részlet vált nyilvánvalóbbá. Sokkal emberközelibb, finomabb, valóságosabbak a hangszerek, eszközök hangjai. Viszont a kerámia ellenállás fél óra után 114 Celsius fokos... Még hallgatom, de ha marad a beavatkozás, akkor bordára szerelhető ellenállásra kell váltanom!
Meglátjuk mit hoz az IC csere.
Kérlek csillapítsd a kíváncsiságom, mi lenne az amire a nyíl mutat a mellékleten?
A mellette lévő tekercs tükröződik.
Jelentem megoldódott a probléma. A többi ic is működik.
A hibát, valószínűleg az én figyelmetlenségem okozhatta, miszerint a bemenet egy elvezetékelés miatt nem volt lezárva, a levegőben lógott. Amint bármivel lezartam, helyesen bekötött sub szűrő, meg próbaképpen 1kohm azonnal elcsendesedett. Szóval magamnak generáltam egy hibát, valószínű az eredeti helyén is elengedhette a forrasztás a csalakozót ami összekötötte az egységeket, hogy így egyszercsak lett ez a hiba. Kérdés, mivel zárhatom úgy le a bemenetet, hogy ha nincs rádugva semmi akkor ne őrüljön meg az áramkör? Esetleg egy 22kohm ha ráforrasztom az változtatna valamit a bemenet érzékenységén?
Jó a 22k, de lényegesen nagyobb, például 220k is lehet. Engem nagyon zavart ez a nyomtatott áramköri kialakítás. Bíztam benne, hogy a 10-es láb mérésénél kiugrik ez a probléma, de ezek szerint a műszered belső ellenállása testre tudta húzni.
Na ma is tanultam legalább valamit, meg aki esetleg olvassa az is.
Nekem ez volt az a kapcsolás, ami elsőre indult, volt még másik kettő amivel próbálkoztam, de azokkal csak a baj volt, így feladtam.
Szia!
Azt kitudnád számolni nekem, hogy az ellenállás értékén változtatnom kellene -e 3 ohm terhelő impedancia esetén? Mert ugye az 56 ohm-os ellenállást 8 ohm-os hangfalhoz használták.
GB197-et is bevonnám az előző kérdésembe.
Köszönöm!
Szia! Valamennyit csökkenthetnél rajta, hogy nagyobb tartományban maradjon meg az A osztályú működés, de ennek gyorsan határt szab az ellenállás és az IC melegedése. Mi lenne ez a 3 ohm-os hangsugárzó? Szokatlan érték.
A hangfal dipol (2 hangszórós) szélessávú. Így jön ki a 3 ohm.
Mennyire csökkentsem az ellenállás értékét? A kerámia ellenállás 30 perc után már égett szagú. 115 C fokos. Vehetek hűtőbordás változatot majd, amit a doboz tetejéhez rögzítenék, ami 10mm-es alu lap. Az IC nem nagyon melegszik, így nem kerül bordára, a ház oldalaira kapcsoódik majd.
Szia! Nekem is furcsa ez a 3 ohm, ennyi a doboz impedancia? Már ha működik ez a dolog, hogy érezhető a hatás, én megpróbálnám mindkét tápághoz berakni az ellenállást, mert úgy lenne szimmetrikus. Így egy kicsit aszimmetrikusan áll be az ic belseje, mivel próbálja az elhúzott kimeneti feszt. kompenzálni, még mindig nem tartom jó ötletnek. (A javulást annak tudom be, hogy a lapkát, egy folyamatosan nagyobb hőmérsékleten tartja a plusz kimenő áram, ez az effektus régóta ismert, de nem csak ez az 'A' osztály lényege.)
Ha az 56ohm -ot még jobban csökkented, egyre jobban "elfogy" az ic kimeneti árama, egyre hamarabb fog határolni, és a 3 ohm ezt csak tovább rontja... Még mindig a az ic párhuzamos kapcsolását javasolnám. A hozzászólás módosítva: Márc 3, 2015
Tovább gondoltam az előző megoldás a két ellenállással, az sem jó igazán, az ic-be kellene belenyúlni... A igazi megoldást az LM4702 hozza meg, ott kívül vannak a végtranyok, és akár mehet "á" osztályban is. Ezt majd még én is kipróbálom egyszer.
Üdv.Régen én is csináltam ilyen IC-ből ampot,darlingtonokkal,de aztán a hangja nem nyerte el a tetszésemet.Olyan sterilnek,száraznak éreztem a hangját akkori rendszeremen.Viszont van még ilyen IC-m meg egy baromi jó kis kim.buffer hozzá azzal még megpróbálom.
Szia! Az ismert NSC ic-k nekem beváltak, az 3875, 4780, 3886, bár az utóbbi nem annyira kifinomult, de az itt kézen forgó kapcsolások 90 %-át még így is veri. Közös jellemzőjük , hogy a legkisebb mértékben befolyásolják a hangzást, nem tesz hozzá, nem vesz el. Ezt a tényezőt én szimplán torzításnak nevezem.
Bármelyik régebben készített erősítőt dugom vissza próba képen - honnan hová tart a fejlődés-, mindig ugyan az az eredmény: összehasonlíthatatlan minden eddigi kapcsolásommal, az LM ic-k javára... Lehet szeretni, vagy nem szeretni, ez szubjektív dolog, de az biztos, hogy ezek az ic-s kapcsolások állnak közelebb az olyan erősítökhöz mint, KRELL KAV -300, és milliós társai. Az az tény is gainclone mellett szól, hogy ismert, neves gyártók , fejlesztős is sokan áttértek a diszkrét kapcsolásokról az ic-kre, nem lehet véletlen. Ekkora átviteli frekit, jelemelkedést semmivel nem tudnak elérni, és az evvel járó lineáris fázismenet, és talán ez lehet a kulcsa a kiemelkedően jó hangsásnak.
A hang(fal)sugárzó impedanciája 3 ohm.
Meddig csökkentsem az ellenállás értékét? A hozzászólás módosítva: Márc 4, 2015
Nincs vele tapasztalatom, műszakilag sem tudnám alátámasztani, próbálgasd!
Akkor a továbblépés IC-sben a 3875 és a 4780 lenne?
Ezek még részletezőbbek? A teljesítmény nem érdekel.
A 4780 -as az bizony jobb, mint a 3875, de elég kényes, könnyen gerjed. Vannak akiknek valamiért nem sikerül, nem tudom miért. (Szek.: Egy légszereléses deszka modellen kellene esőként megpróbálni.) Talán érdemes lenne kipróbálni 4702, ezt még nem hallottam, de ígéretes lehet ez is. Nekem ez lesz a következő fejlesztés tárgya, tápfesz max. +-100V, ez több, mint elég. Nagyon magas a freki átvitel, a felfutási idő sem rossz.
Olvasgattam az "eredeti" 47 Labs - Shigarakirol. Ott a becsatoló kondi elektrolit + - -os kondi. Kipróbáltam egy akármilyen nem audio kondival. Szól és nem is rosszul.
Majd visszarakom a fólia wimát és meghallgatom megint úgy is.
Korábban már írtam erről a kérdésről: nem a bemeneti kondin múlik az erősítő hangja, mint néhányan gondolják. Bőven megfelel egy elkó a bemeneten, én általában 10µF/63 vagy 100V-osat használok. Lényeg: ne legyen smd, lehetőleg valami low esr típus ajánlok. Én Nippon LXY használok, ilyet sikerült beszerezni, de lehet Elna, vagy Rubycon modell is. Ha fólia kondi, akkor Bennic XPP, de ezt vékony rézfóliába burkolom és földelem.
Ellenállásként Vishay Beyschlag MMB0207 -es rakhatsz, ha a legjobbat szeretnéd, személy szerint 0,5W-os szénréteg ellenállást szoktam válogatni, ez még beszerezhető és relatív olcsó is.
Megépítettem LM 1875-ös IC-vel egy erősítőt de a kimeneten majdnem mínusz tápot mérek ami szerintem nem jó és torzít is rendesen a kis bemenetű jelre el sem indul csak hallgat szépen. Ahogy tekerem a hangerőt egyszer csak elkezd hangot adni de azt le sem tudom írni milyen borzasztó! Mekkora feszültségeket kell mérnem az 1/2/4-es lábakon amikor minden OK kell hogy legyen?
Mindhárom esetben 60mV-nál kevesebbet várunk.
Az ellenállások rajzolata elég megtévesztő. Milyenre marattad a NYÁK-ot?
Meg lett a ludas ! A visszacsatoló ellenállás gyári hibás. Most szól de még mindig nem vagyok megelégedve a hangjával de már így is sokaknak hallgatható csak hogy itt nem ilyen hangzásról írogattak. Azt hiszem hogy ki kellene cserélni az elkókat a tápban mert már igencsak öregek. A készülék RFT gyártmány ! Szópon látszik is szépen a fűrész még üresjáratban is. 5Watt-nál kezdi a basszust nyírni de a többit azt csak teljes kivezérlésnél. A panel szép lett igaz nem üvegszálas meg nem is valami híres gyártótól ered de ezt a darabot találtam ami nem volt sokkal nagyobb a kelleténél olyan sárga színű amit könnyű fúrni.
|
Bejelentkezés
Hirdetés |











