Fórum témák
» Több friss téma |
Tiszteletem!
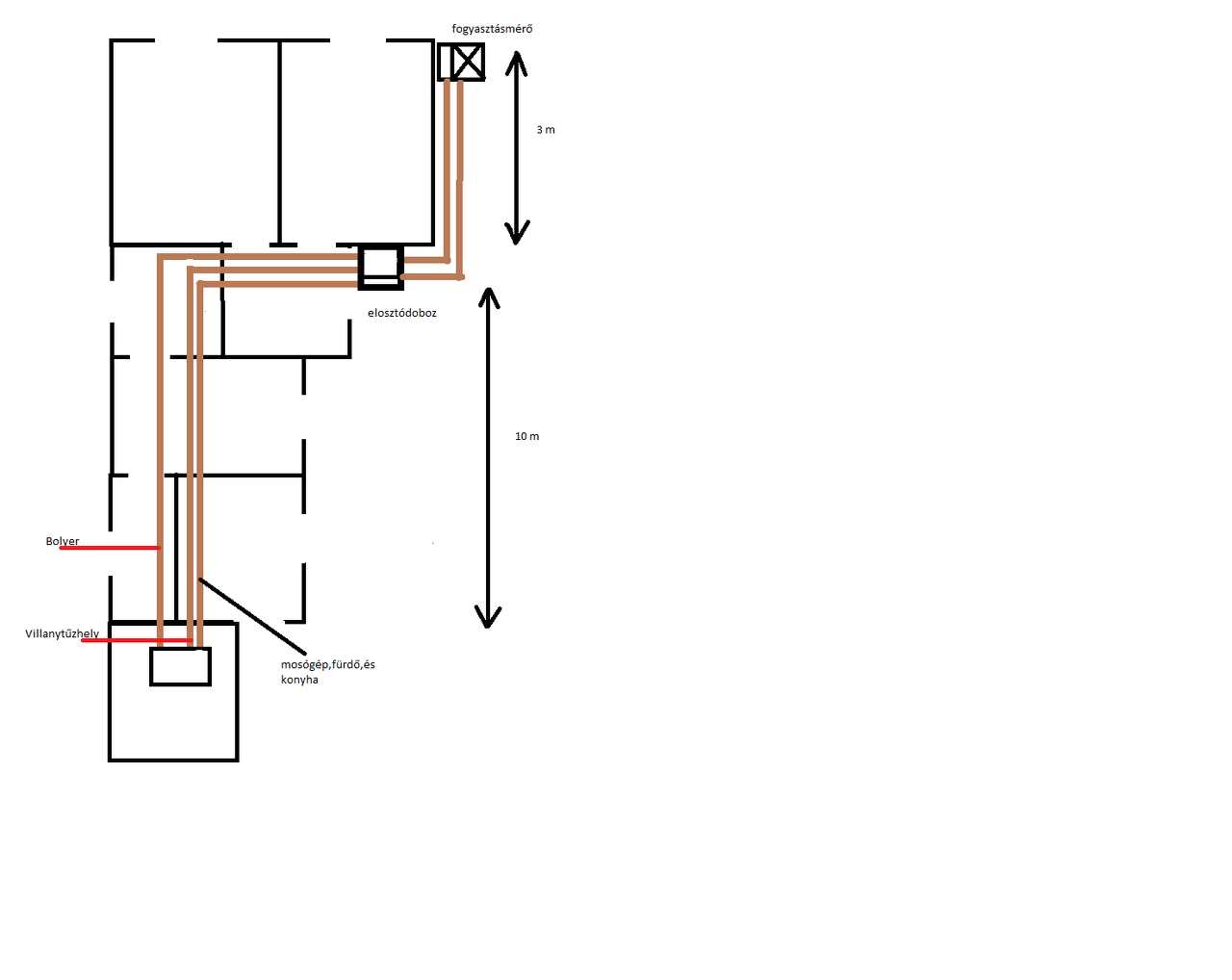
Szakmai tanácsot kérnék,legalábbis mit hibáztam,vagy mit változtassak. Kezdő villanyszerelő vagyok,tapasztalatlan,de szégyen lenne ha nem én csinálnám a magamét,gondolom megértitek,és valahol el kell kezdenem.Házamat újravezetékezem.a mellékelt vázlaton bejelöltem a kérdéses helyeket. A 12 es elosztódobozhoz két tömör 3x2,5mm2 MBCU vezetékkel csatlakozom. Innen az egyik ágról világításra,illetve a dugaljakra,tömör 3x1,5mm2 MBCU vezetékkel,1-1 egypólusú 16A XBS kismegszakítóval biztosítva. A másik ágról: -1 Fi reléről(25A 220V XBS 0.03 30ma)3x2,5mm2 MBCU vezetékkel-1400W-os bolylerhez megy. -1 Fi relé(azonos típusú mint a bolyleré)3x2,5mm2 MBCU vezetékkel az automata mosógép, a konyhai,és a fürdőszobai dugaljakat látom el feszültséggel. -1 kismegszakítóval (16XBS) viszem az áramkört a villanytűzhelyhez,3x2,5mm2 MBCU vezetékkel. A vezetékeket a falban mü3 as, a gerinc illetve a hátramenő 3 áramkört mü2es védőcsőben vezetem a padláson át.A kötéseknél Wago-t használok,tömör vezetékre,esetleg ahol sorkapocs lenne,illetve a kismegszakítóknál érvéghüvelyezek,a gázcsöveket az eph hálózathoz csatlakoztatom. Köszönöm az észrevételeket. A hozzászólás módosítva: Márc 27, 2015
Üdvözlet!
Szerintetek lehet abból valami baj, ha egy ilyen relét úgy használok, hogy három érintkezője van bekötve, fázis, nulla és földelés? Ezeket kapcsoltatnám vele és így a fogyasztóhoz nem menne ki semmi ha nincs meghúzva a relé. Leginkább a szigetelés miatt kérdezem, amúgy nem nagy teljesítményű fogyasztót kapcsol. Köszönöm
Nem látom a feliratát, de ha 220V-os, akkor jó. Földelést nem szakítunk meg!
Első ág, világítás és dugalj. Jól értem, hogy ott nincs Fi-relé? Plusz kicsit sokallom a 16 A-es biztosítást 1,5 mm2 -re.
Igen, 220-as, a földelés megszakítás az én fejemben is megfordult, de ez egy egyszerű világítás lesz, máshogy nem kivitelezhető, mert ha nem relével, akkor Wago-val kellene összekapcsolnom.
Szia. Az egész lakást ráteheted FI-relére, külön Bojler és a Lakás, az 1,5mm2-es MBCu kábelnak én is sokallom a 16A inkább 10A. Az XBS termékek nem a legjobbak, volt már nekem is vele gondom és nem is használom őket, inkább ETI vagy EATON. Tömör vezetéket ha kismegszakítóba vagy nulla/föld sínre kötök akkor vissza szoktam hajtani és így nagyobb felületen érintkezik. Mosógépnek külön áramkört csinálnék MBCu 3x2,5mm2-es kábellal, fürdőnek is és a konyhának is külön áramkört MBCu 3x2,5mm2-es kábellal. A Sütőnek a helyedben megnézném a típusát és az alapján kábeleznék a sütőnek. A Gázcsövet alaposan csiszold fel fém tisztára és EPH szalaggal csatlakozz rá, amibe betudod kötni az érvéghüvelyezett vezetéket. ( Bővebben: Link EPH Szalag ) A Relével kapcsolatos kérdésedben pedig csak azt tudom válaszolni hogy a Védő Vezetőt ( PE ) Tilos megszakítani. A padláson szerelt kábelekkel nincs baj, ha védőcsőbe van rakva.
A hozzászólás módosítva: Márc 27, 2015
Szia! Csak egy buta kis kérdés: Miért éppen MBCu? Nehezen kezelhető, jobban melegszik, nehezebb kötni... Akkor már inkább valamilyen hajlékony kábel (ha már kábel), mondjuk MTK. Csőnek én a MÜV II 16-ost kedveltem meg a legjobban, mert rogyásmentesen lehet mindig hajlítani, szinte szétverhetetlen és taposható. Érvéghüvelyt csak a sodrott vezetőkre érdemes rakni. Nem mellesleg, a bojlerhez ugye teljesen önálló hálózatot húzol? Mert ha csúcskizárásos lesz? A tűzhelyhez én mindig 5 eret húzok és 4-est. Miért? Mert a tűzhelycsere mondjuk üveglaposra - egy döntés. A vezetéket újrahúzni - megfizethetetlen....
Nem beszélve arról,hogy a legtöbb tűzhelynél három részre van osztva a fázis,külön-külön biztosítva! Így zárlat,fűtőszál szakadás esetén működhet a maradék. Mindenképpen 5 ér kell oda!
A hozzászólás módosítva: Márc 27, 2015
Ha már cső, akkor miért nem MCu vezeték ? Az MTK kábelt én nem ismerem csak az MT-t
A Bojlernak mindig külön áramkört csinálunk. A tűzhelyek és a főzőlapok csatlakozását úgy alakítják ki hogy egy fázisról is tudjon üzemelni de ekkor már nem mindegy a kábel keresztmetszete, az hogy 5 eres kábelt raksz itt arra gondolok hogy te abból két áramkört csinálnál ami nem helyes mert nem csak külön fázis és külön nulla vezető kell hanem külön védővezető is.
És ha a lakásban csak egy fázis van ? Továbbá a tűzhely és a főzőlap két különálló készülék általában, főleg ha beépíthető.
Az 1 fázis van 3 részre osztva,és szálanként biztosítva!
Ez érdekes, még olyat nem láttam hogy egy fázisú sütő vagy főzőlap és a fűtőszálak külön-külön ki vezetékelve a kapocs táblára.
A két védővezetőt megindokolnád 4-es keresztmetszetnél?
Még sosem csináltam úgy, kettő darab 3x4mm2-es MT-t raktam mindig.
Pedig itt mindenhol így van,már vagy 40 éve! Lényegében minden tűzhely 3 fázisú,és 1 fázisra osztottan célszerű kötni.
A hozzászólás módosítva: Márc 27, 2015
Üdvözletem!
Nagyon köszönöm a hasznos tanácsokat.kicsit átgondoltam, és erre jutottam: -a mérőórától a lakáselosztóig 3,1X6mm2 MCU vezetékkel csatlakozom. -innen a világítást,dugaljakat egy fi relé,és 3 kismegszakító védi, -a bolyer innen megy,1 Fi,és 1 kismegszakító védi a 3x2,5mm2 MBCU vezetéket. Természetesen a bolyerhoz direktbekötöm,nem dugalj vagy vagy ilyesmivel,megszakítás nélkül. -az elosztóból 3x2,5mm2 MBCU 1fi relével,1kismegszakítóval megbiztosítva megy a mosógéphez, illetve a konyha,és fürdőszoba dugaljak,világításhoz. -a tűzhely:jövőre lenne csak,de most ki szeretném építeni hozzá az áramkört,sokat olvastam uttánna, úgylátszik akkor leszek okosabb ha megveszem,mivel sok típus van.Úgy döntöttem egy 5x4mm2 MBCU vezetéket behúzok a helyére,és ha meglessz,tudva a paramétereit akkor veszem meg a hozzá illő védelmet. Egyéb megjegyzések,jó tippek: -földelés-ellenállás méréshez nincs eszközöm,de megoldom.Pár hónapja nézte át az eon a mérőt,de gondolom ilyesmit nem néznek.Természetesen megbizonyosodom a használhatóságáról.különösebben még nem néztem,csak annyit,hogy van védővezető,bár külön dobozba,eph ba nincs kihozva,a falat meg nem akartam szétverni ![]() -igen,eph szalagot használok a gázcsőnél,jól felcsiszolom,sodrott 5mm2 rézvezeték,érvéghüvellyel kötöm, és úgy a védővezetőre.(esetleg valami tipp,hol érdemes kialakítanom,hátul,vagy az órához közelebb?hallottam olyanról aki minden helyiségben rákötötte a védőföldet,valaki csak a bejövő résznél,gondolom ki hogy ragozza.) -igen minden letesztelek,kötéseket átnézem,stb.Az XBS-t lecserlélem ETI vagy EATON márkára.Csak rosszat hallottam az XBS ről ![]() -a lakást 16A,vagy 13A val biztosítom,nem 10A kismegszakítóval,mivel ugyan a mostani eszközök,pl porszívó nem úgy szívnak ahogy kéne,de legalább 2000W-osak ,és mellette megy a számítógép,TV,istentudja mi,maradnék13 ill 16A nál. -És egy kérdés:amivel a mérőtől megyek a lakáselosztóba,a 6mm2 ill a 2,5mm2 keresztmettszeteket Főáramköri leágazó kapoccsal a legegyszerűbb csatlakoztatni? -a betáp,3 fázis,a szekrényben van egy digitális mérőóra is.szeretném ellenőriztetni,sokat kérnek ilyesmiért? -a dugaljaknál,világításnál a konyhát leszámítva 1x1.5mm2 MCU-t használok,könnyebben tudom majd kezelni,igaz. ![]() Nagyon köszönöm a hozzászólásokat,tippeket,örülök egy ilyen fórumnak!Csak pár gondolat: Annyira "sűrű" ez a szakma, a gyakorian változó előírások,anyagok,technológiák,félelmetes gyakorlatban szinte mindenki más vezetékre,vagy kismegszakítóra esküszik,nehéz megtalálni az arany középutat Beszéltem régebbi villanyszerelőkkel a környékről,de nemnagyon segítőkészek,okoskodni meg és lekicsinylőnek lenni egyszerűbb nekik,mintsem egy helyes megoldást mutatni.A legtöbbje csak pénzéhes,az egyik nállam volt,máradta az eonos "haverja" számát hogy cseréltessem az órát,meg a betápot,(kb 2-3 éve cserélték,s mint mondottam pár hónapja ellenőrizték)pár százezerért csak!nekem,eh...vagy horribilis összegekért vezetékeznek át egy házat,se védőcső,mindenhol falkábel,se mérés,sok helyen a kibontottat visszateszik,ellenőrizetlenül,keressenek az anyagon.Vagy éppen be tud kötni egy motort, 3fázisról 1 egyre,esetleg forgásirányváltást mágneskapcsolókkal már nem. Én szeretem megérteni is amit csinálok,tudjam mit miért kell,mindenhol tudjak alkalmazkodni a körülményekhez.Csak arra akarok ezzel utalni,hogy amitcsinálok korrektül,és jól akarom csinálni,és nagyon sok gyakorlatra van szükségem,míg villanyszerelőnek nem vallhatom magam. Minden tippet,akár konkrét javaslatot szívesen veszek! Szép napot!
Sziasztok! szeretnék venni egy mosogatógépet de a konnektor földeletlen, a vezetkékek is alu lehetséges valahogy meglehetne oldani úgy hogy ne vájam szét a falat?
Vezetékcsatornában a fal külső felületén vihetsz közvetlenül a ház központi elosztószekrénytől megfelelő keresztmetszetű és érszámú vezetéket és ezt biztosíthatod egy megfelelő áramerősségű kismegszakítóval. Azért írok általánosságban mert semmi adatot nem adtál meg. Csak halkan mondom, hogy a ház teljes elektromos rendszerét a megemelkedett fogyasztás és igények miatt érdemes lenne cserélni. A rezet sem toldhatod akárhogyan az alumínium vezetékhez. Ha nem végeztél még erősáramú szerelést fordulj inkább JÓ szakemberhez.
Saját hozzászólást pozitívnak megjelölni elég csúnya dolog...
Ha hívnék szakembert kicserélteni az egész ház vezetékeit és földelést megcsinálni kb menyibe fog kerülni?
Kaptam egy kérdést tőled privátban:
Idézet: „Helló földelés helyet lehet tenni áramingadozás védőt hogy ne rázzon a mosogatógép,mikró?” A védőföldelés nem helyettesíthető semmivel! Megfelelően kiépített EPH, szabványos védőföldelés és felszerelt, majd havonta ellenőrzött áramvédőkapcsoló (ÉV-relé, FI-relé ahogy tetszik, mind ugyan azt az eszközt takarja). Itt nincs kompromisszum, emberéletekről van szó! Mellesleg mi az, hogy áramingadozás védő? Gondolom túlfeszültségvédőre gondolsz, arra ami a számítógépek előtt van jobb esetben. Na ez a készülék csak a hálózaton jelentkező rosszindulatú feszültségtüskék ellen véd, a védővezetőt nem helyettesíti! A hozzászólás módosítva: Márc 28, 2015
a házban kicserélni a vezetékeket réz vezetékre és védőföldelés kialakítása kb. menyibe fog kerülni?
Egyre jobb kérdéseid vannak
Elaktroncso melyik ujjából sz0pj@ ki?
gondoltam még arra is hogy az alumínium vezetéket hagyjam meg és a csak a konyhába a nappaliba és a fűrdőbe tennék földelt vezetéket de ha a kábelcsatornában
Erre a kérdésedre három ok miatt nem tudok felelni:
1. Mivel küldtél privát üzenetet gondolom láttad az adatlapomat, mint ott fel van tüntetve Felvidékről olvasom az oldalt, nem vagyok tisztában a magyarországi árakkal. 2. Adatlapomban szintén fel van tüntetve, hogy középiskolai tanulmányokat végzek ezért szintén nem tudom az árképzést. 3. A házról semmit nem tudunk, mivel nem mindegy, hogy 3 emeletes családi ház, vagy egy szoba-konyhás garzon. Kérdezz meg egy helybéli KÉPZETT szakembert, mérje fel a terepet és adjon egy árajánlatot. Mink itt a helyszín ismerete nélkül nem tudunk csak általános tanácsokat adni, ilyen jellegű feladatnál esélytelen, hogy láttatlanban konkrét tanácsot kapjál.
Még meg van mind a húsz, majd valamelyikből megpróbálom.
Bár múltkor a köszörűvel elég rendesen belecsíptem két körmömbe, szerencsére az élő húst már nem érte el, elkaptam az ujjam.
Egy két jó tanács ha nem baj:
-Válasz gombot használd, mert így követhetetlen, hogy kinek válaszolsz. -Figyelj a helyesírásra, mert ezt a hozzászólásodat sem tudtam értelmezni. Nem hagytad félbe véletlenül? A hozzászólás módosítva: Márc 28, 2015
Az hogy friss a regisztrációd, nem jogosít fel a szabályzat benem tartására.
A hozzászólás módosítva: Márc 28, 2015
Szerintetek ennek melyik az alja és melyik a teteje?
Azaz az a búrának alul, vagy felül kellene lennie hivatalosan?
Nálunk hasonló van, és felfelé van az üveg része. De ezen a képen is látszik, hogy az üvegbúra fölött van az eresz alja, valamint, a tartószerkezete is arról a felülről porosabb.
|
Bejelentkezés
Hirdetés |





A Bojlernak mindig külön áramkört csinálunk. A tűzhelyek és a főzőlapok csatlakozását úgy alakítják ki hogy egy fázisról is tudjon üzemelni de ekkor már nem mindegy a kábel keresztmetszete, az hogy 5 eres kábelt raksz itt arra gondolok hogy te abból két áramkört csinálnál ami nem helyes mert nem csak külön fázis és külön nulla vezető kell hanem külön védővezető is. 
Elaktroncso melyik ujjából sz0pj@ ki?

