Fórum témák
» Több friss téma |
- Ez a felület kizárólag, az elektronikában kezdők kérdéseinek van fenntartva és nem elfelejtve, hogy hobbielektronika a fórumunk!
- Ami tehát azt jelenti, hogy a nagymama bevásárlását nem itt beszéljük meg, ill. ez nem üzenőfal! - Kerülendő az olyan kérdés, amit egy másik meglévő (több mint 17000 van), témában kellene kitárgyalni! - És végül büntetés terhe mellett kerülendő az MSN és egyéb szleng, a magyar helyesírás mellőzése, beleértve a mondateleji nagybetűket is!
Mivel a másikban problémáztak rajta, ezért kerestem alkalmasabb topikot.
Köszönöm!
Egyébként miért jobb PNP tranyót használni, mint az általam vázolt NPN?
A hozzászólás módosítva: Máj 10, 2015
Ha tranzisztort (vagy FET-et) táp kapcsolásra szeretnél használni, azt szeretnéd, hogy minél kevesebb veszteség legyen rajta. Ez azt jelenti, hogy a C-E (D-S) feszültség bekapcsolt állapotban minimum legyen. Választasz egy jó NPN tranzisztort (N-FET-et), amin mondjuk 0,2-0,3V marad csak rajta. Ekkor a C (D) 5V-on lenne, az E (S) 4,7V. Hogy így ki legyen nyitva egy tranzisztor, ahhoz 0,6V Ube-re van szükség, tehát a bázisra 5,3V kellene (logikai FET-nél mondjuk Us+4V=9V), amit macerás megoldani (egyéb problémáktól eltekintve). PNP tranzisztoroknál (P-FET-eknél) az Ube (Ugs) negatív, tehát ha az E (S) kötöm a tápra, a tápról leosztott feszültség az E-hez képest negatív lesz, így könnyebb vezérelni őket.
Talán egy ilyen lenne a legolcsóbb, legegyszerűbb.
Köszönöm a kimerítő választ!
Annyi módosítás kéne, hogy alapértelmezetten bekapcsolva legyen, tehát az MCU felől elsősorban tiltani lehessen (ha nincs rákötve semmi, akkor a tápfesz be legyen kapcsolva).
Az megfelelő megoldás erre, hogy beiktatok mégegy, pl. 10k ellenállást a T1-T2 bázisa közé? Illetve ezzel párhuzamosan gondolom le kell csökkenteni az R3-at (T2 soros bázis ellenállása), mondjuk 100 Ohmra? Végül pedig a meghajtás OD ebben az esetben, gondolom. A hozzászólás módosítva: Máj 11, 2015
Sziasztok! Van egy 9 számjegyes nyomogombokkal ellátott panelom. Számzárat szeretnék építeni belöle. Hogyan lehetne megoldani ezt? Hogy mondjuk megnyomom a 4,5,8 és elinditana egy motort. Itt a lényeg az lenen hogy 3 számjegy egymás utána lenyomásával zárjon egy áramkört. Építsek minden gombhoz 4027-ból kapcsolást hogy folyamatosan zárjanak nyomásnál? De akkor ha beírom a 3 számjegyet hogyan tudnám resetelni?
Hát, ez sem teljesen jó megoldás, mert ha pl. 9V-os elemet használok, akkor az sok lesz a 3V-os MCU-nak.
Átgondoltam többféleképp, de nem jutott eszembe olyan megoldás, ami jól működne. A kiindulás az volt, hogy az áteresztő tranyó B-E feszültségét húzom össze, aminek hatására kikapcsol, de akkor meg a segéd tranyó bázis feszültségét kéne túl magasra húznom, amihez nem lenne elég a 3V. Esetleg van olyan javaslat, ami azt eredményezi, hogy alapértelmezetten a tápfesz be van kapcsolva, és kívülről lehet tiltani, 3V-os vezérlő fesszel? A hozzászólás módosítva: Máj 11, 2015
3v-os behúzótekercsű relé úgy bekötve, hogy meghúzásra bontsa az áramkört. Így a készülék bekapcsolt állapotában a relé el van engedve, nem fogyaszt semennyit. Csak tiltott helyzetben van fogyasztása.
Sziasztok! Hangvezérlést mivel lehetne megoldani? Pl azt mondom h fény és felkapcsol a lámpa. Vagy bezár és bezárja az ajtót. Mivel lehetne megoldani, hogy egy szót utasításként kezeljen a gép és tovább alakítsa ezt megfelelő parancsként?
Számítógéppel és megfelelő programmal.
Egy kicsit bővebb infot tudsz mondani, eddig én is eljutottam .
Szia!
Barátod a kereső: Bővebben: Link.
Sziasztok,
egy tápegységet szeretnék tesztelni, valamilyen rejtett hibája van, ami csak pár órás terheléssel jön elő. A kérdésem az lenne, hogy lehet-e olyan mérőműszert kapni (vagy esetleg építeni), ami folyamatosan méri az idő függvényében a villamos jellemzőket (feszültség, áram), és azt valahogy rögzíti, utólagos elemzés céljából. Válaszotok előre is köszönöm!
Regisztráló műszer -nem tudom hány csatornásra gondolsz- sokkal többe kerülne, mint a tápegység. Házilag is készíthető, pld. A/D konverteres PIC proci eepromba menti. De messze legjobb megoldás, ha hibás működése esetén mérésekkel megkeresni a hibát. Jól működő állapotában lehet mérni és papírra jegyezni értékeket, ezeket összehasonlítani a hibás állapotban mért értékekkel. Majdnem ugyanaz, mint a regisztrálás utáni adatelemzés, ami nagy adattömegből elég keserves, grafikus megjelenítés nélkül.
Valami idővel túlmelegedhet, talán hőmérés segíthet alkatrészeken. Vagy alkatrészek egyenkénti hűtése, esetleg erre helyrejön működése, és akkor megvan a hibás. A hozzászólás módosítva: Máj 11, 2015
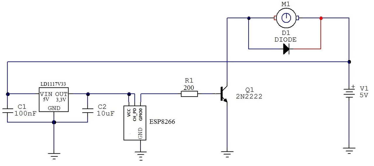
Sziasztok!
Valaki meg tudná mondani, hogy fog-e működni a mellékletben csatolt kapcsolásom! Ha rendben van, akkor a motoron 5V lesz a feszültség?
Helló! A rajz jónak tűnik, de a motorodon nem lesz 5V. A tranyón is esik valamennyi.
Köszi
Milyen nagyságrendű?
Köszi szépen
Üdv!
Ennél az IC-nél hogyan állítom be a kimenő feszültséget? Nem látom az adatlapon, de gondolom csak nem veszem észre. A hozzászólás módosítva: Máj 11, 2015
Üdv!
Sehogy, ami bemegy, az jön ki negatív polaritással. Legalábbis én így értelmeztem a leírását az első oldalon. Idézet: „The ICL7660 performs supply voltage conversions from positive to negative for an input range of +1.5V to +10.0V resulting in complementary output voltages of -1.5V to -10.0V”
Elég nehéz a két diagramot összehasonlítani, mivel a VR egyik estben V-ban, a másik estben %-ban van megadva. De nem lehetetlen.
Inkább az aggaszt, hogy az IR értéke a CT jelű diódánál nanoamper nagyságrendű, mig a másiknál mikroamper nagyságú a 25C-fokos görbénél, és 40 V-nál(%-nál) nézve. Nem tudom ez mennyire lényeges az adott kapcsolás működésénél. Ahogyan írtad, marad a próbálgatás. Köszönöm a segítségedet. ÜDV! A hozzászólás módosítva: Máj 11, 2015
Üdv!
Itt egy újabb IC. Ez szerintem kitöltési-tényező-vezérelhető, mert leírják hogy az, de nem látom, hogy hogyan lehet. Vagy ez sem az?
Tudna segíteni valaki egy (ici-)picit?
Egy "uPD5101L" típusjelű memória IC-ről lenne szó. Google-ban első oldalon ott is van a PDF. A lábkiosztásában majdhogynem minden tiszta sor is, viszont a fene egye meg, két dolog van, amiről fogalmam sincs, hogy milyen TTL értéket kéne kapjon : nevezetesen egy CE1 negált és egy CE2 bemenetről. Az adatlap ezt a kettő bemenetet "Chip Enables" néven illeti, de mégis mi ez? Angolhoz kicsit konyítok, így úgy hat, mintha ezzel választanám ki, hogy akarom-e használni ezt a chipet, vagy sem? Így van ez? Mert ha igen, akkor tökre nem logikus nekem, hogy a tápfeszültség mellett miért van szükség ilyenre, főleg 2 lábra...
Nem, nem az! A kinemeti feszültség 0.8V minimum és a tápfesz lehet a maximum. A kitoltést az IC állítja magának a VFB láb által.
A kimenő feszt a VFB-n lévő fesz osztóval tudod beállítani. Lásd 5. oldal. VOUT=VFB*(1+R1/R2) ahol a VFB=0.8V
És mikrovezérlővel hogyan lehetne állítani a Vout-ot?
|
Bejelentkezés
Hirdetés |










