Fórum témák
» Több friss téma |
Fórum » Autóelektronika
Témaindító: sufni-tunning, idő: Ápr 19, 2008
Témakörök:
Lehet , hogy szerencsém van a 4X40 W igaz lehet , ma megnéztem a belét a rádiónak és egy TDA 8571 J nevü végfok erölködik benne . Ez biztató , köszönöm az infókat , gyüjtöm őket.
10A-es biztosítékkal nemigen sajtolsz ki belőle 4x40W-ot. Max az a varázslatos PMPO ami annyi. Ami azt jelenti, hogy ez max 4x20 effektív. 13.7V-on 10% torzitás mellett ad le 4x23W-ot
A hozzászólás módosítva: Ápr 17, 2015
Elég lesz nekem egy szobai hangerő , , max 10w alatt. Nem kocsiba akarom szerelni. hálozatról szeretném hajtani , de a memoria ébrentartásával van még gondom , mert ha kikapcsolom akkor a beállitások is elszálnak. Ha van valami ötletetek , szivesen venném.
Rakj rá egy kisebb kapacitású aksit, amit egy diódával töltesz a hálózatról. Vagy ne kapcsold le a hálózatról csak magát a rádiót kapcsold ki.
A hozzászólás módosítva: Ápr 17, 2015
Nekem mázlim van, mert eeprom-ba menti a rádió a beállításokat, így semmi nem tűnik el áramtalanításkor.
Sziasztok!
Van egy 2008-as Nissan Micra típusú járművem. A kérdésem az lenne, hogy a kormánynál lévő távolsági fényszóró kapcsolója szerintetek kb mennyi terhelhetőséget bír? Ugyebár arra csak 1 relé van kötve, mint fogyasztó. Én viszont szeretnék még 2db relét rákötni. Megoldható? Vagy 3db relé már sok lenne? (A relék 40Amperesek, nem tudom még egyelőre, hogy mennyi az áramfelvételük)
Simán tud kapcsolni még 2 db. relét.
Vagy ha nem bízol benne akkor a relére kössed - kösd a másik két relét.
mod * A hozzászólás módosítva: Ápr 18, 2015
Köszönöm a válaszokat! A relére kötés lesz a nyerő.
Így nem kell megbontanom a kormány körüli burkolatokat és megkeresni, hogy melyik vezeték a távolságié. A hozzászólás módosítva: Ápr 18, 2015
sziasztok. valaki tudna segíteni? a probléma a következő. gyárilag elektromos abak van az autóban a motor működik. plusz, mínusz is van de valamiért még sem üzemel. nem is érdekes, hogy gyári módon működjön szeretném be kötni egy külön kapcsolóval. de nem tudom, hogy kell. gondolom kellene egy relé is vagy kettő de milyen? esetleg rajz? ha valaki tud segíteni előre is köszi
Rudi
nem értem a kedves moderátort. ez nem válasz a kérdésemre. plusz szerintem semmilyen facebookos vagy más hasonló szöveg nem volt a kérdésemben. ami a leg lényegesebb, hogy nem is vagyok fent semmilyen közösségi oldalon. de azért köszönöm, hogy ilyen segitökész voltál szia
Ebben a topicban kereshetsz:Bővebben: Link
Pl egy kép onnan:Bővebben: Link A mondatkezdeti nagybetűk hiánya azért zavaró, beláthatod
Egyik ismerősömnek van egy T5-ös transportera. Meg van tuningolva úgy hogy a gázolaj jeladó mindig 130 C fokot mutat. Hogy lehetne ezt el érni egy másik T5-nél? Mekkora teljesítményű ellenálláskel hozzá meg hány ohm-os?
A hozzászólás módosítva: Máj 2, 2015
A jeladót kellene megmérni, hogy mekkora az ellenállása 130 foknál.
Sziasztok,fiat puntom 1,1-es,benzines..rángat ,felpörög a motor,vílágit a code lámpa...mi a hiba??
Ki kell olvasni a hibakódot. Anélkül tippelgetni lehet csak.
Sziasztok! Nemtudná valaki megmondani, hogy Suzuki Liana-ban a lambdaszondák közül a Bank1 Sensor 2 hol található?
Sziasztok.
Számomra egy nagy problémával állok szemben. Adott egy 1994 suzuki swift sedán típusú autó. És a Km óra közepétől jobbra nincs világítás. Hol és mit kell megbontanom a cseréhez. Milyen izzó kelhet bele. Lehetőleg erősebb mint a gyári mert guvad a szemen este ha ránézek. Előre is köszönöm a segítséget.
Sziasztok!
Segítséget kérnék Lada Níva 1,7 sebesség jeladójának (speed sensor) bekötésében. Kör alakú csatlakozó van a szenzoron 1-2-3 kábel jelöléssel. A probléma az, hogy az autón lévő csatlakozót az előző tulaj levágta és fogalmam sincs az új jeladó bekötését illetően.
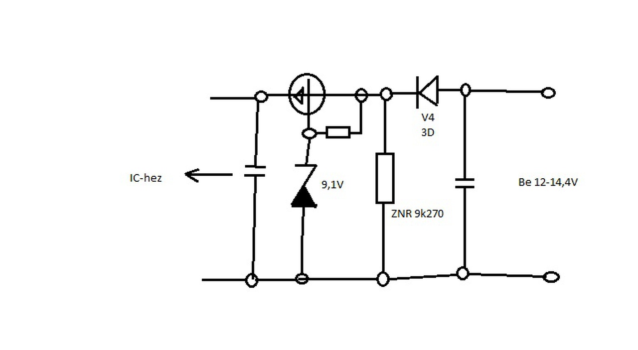
Már korábban is találkoztam autó elektronikában olyan alkatrészekkel, amit nem lehetett beazonosítani. Hoztak egy kilométerórát. Összeolvadt a paneljén egy fekete tárcsa, és előtte is volt egy zárlatos diódaszerű SMD eszköz.
Jelölések: ZNR 9k270. Képtelenség a nyomára bukkanni. Hoz a net sok mindent, de "Nem az igazi!" Ez hasonlít. SMD dióda (?): V4 3D. V4 Zener, aminek soros eszközként nem sok értelme van. Soros helyre tettem egy diódát, bár annak se találtam adatát, BUX C219, a túlfeszültségvédő helyére 22 V-os Zenert. A generátor hibája miatt mentek tönkre, a követő stabilizátor talán meg tudta védeni az IC-t. Igazság szerint ilyen zárlatnál a biztosítéknak kellene közbelépni vagy a soros dióda lép fel biztosítékként. Kíváncsi vagyok, mit művel majd az autóban. Még nem került a helyére. A hozzászólás módosítva: Máj 11, 2015
Köszönöm! Megoldódott, egy vezeték volt megszakadva ami a tápegységhez ment...
Mondta szerelő. Aztán lehet, hogy csak egy kontakthiba volt.
Nem..... neki ez nem érdeke...lelkiismeretes, gyors,szava álló....
Üdv!
Gyújtáselektronikák javításában van aki esetleg jártas? Az adott típushoz nem igazán kapni (egy belpiacos motorról van szó), és a trükkös van/nincs szikra jelenséget produkálja. Az elektronikát felmelegítve megjön a szikra, szerintem szakadás lehet benne valahol. Erre van valami kipróbált módszer? Gondolok itt olyasmire, hogy felmelegíteni az elektronikát a forrasztóón olvadás pontjáig, vagy kémiai ónozóba mártani stb...
Olyat már láttam, hogy TV szerelő egy régi TV egyik panelján minden egyes forrponton átment egy pákával és egy kis ónnal, és ettől meggyógyult a TV, ami addig valamit hol jól, hol rosszul csinált. Az egész panelt egyszerre én nem merném megsütni. A félvezetőknél megteheted azt is, hogy egyik lábán megújítod a forrasztást, aztán nem annak a következő lábával folytatod, hanem egy másik alkatrésszel, és majd később visszatérsz hozzá. Lehet a panelon valahol hajszál repedés is, talán sikerül multiméterrel kisípolnod. Az elektronika tiszta, nem szennyeződött el a panel? A megszakítónál nem lehet már baj?
A hozzászólás módosítva: Máj 14, 2015
Ez egy cdi elektronikája. Nem bontottam ki még a műanyagot. A trafókon kint van a 12V, de az nem szakad meg, tehát nem jön létre az önindukciós fesz a majdani szikrához. Tehát a hibalehetőség az vagy trafó, vagy jeladó. Még majd annyit megnézek, hogy a jeladó vezetéke nem-e szakadt, és, esetleg a jeladó kábelére csatlakoztatok led-et, így ha az "mindkét" irányban felvillan, akkor a jeladónak maga a jel megvan, és a polaritás váltás is megtörténik. De ily módon még nem diagnosztizáltam. Készülőben van egy hangkártyás szkóp előtétem is, jeladó vizsgálatára az pont megfelelne, lehet, hogy szombaton megpróbálom majd feléleszteni és kipróbálni.
Ezt a melegítős dolgot laptop ügyben hallottam, hogy a bga-zás helyett valaki sütőbe tette, talán a videómegosztón vannak ilyen elmebeteg ötletek.
Sziasztok!
2002-es Suzuki Swift Sedan elektromos problémájához szeretnék tőletek segítséget kérni. A gond a következő, jobb első tompított vagy kiégeti a biztosítékot vagy az izzót. Érdekes, hogy kiégett biztosítékkal a világítást felkapcsolva az a jobb első izzó gyengén, de világít és ahogy nézem a csatlakozóaljzata enyhén megolvadt, túláramot kaphat. Megnéztem a kapcsolási rajzot és a fekete B testkábel megy a kormánykapcsolóba és onnan jön ki egy piros R és egy piros-fehér R/W kábel és mennek tovább az izzóhoz. Vagy is egy izzóhoz két a kapcsolónál megszakított "-" testkábel megy és egy "+" kábel 15A biztosítéktól. Nekem viszont az R és R/W kábelekben "+" -van a "-" helyett, mintha megfordult volna a polaritás, ami nem lehetséges. A lényeg, hogy piszkosul nem értem a dolgot. Most legutóbb a problémás lámpa csatlakozó összes érinkezőjében volt feszültség.?? Megnéztem, a generátor töltést az aksinál és 13,72-76 V-tal tölt alapjáraton is és gázon is. Előre is köszönöm a segítséget. Idézet: először ezt kéne rendbe tenni, aztán méregetni. A hibás érintkezések megcsalhatják a mérésedet. Amúgy japán autóknál szokásos, hogy a test ág -helyesebben minusz ág van kapcsolva. A gyengén világító izzó közös pont problémára utal - ez lehet a megégett csatlakozó miatt. A bizti kiégést okozhatja az égőben leszakadt izzószál előidézte zárlat is. „a csatlakozóaljzata enyhén megolvadt,” A hozzászólás módosítva: Máj 15, 2015
Szia ha érdekel megadom a villamossági autószerelö számát....szombathelyen van ha az jó neked.
|
Bejelentkezés
Hirdetés |







