Fórum témák
» Több friss téma |
Fórum » Erősítőhöz való hangsugárzó védelem (koppanásgátló)
Témaindító: Thom, idő: Márc 14, 2006
Témakörök:
Köszönöm a segítséget, rendben működik kb 2-3 másodperc késéssel, bőven jó lesz
![]() Hálásan köszönöm, meg az a 600 ember is, aki mostantól nem fog frászt kapni amikor bekapcsolják a rendszert ![]() Holnap beszerelem. A hozzászólás módosítva: Jún 11, 2015
Idézet: Pont úgy, ahogy kell neki. Csak kiszenvedtük.„rendben működik kb 2-3 másodperc késéssel” Akkor örülés van. Erre bontok is egy sört..
Helló!
Ez a koppanásgátló DC figyelő működőképes? És az a kérdésem, hogy ha 2 áramkörös relét teszek bele, akkor elég ez egyik végfok kimenetét figyelni, és aszerint a hangfalra kapcsolni a másikat végfokpanelt? Köszi!
Nincs hangfalad!
![]() Így képezd ki az áramkört.
Idézet: Mi van akkor, ha a nem figyelt végfok elszáll és kiküldi a tápot a hangszóróra? Elfüstöli vígan a hangszórót, a védelem meg ebből semmit nem vesz észre.„ha 2 áramkörös relét teszek bele, akkor elég ez egyik végfok kimenetét figyelni...” A Szamóca rajza figyeli mindkét végfokot, azzal nem lesz ilyen probléma. Ráadásul plusz egy ellenállás csak... A hozzászólás módosítva: Jún 11, 2015
Köszönöm! Ez van, amikor előbb írok, mint hogy gondolkodjak!
. Pedig pofon egyszerű a megoldás! Egyébként mennyire működőképes a kapcsolás? (egyszer kétszer befürödtem a BSS.hu-s kapcsolásokkal) A hozzászólás módosítva: Jún 11, 2015
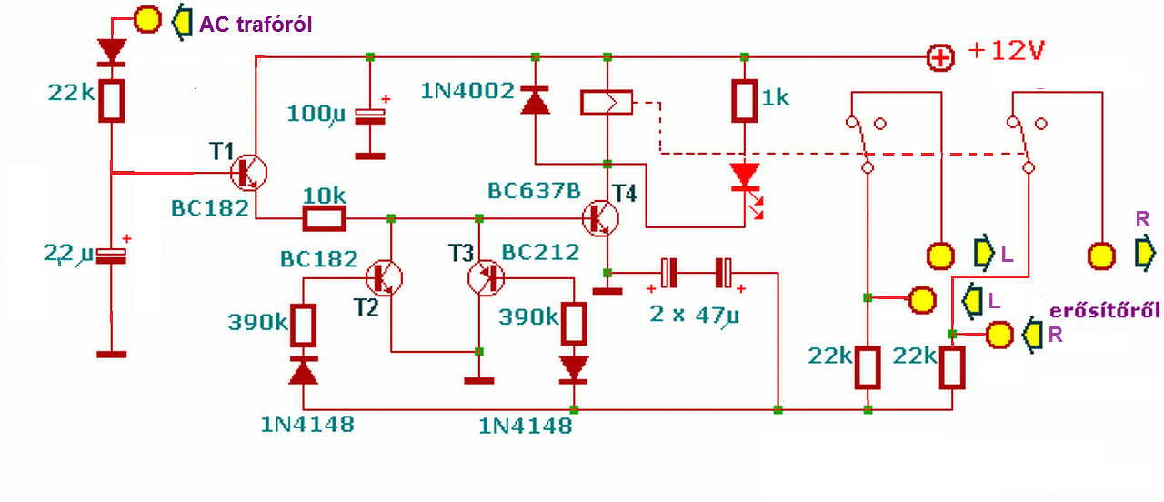
Működőképes. T1 és köre felel a be-kikapcsolás időzítéséért, T2-T3 és köre a kimeneti egyenfesz pozitív ill. negatív létét, T4 a relékapcsolásáért felel.
A hozzászólás módosítva: Jún 11, 2015
DC védelem van benne, a koppanásgátló funkciója viszont csak bekapcsoláskor működik, kikapcsolási tranziensek ellen nem véd rendesen, mert később old le a relé. Ugyanez a helyzet pillanatnyi áramszünet esetén. A relé mindaddig behúzva marad kikapcsoláskor, amíg a 12V -os tápból kap elég tartóáramot, illetve amíg ki nem sül a T1 körében a 47µF a vele párhuzamosan kötött 1MOhm -on és a járulékos ellenállásokon keresztül.
A két sorba kötött polarizált 47µF helyett pedig inkább egy bipoláris 33µF -os kondit kellene beletenni, itt kapható és árban is rendben van. A hozzászólás módosítva: Jún 11, 2015
Így már figyeli a kikapcsolást is.
A tranzisztorokat sejtettem mit csinálnak, mi a feladatuk. De abban nem voltam biztos, hogy jól működik e. Az nem olyan nagy baj, hogy a kikapcsoláskor nem véd, mert úgy sose ,,durrant,,. A bekapcsoláskor volt az, hogy szinte kilökte a hangszóró tölcsérjét. A kondit megpróbálom beszerezni.
Köszi a válaszokat!
Sajnos a tranyós kapcsolás nem működik!
Egyből behúzza a relét, ha áramot kap. Nem akarok többet szórakozni vele, mert már nagyon sok dologgal próbálkoztam. Annyit meg nem ér! ![]() Most találtam egy másikat: Ebben egy műveleti erősítő van. Erről mi a véleményetek? Ez működőképes? Köszi! A hozzászólás módosítva: Jún 16, 2015
Szia!
Ez a berendezés szuperül működik mind két erősítőmben is. 1,5V egyenfeszültségre bontja a relét, majd ha megszűnik a hiba 3sec-en belül vissza is kapcsol.
Én ezt tartom a legjobbnak, nekem 3 erősitőmben is ez van, sőt beépitettem pluszba egy Ibiza AMP800 -ba is mert nem bizok a védelmébe.
Ez gyakorlatilag a Rtf- es kapcsolás. A hozzászólás módosítva: Jún 16, 2015
Amennyiben ezt építenéd meg, nem kell hozzá 12 V gyakorlatilag minden erősitőhöz jó, csak 2 ellenállásértéket kell varriálni a tápfesztól függően.
JA és csak 24 V os relét javaslok a 12 V-os relével én is sokat szenvedtem a BD241 nagyon melegszik.
De! Gondoltam!
![]() De az oldalon azt mondták, hogy jó. A NYÁK meg tuti biztos jó volt. Helios: köszönöm a választ!
Tudom én azt!
Nem hangolt le egyáltalán. Igaz még van mit tanulnom! ![]() Egyébként cseréltem minden alkatrészt, de a hiba továbbra is fenn állt. 13_Balu50: Ahogy elnézem amit küldtél majdnem ugyan az, mint amit én csatoltam a kérdésben, csak egy kicsit átdolgozva. ![]() Köszönöm az eddigi válaszokat mindenkinek!
Az általam belinkeltnek nem kell külön 12 V, a végfok szimmetrikus tápjáról megy és kell a trafó szekunder részéről 1 szál ami az áramkimaradást érzékeli, ugyanis azonnal betilt ha elmegy az áram, nem lövi ki a hangszórót. A tiédhez csak max 12 v os relé mehet, de azt nem tanácsolom kiccsi az ellenállása azt a bd137 biztos nem fogja birni.
A relé tekercse 270 Ohm -os, és csak 1 db-t használok belőle. (mert 2 áramkörös)
Az a baj az általad javasolt kapcsolással, hogy a BD, ami a relét kapcsolja, nincs telítésbe vezérelve. Egy 10kOhm -os bázis-kollektor közötti ellenállás adja a nyitóáramát. Nem jó megoldás, a kapcsoló tranzisztoron sok feszültség marad emiatt, az pedig a rajta átfolyó árammal együtt feleslegesen fűti a tranzisztort. Ráadásul két tápfesz kell neki, ami megfelelő terhelhetőséggel nem áll rendelkezésre minden erősítőben.
A hozzászólás módosítva: Jún 17, 2015
Akkor mit ajánlasz? milyen tranyót tegyek helyette?
Megépítetted ezt is, amit 13_balu50 kolléga javasolt? Mert én erre írtam.
A hozzászólás módosítva: Jún 17, 2015
Azt építem!
![]() Azé kérdem!
Minél nagyobb bétájút. A kis BD -knek nagyobb a bétája, mint a nagyoknak. De melegedni fog a 270 Ohm -os relével nagyon. Ez konstrukcióból adódó probléma, nem a legjobb megoldás. Az előzőleg megépített kapcsolásodnak is működnie kellett volna, úgyhogy valamit te szúrhattál el. Én ezt nem javaslom a számodra. Már csak a BD melegedése miatt sem. Egyszerűbb rajzot keress.
A hozzászólás módosítva: Jún 17, 2015
És ha a relével sorosan kötök egy ellenállást? Mondjuk olyan 2-300 Ohm -osat?
A soros ellenállás mehet, de az értéke függ a tranzisztor tipusától, bétájától, a tápfesztől, szóval azt igazából egy árammérés után kellene kiszámolni, hogy mennyi legyen az értéke. De a melegedést nem oldja meg, csak annyit érsz el vele, hogy nem a tranzisztor fog főni, hanem az ellenállás. Ez alapból rossz megoldás, hogy a teljes tápfeszről kapcsolják a relét.
Reloopnak van többféle védelem javaslata is a témában. Ha nem kötődsz az eddigi kapcsolásokhoz, akkor javaslom azt is megnézni.
Külön tekercsről (vagy trafóról) üzemel, ezért szinte semmilyen hőtermelés nincs, egyszerű, de megoldja a feladatot. Ráadásul bőséges elméleti információ is van hozzá. (itt találod)
Akkor lehet belerakok egy BD137 -et.
Idézet: „Az előzőleg megépített kapcsolásodnak is működnie kellett volna, úgyhogy valamit te szúrhattál el. Én ezt nem javaslom a számodra. Már csak a BD melegedése miatt sem. Egyszerűbb rajzot keress.” Nem okoz gondot a kapcsolás ,,bonyolultsága,,! Az előzőbe szinte mindent megpróbáltam már: cseréltem az összes tranzisztort, próbáltam más relével, variáltam a kondik értékeit, átforrasztottam minden kapcsolást, de semmi. A NYÁK -ot is sokszor átnéztem, de semmi hiba. A sok forrasztgatástól meg már levált a réz vezető a lapról. Eredetileg is ezt a műveleti erősítős változatot néztem ki, csak ahhoz nem sok minden volt itthon. Azért maradtam a tranyósnál.
Egyébként én is külön trafóról hajtanám.
Tudom, hogya 12 V -os 270 R a 24 V -os meg 1000R körül van mióta cseréltem 24 V-ra nincs melegedés.
|
Bejelentkezés
Hirdetés |






Akkor örülés van.



. Pedig pofon egyszerű a megoldás! 
Egyből behúzza a relét, ha áramot kap. Nem akarok többet szórakozni vele, mert már nagyon sok dologgal próbálkoztam. Annyit meg nem ér! 





