Fórum témák
» Több friss téma |
A téma átmenetileg fagyasztva lett, hozzászólni nem tudsz!
Bekötöttem a a védőföldet. Kicsit halkabb lett a brum. A poti kattogásának is ezvolt a gondja.
Ezeken a helyeken van lehúzva csillagpontra, zölddel jelöltem. C4 már most érdekes, ahogy lerajzoltam.. Annál nincs ott. A hozzászólás módosítva: Aug 4, 2015
Ebbol nem derul ki semmi, lehet foldhurok boven.
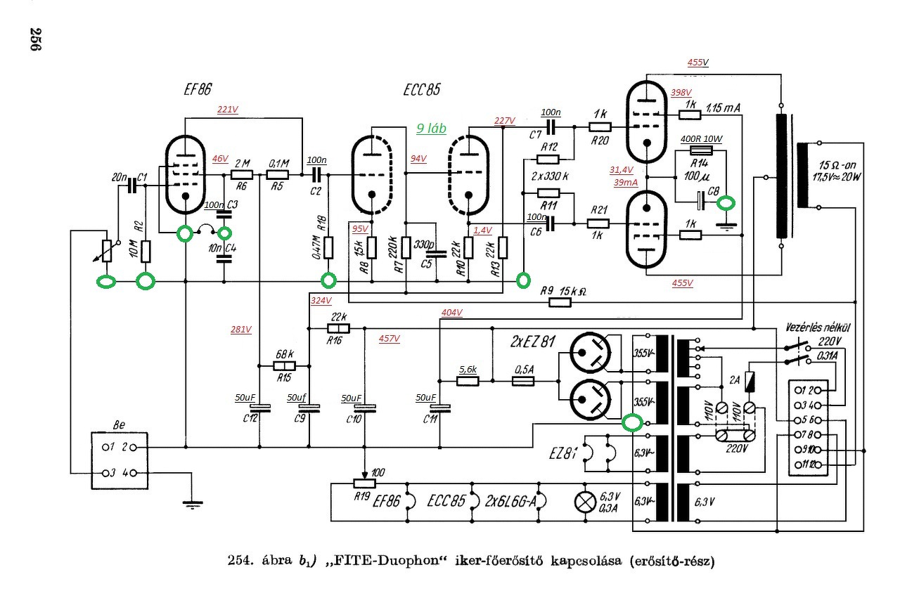
EF86 ebben a racsaramos beallitasban nagyot erosit, ami felesleges, sokat ront a hangminosegen. Ha ezt a bemenetet valasztod, akkor erdemes lenne javitani, triodaba kotni, vagy ha pentodahoz ragaszkodsz, racsaramos beallitasat megszuntetni.
Megoldódott a brummom. Elfelejtődött bekötődni a fűtésközepelő GND -ra... Még van egy pici, azt még kibogozom. Próbáltam triódába. Szerinted melyik formáció a legjobb EF86-ra? Sima kapcsolóvezetékkel kötöttem be, hogy tudjam módosítani.
Idézet: „Elfelejtődött bekötődni a fűtésközepelő GND -ra...” Kicsit gyanús volt, hogy teljesen hatástalannak minősítetted ![]() Akkor már egészen jól állsz, nem?
MOst is hatástalan a tekergetése. A brumm jócskán csökkent, viszont hiába tekerem. Mennyit kell várni az állítgatása közben? Nemközepeltem még soha.
Mitszólsz? Mondjuk nemannyi, mint terveztem. Kicsit drágáltam. A másik szekrényhez majdmég bekell szereznem.. : ) A hozzászólás módosítva: Aug 4, 2015
Ha nem megfelo helyen foldelted a kozepelo potik kivezeteset, akkor kevesbe hatasos.
Nezd meg ez eredeti valtozatban hova foldeltek. Finoman allitva erzekelhetonek kell lenni, foleg az EF futesenek allitasakor.
Volt mar itt jo rajz, az alapjan kosd be, de ne hibazz, adatlap alapjan nezd meg a foglalat kiosztasat. Mukodni fog, zaj is sokat csokken.
Csillagpont a kondik lábánál van. Odavan húzva minden. A rajzon is ottvan testen a közepelőpoti. Lehet nagyobblesz a brummom, mint hallatszódna?..
Fülre néztem, lehet szkópon jobban látszódna EF kimenetén.
Ami rajzokat próbáltam kiraktam képnek. Azoknál csendbevolt az egész EF. Fész aztmondja nemjóvolt a beállítása. Hogy haladjak tovább.. Fész írt egy megoldást ami nálavolt. Azis csendes volt. Mit tudok még azokon állítani?
Fulre is erzekelheto, viszont ha van mas jellegu brumm is, akkor nem fogod hallani.
Mindent egy csillagpontba kotni nem biztos, hogy jo megoldas, tobb csillagpont alkalmazasa hatasosabb lehet, hatulrol elore haladva. Mivel ez mono, igy sokkal egyszerubb kivitelezni.
Szerintem EF valamelyik kivezeteset elkototted.
Ha jol huzalozod mukodnie kell!
Lenne még annyi időd? Ráböksz valamelyikre??
Szívesen próbálom. Link (javítva) A hozzászólás módosítva: Aug 4, 2015
23. oldalon ok, de figyelj a cso megfeleo bekotesere, ne legyen kivezetes tevesztes!
A hozzászólás módosítva: Aug 4, 2015
Ígyvan kötve... Rajzra nézzmár rá, én ígylátom. ..
Vagycsak R6 ot kössem fel 221V ra 100R el? A hozzászólás módosítva: Aug 4, 2015
Legutobbi rajzodon katod foldon van, en ezt lattam es nem triodaba kotott EF.
A hozzászólás módosítva: Aug 4, 2015
Bazz, nem.... Azonkívül, hogy G2 anódramegy.És van katódellenállás A hozzászólás módosítva: Aug 4, 2015
Ez Fész
Rajza. Bekötöm ismét. Ő aztmondta, hogy beállítás kérdése, hogy halk. MIt tudok rajta állítani? Bekötöm.. A hozzászólás módosítva: Aug 4, 2015
Figyelj csak.A rajzon szereplő EF86 katódellenállat és kondér jó.Ha túl "nagy" az anódellenállás,nem fog "félvezetni" a cső és ezért halk.Érted?Korábban írtam,hogy nézz meg egy cső adatlapot,mondjuk ezt:EF86 datasheet
3.oldal,trióda bekötés üzemi értékei,ha ezek a feszek beállnak szólnia kell mint az állat ![]() Tegyél mondjuk egy 100K-s trimmert az anódellenállat helyére (R15) és mérd az áramot A hozzászólás módosítva: Aug 4, 2015
Bekötöttem, ahogy mondtad. Most szól.. Nem kicsit..: ) De nemeléggé. 1,5K a katódellenállás, és 100u a kondi.
72V anódon, 2,15V katódon. A hozzászólás módosítva: Aug 4, 2015
Egyébként brumm megszűnt létezni. Ha emelem a hangerőt akkor még ottvan, bemenet zárásra is. Most úgyműködik, mint a moziba.. Számoltok nekem, Hogy jólesz -e a cső?
Levegőbe szereltem. Ha az EF vezetékeit pengetem, úgyműködik, mint egy gitár.. A hozzászólás módosítva: Aug 4, 2015
Ha meg jobbat akarsz, ket bemenetet keszitesz, vonali szintre megcsinalod az ECC re a masik bemenetet. R9 ellenallast 33k ra csereled kidebb NFB hangzasra is jo htassal lenne. Igy lenne egy magas es egy alacsony szintu bemeneted.
Atkapcsolhatoan megoldva, jelentos zajcsokkenessel is jarna.
Értem. Most triódában van az EF. Akkor kössem vissza pentódába, és az ECC erősítését emeljem meg? Igy emelve mindkét előfokon, nemlesz majd torzítás a kimeneten?
Rácsáramos megoldás megszűntetését hogyan gondoltad? Remélem érted, ahogy fogalmazom. Közben a vezérlőben található műszeren agyalok. Állítólag anódáramot mért egy kapcsolóval a két végfokon. Rajzon szerepelne a bekötése. A rack hátsó csatlakozója viszont nemstimmel. Hogyan mérhette? NIncs hozzá csatlakozó a végfokok hátulján. Két maradék PIN em van, amire a trafó egyik 6,3V ága csatlakozik. SZerintem ez menne a visszajelző glimmekhez. És ennyi. Mit, és hogyan mérhetett ez? A vezérlőben voltmégegy trafó, egy középmegcsapolásos szekunderrel... A hozzászólás módosítva: Aug 5, 2015
|
Bejelentkezés
Hirdetés |





Bazz, nem.... Azonkívül, hogy G2 anódramegy.


