Fórum témák
» Több friss téma |
- Ez a felület kizárólag, az elektronikában kezdők kérdéseinek van fenntartva és nem elfelejtve, hogy hobbielektronika a fórumunk!
- Ami tehát azt jelenti, hogy a nagymama bevásárlását nem itt beszéljük meg, ill. ez nem üzenőfal! - Kerülendő az olyan kérdés, amit egy másik meglévő (több mint 17000 van), témában kellene kitárgyalni! - És végül büntetés terhe mellett kerülendő az MSN és egyéb szleng, a magyar helyesírás mellőzése, beleértve a mondateleji nagybetűket is!
Nem igazán értem, hogy a két relé mely lábait kell összekötnöm a rajz alapján. Valaki más esetleg elmagyázná egy halandónak?
)
Hi,
Adott 2 feszültség szabályzó: L7812ABV, L7809CV. Mindkettő egy 24V 2.1A feszültségforrásra lesz k kötve. Innen megy a 12V egy léptetőmotorra (max~500mA) , a 9V pedig egy arduinora (max~700mA). Kell bármilyen kiegészítő áramkört építenem, vagy elég ha a szabályozók megfelelő lábait a megfelelő helyekre kötöm?
Nem tudom én sem jobban elmagyarázni.
1. + 3. a földre 2. a diódára 5. pedig a kapcsolt vezeték. a második relét ugyan így bekötöd és párhuzamosan rákötöd az elsőre, kivéve a 2. és 5. kivezetés.
De akkor a 1-3-as kivezetésnél sorba vannak kötve a relék a negatív szálon végülis, nem?!
A hozzászólás módosítva: Aug 4, 2015
És? Mi a baj? Ez két egymástól független relé, amelyek +12V-ot kapnak, és ekkor testet adnak ki.
A hozzászólás módosítva: Aug 4, 2015
Nincs baj, csak a rajzolt képen én azt látom, hogy a két relé 2 kivezetése össze van kötve azon a szálon amin a negatív megy és arra voltam kíváncsi, hogy melyek ezek kivezetések. Ugye egybe kell kötnöm a két relét, tehát egy áramkörre és nem külön külön. Szóval akkor az 1 és 3 as pontok közösek a negatív szálon, sorba vannak kötve.
A hozzászólás módosítva: Aug 4, 2015
Nem "sorba" mert az mást jelent. Minden 1 és 3-as lábat a testre kell kötni..
A hozzászólás módosítva: Aug 4, 2015
Világos.
Számomra a rajzolt kép alapján az jön le, hogy a két relé össze van kötve, ott ahol a negatív megy. Ugye a két relét beköthetném egymástól független negatív szálon, de a rajzon ez közös, ami mindkét relé esetében az 1-3-as lábak. Tehát, egy negatív, közös szálon mennek ezek a kivezetések. A hozzászólás módosítva: Aug 4, 2015
Szisztok. Szeretnék a hétvégi házunkban világitást csinálni. Keresgéltem neten szolár paneleket, találtam is, elég olcsón. Van 2 darab akkum is 12v 12A-es. Mi kell még hozzá?
Cseppet túl komplikálod, nem érdemes. Egyszerű ez mint a faék.. Lényeg, hogy a megfelelő lábak oda menjenek, mint a rajzon. Lehet az egy közös testvezeték, vagy akárhány. A lényegen az nem változtat.
Semmi különös nem kell, csak közvetlenül a lábaknál 1-1 100-150 nF kerámiát tegyél a testhez képest az IN és OUT lábakra.
Hűtésről gondoskodj, mert max. 8-10 watt nagyságrendű teljesítmény fog elveszni.
Még egy apróság. A testre, jelen esetben negatívra még sok alkatrészt is köthetnél, amik ugyanúgy nem sorba lennének kötve. Ez egy vonatkoztatási pont, vezeték..
A két relé "soros kötése" azért se lenne értelmezhető, mert a két szembefordított dióda miatt ez nem lehetséges.
Köszönöm mindenkinek! Valószínűleg az ÉS-kapus átalakítást fogom megcsinálni, az tűnik a legegyszerűbbnek. Még annyi kérdésem lenne, hogy az 1N4148-as diódáknak és a FET-ek gate-jét földre húzó ellenállásnak mi a szerepe a kapcsolásban? Mert a TINA szerint nélkülük és épp ugyanúgy működik.
A 4148 az IC kimenet negatívra ugrásakor egy pozity visszacsatolást csinál, gyorsítja az átkapcsolást.
A gate-source ellenállás jelen esetben inkább egy biztonsági téma, hogy a gate IC kimenet szakadáskor se lebeghessen.
Szia!
Az egész egység egy szabályzóhoz kapcsolódna, annak a gyári érzékelőjét helyettesítené, ami egy egyszerű ellenállás hőérzékelő. A vizsgáló fesz amit a szabályzó kiad üzemi tartományban kb. 0,8...1,2V között van, ekkor kb. 1,9...2,3mA folyik a körben. (az ellenállás üzemi értéke néhány száz ohm, 1k-nál nem több) Üresjáratban 11V körül mérhető a kivezetéseken. Hogy mi történik a szabályzóban azt nem tudjuk, olyat viszont már láttunk, ahol több ellenállás érzékelő eredőjét figyelték, és ha az eltért a referenciától, jött a beavatkozás míg helyreállt az egyensúly. Tehát feltételezzük hogy valahogy egy ellenállást kéne itt helyettesíteni. Az elektronikus műterhetés kapható kész áramköri elemként, vagy építeni kell? Nem sokmindent találtam róla, meg végülis egy lelkes amatőr vagyok csak ![]() Kösz a segítséget!
Így, ebben a formában inkább digitális potenciométer az, ami javasolt. Viszont, ehhez inkább mikrovezérlő kell.
Igen, ez volt az első ötletünk. Esetleg A/D átalakítóval? Pl. egy LM335+analóg szorzó kiadja a kívánt feszültség karakterisztikát, az konvertálódik digitális jelre s megy a dig. potiba. Lehetséges? Talán nem bonyolultabb mint a mikrovezérlő, de határeset
Ez így nem lesz jó, a digipotikkal I2C-n, vagy SPI-n keresztül kell beszélgetni, közvetlenül nem megy.
Sziasztok!
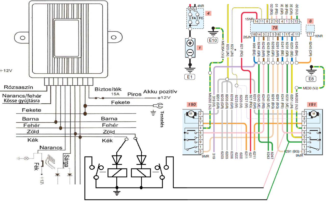
Ne haragudjatok, hogy ide írok ezzel kapcsolatban, de az autóm jelenleg ki van belezve és mivel szinte ez a legaktívabb része az fórumnak, talán itt kapok a leghamarabb választ a következő problémára. Pár hsz-el előbb már kértem tanácsot relé bekötésével, ahol a két relé pozitívat kapcsolt, de "alap" állapotban negatív a polaritása. Ha nem tévedek... Erre egy távirányítós központizár vezérlő egység bekötéséhez volt szükség, ami a csatolt rajzon látható. Eredetileg már volt kulcsos kp-i az autóban meglévő motorokkal, így csak az egység bekötésére van szükség. Szóval kimértem a vezetékeket a zárban, mely szerint: (rajzon 191-es egység) Nyitott állapotban mindegyik +1,5 Volt 6291 6251 6241 6231 Zárt állapotban 6291 - 1,5 Volt (tehát csak ennél az egynél fordul meg a jel, amit ki is próbáltam az egyik relé rákötésével. Zárni már tudok, de nyitni még nem ugye mert a másik relét nem tudom hová bekötni) 6251 +1,5 Volt 6241 +1,5 Volt 6231 +1,5 Volt Ebből adódóan csak az egyik relét tudtam bekötni, mert különben így, ahogy most van zárlatot okozott volna. A kérdésem, hogy a kapott infok alapján hogyan kell átalakítani a reléket, hogy betudjam kötni? Gondolom az egyik marad, ahogy van,mert kipróbáltam és zárni tudom az ajtókat de nyitni nem. Remélem érthetően leírtam. Az eddigiekben InHouse segített a fórumról, de sajnos 3 napja, ha jól láttam nem járt fent és tekintve, hogy az autó szét van húzva kissé sürgősebb a dolog. (utcai parkoló)
NO Normal Open Normál állapotban nyitva NC Normal Close normál állapotban zárt
Köszönöm, nagyjából sikerült is beállítanom.
![]() Egy kérdés felmerült bennem. Amit linkeltél, ott egy 5V-os táp szerepel 2.5KOhm-mal. Ez az IC mennyire érzékeny a csökkenő tápfeszültségre? Ha csökkenni kezd a táp akkor módosulni fog a kimeneti 2.5V is? Illetve legalább mennyivel kell nagyobb feszültségnek lennie, hogy megmaradjon a stabil 2.5V? A hozzászólás módosítva: Aug 5, 2015
Hello! Precízebben is fogalmazhatnál. Mondjuk ábraszám, vagy rajz, hogy lehessen tudni mire válaszoljanak. De félő, hogy amire gondolsz, az nem 5V-os táp, hanem 5V-ról van táplálva a 2,5V-os referencia. A változást pedig az adatlap tartalmazza. Ha a referencia áram 0,4mA..10mA között változik, akkor a feszültség változása átlagosan 3mV, maximum 12mV..
Mit jelent számodra az, hogy "stabil". Olyan nem létezik, hogy valami abszolút változatlan. Valamekkora változás mindíg van, csak az a kérdés, hogy az mekkora, és mennyi változás az, amit tolerálni tudsz. Ha nagyon nagyok az igényid, igen kis változást tudsz tolerálni, az sok pénzbe is kerül, annál bonyolultabb, és drágább áramkör kell hozzá.
Egyébként, bár nem tudom mi a célod az áramkörrel, az adatlap szerinti tolerancia pár mV, ami azért igazán nem sok, tekintve, hogy a gyártója is feszültség mérő (és nem saccoló) referenciájának ajánlja. Gondolom, ez neked bőven meg fog felelni, nem hiszem, hogy bármilyen hobbí felhasználáshoz nem lenne elegendő. Az ezzel készült áramkört is meg kell tervezni, az adatlapon található adatok alapján. Hasonlóan kell tervezni, mint egy közönséges zéneres stabilizátort. Az előtét ellenállás értékét úgy kell megválasztani, hogy a minimum tápfeszültség, és max terhelő áram értékénél a stabilizátoron még épp átfolyjon a minimális áram, ill, a max. tápfesz esetén, nulla terhelő áramnál se folyjon több áram a stabilizátoron, mint a megengedett max. áram. A hozzászólás módosítva: Aug 5, 2015
Értem, köszi mindkettőtöknek. Egyébként mi a különbség, hogy 5V-ról van táplálva vagy 5V táp?
![]() A stabilitása elég is lett volna, de úgy néz ki, ez bukta lesz, mert a 6. ábrán írja, hogy 3.5V-tól üzemel, ezt kipróbáltam, és ez alatt tényleg elmászott a 2.5V. ![]() Egy 3V-os gombelemről működtettem volna, de akkor ez nem fog összejönni. Milyen lehetőségeim lennének, hogy 3V-ból stabil 2.5V-ot csináljak?
Sziasztok. Vásároltam egy sjcam m10-es sportkamerát. Az a problémám, hogy a beépített mikrofon szinte semmit nem ér. Kiforrasztottam belőle lemértem az ellenállását ami 2600ohm. A mikrofon amit kinéztem helyette pedig 600ohmos. Belerakhatom a kiszemelt mikrofont, vagy nézzek egy másikat? Köszönöm.
|
Bejelentkezés
Hirdetés |




) 










