Fórum témák
» Több friss téma |
Szia!
Nem tudom, emlékszel-e még a monitoromra, aminek a táp IC-je nem indult, mert a 10V helyett 6-7V-ot kap csak. Úgy hagytuk abba a dolgot, hogy cserélek IC-t. Tegnap este volt kedvem foglalkozni vele, meg kicsit reménykedtem is, hogy jó lesz, így kicseréltem végre. Viszont sajnos most sem jó, ugyanúgy 6V felett van kicsivel a feszültség az IC táp lábánál. Nem lehet, hogy a tekercs zárlatos és az sem ad le annyi feszt? Vagy mitől lehet még ez a probléma? Semmi ötletem nincs. Üdv: spgabor
Szia,
Sajnos rajzot nem találtam eddig hozzá de 50V-os kondik vannak abban a részben ezért gondoltam, hogy a 30V az jó lehet. Üdv
Az optocsatokat cserélted már?
zoli0078 Akkor igen, ez egy ledes monitor?
Nem, mert azt két multiméterrel mérve jónak találtam. Valamint attól még az IC-nek a tápfeszt meg kéne kapnia szerintem.
Én már nem értem az egészet, tehát ilyenkor kell olyan dolgokat cserélni, aminek látszólag semmi értelme. Azt nem tudom, legalább egyszer elindul, tehát van valamiféle feszültség löket a szekunderen?
Nincs semmi, egyszer sem indul. Szekunder full halott. Viszont akkor cserélek optókat.
A hozzászólás módosítva: Aug 19, 2015
Mi a pontos típusa ennek a monitornak Miral ...???
Mirai DML-522W100
Olvasgattam az elejétől amiket írtál.Azt kellene megnézni , hogy a trafó szekunder oldali , de még primer körén, tehát a diódák előtt megjelennek e a feszültségek rendesen.
Feltételezhető , hogy a táp primer oldala nem megy , vagy nem rendesen itt, most a trafó előtti primer oldalra gondoltam.
Ha jól emlékszem, a szekunder oldalon az egyenirányító diódák között sem jelenik meg a feszültség. A primer oldalra nem emlékszem, mert egy hónapja méregettem azt utoljára. De meg fogom mérni mindenképpen.
Kicsit nekem az az érzésem, hogy lehet a trafó is hibás. Bár remélem nem, mert az nem jó.
Lehet hogy meg van a rajza , de pontosítsunk akkor hozzá.
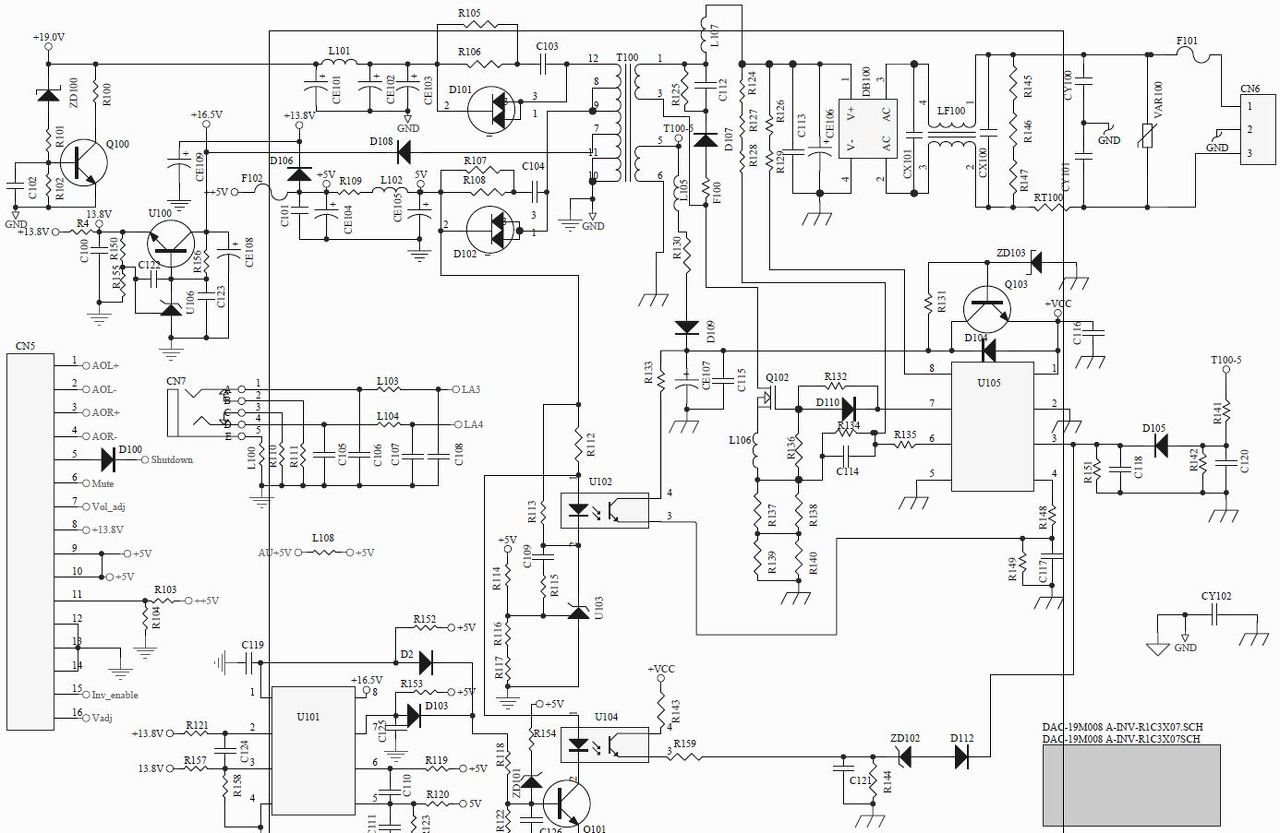
Van benne ilyen meghajtó a tápban , hogy LD7575 ic? Akkor TLP621 optó, , ami a trafót primer oldalról hajtja az FQPF7N65C.
LTV-847-es optó van benne U102 és U104 helyén. A táp megegyezik ezzel a prímer oldalon kis kivétellel. Vagyis csak annyi a különbség, hogy D109-ről közvetlenül megy a táp az IC 1-es lábára. D104 helyén egy 0-ás smd van, Q103 és ZD103 pedig nincs benne gyárilag. R131-ről most fejből nem emlékszem. Amúgy minden megegyezik a rajzon lévő adatokkal.
Az IC 1-es lábán 6-6,5V van kb. A nyolcason 310V, mint a pufferen.
Akkor az ic jó, illetve a hetes lábon mi a helyzet ?
A hozzászólás módosítva: Aug 19, 2015
Az ic hetes lábán hány volt van ? És a D110 után ?
Na ezt viszont már nem tudom, fejből. Ezt is megmérem.
Mert , ha itt van vezérlés a Q102 ön keresztül a trafó felé , akkor a trafó 1 es pontja felől kell megközelíteni a dolgot.Egyébként azt is ki lehet mérni , hogy a trafó ezen két pontja , tehát az 1es , és a 3 mas pont közti tekercs nem szakadt e véletlenül.Az egyik pontot szabaddá kel tenni a forrasztástól , és ohm ot mérni rajta.
Megmérem a napotban ezt is és jelzem, mire jutottam. Addig is köszönöm a segítséget.
Szia!
Ezeket sikerült megmérnem: -ic7 és d110 mindkét felén 0V -ic1 6.5-6.9v -ic8 292V (puffer kondi 315V) -trafó 1-3 láb: 1,6-1,7Ohm
Értem Az ic 7 es lábáról nem megy vezérlés a fet felé , vagy esetlegesen rossz lehet a fet , vagy az ott lévő L R tagok valamelyike , és lezár testre.
A trafó az jónak tűnik a puffer feszültség is. Az U105 4 es lábán +5,6v nak kellene lennie belső zéner által .Viszont ez csak akkor lehetséges , ha az optó csatoló meghajtja a 4 es lábat. A hozzászólás módosítva: Aug 21, 2015
Sziasztok,
A 25" HP még ccfl csöves és nem ledes
Amikor még anno mértem a fetet, az jó volt. Sajna nem kaptam optot, mert nem tudom mi van az itteni boltokkal, de siralmas vagy a nyitva tartás intervalluma, vagy a minőség.
Megnézem a fetet még egyszer, meg cserélek optókat.
Ha jó lesz a fet , és az optók , akkor nézd meg , hogy a +13,8v meg van e a D106 diódán, és az U101 is megkapja e a 2es , és 3 lábon a tápot , és a 8 as lábon is a tápot.Q101 jó e , ZD101 jó e, R152,153,154 en +5v meg van e.Mert csak , így fognak indulni az optók , ami pedig meghajtja az U105 4 es lábát Az U105 pedig a 7 es lábon a fetet , és akkor remélhetőleg helyre áll a táp , és beindul .
Mérj rá légyszíves a 3, 4, 6-os lábakra. CE107-et nem tudom, hogy mondta-e valaki, de ha a mellette lévő C115 zárlatos volt, akkor kérdés nélkül, azonnal cserélni kell (jól sejtem, csak szakadást mértél rajta, vagy megmérted kapacitás és ESR mérővel is?), lehet, hogy ezzel meg is oldódott a baja, nem tudom, mekkora van benne, de lehet 2x akkora nyugodtan. Ami még gond lehet, D109 szivárgása, az képes akkora áramot elnyelni, hogy az indulás ellehetetlenüljön-ide bármilyen gyors dióda jó lesz próbaképpen, akár 1N4148 is. A belső áramgenerátor, ami az IC indulásához szükséges feszültséget eredményezi, nem tudom, mekkora lehet, de a 8-as lábon maximum 5 mA folyik be-ennél csak kevesebb lehet, ha bármi terheli a VCC lábat (amit műszerrel mérve nem biztos, hogy lehet látni, mert a mérés alacsonyabb feszültségen történik, ahol a szivárgás nem feltétlenüól mutatkozik meg), akkor az IC nem fog indulni. Esetleg mérni az 1-es láb felől elfolyó áramot még érdemes lehet, ha az eddigiekkel nem jutunk dűlőre, az indulási feszültségig ugyanis nem sok mindennel foglalkozik az IC, a 3-as, 4-es lábak feszültségét illetően sem találok összefüggést, de arra gyanakszom, hogy a műszered tehetetlensége folytán esetléeg eléri az IC a küszöböt, csak a fenti lábak valamelyikén mérhető érték miatt rögtön le is áll.
Elbnézést, hogy helyette válaszolok, de nem lesz meg egyik kérdéses feszültség sem, mert el sem indul a PWM.
|
Bejelentkezés
Hirdetés |














