Fórum témák
» Több friss téma |
- Ez a felület kizárólag, az elektronikában kezdők kérdéseinek van fenntartva és nem elfelejtve, hogy hobbielektronika a fórumunk!
- Ami tehát azt jelenti, hogy a nagymama bevásárlását nem itt beszéljük meg, ill. ez nem üzenőfal! - Kerülendő az olyan kérdés, amit egy másik meglévő (több mint 17000 van), témában kellene kitárgyalni! - És végül büntetés terhe mellett kerülendő az MSN és egyéb szleng, a magyar helyesírás mellőzése, beleértve a mondateleji nagybetűket is!
Hello! Pld. ráadsz 10V feszültséget, és megméred a szögelforduláshoz tartozó feszültség értékeket.
Van egy netes szimulátor ahol lehet vizsgálgatni egy astabil multivibrátor működését: Bővebben: Link
Egyszerűen nem sikerült rájönnöm hogy így miért működik és így miért nem.
Működik mind a két kapcsolás,csak az ellenállás értékek mások.
Sziasztok, szeretnék utólag néhány vezetéket árnyékolni, pl servo vezetékeket, dc motorkábeleit, hogy az rf modult ne zavarja. Ehhez jó lehet, ha alufóliával bevonom és rákötöm a földet? Mintegy maszek koax kábel?
A kérdés az, hogy abban a kapcsolásban ahol a a két 10k-s ellenállás le van cserélve két darab 1k-s ra miért nem működik rendesen: értem ezalatt hogy miért nem szimmetrikusan nyit ki és zár le a két tranzisztor.
Inkább használj kéteres árnyékolt kábelt, ilyet találsz pl. mikrofon kábel néven. Léteznek különböző vastagságban.
Azért nem szimmetrikus, mert a kis ellenállások miatt gyorsabban töltődnek a kondenzátorok.
Továbbra sem világos hogy a kondenzátorok feltöltődési ideje miért befolyásol bármit is. Mármint az oké hogy a feltöltődésnek gyorsabbnak kell lennie mint a kisülésnek de ha sokkal gyorsabb a feltöltődési idő akkor miért nem a kondik kisülési idejének megfelelően billeg az áramkör.
A tranyók erősítési tényezőjének direkt nagy értéket állítottam be hogy a nagy kollektoráram ne okozzon problémát.
Az a baj ezzel a szimulációval és főleg az alkatrészértékek megválasztásával, hogy a programba beépített értékszórások határozzák meg a kitöltési tényező alakulását. Ha megnézed a szimulátort, akkor láthatod, hogy elméletileg teljesen megegyező ellenállás és kondenzátorértékek mellett mennyire aszimmetrikus a billegés.
Van az a része, hogy a szimuláció és gyakorlat sokszor nem találkozik. Esetleg épitsd meg
Sziasztok! Valamennyire csak elektronikához is tartozik,gondoltam itt megkérdem. Tegyük fel van két egyforma okos teló. Az egyikből kiszerelem a kamerát,ha rákötném párhuzamosan a másikra,a teló működtetné mindkettőt?
Köszönöm! Mozgás érzékelőként akartam volna használni. (de akkor így neki sem fogok).
És van már valamilyen mozgásérzékelő programod?
Egyenlőre csak próbálgatom,vettem sorba őket,de még normálisat nem találtam,csak olyat ami mozgásra képet csinál.(olyan meg nem kell nekem. ,az lenne a jó ha mozgásra bekapcsolna és amíg mozgás van rögzítse de videóként.) Erre gondoltam hogy milyen jó lenne két-három kamerát összekötve egy okos telóra és egy jó programmal használni.
Én is kerestem, de én sem találtam normális appot. Még fizetőset sem. Van 2 db androidos nem használt telóm, ami pont megfelelne ilyen célra. Ha esetleg találnál jelezzd nekem is.
Tiszteletem!
Ki tudja ez mi? Megszeretném venni:ac 220v 3800w scr feszültségszabályozó elsötétülő fényerő fordulatszám-szabályozó termosztát. Én 220 Voltból akarok a potin keresztül kisebb feszültséget. Bővebben: Link A hozzászólás módosítva: Aug 26, 2015
Ez egy Triak-os szabályzó. A feladattól függ, hogy alkalmas-e a arra vagy nem. Pl. mindegy mennyire kis feszültségre állítod be, a kimenet galvanikus kapcsolatban van a hálózati 230 V-tal, tehát ráz, életveszélyesen. A kimeneti feszültség sem szép egyenletes, hanem a bemeneti szinuszhullámot szeleteli, így jön ki az alacsonyabb effektív kimeneti feszültség.
A hozzászólás módosítva: Aug 26, 2015
Sziasztok!
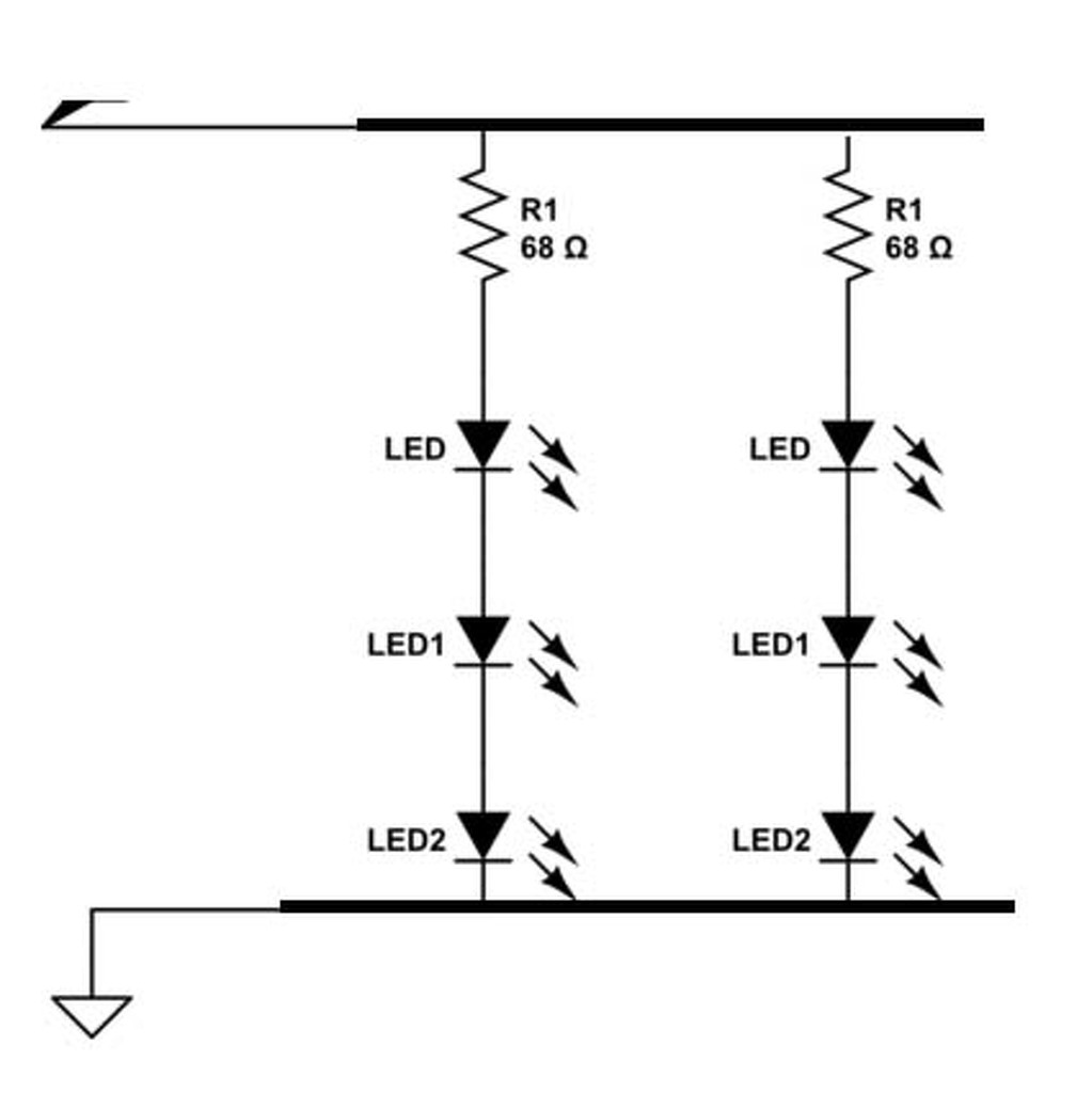
Elég kezdő kérdéssel fordulnék hozzátok. Szeretném az autóban a csomagtérvilágítást ledekre váltani, úgy hogy sorba kötök 5 db fehér színű ledet. Megnéztem a kalkulátort, de ott azt írja, hogy a 12V mint tápfeszültség kevés neki. Gondolom ez esetben párhuzamosan kellene kötnöm őket?! Ez esetben 91Ohm-os ellenállást kell beiktatnom. Ez így működőképes lenne?
Végy még egy LED-et és akkor két három LED-es sorba kötött csoporttal jó is lesz. Bal oldali rajz.
Esetleg LED szalagot vegyél bele, az eleve 12 V-os. Céges kocsikba ilyeneket raktunk, évek óta működnek mindenféle trükk és hiba nélkül.
Így gondoltad, ahogy csatoltam?
Led szalagon gondolkoztam, de az nincs kéznél jelenleg (LED-em van 100), de ahogy látszik nem vagyok valami otthon a témában az lesz a legbiztosabb.
Sziasztok hol lehet 30 százalékos hidrogén peroxidot kapni? Gyógyszertárban csak három százalékos van. Nyák maratáshoz kéne.
Pompás köszi!
![]() Esetleg vaskloridot könnyebb beszerezni? A hozzászólás módosítva: Aug 27, 2015
Szia!
Esetleg fodrászkellék üzletben tegyél egy próbát. Én ott vettem legutóbb. Vagy egy másik gyógyszertárban. Ott is sikerült már vennem, bár magyarázkodni kellett, mert elvileg ott nem adhatják ki a 30%-osat. Végül kiadták, viszont horror áron. ![]() Üdv, Ati A hozzászólás módosítva: Aug 27, 2015
|
Bejelentkezés
Hirdetés |







