Fórum témák
» Több friss téma |
Azt még nem tettem rá vissza, viszont észrevettem, hogyha felfordítom a videót (az oldalán áll) akkor működik.
Már megoldódott, viszont most egy másik probléma jött elő... Nincs hang, csak az első 1-2másodpercben.
Készítettem a hibáról egy videót: https://youtu.be/ykfBhCaA-KA
Nincs CTL jel, képen is látszik, az nem szalaghiba, számláló sem megy.
Próbáld megtisztítani a CTL fejet, rendesen.. A hozzászólás módosítva: Aug 11, 2015
A Számláló az megy. Számol rendesen. Most megy, de hang az nincs.
SZERK: Kicsit jobban megpucoltam, és már van hang! Köszi a segítséget! A hozzászólás módosítva: Aug 11, 2015
Igen, és már jó
![]() Megy a számláló is. És megy az LP-is, ami eddig nem ment.
Na sziasztok! Újra lenne egy problémám a fenti videóval. Az, hogy nagyon szorult egy kazetta, és az a fehér izé, ami felviszi a szalagot, amellette lévő fén "oszlop" kitört. Csatoltam egy képet, hogy mire gondolok. Szerintetek, ezt hogy tudom visszaragasztani? Pillanatragasztó megfogja?
Enélkül nagyon hullámos a kép...
És ezt mégis hogy?
Mi ennek a neve? Hol lehet ilyet kapni?Egyébként visszaragasztottam, de a kép tetején van egy idegesítő fehér csík. Nem jó ez így. Talán van itt egy videó még valahol ami rossz, abból megnézem át tudnám e tenni valahogy. A hozzászólás módosítva: Aug 12, 2015
Csík azért van, mert megváltozott a helyzete, tized mm is számít.
Állítható, ezért van a végén a bevágás, finoman tekerve megpróbálhatod, de a csere a megoldás. PANASONIC mechanikából bonthatsz, vagy HQ..
Hát jelenleg szigszalag tartja, és elég ronda a kép. Veszek pillragasztót, azzal megpróbálom, de most ráállok a panasonic hibás videó keresésre
Már megoldódott, új orsó van benne. Viszont az a baj, hogy sok kazettával csak hangyaháború van. De van amivel tökéletes a kép. Ez mitől lehet? Csak hang van, kép nincs, de van hogy jó. Lehet LP, és SP is, ugyanaz a hiba. Olyan, mintha lemágneseződne a fej.
Lehet, hogy tönkre mentek a kazetták?
( nem ritkaság). A hozzászólás módosítva: Aug 13, 2015
Nem a kazettával van gond. Beavatkozásaid hatása romlott.., szalagvezető cseréje komoly beállítást igényel.
Sajnos nem tudom merre keressem a hibát! Esetleg valami ötlete van valakinek? A hibajelenség, hogy amikor elindítom a lejátszót azonnal begyűri a szalagot.
Sziasztok fórum társak!
Egy matuzsálemi videóval lenne egy kis problémám. Pontos típusa: Saba ultracolor vr6004. Képileg hangilag semmi gond nincs vele. Viszont van egy idegesítő dolog ami miatt nézhetetlen. Korábban még tekerni se volt hajlandó viszont a mechanika megtisztítása óta olyan szépen tekerí a szalagot mint az álom. Sőt ha lejátszás közben gyorspörgetek az is megy. Viszont ha simán lejátszásra állítom a videót a jobb oldali orsó ami húzná a szalagot nem indul el vagy ha el is indul leáll és a videó lekapcsolja a lejátszást. Magát a szalagot egyszer nem kapta még be szóval ez megnyugtató. Mi lehet a probléma? Esetleg kiszáradhatott a tengelyén a zsír, vagy netán még valahol meg kéne tisztítani? Sajnos az aljához nem férek hozzá a mechanikának mert a videó aljának eltávolítása után egy batár nagy zöld panelen kívül semmi sincs. :/ szerviz könyvet meg nem találtam hozzá szóval a tisztításon kívül semmit se csináltam. Válaszotokat előre is köszönöm. ![]() Ja és itt egy kép róla: http://i.ebayimg.com/00/s/NjgzWDEwMjQ=/z/CQ4AAOSwPhdVQm7G/$_72.JPG A hozzászólás módosítva: Szept 6, 2015
Szai! Nagyon köszönöm.
Valószínűleg az lesz a gond. Rongyal át törölgettem az idlereket és sikerült javítani a helyzeten. Valószínűleg cserélnem kell őket. Másik videóbol ami mechanika hibás és nincsenek elkopva pótolhatók? Vagy mindenképp újak kellenek? Illetve ezeknek a cseréje pontosan hogyan zajlik? Ékszíj cserén kívü illetve takarításon kívüll nem nyúltam még a mechanikázoz. Megtisztelő válaszodat köszönöm.
Gumi állapotától függ, ha még nem kenődik, meg lehet próbálni a felületét felcsiszolni.
Nem kenödik. Milyen durva csiszoló lappal essek neki? Előre is köszönöm.
80-120 papír jó, forgatva eredményesebb lehet. Ha túl kemény a gumi, porladhat, ez is lehet akadály.
Rendben köszönöm. Megpróbálom amint a gépemmel végzek. Sajnos idő közben a számítógépem adta fel. :S
Az eredményről majd írok nagyon köszönöm a segítséget.
Sziasztok !
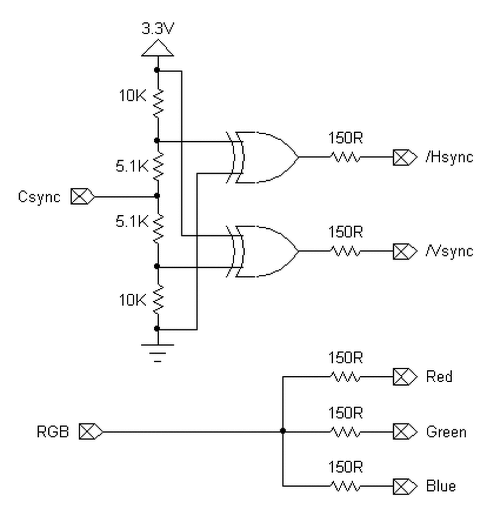
A biztonsági kamera képét szeretném megjeleníteni monitoron. a kamerának sima árnyékolt vezetékkel video jele van csupán. A monitornak VGA csatlakozója van csak. Szerintetek ez így működőképes lenne-e ezzel a kapcsolással ? Mivel ilyen ic-m van egy régi tv belsejéből . Hiányolom a horizontális és a vertikális szinkront,ami nélkül ugye nem életképes. Viszont ezt miből és hogyan lehetne kinyerni ? A hozzászólás módosítva: Szept 13, 2015
Csak akkor, ha a monitor képes lemenni "kutyába": 640x480 körüli felbontásra, ahol Vsync 50Hz, Hsync 15625Hz.
Viszont a VGA jel az nem csak a 3 alap színből áll,hanem a 2 szinkron jel is kell neki. Ezt hogyan tudnám kinyerni a video jelből ?
A monitor egészen kicsi méretű..... majdcsak le tud menni olyan kicsi felbontásba is.
Ez életképesnek néz ki arra hogy video jelből legyen szinkron jel ?
A hozzászólás módosítva: Szept 13, 2015
Sziasztok! Van egy Philips dvdr 3510v kombo lejatszom. VHSrol masolok vele dvdre. Legutobb mikor visszatekertem a kazettat valami tortenhetett vele, onnantol kezdve nagyon szemcses a kep, be be rebeg. A dvd resze hibatlanul mukodik, ha igy masolok akkor a dvdn is a rebegos verzio rogzitodik, ugyh gondolom a kazetta reszel van baj. Ha ujbol belegyorsitok akkor annyira elromlik a kep h csak fekete s feher pontokkal van tele es semmi sem latszik az egeszbol, de mindekozbe a hang vegig hibatlanul hallgathato, idovel a kep kitisztul a csatolt kepen lathato minosegig, ami csak nem az igazi. Egy haverom lemerte a feszultseget, s megtisztitotta a fejet, de semmi valtozas nem veheto eszre rajta. Mas kazettaval is ugyanigy mukodik. Esetleg valakinek valami otlete vagy talalkozott hasonlo esettel?
Szerintem fej koszos meg mindig...
Mivel tudnam akkor hatekonyabban megtakaritani?
|
Bejelentkezés
Hirdetés |






Mi ennek a neve? Hol lehet ilyet kapni?




