Fórum témák
» Több friss téma |
Trafó inkább 2 x 20 voltos kellene, term. valami párszáz wattos az igényednek megfelelően és a 3055-társaságot lecserélném legalább 80 voltos típusokra.
R15, 16 pedig úgyis nagyjelű béta-függő, de növelni kéne a táp miatt.
És diódákat kell kötni a tranyók kollektor-emmitterével párhuzamosan, különben az induktív áram nem tud hol folyni és kénytelenek a tranyók azt eldisszipálni.
Az se ártana, ha még tennél a diódák mellé egy soros RC-tagot, 22 Ω 5 W -15...33 nF 250 V értékekkel, frekitől függően.
A diódák 200 voltos gyorsak legyenek és legalább fele amperesek, mint a táp által felvett max áram.
Ha már RC snubbert használ akkor valami értelmes értéket 22Ohm 15-33nF nagyon kevés. Sokkal lentebb kell vinni a töréspontját és az alacsony fesz miatt ilyen esetekben jóval kevesebb ellenállás kell.
Pl: 0.5-1Ohm 2-5uF.
Gyári 1000W körüli (ami valójában 500) szünetmentes trafóján párhuzamos 330ohm-470µF tag van, amit a két dióda töltöget a két oldalról.
Sziasztok!
Laptop töltőjének, milyen jelet előállító inverter szükséges?
Ezek szerint DC-d van (akku ?), akkor DC-DC konverter! Sokkal kisebb veszteség, olcsóbb, jobb, megbízhatóbb. Amúgy a szinuszost komálják.
A hozzászólás módosítva: Jún 19, 2015
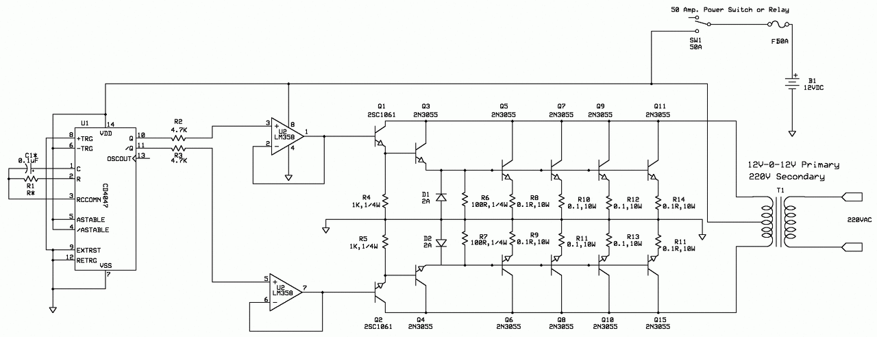
Sziasztok! Elkészítettem a mellékelt inverter kapcsolási rajzot. Kevesebb végtranyóval, csak 2 parral, a meghajtok bd139 es mj13009. A helyzet az, hogy mielőtt rácsatlakoztatnám a trafót, a pozitív ághoz képest mérek 2x10.8V ot 12V betáp esetén, viszont ha rákötöm a trafót akkor nagyon elkezdenek melegedni a végtranyók, es a kimeneten is csak 2x1.64V lesz. Meg annyi módosítás van, hogy a 4047nek a pozitiv tápba van téve egy soros 100 ohmos ellenallas 12V zéner és ezzel parhuzamosan egy 100nF kondi. Mi lehet a probléma? Meg annyi még hogy 0.1 es emiter ellenállás helyett 0.22 R van téve.
Q1 es Q2 szerepet tolti be a bd139. A 400v os tranyo pedig a Q3 es Q4 szerepet. Mivel ott nincs nagy betara szukseg emiatt tettem be. (2n3055 helyett) Mar kicsereltem az ict, az az tettem be ujat, nem segitett. Az lm358 is masodjara kicsereltem ne5532 re de ugyanaz a szitu. Hogy miert nem akar beindulni passz. A trafo direkt ugy kell legyen tekerve? Nem eleg mondjuk egy szimpla 220v/2x12(kozepmegcsapolasos trafo) aminek a szekundere megy ra erre a "vezerlo panelre". Ez kis 200w maximumra lett tervezve. Proba jellegu ez az inverter, mert ne555 el sem sikerult osszerakni, de lassan kiderul hogy azert mert a trafo nem ugy van megtekerve? Erre nem is gondoltam. A trafo amivel probalgattam ideglenes trafo csak epp hogy lassam mi lesz belole, 2x600mA a 12v os resze.
A hozzászólás módosítva: Júl 9, 2015
A tranyókat felejtsd el, fetet kellene inkább használni, abban ott van a body dióda ami a tranyók mellől hiányzik. Aztán nincs RC snubber sem, illetve ehhez olyan trafó kell aminek kellően szoros csatolásban vannak a primer (ami eredetileg szekunder) tekercsei. De ezek a dolgok le lettek már néhányszor írva.
Csatolok egy korrekt megoldást, ez 600W-on működött már gyári szünetmentes trafójával. Ez 24V-os azért van benne 2 akku, de a meghajtás 12V-ról megy. A potival állítható a kitöltés (azaz a kimenő fesz), és van egy relés-nyomógombos indítás-lekapcsolás azért, hogy lemerült akku esetén kapcsoljon le, és ne is tudjon újraindulni (visszakapcsolgatni) csak a nyomógomb megnyomása után. Ha 24V-ról megy akkor a 75V-os fetek kellenek bele, egyébként elég az 55V-os is.
Szia! Ez eléggé tetszetős rajz. Van itthon egy pár 55A-s fetem. tl494 et bontok. Megpróbálkozom akkor ezzel, hátha beindulna már. Az inverterjem soha nem akarnak műküdni. Mindig csak az egyik tranyó kapcsolgatott az volt az előzővel is a problémám. Gyári hifiből bontott trafóm van, ami 2x12V/220 ra van tekerve, szerintem ezzel működnie kellene. Ezt is összerakom próbapanelen, ezt gondolom te már megépítetted. Van egy kihasználatlan autó akkumulátorom,(66Ah) esetleg annyi lenne a nagy kérésem hogy mutatnál valami kapcsolási rajzot, hogy pl mint a UPS nél, hogy folyamatos töltés,és mikor nincs 220 akkor kapcsol és ugyanaz a trafó tölti be a töltő és az inverter részt is. Erre kíváncsi vagyok, hogy van megoldva. Ez a próbálkozás, akár megmarad majd szivargyujtós inverternek. Köszönöm szépen a rajzot. Kicsi bc tranyóknak tehetek BC546-BC556 párost?
A hozzászólás módosítva: Júl 9, 2015
Sziasztok!
Az lenne a kérdésem, hogy van-e olyan 200-300W - os inverter, ami DC 12-14V - ból alakít át AC 230V - ra, de nem igényel egy ugyanilyen terhelhetőségű 2x12V/230V - os trafót? Illetve ez egy kicsit off, de mennyire bírják az ilyen mértékű terhelést az átlag személyautók? Esetleg egy plusz akku közbeiktatása is szóbajöhet. Köszönöm
A bolti inverterek mind ilyenek. Először ~320 V DC-t készítenek, ebből ad ki 230 V AC-t egy FET híd. Ha megy a motor, nem okoz problémát ekkora terhelés. Álló motornál figyelni kell, nehogy túlmerüljön az akku.
Az rendben, de utánépíthetők közül nincs ilyen? Kapcsolási rajzzal, esetleg NYÁK tervvel.
Láttam már ilyen rajzot, talán itt is van a képek között. Nem vagyok biztos benne, hogy 5-6ezer Ft-ért érdemes nekilátni.
![]() A képtalálatok között 29. kép. 12V-230V inv A link csak a pici képet mutatja. A hozzászólás módosítva: Aug 24, 2015
Azért ez fura nekem, hogy trafó nélkülit gyakorlatilag nem lehet találni, a többi kapcsoláshoz meg normálisabb teljesítmény esetén (én egy 300W -osat szeretnék, de egy barátom nagyon mondta, hogy igényt tartana egy 500-600W -osra) sok 100VA -est 2x12V -os trafók szükségesek. Találtam egyet, ahol 300W -hoz 500VA -es, 500W -hoz 800VA -es trafót javasol a kapcs.rajz... De valami megoldás csak kéne.
Szerk.: szünetmentes tápegységet nem lehet ilyen célra hasznosítani úgy, hogy az akkuk helyett az autó szivargyújtójáról vagy akkujáról kap feszültséget? Szünetmentest akku nélkül jóval olcsóbban lehet szerezni, mint normális invertert. A hozzászólás módosítva: Aug 24, 2015
De lehet, amennyiben az UPS akkufeszültsége egyezik a kocsi akkufeszültségével, és az UPS hidegindítható (hálózat nélkül csak akkuról el lehet indítani).
Idézet: „fura nekem, hogy trafó nélkülit gyakorlatilag nem lehet találni” Gyakorlatilag nincs. Csak nem pont olyan a trafó, mint ahogy elképzeled. ![]() A szünetmentes is megoldás. De abban is benne van a dögnehéz trafó + a járulékos dolgok, amitől nagyobb és nehezebb, mint egy inverter. 12 V-os szünetmentest 500-600 VA fölött nehezen találsz. Inverterek Miért írod, hogy nehéz inverterhez jutni? Néha barkács... áruházakban nagyon jó akciókat is ki lehet fogni. A hozzászólás módosítva: Aug 24, 2015
Nem nehéz inverterhez jutni, csak nem olcsó. Most azért akarom szünetmentessel megoldani, mert az lenne ingyen. Csak az lenne a kérdésem, hogy ehhez elegendő a beépített akkuk helyére egyszerűen egy krokodilcsipeszes kábellel az autó akkujához csatlakoztatni az UPS -t és már működik is vagy szükséges valamilyen átalakítás? (12V -os akkus, hidegindítható UPS esetén).
Ha normálisan összekötöd akkor már mehet is.
Azért ott 30-50A áram folyhat, tehát ne korokodilcsipesszel és ne másfeles vezetékkel. Legjobb lenne közvetlenül az UPSbe belekötni (ahova a gyári akkukábelei mennek, valószinűleg csavaralá szemessaruval), legalább 6 mm^2 vezetékkel közvetlenül az akkusarutól egy 100A-s olvadóbiztin keresztül.
600-as UPS-ben 12 V-on 2 db 30 A-es üvegbizti van párhuzamosan. 80-as késes megfelel, de +feszültségesés. Ha 1 m-nél nagyobb távolságra kell elvinni, akár 10mm2 vagy vastagabb vezeték is kellhet, különben túl hamar leáll a szünetmentes "Kimerült akku!" jelszóval.
Így van! Plusz az (indító)akku életének megóvása érdekében járó motor mellett érdemes csak használni.
Első körben a kisebb verziót tudom tesztelni, elméletileg egy 350-500VA - es APC szünetmentes lesz majd felhasználva, 6 mm2 - es kábelekkel, akkuhoz való normális méretű krokodilcsipesszel (ahogy láttam 50A - t mindegyik elbír), 25-30A - es biztosítékkal, kb. 200W - os fogyasztó ha ennél többet akar felvenni, akkor valahol már gond van szerintem.
Idézet: „akkuhoz való normális méretű krokodilcsipesszel (ahogy láttam 50A - t mindegyik elbír),” Más dolog, hogy elbírja és megint más, hogy közben mennyi feszültség esik rajta. Nem ok nélkül szokták csiszolgatni a kúposan nagy felületen illeszkedő akkusaru belsejét.
Sziasztok!
Szeretném megépíteni ezt az invertert Bővebben: Link. Van valaki aki megépítette már? Mi a véleményetek erről?
Miért pont ezt? Ha véleményre vagy kíváncsi, akkor egyrészt a 12V-0-12V/230V-os trafóból még terheletlenül sem nagyon lesz 230V, ilyen helyekre (pl. szünetmentesekben) olyan trafó kell aminek 2x7-8V körüli szekundere van, és ezek lehetőleg kellően szoros csatolásban lettek feltekerve egymáshoz képest. Nincs kitöltés (szekunder feszültség) állítási lehetőség, célszerűbb valami pwm vezérlőt (pl. 494) használni, aminek állítható a kitöltési tényezője a nullától a maximumig. Nincs a rajzon snubber áramkör (RC tag), ami az átkapcsolásokkor keletkező feszültségtüskéket megfogná. Enélkül a 3055-ök túlfeszt kapnak, tönkre is mehetnek. Aztán én nem használnék 8db tranyót, az 500W-ot el lehet intézni 4db fettel is, de ha spéci feteket veszel akkor akár 2db-bal is. Hirtelen ennyi.
Tettem fel régebben egy normális rajzot, hogy ebbe a topikba vagy másikba azt most meg nem mondom, keresd meg. Az 600W-on is ment.
Szia! Ha jól emlékszem a mellékelt kapcsolási rajzot ajánlottak nekem. Kis kompakt, én is megfogom építeni csak időm adja.Ez pedig Ge Lee kolléga ajánlása. El van magyarázva minden.
Üdvözletem!Épiteni szeretnék egy DC-AC 12-220 invertert 2-300wattosat.Összeraktam a mellékelt kapcsolást.Az inditás megvolt és müködik is ahogy kell,viszont mellékelek egy szkóp ábrát amin nekem nem tetszenek ezek a "nagy" csúcsok,amik az irf3205 gate-én csücsülnek...Ezeket hogyan tudom eltüntetni?Amig ezek ittvannak,nem akarom élesben kiprobálni az invertert,a labortápom meg csak 3Ah-t tud...(éles proba majd akksival)Annyi változtatást eszközöltem,hogy betettem egy-egy 1n4007-est a föld és a gate közé,ami a rajzon nincs...Ja és avisszacsatolás jelenleg még nincs beiktatva...Tehát a kis trafo ami a feedback-et szolgáltatja.
A hozzászólás módosítva: Okt 21, 2015
Nincs előttem az SG adatlapja, így nem tudom megmondani milyen a kimenete, de az az 1k gate ellenállás elképesztően sok. Oda egy normális gate meghajtás kellene (legalább a kisütéshez) és 100ohm-nál semmiképpen nem nagyobb gate ellenállás. A 10k-t se értem mit csinál ott, mert valójában semmit.
A snubber sem hagyható el a primer körből (lásd fentebbi rajzom), ha nem akarod hogy tönkremenjenek a fetek. |
Bejelentkezés
Hirdetés |

















