Fórum témák
» Több friss téma |
- Ez a felület kizárólag, az elektronikában kezdők kérdéseinek van fenntartva és nem elfelejtve, hogy hobbielektronika a fórumunk!
- Ami tehát azt jelenti, hogy a nagymama bevásárlását nem itt beszéljük meg, ill. ez nem üzenőfal! - Kerülendő az olyan kérdés, amit egy másik meglévő (több mint 17000 van), témában kellene kitárgyalni! - És végül büntetés terhe mellett kerülendő az MSN és egyéb szleng, a magyar helyesírás mellőzése, beleértve a mondateleji nagybetűket is!
Hello! Lehet, hogy a nano nem képes ilyen terhelésű vonalat meghajtani és valami kajakosabb buszmeghajtót kellene alkalmazni. Vagy esetleg a vonal végét le kellene zárni ellenállással, mert reflexiók vannak. Vagy sorok között "ripitert" kellene alkalmazni.
Igen, arra én is gondolotam hogy a jel vége ne csak a levegőben "lebegjen"... Pontosan hogyan zárjam le ellenállással? Elvileg mennie kéne, mert a csávónak is ment 150 LED-el
Én ezt csak "hasra ütés szerűen" mondtam, mert nem ismerem a nano belsejét. A lezárást vagy a táp, vagy a GND felé lehet egy-egy ellenállással megoldani. De értékét ki kell kísérletezni, hogy a jelszint még megfelelő legyen.
Azt, hogy a kolléga mit tett, nem tudhatod, mint azt sem, hogy az általad használt bekötés és az Övé között hogyan alakult a kábelek szórt kapacitása..
Szia! A LED-ek mindkét oldalról meg vannak táplálva? Ez a hiba tápzajtól illetve meghajtó program időzítéshibájától lehet. Gondolom, mindegyiken van 100nF-1µF szűrőkondi.
Sziasztok! Van egy kisrádióm és egy szintetizátorom. Mindkettő nagyon régi és szeretem őket. Mindkettőnek ugyanaz a betegsége.: A tápellátásuk Jack dugós csatlakozón keresztül történik. Az idők folyamán a dugó egyre lazább lett és már nincs kontakt még ha megmozgatom jobbra vagy balra a dugót akkor sem.
Felnyitás után mindkettőjükben eltörve találtam a forrasztást a csatlakozó egyik kivezetésén. Gondolván, hogy ez könnyű feladat, ismét összeolvasztottam a széttört forrasztási pontokat, de sajnos a probléma semelyik eszköznél sem oldódott ezzel meg. A kisrádión fedeztem fel olyasmit, hogy a nyákról feljött a vezetősáv egy darabon. De a szintiben nem látok semmi effélét. Ha valakinek volt már hasonló tapasztalata, meg tudná velem osztani? Még egy általános problémával is találkoztam, több háztartási cuccnál is, amelyiknek gumigombjaik vannak: Egy idő után a gombok már csak nagyon erős benyomásra működnek, pedig ezek a gumigombok csak a NYÁK-on érintkeznek egy felülettel. Ennek mi lehet az oka? Lehet az a fekete felület a gomb alján valami speciális anyag és elkopott idő közben?Néha lehet a gombon az áramkör lenyomatát is látni. Válaszokat előre is köszönöm.
Üdv!
Xeon-hoz való alaplapot szerezz be. Ne gányolj! Abból soha semmi jó nem lesz! Nem véletlenül más a foglalata.
Hello! A tápcsatlakozókra sokat nem lehet mondani. Óvatosan kell forrasztgatni a nyákon, tehermentesíteni a csatit ha lehet. A hiba felderítéséhez pedig mérni kell, hogy eljut-e a feszültség a nyákra vagy sem..
A nyomógombokba a bőröd párolgása miatt sok egyéb anyag kerülhet. Azt szét kell szedni és és izopropillal, vagy tiszta alkohollal megtisztítani. Nyomógombokat egyszerűen szappanos vízzel kefével, de kíméletesen lehet tisztítani (hogy esetleges felirat ne jöjjön le) majd desztillált vízzel leöblíteni és szárítani. A nyomógomb belső felületén "vezető gumi" van, ez olyan gumi, amiben valószínűleg szénpor van. Sajnos meg merevedhet, lekophat, leválhat és mint láthattad is deformációt szenvedhet. Ezek nem örök életűek. De kis tisztítással még meghosszabbítható a működésük. Vagy nem és akkor csere. De mire lekopik, működő képtelenné válik egy akármi, úgy is elavul.
Szia!
Mindkét készülékben kövesd le,hogy hova mentek a betáp vezetékei,találni fogsz valami fix pontot,egy forrasztást,oda forrassz két vezetéket,pozitív,negatív,itt próbáld meg megtáplálni a készüléket.Általában van ott valami elektrolit kondenzátor is,segíthet a polaritások biztosabb megállapításában,ha onnét működik a készülék,akkor már visszafele biztosan megtalálod a hibát. A gumi gombok és a mögöttük lévő panel el szokott zsírosodni a kezelő kéztől,a háztartásban előforduló gőzöktől.Meg kell tisztítani óvatosan alkohollal a gombok hátulján lévő felületet és a panelt is,általában sikerülni szokott és helyreáll az érintkezés.Higítók,aceton és hasonló agresszív oldószerek használata nem ajánlott,oldhatja a felületeket,magát a gumit és a műanyagok egy részét is.
Helló!
Ezt a napelemet szeretném 6V-ossá tenni de úgy, hogy az összeköttetéséket elvágom és párhuzamosan kötöm az így kapott 3 cellasort. Az esetleges feszültségeltérésekből eredő veszteség ellen mit tudnék tenni a legegyszerűbben? A párhuzamos kötést én úgy gondoltam, hogy egy Schottky-t tennék minden cellasor után. Mennyire lenne jó megoldás?
Hali!
Igen, tedd csak bele a schottkykat. Ilyen kis felületnél is lehet árnyék és akkor a jó cella melegítené a másikat anélkül.
Itt a kép az ic lm393.
Ja. Van itt egy jó kis cikk, érdemes elolvasni. Kiemelném ezt a részt:
Idézet: „Solar cells are usually connected in series in modules, creating an additive voltage. Connecting cells in parallel yields a higher current; however, problems such as shadow effects can shut down the weaker (less illuminated) parallel string (a number of series connected cells) causing substantial power loss and possible damage because of the reverse bias applied to the shadowed cells by their illuminated partners.” Persze van az a része, hogy igy meg leginkább csak a legnagyobb feszültséget adó része lesz terhelve a párhuzamosan kötött celláknak...
Oké... én magyar oldalon olvastam, amit beírtam, itt pedig a párhuzamosra csak általános meghibásodás lehetőségéről ír.
Az pedig, hogy a legnagyobb feszültségű cella dolgozik a terhelésre, abból semmi gond nem adódik, max. a rákapcsolt terhelés nem kap eleget, amennyiben a méretezés eleve rossz. Mindenesetre ilyen kis területnél az árnyék/világos átmenet biztos nem tart sokáig, viszont jobb megvédeni az említett módon egyik részt a másiktól.
Üdv!
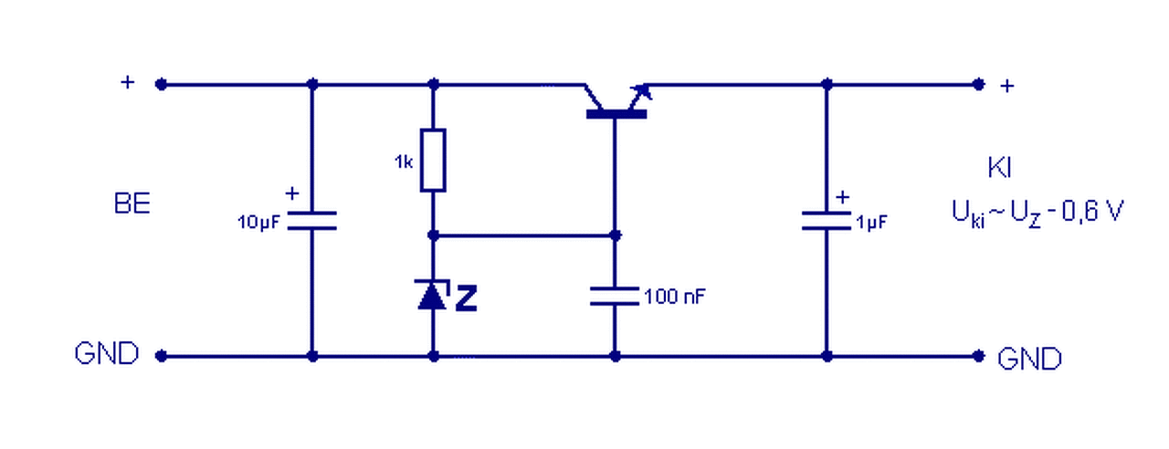
Van egy kérdésem! Van egy áteresztő tranzisztoros feszültségstabilizátor. Abba van egy zener dióda. Azt nem értem, hogy mi a szerepe? És miért pont záró irányban van téve? Köszi!
Hali!
A zenert leginkább pont így kell használni, mert így alakul ki rajta a "zener-feszültség". Ebben a kapcsolásban stabilan igyekszik tartani a tranyó bázisának a feszültségét, amit pedig az emitter fog követni 0.7-0.9 volttal, a kivett áramtól függően. A zener felett lévő 1 kohm-ot úgy kell megválasztani, variálni, hogy a diódán egyszer átfolyjon kb. 4-5 mA, másrészt egyidejűleg a tranzisztornak szükséges bázisáram is maradjon. A stabilitása nem túl nagy és ezért a kivett áram is viszonylag kevés. A hozzászólás módosítva: Okt 30, 2015
Köszi a választ!
![]() De még azt elmagyaráznád, hogy hogyan tartja stabilan a bázisfeszültséget? Hogyan alakul ki rajta a zener feszültség? (google-t próbáltam már! )
Ezeknek az a tulajdonságuk, ha átvezetsz rajta egy bizonyos áramot, pl. azt a 4-5 mA-t ( adatlap), onnan kezdve kialakul rajtuk az a fesz, ami rájuk ban írva, ill. a típusból adódik.
Van egy bizonyos áramtartomány, amikor és ameddig ez érvényes. Nyilván ha túl sokat adsz neki, túlmelegszik és annyi ... Sokféle van teljesítmény szempontjából is, term. magasabb átvezethető áramtartománnyal.
Köszönöm a választ! Így már világos!
![]() vargaf: ezt már olvastam, de nem volt annyira tiszta. De most hogy ferci ,,felvilágosított, így már értem!
Van még többfajta alkalmazási lehetősége, ami konkrétan nincs leírva, de ez már nem annyira stabilizálás téma... feszültséget megfogni egy értéken, lecsökkenteni soros bekötéssel, stb...
Hello! Ebből a telefonos képből sok minden nem látszik. Ha a kapcsolási rajzra lennénk kíváncsiak, akkor két éles kép kellene erről az oldalról és a nyákoldalról is. Hogy vissza lehessen rajzolni. Amúgy mi a szándék ezzel, avagy mire szeretnéd használni?
Először is mindenkinek nagyon köszönöm a válaszokat. Láss csodát, sikerült mindkét készüléket megjavítanom és egyúttal ki is pucoltam jó alaposan őket. A hiba a következő volt, egy lába letörött a Jack aljzatnak. Vettem pár újat és ki is cseréltem. A szintiben is feljöttek ezen kívül a vezetősávok, ezt vezetékkel hidaltam át. A rádióban kellett egy kicsit mahinálni vezetékkel mert ott ellenkező oldalon volt a 3. láb. Sebaj, visszahajtottam a lábat vezetékkel meghosszabbítva átvezettem a csatlakozó másik oldalára.
A szintin játszottam is már, sajnos a gumigomb történet beigazolódott, egy-két gomb már nem szuperál. Ahogy látható még a NYÁK-on is ugyanolyan fekete grafitos érintkezők vannak. Erre még kitalálok valamit. Azon gondolkozom, hogy készítek a NYÁK-ra a gomb helyén két érintkezőt és a gumigomb aljára pedig felragasztok egy darabka rézlemezt. Így ha lenyomjuk a gombot ugyanúgy létrejön a kapcsolat. A betegekről röviden: A szinti egy Yamaha PSS 580-as, immáron 25 éves, régebben sokat játszottam rajta csak úgy kedvtelésből. Jó kis alapgép. A rádió pedig egy Vaterás vadászaton került hozzám 7 másikkal és alkatrész alapanyagnak szántam, de ez az egy szólalt meg az összes közül és jól is. Így befogtam a konyhába és jól szolgált. Most folytathatja a munkáját a konyhában. Még a magnó része is jól működik. Le a kalappal a Sanyo előtt, az akkori technika még mindig ott van a szeren. És most jöjjenek a képek. A hozzászólás módosítva: Okt 30, 2015
Az a kérdés hogy mire lehet használni a komparátor. Meg az érdekel hogy működik.
Félő, hogy nem olvastad ezt a hozzászólásomat, sem a kérdésed, sem a fotó nem ezt igazolja. De ha beírod a keresőbe (Akár itt a fórumon akár a hálón), hogy komparátor, nem hiszem, hogy ne kapnál kielégítő válaszokat..
Olvastam! Általánosan mire használják a komparátor? Pl.: tápegységeben védelemnek?
Általánosan: Két feszültségszint összehasonlítására. Ha a + ágon lévő győz, akkor a kimenet magas, ha a - ágon lévő feszülség nagyobb mint a másikon, akkor a kimenet alacsony.
Köszi a megerősítést!
Én a távirányító gombjaival nem vesződnék ennyit.
A közelmúltban úgy javítottam ilyen bajos távirányítót, hogy a fekete gumikorongokra kis alufólia darabokat ragasztgattam és jó lett. A tartósságáról nem tudok nyilatkozni. ![]() Jól oda kell ragasztani és nem a legvékonyabb alufóliát használni és akkor biztosan sokáig jó lesz.
Sziasztok!
Lenne egy elvi kérdésem. Van kettő darab 12V/17Ah-s zselés akkum és egy 1,5A-t igénylő terhelésem. Az akkuk újak, típusazonosak, teljesen feltöltöttek. Az üresjárati feszültségük 13V. Amikor elkezdem terhelni az egyiket, nyilván ez a feszültség lecsökken idővel pl. 12,6V-ra. Ekkor átkapcsolok a másik akkura és eljátszom ugyan ezt a folyamatot. Az első akku kapocsfeszültsége ez idő alatt megemelkedik. Ha oda vissza kapcsolgatom a terhelést, kihasználva ezt a folyamatot nyerek-e energiát vagy teljesen felesleges ide oda kapcsolgatni.
Semmit se nyersz..- terhelve esik a kapocsfesz a belső ellenállás okozta fesz-veszteség miatt és ha leveszed a terhelést, visszaáll kicsit többre az üresjárási feszre ( nincs veszteség, mert nem folyik át áram ).
|
Bejelentkezés
Hirdetés |
















