Fórum témák
» Több friss téma |
Az 555-ös 7-es lábához csatlakozó 1K-s ellenállást cseréld 470-670R-re, míg a 6,8K-s ellenállást 2-2,2K-sra. Az ezzel párhuzamos 1N4148-at vedd ki, ha beraktad, nem kell oda!
A glimm-el sorba egy 1M-s ellenállást tegyél és úgy rakd be. Nekem a mostani, amit délután raktam össze, ezekkel a paraméterekkel és egy 9V/500mA-es trafóval, a kimenő fesz. a kondira 310-370VDC és kb.: 20-24mm a max szikraköz, de én is kb 10-13mm között hagyom általában.
Rendben köszönöm szépen, holnapi napon kerül hozzám, beszerzem az alkatrészeket és kipróbálom, ha ezek után sem felel meg neki, majd ajánlok neki acélsodronyt, oszloptervekkel, nyakörvvel és lánccal a kutyáknak
Szívesen!
Biztos jó lesz. Én is egy nyűgvárnak készítettem, annyit variált már, hogy én is azt mondtam neki, kösse ki a kecskéit, vagy fel, nekem mindegy, csak hanyagoljuk egymást, mert unom.
Szasztok. Ha jól rémlik, 2007-ben két-három szabvánnyal kapcsolatos információt helyeztem el - ezeket most frissíteném.
Hivatkoztam egy szabványra, az MSZ EN 61011-re, 1999-es kiadás volt, de azt visszavonták időközben (utódról nem tudok). Ennek a 10. pontjában volt meghatározva a max 10 kV kimenő feszkó, max. 2,5 mC töltés, max. 8 J energia, max. 10 A, de az az időtartam, amiben meghaladja az áram a 300 mA-t, az max 1,5 ms lehet. Jelenleg érvényes az MSZ EN 60335-2-76:2005 (módosítások: A1:2006, A2:2015), amiben a kimeneti paraméterek a következőek: frekvencia max. 1 Hz, impulzus időtartam max. 10 ms, energia max. 5 J, áram max. 15,7 A - de ez az áram csak 0,1 ms-ig állhat fenn. Ezen szabványban kimenő feszültség meghatározva nincs, de az igen, hogy a megadott izéket 500 ohmos ellenálláson kell mérni (15,7 A x 500 ohm az majdnem 8 kV). Az áramra vonatkozó részletesebb követelmények: max. 0,1 ms ideig felléphet 15,7 A ha hosszabb ideig van áram, akkor a limit log-log skálán lemegy 4 ms 1000 mA-re 10 ms felett nem lehet már áram Továbbra is rendelet tartja érvényben a régi magyar villanydurr szabványból a figyelmeztető táblás lapot, az MSZ 20860/4:1987-et. Ha nemrégen volt ezekről szó, akkor bocsánat a hely pazarlásáért.
Szia!
Én,személy szerint tisztelettel köszönöm az információt,remélem másoknak is hasznára válik. Köszönöm!
Ha jól számolom, az energia 0,1ms 8kV 15,7A-nél már kb. 12joule lenne, így némi önellentmondás azért van a szabványban.
Sziasztok!
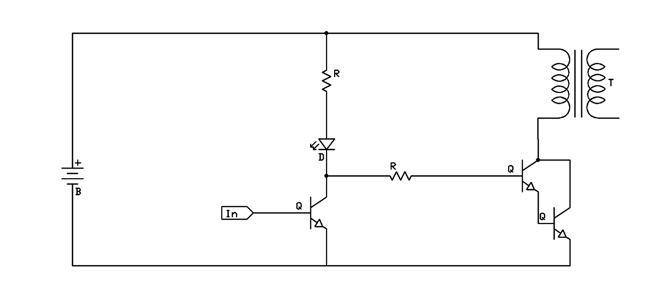
Csináltam egy villanypásztort amit meg is építettem és majdnem minden rendben működik, amíg fel nem melegszik a BUT11 ami átereszti a nagyáramot (kb: 2A) a trafóra. Úgy terveztem az egészet (ahogy a rajzon is látszik) hogy csak akkor folyjon áram a trafón, amikor a jeladóból egy nagyon rövid pár ms negatív jel érkezik. Ez elvileg működik is, mert adja szépen a szikrákat az impulzusoknak megfelelően, amíg fel nem melegszik a tranyó. Kimértem, és folyamatosan 1.2A folyik át rajta még akkor is amikor zárva kellene lennie a tranzisztoroknak. Ezt nem értem, miért nem zárnak le a tranzisztorok pozitív impulzus esetén és miért folyik a trafó felé áram? A kollektor - emitter feszültség állandóan 5.2V amikor zárva kellene lennie a tranzisztornak. A trafón 5.1V-ot mérek amikor meg kellene lennie szakítva az áramkörnek. Ez miért lehet? Azt hittem hogy a nagy áram miatt ez a szaturációs feszültség, de az adatlapja szerint ez nem lehet. Ha van valakinek valami ötlete vagy jó tanácsa azt szívesen venném. Előre is köszönöm a segítséget.
Sziasztok. Próbálok egy nyákot tervezni egy villanypásztornak. Egyoldalasra. Hogy érdemes az 555-öt el a nyákon? 90° 180° 270° érdemes eldönteni?
Szia!
Attól függ, hogyan szórod körbe az alkatrészekkel... én általában vízszintesen használom. (180°)
Üdv!
A meghajtó fokozatot gondold át még egyszer! Mi fogyja lezárni a tranyókat?
555
Ehhez a ki indulási ponthoz gondoltam,hogy hány fokban. Ha balra kezdjük el forgatni.
Én ehhez képest balra forgatom el 90°-al. Kinek mi a szimpatikus amúgy, szerintem ez elég képlékeny dolog.
Közben átnéztem mindent, és kiderült hogy rendben működik az egész áramkör, és a jeladónál lesz a hiba. Amikor negatív impulzust kellene adnia, nem azt ad. Vagyis marad némi pozitív feszültség nem húzza le teljesen nullára. bár ettől függetlenűl nem értem hogy amikor pozitív impulzust ad, akkor világít a led ami jó, de akkor viszont miért nyitja ki a PNP tranzisztort?
A jeladót egy 555-össel csináltam.
Akkor sem igazán jó ez a kapcsolás.
A LED előtti dióda teljesen felesleges és a PNP tranyó is. A BC182 kollektoráról vedd le a vezérlő jel negáltját és azzal hajtsd meg a 2db BUT11-et. Ezt a két tranyót pedig darlingtonba kellene kötnöd. Mindjárt lerajzolom, csak nagyon vacak a net elérésem és kell egy program hozzá.
Valahogy így, a hiányzó alkatrészek és értékeik, már a te dolgod.
Köszi. Ha jól értem akkor a BC182 bázisa kapja az impulzusokat. Ha nyitva a tranyó (vezet) világít a led, és pozitív feszültséget kap a BUT11 bázisa ami nyitja a darlingtont és áram folyik a trafón. Ez logikus. De ha lezár a BC182 akkor ott van a kollektor - emitter feszültség és szintén pozitív fesz. van a kollektoron ami nyitva tartja a BUT11-et. Bocs de ezt most nem nagyon értem, vagy már túl fáradt vagyok.
Fáradt vagy már.
![]() Amikor a BC182 vezet a LED világít, eddig jó. Ekkor a tranyó kollektorán közel 0V-lesz. Mikor a LED nem világít (vagyis a rövid negatív impulzusra), akkor a tranyó kollektorán pozitív fesz lesz, ami kinyitja a darlingtonpárba kapcsolt fokozatot. Kicsit átgondolva a darlington bázisellenállását úgy kell megválasztani, hogy a LED ne világítson, viszont ekkor lehet nem lesz elég a trafón átfolyó áram. Ha ez lesz a helyzet, akkor lemásolod a BC182-es részt LED nélkül és arra kötöd a darlingtont megfelelő bázisáramot beállítva. A bemenetük pedig közös lesz.
Ja, igen. Utána már rájöttem
. Ha a LED-en áram folyik akkor persze a BC182 kollektor-emitter feszültsége 0V lesz. Igazad volt, köszi a segítséget. A többit már megoldom köszi.
Jól működik, csak ez egy rázógép, ebbe egy paci belehal. Ezt olvastad?
Szia!
Igazából patkányt megsemmisíteni kellett neki... A videón riga (vagy simó 6V) trafó van, élőben egy 12V-os trabi trafót hajt, és nem tud rajta többet mint 10-12mm!
Kérdezd meg a patkányt tetszik e neki? de lehet arra jó.
Sziasztok!
Közkívánatra, a patkánygyilkos villanypásztor kapcs rajzát végre lerajzoltam egyben!
A belső szikraköz nem megfelelő kiépítése
Nem volt elég a szikra?
Igen látszik, hogy "namajdén".
Azért, ott dolgozott a víz is... Zöld a kapcsi saruja, meg a dióda lába is...
Sziasztok!
Jó képek... Lehet hogy volt pára, vagy víz, de a jó öreg Ózon egyedül is megoldja. -Mivelhogy az egyik legerősebb oxidálószerként ismert. A gyári készülékek többségében belső szikraköz található, de üzemszerűen nem ugrál át rajta szikra, bár az ózon a vezető csúcsán biztosan termelődik, ha elég hozzá a feszültség. -Éppen emiatt nagyon komoly két komponensű lakkal kezelik, a belső részt. Az ózon a műanyagokat, sima lakkokat is tönkre teszi.
Nem tudom, javításra hozták hozzám, de nem görcsölök vele. Gondoltam lefényképezem mielőtt visszaadom. Amúgy is leválasztó trafó nélküli 230v-os ketyere. Vásárból való.
Jó hogy képet csináltál, de a hálózati vezetéket nyesd le róla, többé be ne dugja senki...
Szia!
Találkoztam hasonló jelenséggel:"tegnap még ment" jeligével,kibontás után teljesen szét volt rohadva minden. Megakadályozható ez a következmény minden pásztornál,még akkor is,ha a szikraköz belül van szabadon.Ezek a "vásári" (most a kivitelbe,veszélyességbe ne menjünk bele) pásztorok nagyjából 3-6 hektárt tudnak védeni,de ugye azt senki nem tudhatja,hogy mennyi az annyi.Egy ilyen pásztornál,mely rá van kötve a karámra, bekapcsoláskor azt kellene meghallgatni,nézni,hogy a belső szikraköz dolgozik e,ha dolgozik az azt jelzi,hogy kicsi neki a karám,nem terheli le eléggé.Ez általában akkor jelentkezik,ha kb. 5-600 méter vezetéknél kevesebből áll a karám,ráadásul ezek még párhuzamosan is vannak kötve.Ilyenkor érdemes egy külső szikraközt készíteni.Ezt meg lehet csinálni pl. aluminium lemezből.Kell egy 10mm széles 1-2mm vastag csík,ezt meg kell hajlítani Z alakra mindkét végén.A Z mérete: magassága 10mm,a teteje 10mm ezt kissé tompa hegyre vágni,az alsó szára 15-20mm,majd kettévágni.A két Z alakot szembefordítva fel kell fogatni egy szigetelő lapra úgy,hogy a kissé tompa hegyek közt 4-7mm legyen,mindkét lemezhez hozzá kell fogatni egy darab 15-25cm hosszú 1,5mm2 többeres vezeték darabot.Az egyik vezetéket a karám VÉGE szálra kell rákötni a másikat egy kb. 50cm hosszú földelő szondára ott helyben.A szikraközt akkorára kell állítani a lemezkék hajlításával,hogy minden esetben biztosan ott üssön át a pásztor,levezetve a "feles" energiát ,amikor a karámhoz ér valaki vagy valami akkor majd azon fog átmenni az összes energia,nem a szikraközön.Ez a megoldás nagyon eredményesen vált be,nem korrodál a pásztor dobozban semmi és mégis kijut az összes energia a karámra,aki nem hiszi,járjon utána. |
Bejelentkezés
Hirdetés |















