Fórum témák
» Több friss téma |
Fórum » Villamos ívvel kapcsolatos kísérlet
Témaindító: Marty McFly, idő: Nov 25, 2008
Ez így nem működik!
Készítettem egy kis kedvcsinálót a normál diódás sokszorozóhoz neked
Mondjuk ez még csak a fele a 100kV -os DC tápomnak, de olyan hangos, hogy a feljebb lévő emeleten is befogták a családtagjaim a fülüket,alattam meg rezgett a beton. 16 darab 1µF kondi sorban, (62nF) kb. 40kV-al.Kép A képen látni, hogy több, mint 100 darab 1N5408 van sorbakötve. Persze ez le lesz cserélve, csak most próbának van bekötve. Videó
Huh az a tápegység már magában is félelmetes
Lesz mivel durrogtatni szilveszterkor
Nemtudom milyen tipusú trafót használsz,de ha 3 kivezetéses (a harmadik a gyújtókábel) akkor a legutóbbi rajzod hibás. Painttal belefirkáltam a helyes bekötést. A pirossal átfirkált összeköttetést szüntesd meg,és helyette a vastag fekete vonal szerint kösd.
Mindjárt ki is próbálom! Köszi a tippet!
Most nézem ez eddig is így volt bekötve! A másik madzagnak a trafó házát tekintettem!
A trafó háza el van szigetelve a tekercsektől,de ettől függetlenül a felszerelési helyén automatikusan létrejön a testelés a rögzitőcsavarok miatt. Próbáld meg akkor a házat függetleniteni,ne kösd sehová.
Ha a házat függetlenítem, akkor is arra ver legjobb szikrát, de még mindig nem értem ha kiveszem a diódát a kollektor és a pozitív ág közül, akkor nem hajlandó verni a szikrát! Nem mintha amúgy valami meggyőző volna, de legalább látok valamit!
Próbáltad már a két csavaros tekercskivezetés bekötését megforditani?
Ha nem kellene túl nagy frekvencia, összedobhatnál egy közvetlenül hálózatról működő kis kapcsolást is, 5 egyszerű alkatrész, és összerakás után azonnal működik. Nekem kb. 1cm-es szikrát ad (100 Hz egyébként), a leírás szerint az egyik kondenzátor méretével egyenesen arányos a szikra hossza, ezt nem próbáltam. Ha kell, megkeresem (közismert kapcsolás amúgy, itt is sokan ismerik valószínűleg).
Itt nincs hálózati leválasztás, de a nagyfeszt amúgy sem szokás fogdosni...
Ez érdekelne! Egy próbát megér!
Igen próbáltam! Szerintem ebből csak tranzisztor csere után lessz valami! Ma elvégzem a méréseket a transzformátoron! Áttétel miegymás..
Tévedtem diódakivétel után még nem próbáltam! Most ki próbáltam! Most minden tápfesz ráadáskor húz 1db szikrát!
Az a triakos (v. tirisztoros) kapcsolás meglehetősen életveszélyes, nem biztos, hogy egy kezdőnek való.
Szerintem jobb ha 12V-os elektronikával kísérletezik. Egyébként ez a kapcsolás, de inkább ne építsd meg....
Na igen, ahogy írtam, nincs leválasztva a hálózatról. Ha megépíted, vedd figyelembe, ne nyúlj hozzá! (bár aki több 10 kV-ra akar kondikat töltögetni...
) Felteszem azért, legfeljebb jó lesz érdekességnek.
Huhh ezzel inkább még egyenlőre tényleg nem kísérletezek! Megpróbáltam lemérni a trafó áttételét! A kimenetre kapcsoltam 24V os trafót graetz nélkül tehát sima 50Hz megmértem 23,1V! A másik oldalon 0,1V ot mértem! Azt nem értem hogy az áramkör miért csak bekapcsoláskor képes egy db szikrát csinálni, és miért nem csinál többet is! Már 3mm-t áthúz, de csak 1x!
Helló!
Azt szeretném megkérdezni hogy ha egy zárt ferritmagon két darab sorkimenőnek a sekunderét sorbakötöm akkor az úgy jó lessz?
Hát, igen, ha pl. a súly növelése a cél
Lenne egy gyors kérdésem! Egyik haverommal, elmélkedtünk rajta hogy mi lenne ha! Megpróbáltuk elképzelni hogy mondjuk lenne egy 1MV ot előállító feszültség sokszorozó, és véletlenségből nem az egyik elektródából a másikba, hanem a 10kV os nagyfeszültségbe húzna át! Szerinte az egész hálózat potenciálja impulzusszerűen megnövekedne, és a közelben levő hálózati fogyasztókat is túlfesz alá helyezné, viszont szerintem az ívben a java energia elveszne, a maradék pedig szintén elveszne a hálózaton, és nem terhelne túl semmit! Valaki tudna segíteni hogy kinek van igaza? Esetleg egyikünknek sem? Előre is köszi a választ!
Tehát pl. a negatív oldalát lerakod földre, és a +1MV-ot visszakötöd valami középfeszültségű vezetékre?
Szerintem a sokszorozód húzná a rövidebbet.
Neem! Úgy értem hogy lenne a sokszorozó, és az ív a másik elektróda helyett a nagyfeszültségű kábelt választaná. Tegyük fel hogy elég közel kerül hozzá hogy áthúzhasson! Tehát csak az íven keresztül kapcsolódnának össze! Lehet hogy ez csak akkor valósulhatna meg ha a másik vége a földre lenne húzva de ha ezt is megvalósítjuk, akkor mi történhet a hálózattal?
Ez így elég határozatlan dolog, attól függ, hogy hol van az a hálózat, meg a csatlakozási pont. A hálózatnak nem hiszem hogy sokat árt. Villámcsapást is kibír, ha van a közelben valami megszakító.
Hát tételezzük fel hogy 10kV os vezetékrendszer van kiépítve, és a transzformátortól párszáz méterre van a pont ahol áthúz az ív, haver azt állítja hogy egy pillanatra megemelkedne az egész hálózat potenciálja így a konnektorokban is megemelkedne a 230V os fesz, egy pillanatra impulzusszerűen. De szerintem meg túl kevés energiája lenne ahhoz hogy megemelje a hálózat potenciálját, a vezeték ellenállásán az kapacitív, és az induktív veszteségeken, valamint az első fogyasztón ami esetünkben a transzformátor, rögtön kiegyenlítődne a potenciálkülömbség, mert nem túl nagy áramokról lehet szó, és valszeg a hálózat zavartalaul működne tovább! De nem tudom hogy neki vagy nekem van e igazam
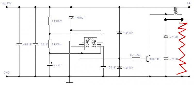
Van ez az 555 ös kapcsolás villanypásztornak! Az IC 3 as pontjával hogyan lehetne legegyszerűbben 20A es áramot kapcsolgatni? Én IGBT re gondoltam ez lehetséges?
Mekkora a feszültség a 20A-es oldalon? 20A-t a legtöbb FET gond nélkül elvisel. Viszont az 555-ről közvetlen nem célszerű járatni, valami jelalakformáló tagot érdemes betenni a kettő közé, pl. hiszterézises inverter.
12-14V körül kellene 20A tudnia! Leírnád bővebben a hiszterézises inverteres dolgot?
Igazából mindegy, mit használsz, csak normális négyszögjelet kapjon a FET. Máskülönben nagyon fog melegedni. Én 40106-os CMOS invertert használok ha nem kell annyira igényesre megcsinálni.
Üdv!
Szerintetek lehetne e, az alábbi kapcsolásba beiktatni valami passzív ívoltó részt? Ugyanis a kuplung oldásakor egy kicsi ívet húz néha a kontaktor. Help! ![]() Szép estét! |
Bejelentkezés
Hirdetés |




Mondjuk ez még csak a fele a 100kV -os DC tápomnak, de olyan hangos, hogy a feljebb lévő emeleten is befogták a családtagjaim a fülüket,alattam meg rezgett a beton. 16 darab 1µF kondi sorban, (62nF) kb. 40kV-al.











