Fórum témák
» Több friss téma |
Fórum » Villamos ívvel kapcsolatos kísérlet
Témaindító: Marty McFly, idő: Nov 25, 2008
Remélem a BD140 áramerősitése tiznél nagyobb,egyébként csökkenteni kellene a 470 ohm-ot.
Egyébként jó. Ha netán a gy.trafó megbolonditaná az 555-öt akkor némi-10-33 ohm ellenállása pozitiv tápba az ic felé ezután meg egy 12V-os zener segit a dolgon.
Naszóval... Megnéztem a BU208 áramerősitését. Elkeseritő....
Lehet hogy jobb lett volna ha BU326A-t veszek? Alapból ahhoz terveztem, de olyan épp nem volt a boltba :no:
Idézet: „Lehet hogy jobb lett volna ha BU326A-t veszek?” Nos,igen. A BU208-ra 2.25 minimális áramerősitést ad a katalog,a BU326-ra pedig min.25 !Figyelembe véve a ~3A átfolyó áramot több mint egy A meghajtást igényelne a 208 a teljes nyitáshoz,és ezt az 555 messze nem tudta biztositani,de még a BD-vel megfejelt kapcsolás is csak az ellenállásértékek módositása után lesz hajlandó kivezérelni. Igazi áramfaló lesz a kapcsolás.... Ha BU 326 lesz betéve minden gondod orvosolni fogja,elég lesz neki bőven 150mA bázisáram (82 ohm). Ezt meg vigan tudja az ic,tekintve,hogy nem folyamatosan kell,csak 50% körül.
Akkor szerezni fogok egy ilyen tranzisztort nincs mese!
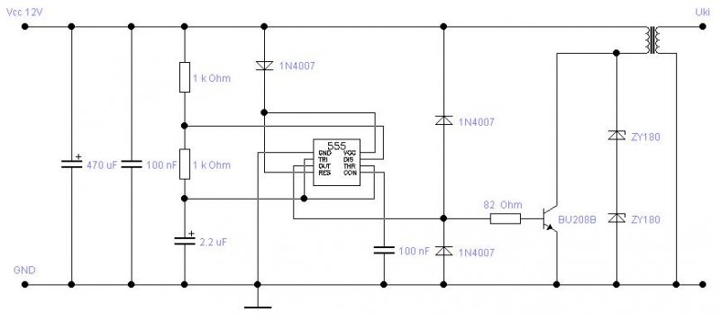
Átterveztem a kapcsolást! Rá tudnál nézni hogy így ebben a formában működni fog-e? Esetleg valami tökéletesíteni valót ha találsz rajta írd meg! köszi!
Működni fog. Az 1N 4007 diódát cseréld ki BY299-re,vagy hasonlóra. A zenerfeszültséggel bátran el lehet menni egészen 300V-ig is,nagyobb lesz a szikrád. Több darabból rakd össze,például 3x91V,igy előnyösebb mert a disszipáció is háromfelé oszlik ,ezenkivül nagyobb áramot viselnek el. Tranzisztornak még szóbajöhet a BUY69 is,bár ennek 15 a minimális áramerősitése a katalog szerint.
Van megoldás egyébként a kitöltési tényező változtatására is,ha érdekel felteszem,csak nemtudom mikor érek rá.
Persze hogy érdekel! Meg találtam még egy ZY180 as zenert! Beteszem sorba ezzel ami most van akkor jó nem? Felmegy egészen 360V ig!
Ugyan nem nekem címezted, de azért leírom az észrevételeimet.
- A 12V-os tápra kevésnek érzem a 470µF-ot, legalább 2200µF-ot vagy ebből több darabot tennék be. - Ha az 555 tápját egy diódával leválasztod, akkor a dióda után is kell egy újabb kondi, mondjuk 100µF a föld felé. - A gyujtóterkercsre párhuzamosan kapcsolt dióda rövidre zárja a primer oldalon kialakuló fesz impulzust, ezért a szekunder oldali impulzus is nagyon kicsi lesz. Azt a diódát hagyd ki. - a BU tranyó nagyobb feszültséget is elbír mint 180V, több ilyen zenert kellene sorbakötni. Ha kisebbre korlátozod a primer feszt (180V-ra), akkor a szekunder oldalon is kevesebb fog kialakulni. - ezek a teljesítménytranzisztorok viszonylag lassú eszközök, a 82 ohmos ellenállást érdemes áthidalni egy 200nF körüli kondival. Ha az adott tipusú 555 ezt nem bírja, akkor a kondival is kell sorba egy kisebb (10ohm körüli) ellenállás. - Az alsó 1komos ellenállást kicsit nagyobbra lenne célszerű választani, és a kondit picit kisebbre. - Az egész áramkör sokkal jobban menne, kicsit módosítva, tranyó helyett egy izmosabb fettel. Persze egy ide megfelelő FET nem olcsó....
Hülyeséget irtam! A trafóval párhuzamos dióda ide nem kell,egyenesen káros,mert megszakitás után nem engedi a feszültséget felszökni addig amig a zenerek meg nem fogják!!!!
Igen, erre közben én is rájöttem! 1n4007 kiforrasztva! A 2 zénert sorba kötöm egymással, kondiból 100nF om van, majd párhuzamosítom őket, így kapok 200nF, ezekkel biztos ami biztos azért sorba kötöm a 10k-t!
Nem 10k, hanem 10ohm. Kipróbálhatod először csak 1db 100nF-al bekötésével is, hogy javít-e rajta.
Itt a rajz. A kitöltés változtatása némileg elhúzza a frekit,legalábbis a szimulátor szerint,de mindkét végállásközelben is jó tartományban van a frekvencia. Finomitani még lehetne a diódákkal sorbakötött ellenállások segitségével,de nem érdemes.
Akkor úgy próbálom meg! Azért gondoltam az ellenállást mert féltem az IC-t!
Köszi a rajzot! Egyenlőre még csak a BU208 assal tudok kísérletezni! De 1db szikrát sikerült kicsalnom belőle! majdnem fél centiset! Egyetlen egyet! Miután az 1n4007 et kivettem, és ráadtam a tápot azonnal dobott egy szikrát! De utána abba is hagyta!
Jó még az 555?
Épp azt próbálom kideríteni! Az égőt ha rákötöm, akkor félfényerőn világít! Amit érdekesnek tartok, az hogy egyenbe 12V mérek a kimeneten, váltóba pedig semmit! eddig egyenbe 9V volt a kimeneten, váltóba meg 2-3V
Megvan! A dióda kivétele hozta magával az előbb írt állapotot!
Akkor az meghalt. Tehetsz még egy próbát:tedd vissza az 5M ohm potit,és igy nézd,ha villog akkor jó,ha nem akkor kuka.
Tuti hogy működik! A diódát vissza tettem és szikrázik de ugyanúgy gyengén! Ha kiveszem akkor miért nem szikrázik? Ezt nem igazán értem!
Én sem. A zener jól van kötve,katód a kollektoron? Az ic tápjára a dióda után tegyél 10-22 ohm ellenállást,meg egy 12V zenert,és ahogy Skori irta 100µF kondit. Valószinű,hogy bekavar a trafó. Ha ez sem segit akkor a 82 ohm és a bázis közé kellene egy soros dióda katóddal a bázisra. Ebben az esetben viszont lehúzó ellenállással kell ellátni a BU-t.
Az is megoldás lehet,ha az 555 kimenetére kötsz közvetlen két diódát,úgy,hogy az egyik anódja testen,a katódja a 3-as lábon,a másik anódja a 3-as lábon katódja a pozitivon legyen. A többi rész maradjon ahogy eddig volt. A trafóval párhuzamos diódát vedd ki mindenféleképp,enélkül kell szikráznia.
A zéner jól van betéve! Katód a kollektoron! 12V zénerem nincs itthon!
Igen,de ha van gyorsabb akkor azt tedd be, Végülis sima 1N 4148 is megteszi.
Azt már kitárgyaltuk,hogy a BU208 nem a legszerencsésebb ide. Azért bir 5 ampert,nade az áramerősitése...
SU169 meg csak nekem van egy szakajtóval.
Tudom de nincs más! Most találtam egy s7739-et! Ez van még esetleg!
Nem ismerem.
Mennem kell dolgozni,majd késő este felnézek,kiváncsi vagyok a fejleményekre.
Közbe rájöttem van alatta egy lm309 felirat is! Ez ide nem lessz jó!
|
Bejelentkezés
Hirdetés |











