Fórum témák
» Több friss téma |
Fórum » Csöves erősítő készítése
Ne feledd betartani a fórum viselkedési szabályait, és a topik megmaradásának feltételeit. [link]
A téma átmenetileg fagyasztva lett, hozzászólni nem tudsz!
Tudod amit becsomagolva küldtem 18db vegyes csövet...
Szia!
Gitár elég kis jelet ad, ahhoz kellene még egy előerősítő, nem árt hangszín szabályozás sem, minimum két sávos, bár jobb lenne 3 (viszont a baxandallt felejtsd el gitárhoz!!!) Itt Albert Kreuzer ECL86 tal csinált erősítőt, Neked elég a V2 előtti részt megcsinálni, és elékötni a meglévő végfokodnak! (ezzel a kapcsolással nem fogsz tiszta hangot kapni, a hangerő potival sorba kellene kötni egy 1.2 MOhmos ellenállás, és 500 k-s potit lenne célszerűb hazsnálni! valamint a katódhidegítő kondik is túl nagyok, néhány mikrofarad elég ) Jobb eredményt érnél el El84-gyel (ahhoz használható a kimenőd ), de a tutiság tiszta hangszínhez 6L6 lenne (sztem)Én most építettem gyakorló erősítőt, 5 W, tiszta, és torz csatival ( közös EQ-val ), elég jól szól! Ha gondolod szívesen segítek, ha tudok !
Hello! Előkotortam már megvan, csak kimerült a multiba az elem nemtudtam lemérni
De holnapra mindenképp kipróbálom, lefényképezem! Nem lettél elfelejtve
Én az Albert Kreutzer féle fetes előfokot akarom megépíteni a kombóba. Nézted már? Mi a véleményed róla? Amellé lesz még csöves is benne
Néztem már, nem rossz, Ampegre hajaz, mármint a kezelőszervek teintetében . Én is meg akartam építeni, de aztán rájöttem, hogy minek, ott a laney cuccom, inkább csöveset építek majd
Lehetne bele tenni egy csöves loopot kapcsolhatóan, mondjuk ahol az EQ van (B és C pontok ), egy kettőrstrioda, mondjuk egy fender stílusú hangszínnel, és kapcsolhatóvá tenni, hogy az IC-s EQ/csöves/bypass, de akkor már lehetne az egész csővel, vag yakármi :9Próbáld ki aztán elmondod hogy szól Elvileg a fetek miatt hasonlítania kellene a csöves hangzáshoz ...
ha ezt a gitár dolgot mondod, akkor adtam volna Neked még egy kimenőt. Azért kaptad így, mert azt mondtad, hogy az MP3-odat akarod vele erősíteni. Tehát, nem kell lemondanod a sztereó változatról, azt megcsinálod ezekkel a trafókkal, a gitárcuccodhoz meg elviszel még egy PCL-es kimenőt. Találtam még PCL86-osokat is, tehát ez sem probléma. Ha így jó.
Igen, ez nagy tanulság, hogy azért a szám eltérést is figyelembe kell vennünk, nem csak a fejbekötést. Müszi cikkében sem látom (lehet, hogy csak én), hogy a PCL85-öshöz is más érték kell, legalábbis a pentóda katódba. Az ECL82-höz is 390 Ohm-ot ábrázol a rajz, 150 Ohm-al kicsit "izzad".
Hát még nem tudom,egyenlőre ezzel (PCL86) fogok kísérletezni,kipróbálom a katódhidegítést
,visszacsatolásokat,megmérem a jelátmenetet(van a suliba oszciloszkóp)...és majd meglátjuk...
Van aki nem csak az erősítőt, de a csövet is maga készíti :Bővebben: Link
Jópofa kifejezést fabrikáltál: jelátmenet.
Talán itt is mondhatunk 1-2 ötletet a mikéntjére. Először is kellene a méréshez egy szabályozható frekvenciájú (20-20k), és szabályozható kimenő feszültségű színuszjelgenerátor. Ezt 1kHz-re állítva addig növeled a bemenőfeszt, míg a műterhelésen (4-8 Ohm-os 5-10W-os ellenállás) szkóppal figyelve a színusz hegyén megjelenik a határolás. (Kicsi határolást engedj meg, mert az is 6-8% torzítás már.) Ekkor a kimenőfeszből, és a terhelőellenállásból ki tudod számítani a teljesítményt. Frekvenciamenet: Állíts a szkópon olyan ábrát, (nem kell hitelesnek lennie, most csak arányt mérünk) Hogy X egységnyi (kerek) jelet, és hangold el a frekvenciát le, ill. felfelé addig, hogy az 1kHz-es értéknek a 71%-át kapod. Itt az alsó, és felső -3dB-es határfreki. Bármelyik katódot hidegíted, megnő az erősítés. Az ellenállásokkal fordítottan legyen arányos a kondi nagysága.
Nah ittvannak a trafók. Az egyiknek 330, a másiknak 355 ohmos a primer. Írtam ugye hogy nem teljsen egyformák, az egyiken van fejhallgatónak is tekercs. Egyébként az nem az eredeti háza, csak áttettem abba, mert először azza volt tervbe véve a PCL86 projekt. A vas teljesen egyforma. Van ott egy harmadik trafó is, arról letekertem a primert, de ha kell aztis odaadom :yes:
A PCL85 nek bizony magas katódellenállás kell, 330 ohm mal még határérték alatt marad. A 86 nak elég 150 ohm is.
Akkor kéne nekem mind. És Te mit kérsz cserébe?
Érdeklődnék én is...
Nincs valakinek elfekvőben 2 (esetleg 4 ) kettőstriódája (ECC83 v. hasonló), amit használhatnék a készülőben lévő EL34 SE végfokomhoz?Fel tudnék ajánlani érte 6P45S, PL81 (Tesla, új), ezekből csak 1 db van, vagy két PL36-os (Tesla) csövet.
Már több mint 4 órája megy az erősítőm.Az egyik táptrafó eléggé melegszik a fadobozban,de nem annyira vészes,a másik táptrafó,és a kimenő csak kézmeleg,és a fűtő és anódellenállások sem gyújtották fel a dobozt,úgyhogy minden szuperül megy.
Na itt vannak a képek.Majd csinálok a belsejéről is.Nem egy lakkozott,pácolt...doboz,de jobb mint a semmi. ez van a szobámban(kezd hasonlítani egy műhejre,nem?)
Bizony, ez már végzetes fertőzöttség. Itt már nincs visszaút.
A csöves gyári ketyeréknek egyébként szinte mindig vannak szellőzőnyílásai alul-fölül. Még Neked is maradt pár PCL, amit senkinek nem adok, + egy VT TV kimenő a gitárcuccodhoz.
Ok. Elmegyek érte. Ajövőhéten valamelyik nap délután jó lesz? Ha van 5-6 db akkor csinálo egy stereo pcl86 pp-t.
SZevasztok.......üdv mindenkinek
eddig még nem irtam ide, csak olvastam, de most én is megakadtam a müvemmel most csinálok egy erésitőt EL84-el. kishangerőn nagyonszépen szól, de ahogy erősitem egyre jobban fullad. mi lehet ilyenkor a gond?mivel probálkozzam? a 95-ös rádiotechnika évkönyvből vettem a rajzot és mindent az alapján csináltam
Csak átjössz az Mo-son, és még 3-4 km. Igen, du 3-4 órakor már tökéletes.
Utánanézünk a kapcsolásnak. Volt már dolgod csövessel? Gondolom, azzal tisztában vagy hogy ez nem egy 100W-os végfok, tehát csak a saját kategóriájában lehet jó, (vagy rossz).
Szia!
Én adnék ha lenne. Sajnos csak egy ECC85-ösöm van elfekvőben.EL34SE?Feltennéd a rajzát?Engem is érdekelne. kösz Üdv Máté
Mondhatni, ez egy szokásos megoldású erősítő. Feszültségek ellenőrzésével kezdeném. Fontos lehet a végcsövek katódfeszültsége, a kettőstrióda összes feszültsége, az 1. csövön se ártana mérni, de tulajdonképpen a 2.-on se lesz jó, ha az 1.-n rossz.Ellenőrizd, nem szakadt-e valamelyik segédrácsellenállás. Ha ezeket megmérted, folytatjuk tovább.
Az hogy lehet,hogy nem hallottam semmi külömbséget a TVkimenő,és egy kb. 2A-es,6V-os hálótrafó között.Ja,a hangszóró 8ohm-os volt.
Köszi Imi,egyenlőre van elég csövem( hála neked),a gitáros dolgot még nem tudom biztosan.Most ezt az erősítőt fejlesztgetem.Tényleg,hova kellene a szellőzőlukakat fúrni.?
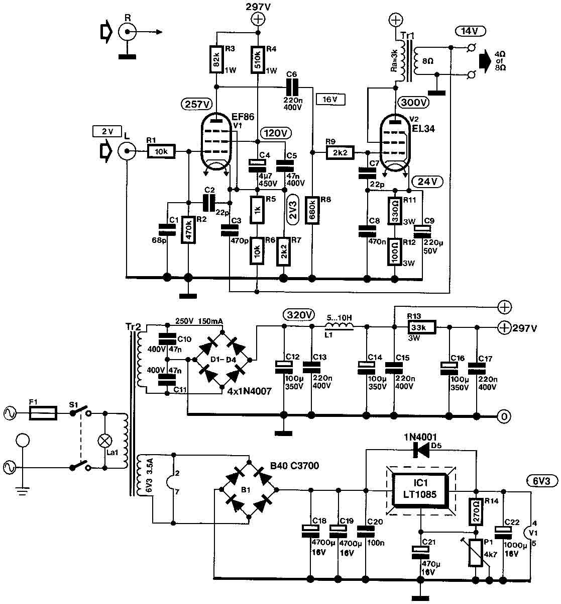
Sok rajz forog közkézen EL34-essel. Pl:
megmértem pár dolgot
a végcsövek katodfeszültsége 9,8V .......a fázisfordito anodjain halálpontos 190 V van a segédrács ellenállások jók
Ezek a kimenők annyira nincsenek ám kihegyezve. A TV hangszóró jó, ha vitt 100Hz-től, 8-10K-ig. Ezt kellett tudnia az egész rendszernek. Egy sokal nagyobb méretű kimenőnél (8-11K illesztésinél) már nem lenne közel sem egyforma a hálózatival egy jól eltalált kimenő.
|
Bejelentkezés
Hirdetés |


(sztem)
De holnapra mindenképp kipróbálom, lefényképezem! Nem lettél elfelejtve


) kettőstriódája (ECC83 v. hasonló), amit használhatnék a készülőben lévő EL34 SE végfokomhoz?


hála neked),a gitáros dolgot még nem tudom biztosan.Most ezt az erősítőt fejlesztgetem.Tényleg,hova kellene a szellőzőlukakat fúrni.? 

