Fórum témák
» Több friss téma |
Szívesen segítettem, itt a lap közepén sorolja a helyettesítőket, abból válogathatsz.
Üdv István
Köszönöm!
Ha jól látom az eredeti értéke 30volt a rajz szerint? Nekem 6voltot vezérel. Az belefér a tűrésbe? Eléggé tanácstalan vagyok melyik lenne a jó,-és melyiket lehet kapni itthon valahol?
Beszerezhető itthon is az eredeti.
Egy tokban 2 db MOSFET komplementer /p csatornás+n csatornás/ van. Ha mást ajánlanak akkor meg kell felelni a 30 V 6 A és az adatlap szerinti csatorna ellenállásnak. Ez minél kisebb annál jobb. A lábkompatibilitás is fontos a cserénél. A hozzászólás módosítva: Jan 3, 2016
Szia!
Sikerült! Működik! Tényleg volt mosfet a Kerekes utcában! Kimentem randalírozni a hóba! Kisfiamnak nagy lesz az öröm reggel! Köszönöm a segítséget!
Szia !
Örülök hogy tudtam segíteni és hogy sikerült megjavítanod. Üdv István
Üdv
segitséget szeretnék kérni nem vagyok nagy szakértö adott egy távirányitós autó és az a probléma hogy nem kormányzodik vagy csak néha de akkor is a hátso hajtást is bekapcsolja vagyis mikor jobbra kormányzok elinditja elöre is remélem tud valaki valami tanácsot adni elöre is köszönöm
Az tud segíteni aki tudja milyen adó-vevő páros működteti az autót, mert nem csak egy fajta létezik. Pontosabb adatok, egy-egy jobb minőségű fénykép az adóról és a vevőről segítene. Segíts, hogy tudjanak segíteni.
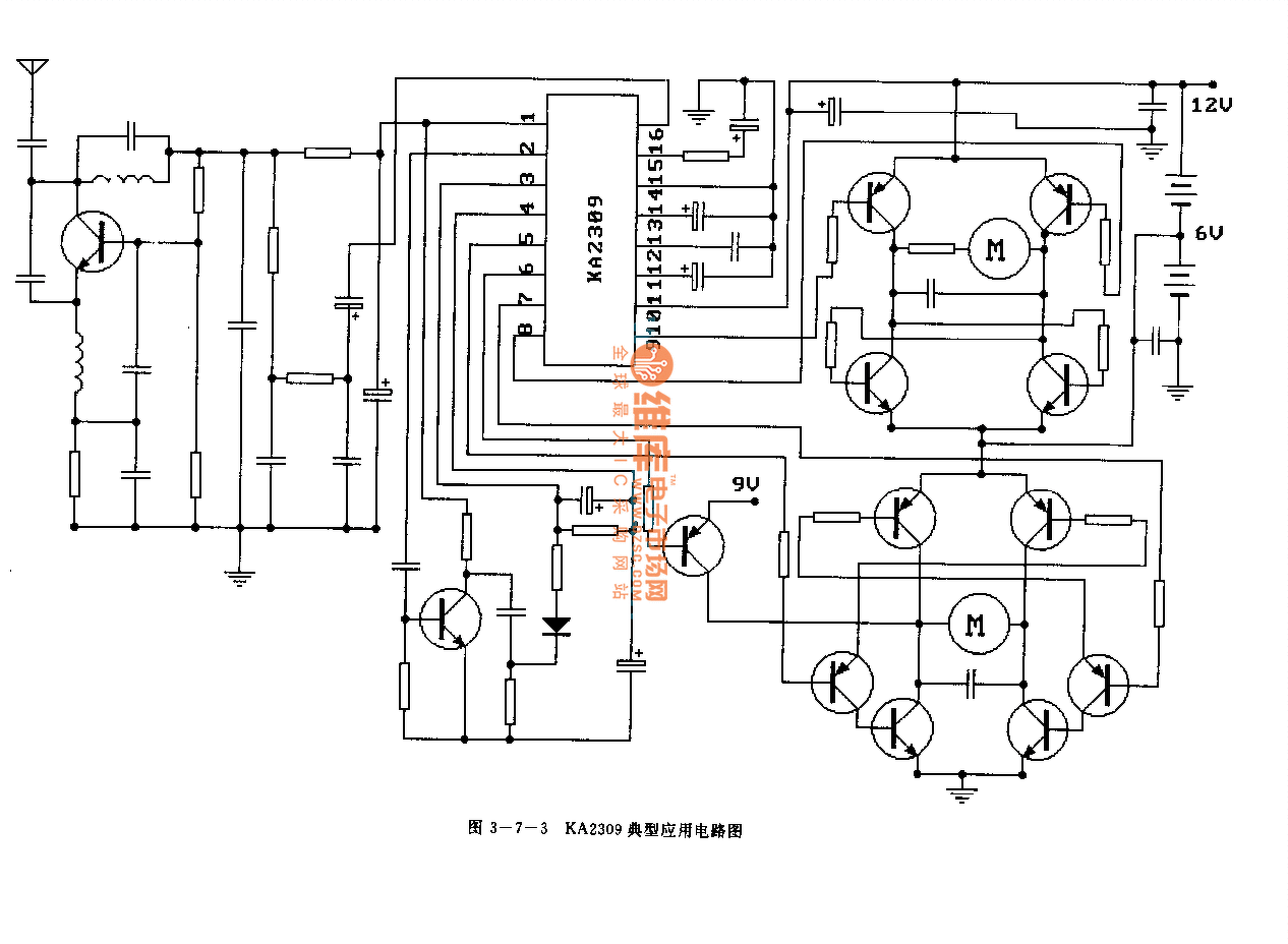
Távirányítós autóm nem műkszik. Led-ek világítanak. KA2310 és KA2309 448. Persze kínai datasheet van hozzá. Nem tudom hogy kezdjek neki, lehet valahogy mérni, hogy kap e jelet egyátalán? GP_27.145 kristály van hozzá.
Sziasztok abban szeretném a segítségeteket kérni hogy van egy távirányítós autó amibe egy 3,6 voltos 600mah akkumulátor való ami tönkrement. Helyette raktam bele egy 3,6 voltos 2000mah aksit. És most olyan gyenge az autó mikor lerakom a földre akkor nem akar menni vagy csak nagyon lassan és akadozva. A kerekek sem fordulnak. Elképzelhető hogy az a probléma hogy 2000 mAh ás az aksi? Vagy esetleg valami más lehet a probléma? Kb egy évvel ezelőtt használtam utoljára akkor még jól működött. Válaszotokat előre is köszönöm.
Ha régi akku, akkor lehet, hogy már gyengébb, mint a 600mAh-s volt...
Sziasztok!
Adott 2 RC autó, mindkét masina távirányítója vezérli mindkét autót, a véletlen műve hogy 2 ilyenhez jutottam hozzá. Kérdésem, hogy lehetséges-e 1db alkatrész cseréjével/módosításával csak az egyik autóban és a távvezérlőjében eltolni a frekvenciát hogy a 2 autó ne tudjon irányításügyileg ugyanazon a frekin működni? Ötleteket szívesen várom Ha kell szétkapom őket és teszek fel képet
Képek nélkül nem érdemes...még írni sem! Amúgy már tárgyalva volt ez a probléma a 27 MHz-es topikban...
Szia !
Írd meg az encoder decoder páros típusszámait. Ha van adatlapja meg lehet nézni a lehetőségeket. |
Bejelentkezés
Hirdetés |







Ha kell szétkapom őket és teszek fel képet
