Fórum témák
» Több friss téma |
Köszönöm, ha nem találok jobbat akkor az lesz a befutó.
Jól látom, hogy az SN74143-ban benne van minden, azaz csak kell egy jel a bemenetére, meg a kijelzők a kimenetére és számol? Kár hogy nem lehet már beszerezni sehol sem...
Márpedig ha ezt nem tudod megcsinálni, akkor a berendezés többi része még kérdésesebbé teszi az egész tekercselöt. Egy mechanikus attételhez valoban alig kell valami. Sok számlálo olyan, hogy a hajto tengelye egy fordulatra van méretezve, azaz egy fordulat a tengelyen egy szám ( a tachométer is ilyen). Azaz nincs semmi pontatlanság. Egy ismerösöm, ugy csinálta meg, hogy egy vékony hajlékony gumicsövel egyszerüen rádugja a csévetestet mozgato tengely végére. De itt az én öskori berendezésem egész mechanizmusa. Sok tucat elektromágnest meg tesla tekercset tekercseltem rajta:
Alul a kis DC motor egy csigával hajtja a fehér, az meg a fekete fogaskereket ( valami nyomtatobol valok). A fekete fogaskerék már magát a csévetestet forgato tengelyen van. A tengelyen egy kis szijtárcsa - valamilyen gyerekjátékbol egy gumiáttételen hajtja a másik ugyanolyan szijtárcsát ami a számlálo tengelyén van. A lényeg az, higy a kettö egyforma legyen. Ilyen kis tárcsákat készen is kapni jobb boltokban vagy Kinábol apropénzért lehet rendelni, ha oindot okoz a beszerzése. Az ottani nagy elektromágnes a nullázásra szolgál ( eredeti szerkezet valamilyen magnobol). Nincs semmi pontatlanság, nemhogy 1%. El sem tudom képzelni honnan vetted ezt az adatot. A hozzászólás módosítva: Feb 7, 2020
Akkor még egyszer, hogy érthető legyen (szerintem eddig is érthető voltam). A gépem évek óta működik! Csak mivel eddig SMPS trafókat tekertem rajta, aminél nem nagyon kell 50-60 menetnél több, ezért szükségtelen volt a számláló. Most meg kimenőt is tekerek rajta, aminél 120 menet is lehet 1 sorban, és ha belekeveredek a számolásba akkor tekerhetem vissza. Azt meg ne akard beadni nekem, hogy egy olyan befőttes gumis áttétel olyan pontos, hogy 100 menet után éppen passzol a számláló és épp a századik menetnél áll az orsó. Ha mégis, ahhoz csak gratulálok, de mint már írtam, ennek nincs tengelye, azaz sehova sem lehet semmilyen tárcsát vagy fogaskereket rögzíteni, és nincs is szándékomban. Egy papír vagy műanyag lap csík az optónak, vagy egy apró mágnes a reed-nek viszont feltehető rá. A csévét tartó és forgató tokmány közvetlenül van a motor tengelyére rögzítve.
Légyszives mond el itt nyilvánosan mi lehet egy beföttes gumin pontatlan???? De persze a puritánok használhatnak fogas szijat is. Kismillio gyári tekercselögép müködött az elektronikus idök elött ilyen szerkezettel, vagy a studomagnokon még a 700 méter szalagok esetén sem tévedett 1 - 2 cm-l többet - és azt sem a számlálo okozta hanema szalag csuszása a keréken.
Tegyél fel fényképet arrol tengelyetlen tekercselöröl - amugy akkor hova fogod fel a csévetestet?
Ahogy elnézem, ehhez a számlálónak a "bolti" megfelelőért igen mélyen kellene a buxtárcába nyúlni! Ha van egyáltalán elérhető közforgalomban. Amelyik tekercselő gép nem számol visszafelé is, az sajnos komoly munkára használhatatlan.
Idézet: „Amelyik tekercselő gép nem számol visszafelé is, az sajnos komoly munkára használhatatlan.” Így igaz, én is Bakman által tervezett számlálót használom, tökéletes, jól látható, programozhatósága is nagyszerű. Ge Lee ledes kijelzőt akar, ezért ledest linkeltem, de úgy látom egyéb problémája, kikötése is van. Amik szerintem áthidalhatatlanok..
Nem baj, nekünk komolytalanoknak a komolytalan erősítőinkhez a komolytalan kimenő is megteszi.
Bár ahogy el szoktam nézegetni a "komoly" emberek kimenőinek ernyőfotóit, hát... inkább nem mondok semmit.
Egyetlen szavad sem értem, biztos az én hibám.
Nem baj, a lényeg hogy én értem. Arra az ismételt gigászi megállapításra reagáltam, miszerint csak komolytalan munkát tudok végezni ha nem tudok visszafele számolni. Mondjuk én nem is szoktam visszafelé tekerni, ezek szerint van aki igen.
Remélem ezt a megállapítást az is olvassa aki 40 éve teker kimenőt, kézzel, mindenféle motor meg egyebek nélkül, talán még nem is rosszakat... Idézet: „Arra az ismételt gigászi megállapításra reagáltam, miszerint csak komolytalan munkát tudok végezni ha nem tudok visszafele számolni.” Így már kezdem érteni, de rossz helyre címezted a választ! Egyébként csak előre számlálás sok problémát okozhat. Jeladó érzékelési pontjánál tekerés közbeni kis megbicsaklás +1 menetet fog jelenteni, amit lehet, hogy észre sem veszel. Mivel kimenő tekeréshez akarod használni, szekunder tekercs esetén már éléggé nagy hiba. Másik probléma akkor adódik, ha hibát kell javítani, vissza kell szedni néhány menetet. A hozzászólás módosítva: Feb 7, 2020
Ne már...
Miféle megbicsaklás? A jeladó a holtpont után van, hozzányúlás vagy megállás csak a holtponton van, tehát nincs fals jelzés vagy tévedés. Normálisan feltett csévén ami nem tángálódik, lassú fordulatnál (3-4s/menet) sosem kell visszatekerni, kizárólag akkor ha az ember elszámolja magát. Ha meg tángálódik a cséve akkor régen rossz, mert akkor valóban meg kell állni, gyakran, akár még vissza is kellhet tekerni, mert a menetek nem lesznek egymás mellett ahogy kell. Pontosan futó csévénél meg sorvezető sem igen kell, mert a távolról odavezetett szállal a menetek szépen behúzzák magukat egymás mellé, még a 0,3-as is, gondolom láttad a videómat amit feltettem nemrég.
Azért annak örülök, hogy a primitív 3-4 digites számlálótól sikerült eljutni megint oda, hogy mit hogy kellene helyette, meg hogy mit nem lehet meg minek nincs értelme...
Idézet: Magam részéről köszönöm a mancsot.„Amelyik tekercselő gép nem számol visszafelé is, az sajnos komoly munkára használhatatlan.” Igaz, nem neked szólt a hsz-em, komoly munkákról volt szó, amit eszem ágában sem volt kapcsolatba hozni a terveiddel. Így én kérek elnézést. Idézet: „Miféle megbicsaklás?” Ebből is látszik, hogy még nem használtál ilyen számlálót! Vastagabb huzal tekerésekor gyakran előforduló hiba kézi feszítésnél. Próbáld ki majd rájössz te is! Jó számlálóval feleannyi idő egy kimenő megtekerése és nem lesz menetszám probléma. Egyébként úgy nehezíted a munkád ahogy akarod, mindenki maga kárán tanul... Idézet: „mit nem lehet meg minek nincs értelme” Senki nem írt ilyet, több megoldást is mutattunk, sajnos számodra egyik sem jó. Ha kérdésedre javaslat érkezik és neked nem megfelelő, akkor nem felháborodni kéne, esetleg megköszönni a segítő szándékot! A hozzászólás módosítva: Feb 7, 2020
Akkor most próbáld meg objektíven, teljesen kívülállóként újra elolvasni a kérdésemet és a rá adott válaszokat, majd utána válaszd ki belőlük azt, amelyik konkrétan segítő volt, azaz a kérdésemmel foglalkozott, nem mást ajánlott, nem mellébeszélt. Nos, egyetlen ilyen volt, az is privátban jött! Illetve Alkotóé még szintén az volt, amit meg is köszöntem. Most akkor én mondom azt, hogy egyetlen szavadat sem értem. Direkt leírtam hogy milyet nem akarok, erre csak azért is olyat javasoltok. Bakmanéhoz eleve léptetőmotor kell, az nekem sehogy sem jó. Mezei számláló kell, nem az okoskodás hogy miért nem jó ha nem számol visszafelé meg egyebek... Hidd el, eltekertem már annyi huzalt életemben a 0,2-estől a 3-asig bezárólag, hogy el tudjam dönteni mire van szükségem, meg hogy mivel hogy nehezítem vagy könnyítem a dolgom...
A segítő szándékot viszont ezután is meg fogom köszönni, ha lesz. És mivel nem napi 8 órában tekerek kimenőt, teljesen mindegy hogy 1 vagy éppen 5 perc alatt tekeredik fel egy sor... Idézet: „Bakmanéhoz eleve léptetőmotor kell, az nekem sehogy sem jó.” Mondjuk nem az kell, de hasonlóan nézhet az is ki. ![]() Fenntartom a többekével megegyező jogot, hogy máshoz, személyhez is szólhatok, véleményezhetek az adott topik témában. Én Bakman megoldását kimagaslónak értékelem és a felhasználási területe minden igényt kielégíthet. Aki komoly tekercselői tevékenységet akar, ott van konyhakészen. Még az dobhatna a hsz-eiden, hogy nem csak megköszönöd, ha segítenek, próbálnak, hanem nem negálsz olyasmit, citálsz a hsz-ből, amiben semmi utalás nem volt a problémádhoz. Isoráz "objektíven, teljesen kívülállóként" Már bocsánat, mindenki úgy boldogul, ahogy neki megfelelő.
Én minden javaslatot, hozzászólást a kérdésedre segítő szándékúnak értelmeztem. Biztos ismét én nem értelmezem jól.
Idézet: „Mezei számláló kell, nem az okoskodás hogy miért nem jó ha nem számol visszafelé meg egyebek..” Szerintem nem okoskodás, ha valaki előnyeit leírja, ha neked nem ok, ne ilyet válassz. Idézet: „Bakmanéhoz eleve léptetőmotor kell, az nekem sehogy sem jó.” Ebben is tévedsz! Az csak egy programozható számláló, kézi tekercselőre is illeszthető! Olvasd el a cikket, encoderrel vezérelt számláló, programozható, kívánt menetszámnál jelez, vagy motoros tekercselőnél megállítja a motort. Ezt a funkciót sem kötelező használnod.
Üdv,
ICM7217 szerintem minden szempontból megfelelő számodra. Egyszerű, mint egy faék. A '80-as években a TTL "korszak" után építgettünk vele számlálókat, a 16-al pedig frekv. mérőket. Az adatlapja és sok kapcsolás elérhető a neten. (most néztem meg) Ha jól emlékszem, csak egy schmitt trigger kellett a bemenetére, és egy jól megszűrt stab ic-s táp. A lényeg hogy megépíthető, működik, és igény esetén kis mértékben még fejleszthető is. Nem hiszem, hogy az építésben bármilyen segítségre szorulnál, esetleg a beszerzés lehet macerás. Ha nem jönne össze, írj az emil címemre, (mert nem sűrűn fórumozok) és feltúrom a műhelyt
A 74c926-ban pedig mind 4 számláló benne van. Én is olyat csináltam, ami visszafele is számol, de én amatőr módon lefele is tekergettem, ha nem jól sikerült.
Igen, néztem a 926-ot az is szimpatikus de az sem kapható sehol. Meg ami még egyszerű az a TIL de abból már csak olyanom maradt ami hibás. Na mindegy, összességében úgy látom hogy ezek az ebay-es 1500Ft körüli számlálók lesznek a jó megoldás, bütykölni sem kell vele csak a jeladót illeszteni a bemenetére.
Ha lehet EBAY-os, és kell a nagy LED-es kijelzés, akkor jó választás lehet ez, ami még oda-vissza is tud számolni, ha később szükség lenne rá.
De a világító számokért külön tápfeszültség igénny a feltétel.
Re privát: a TIL-ek számolnak szépen felfele, csak a 3-ból az egyik hibás.
Ha esetleg ezek TIL311-ek, akkor nekem van ilyenem, és nincs rá szükségem. Tehát ajándékba adok egyet a hibás helyett, ha elfogadod.
Lefotóztam milyen.
Üdv!
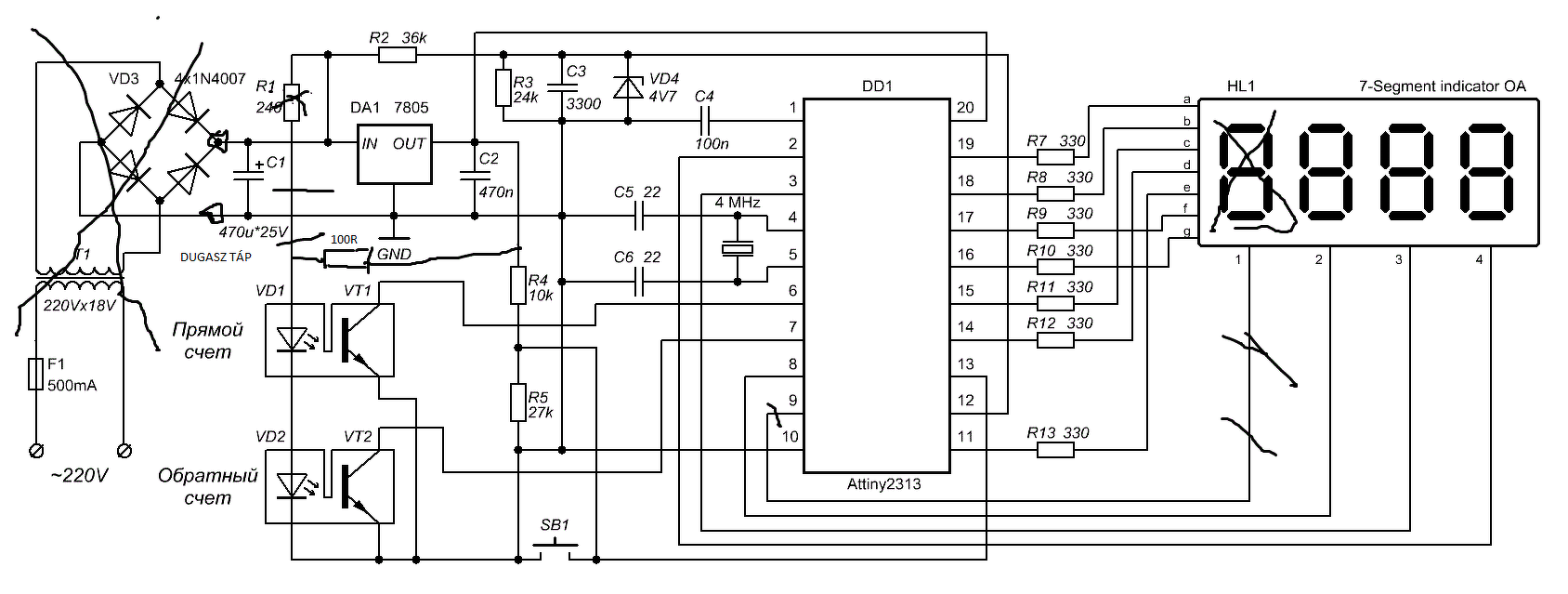
Itt van optoval előre hátra számol 3 digit Atiny 2313 .Orosz oldalon találtam a hex 3 diit..
Ez is teszik, egyszerű, de ezzel is csak az a baj, hogy nem tudom a procit programozni. Egyébként ezt kipróbáltad és működik?
Szerintem ha lenne egy megfelelö MCU -s kapcsolás biztos találnál valakit itt a fórumon aki felprogramozná és postázná.
|
Bejelentkezés
Hirdetés |






Bár ahogy el szoktam nézegetni a "komoly" emberek kimenőinek ernyőfotóit, hát... inkább nem mondok semmit.
Remélem ezt a megállapítást az is olvassa aki 40 éve teker kimenőt, kézzel, mindenféle motor meg egyebek nélkül, talán még nem is rosszakat...
Miféle megbicsaklás? A jeladó a holtpont után van, hozzányúlás vagy megállás csak a holtponton van, tehát nincs fals jelzés vagy tévedés. Normálisan feltett csévén ami nem tángálódik, lassú fordulatnál (3-4s/menet) sosem kell visszatekerni, kizárólag akkor ha az ember elszámolja magát. Ha meg tángálódik a cséve akkor régen rossz, mert akkor valóban meg kell állni, gyakran, akár még vissza is kellhet tekerni, mert a menetek nem lesznek egymás mellett ahogy kell. Pontosan futó csévénél meg sorvezető sem igen kell, mert a távolról odavezetett szállal a menetek szépen behúzzák magukat egymás mellé, még a 0,3-as is, gondolom láttad a videómat amit feltettem nemrég.





