Fórum témák
» Több friss téma |
- Ez a felület kizárólag, az elektronikában kezdők kérdéseinek van fenntartva és nem elfelejtve, hogy hobbielektronika a fórumunk!
- Ami tehát azt jelenti, hogy a nagymama bevásárlását nem itt beszéljük meg, ill. ez nem üzenőfal! - Kerülendő az olyan kérdés, amit egy másik meglévő (több mint 17000 van), témában kellene kitárgyalni! - És végül büntetés terhe mellett kerülendő az MSN és egyéb szleng, a magyar helyesírás mellőzése, beleértve a mondateleji nagybetűket is!
Külső igen, mondjuk búrában van. Nemien ismerem a kondis tápokat, de szerintem a kondi volt a ludas. El sem érte a 70nF-ot..
Tehát, van mondjuk egy 12 V-os áramkör 10 mA. Ezt a transzformátor feltranszformálja 230 V / 20 mA-re.
Ilyesmire gondoltam.
A transzformátor feszültséget oszt le vagy sokszoroz az áttétel függvényében, de a teljesítménye állandó marad P=U*I , tehát nagyobb feszültséghez kisebb a kivehető áram, de az áram az majd kialakul a fogyasztó ellenállásától I=U/R...Ha olyan kicsi az ellenállás, hogy a maximális áramnál nagyobb alakul ki, a trafó leég...
A hozzászólás módosítva: Jan 16, 2016
Ezek a hagyományos transzformátora igaz. Igaz?
De ha az a jelenség igaz lenne, akkor plusz energiához juthatnék?
Szia!
Nos beletettem az újonnan kiszámított ellenállásokat, de a TL431 ugyan azt csinálta mint amit leírtam. Ugyebár ebay-ről szoktam rendelni az alkatrészeket mivel olcsóbb. Gyanakodtam nem e máshogy vannak a kivezetések a tokon mint ahogy az adatlap írja. Hát igen. Máshogy és az az érdekes, hogy a tokra 431 van írva és a lábkiosztás a TL432-esének felel meg . Szóval fejjel lefelé ültettem be a Tl431-et és láss csodát már szépen működik is. * A hozzászólás módosítva: Jan 16, 2016
Ha a Mari néninek kukaca lenne Ő lenne a Jóska Bácsi. Amit írtam az az elméleti transzformátorra is csak a veszteségekkel együtt lenne pontos. Talán "Réges Régen egy messzi, messzi galaxisban", juthatsz plusz energiához.
A hozzászólás módosítva: Jan 16, 2016
Milyen szerinted a nem hagyományos transzformátor?
Plusz energiához nem juthatsz, mert minden átalakításnak csak vesztesége van, ezért csak mínusz energiához juthatsz. A hozzászólás módosítva: Jan 16, 2016
"Ha a jelenség igaz lenne..." akkor az a plussz energia honnan jönne?
Sziasztok,
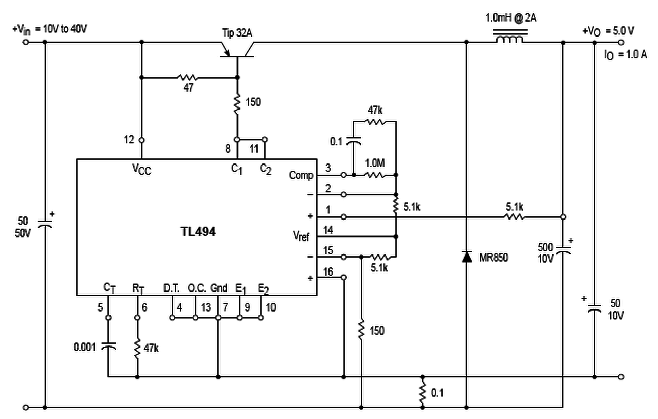
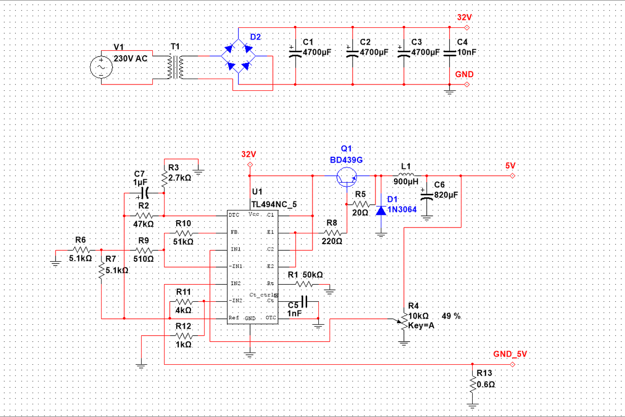
Vetnetek egy pillantast az alabbi kapcsolasra? A kapcsolas a TL494 IC adatlapjaban levo mintakapcsolas egy modositott/atszamolt verzioja a sajat igenyeim szerint. A kapcsolas stabilizalt 5V-t ad 1.5A kimeno aramig (elmeletben, mert meg nem kerult megepitesre). Amire kivancsi lennek: vetettem elvi hibakat, bagatell dolgokat? Szimulatorban mukodokepesnek tunik a dolog. (kivetel ha nem rakok a kimenetre terhelest, mert akkor elegge EKG jellegu a negyszogjele az IC-nek es meghal a szimulator) R5 ellenallassal kapcsolatban lenne egy fontos kerdesem. Ha leveszem, akkor az IC kimeno negyszogjeleinek "feneke" lesz mikozben meghajta a BD439-t. Ha feljebb vagy lejjebb veszem az erteket akkor is nagyon durvan torzul a negyszogjel. Ez az R8:R5 10:1 arany ami a legszebb jelet adja. Ez a jelenseg miert van? El tudna valaki magyarazni, vagy valami szakirodalmat kuldeni, hogy miert kell ide ez az ellenallas? Sajnos nem talaltam a temaban semmit. Bocsanat, ha hulyesegeket kerdezek. Nemreg kezdtem el (ujra) elektronikaval foglalkozni, ez a kapcsolas is amolyan self-training projekt.
Szio : Ez szerint próbáld meg.
Miként müködik.
Tisztelt fórumtársak!
Lenne pár kérdésem, amiben bizonytalan vagyok. Van egy CD4051-es multiplexerem. Szeretnék 5 jelet egy Mikrovezérlővel(aminek a feszültsége 5Voltos) mérni analog/digitális módon. A bejövő jeleim 14 voltosak. #1 Egyik megoldás ami nálam szóba jött,hogy az összes bemeneten lenne egy feszültségosztó. Sajnos ez 5x2 ellenállást jelentene (ebben az esetben a CD4051 és az MCU is 5V-ról mehetne). Másik megoldás,hogy a CD4051 üzemelne a 14voltos tápról és a jeleket is továbbítaná és csak az MCU előtt lenne egy feszültségosztó,de így nem érzékelné a select lábalakat,amit az MCU-tól kap ![]() Itt ti ezt hogyan oldanátok meg?
A másik,amiben bizonytalan vagyok.
A másik egy demultiplexer: 74HC154. Itt a kimenetei LOW ACTIVE lábak, amelyik lábat kiválasztok a select lábakkal, az lesz épp L,minden más H kimenete lesz. Ez miért van? Ledeket akarok vele vezérelni, de ebben az esetben a LED-eket a tápra kell kötnöm egy ellenállással és akkor mindig csak 1 LED világítana a potenciál különbség miatt? Köszönöm köszönöm
Hello!
- A #1 a célszerűbb megoldás. Részben a vezérlése miatt, részben nem célszerű ha az analóg kapcsoló közvetlen kapja a "tápfeszültséget". A kapcsolt jel legyen a tápfeszültsége alatti szint. Az 5*2 ellenállást, ellenálláshálóból is ki lehet alakítani. (Ha a méret a gond) - Miért ilyen a 154? Mert ilyenre tervezték. Általában demultiplexerrel címvonalakat dekódoltak. A vezérelt eszközök pedig alacsony szintre váltak aktívvá. Ha csak egy-egy szem Led-et akarsz vezérelni vele, az előtét ellenállás akár lehet közös is, hiszen mindig csak egy fog égni.
Köszönöm a gyors és építő jellegű válaszod!
- Néztem az ellenálláshálót,de ilyen nagyon minimális a teljesítményük (0.06W talán). Mondjuk ez: Bővebben: Link Ez nagyon jó lenne, ha ez működne. A teljesítmény nem probléma? Bár,csak mérni akarom a jelét,de gondolom áram nem folyik rajta => így nem is melegedne. - Ez milyen igaz, nem is gondoltam rá, kicsit leegyszerűsödik az egész. Köszönöm a tippet! A hozzászólás módosítva: Jan 16, 2016
Hogy az osztó ellenállásai nem kis értékűek, akkor a teljesítmény is kicsi lesz. Mivel itt, csak mérni fogsz, az MCU nem fogja terhelni az osztót. Ha pld. 10k/5k az osztó, akkor egy tag 15mW hőt fog termelni. Természetesen ez a megoldás nem lehet alapja egy pontos mérésnek, mert oda stabil és pontos ellenállás értékek lennének szükségesek. De egy procinál, csatornánként is lehet a mért értéket programból kalibrálni.
Az MCU A/D bemenetek általában viszonylag alacsonyabb bemeneti ellenállásúak, ezt a bemeneti osztó méretezésénél figyelembe kell venni, vagy műv.erősítővel tehermentesíteni. Ha pld. 1Mohm az osztó, akkor nagy valószinüséggel terheli az MCU bemenet, azaz csalni fog a végeredmény. Utána kell számolni, osztó alsó taggal párhuzamosan kötve MCU bemenete, mire adódik az osztásviszony.
A digitális bemenetek nagyobb impendanciával rendelkeznek? AVR és PIC lesz szerintem az alany.
Valójában, csak azért lenne szükségem A/D-re,mert hogy a feszültség szintnél magasabb,vagy alacsonyabb. De, ez nem feltétel, mert nekem csak annyit kell mérnem,hogy az eredeti jel 8V-nál nagyobb-e (Maximum 15V lehet). Így maga a digitális bemenet is szóba jöhet, talán jobb is, hiszen gyorsabb(?), csak akkor megfeleően kell megválasztani a feszültségosztó tagjait
Szerintem digitálisan nehezebb lenne megoldani az osztó méretezését. Oda kéne valamennyi hiszterézis is, különben bizonytalan lesz a kapcsolás. Schmit tigger, műveleti erősítő.
Analóg bemenetről meg el tudod intézni szoftverből a dolgot (de ez csak az én véleményem)...
Digitális bemenetnél -nem tudom milyen a jel, de ha nem kellően gyors fel-lefutású, akkor ST bemenet kell. Van még komparátor is sokféle PIC-ben, az is szóba jöhet ilyen esetben.
Bemeneti impedancia digitális bemenetnél jóval nagyobb szokott lenni, AD bemenetnél -PIC- általában 10Kohm forrásimpedanciánál alacsonyabb kell. Nem tudom a bemeneti impedancia értéket digi, analóg, komparátor bemenetnél, adatlapok írják. De egyszerűen próbálható, pld. sorbakötve működő analóg majd digitális, és komparátor bemenettel 1Mohm, és multival mérve az ellenállásra ráadott feszültségből mennyi lesz az MCU bemenetén. Ebből számítható bemeneti ellenállás, mint a feszültségosztó alsó tagja.
Sziasztok van egy ellenállás huzallom 2 db baby elemmel 5-10 cm-t bemelegít olyan melegre hogy megolvasztja a műanyagot de nem izzik be hogy lehetne növelni a teljesítményt hogy működjön?
Rövidebb huzalellenállás, vagy nagyobb feszültség...
Egyébként meg mi működjön? Ez már így is működik (leírásod szerint)... A hozzászólás módosítva: Jan 16, 2016
Pontosabban nem olyan hatásfokon működik mint ahogy nekem kellene hisz nem izzik de attól még elég meleg hogy a műanyagot megolvasztja am kipróbáltam mindkettőt amit ajánlottál a feszültséget 9 voltos elemre cseréltem alig volt langyos a rövidebb dolog pedig kb 1 cmen kezdett el egy picit vörösödni nincs valami alkatrész amivel lehet növelni ennek a hatásfokát?
Nincs, a feszültséget kell növellni.
A 9V -os elem nem ad le akkora áramerősséget, mint a BABY elem. Tegyél rá több BABY elemet sorba kapcsolva, vagy használj egyenáramú tápegységet, vagy egy egyszerű hálózati transzformátort.
A tápegység és a trafó nem megoldható egy elektromos cigit szeretnék építeni így a hordozhatóság az első a plusz elemet ma már nem tudom kipróbálni de holnap az lesz az első ezt a huzallt amugy melegszendvics sütőből termeltem ki de tudok mindenféle ilyen gépet beszerezni miből lenne érdemes ezt megépíteni ?
Az e-cigiket 18650 es liion aksiról táplálják, nagy áramot tud adni, és minnél kissebb ellenállás kell, ha nincs kis értékü huzalod, párhuzamosítani kell őket (1-0.5 ohmos ellenállás van benne kb)...
Az elemet hamar leszívja. Youtubon vannak videók róla, hogy kell tekerni fűtőhuzalt hozzá. Csak azért át ne ess a ló túloldalára, mert attól kigyulladhat (tulhevül a nagy áramfelvételtől) az akumlátorod... Egy kezdőnek ez azért veszélyes játék... A hozzászólás módosítva: Jan 16, 2016
Magyarán nem ajánlatos galván vagy alkáli elemből de mi ez a párhuzamos dolog?
Két ellenálláshuzal darabot párhuzamosan kapcsolni azt jelenti, hogy a kezdetet a kezdettel, a véget meg a másik véggel kötöd össze. Ilyenkor az eredő ellenállás értéke felére fog csökkenni (feltételezve, hogy egyforma a két ellenálláshuzal darab) az áramfelvétel értéke pedig a duplájára nő. Ohm törvénye vonatkozik az ilyen esetekre.
De szerintem a Te esetedben ez nem lenne megoldás, mivel a párhuzamosan kötött ellenálláshuzalok külön-külön ugyanannyi áramot vesznek fel így nem fognak jobban izzani és ha jól értem, akkor nálad ez lenne a cél. Ahogyan azt korábban már ajánlották inkább rövidítsd meg a huzal hosszát. Így kisebb lesz az ellenállása és nagyobb áram fog átfolyni rajta, ami intenzívebb izzást fog eredményezni.
Amivel próbálkozol, az tűzveszélyes. Ajánlom egy már kész, gyári készülék vásárlását, főleg, mivel elemeket zársz rövidre, ami őszintén szólva butaság, és veszélyes.
Sziasztok!
Hogy tudnék egy füstjelző készüléket halkabbá tenni? (tudom hogy fontos hogy hangos legyen, de most olyan hangos hogy kiszakad a dobhártyám... ) Egy piezo buzzer adja benne a hangot.Mit tudnék vele csinálni hogy csendesebb legyen?
Nem kell körbefüstölni. Nem teljesen érthető, miért szólal meg szerinted gyakran, talán az okot kellene megszüntetni.
|
Bejelentkezés
Hirdetés |




. Szóval fejjel lefelé ültettem be a 


) Egy piezo buzzer adja benne a hangot.Mit tudnék vele csinálni hogy csendesebb legyen? 




