Fórum témák
» Több friss téma |
- Ez a felület kizárólag, az elektronikában kezdők kérdéseinek van fenntartva és nem elfelejtve, hogy hobbielektronika a fórumunk!
- Ami tehát azt jelenti, hogy a nagymama bevásárlását nem itt beszéljük meg, ill. ez nem üzenőfal! - Kerülendő az olyan kérdés, amit egy másik meglévő (több mint 17000 van), témában kellene kitárgyalni! - És végül büntetés terhe mellett kerülendő az MSN és egyéb szleng, a magyar helyesírás mellőzése, beleértve a mondateleji nagybetűket is!
Annyit tudok hogy víztiszta 5mmes 3.4-3.6V inditófeszültségű.
Sorba nem szokás hangfalakat kötni,max ha ugyanolyanok.
Vigyázat! Járó motornál az lehet 14,4 V! Ha a 4 db.-ot sorbakötöd, akkor is kell soros ellenállás, hogy mekkora, az a LED adatlapján a max. áramból számolható. Persze feltétel, hogy mind a 4 azonos tip. legyen.
A feszültséget ha teheted ne nem muszáj lecsökkenteni.Raksz eléjük előtét ellenállást.
Ebből 4-et már nem lehet sorbakötni. Mert az már a tápfeszültségét adná ki. Így előtét ellenállást sem lehet hozzá tulajdonképpen számolni. A feszültségtől függően, nagyon változna az áram. Plusz én ezt "mezei" 20mA-es "jelző Led-nek" nézem, ami egy rendszámot aligha világít meg. Nem beszélve arról, hogy a "nappali vizsgán" azonnal elbukna..
Elsőre párhuzamba kötöttem őket. Jónak tűnik egyenlőre egy 450es ellenállast tettem elé. Itt IC szóba jöhet illetve mi az ic szerepe esetemben?
[/off]Egy normál rendszámtábla világítás 2db 5w os izzóval nagyjából 100-150 lumennyi fényt tudhat, egy nagyon jó szórásképű 5mm-es led is max 4-5 lument tudhat magának. Ha már mindenképpen ledesíteni akarsz, és minél kisebb helyen, akkor szerezz be 5mm-es 0,5w power ledet (hűteni kell). Ebből már valóban elég lenne 4db.[off]
A hozzászólás módosítva: Dec 30, 2016
Valószínűleg 8 ohmra kisebb teljesítményt ad le, ezért -3dB-lel kell számolni hangerőben, frekvenciaátvitelbe nem szól bele, a rendszer csillapítási tényezője viszont jobb lesz. És persze mono lesz a hangzás. Szerintem egy jó akusztikai elrendezés többet befolyásol, mint a sorba kötés. Persze ez akkor igaz, ha ugyanolyan hangdobozokról van szó. Amúgy a teljesítmény eloszlása a két doboz között az impedanciájuktól fog függeni, kiszámíthatatlan karakterisztikát eredményezve.
A hozzászólás módosítva: Dec 31, 2016
Idézet: „...Ez a miniatűr panel nem az én világom ...” Szerintem csak az a gondod, hogy rosszul forrasztod az alkatrészeket. Az ilyen próbapanelekre beültetett alkatrészlábakat nem kell levágni, hanem hosszan hagyva arra a forrpontra kell hajtogatni, amelyíkkel szeretnéd összekötni. Így gyakorlatilag nem kell hozzá annyi ón amennyit az említett (képen szereplő) panelen használtál. Persze ha így is rövid az alkatrészláb, mert mondjuk kerülni kell egy nagyot, oda érdemes beforrasztani 0.25 vagy 0.5 -ös vezetéket...
Én a te helyedben semmiképp nem kezdenék el barkácsolni gépjárművilágítást LED ekkel. Még ha csak egy rendszámtábla világítás akkor sem. Inkább vegyél normális LED -es fényforrás, ami olyan foglalatba van, ahova szánod.
Arra készülj fel, hogy ha mégis a barkácsot választod, és közúti ellenőrzésen a rendőrnek nem tetszik a maszekod, ha jobb napja van, talán elenged egy büntetéssel, ha rosszabb, akkor rendkívüli forgalmi vizsgára fog kötelezni. Ez egyébként a normál gyári LED -es fényforrások esetén is fennáll, vannak olyan fakabátok, és vizsgaközpontok is, ahol az ilyenekre előszeretettel harapnak. Csak halkan jegyzem meg, aki valamilyen LED -es külső vényforrást használ, jobban jár ha vizsga előtt beteszi a normális belevaló izzót. Mondom ezt annak tudatában, hogy én egy vizsgán jártam úgy, hogy a muki nagyon elkezdte stírölni a két LED -es helyzetjelzőmet (minden más fényforrás eredeti izzós volt), kereste rajta az engedélyszámot vagy miaphast... Abban maradtunk, hogy helyszínen kicseréltem két normál izzóra, így átment a vizsgán...
Üdv!
A HEstore ban kapható 2N3055 mennyire minőségi? Első ránézésre mint ha spóroltak volna az anyaggal! (elég vékony az alja) Tudja azt amit az adatlapon írnak?
Elég régi tipus, természetesen jó nagy hűtőbordán tudja.
De szerintem a TIP 35 C / TIP 36 C páros jobb.
Linkbe található kapcsolást valaki át tudná nekem tervezni lipo aksihoz?Bővebben: Link
A régi MOTOROLA eredeti kivitel a la '70 is vékony lemezen volt.
A hozzászólás módosítva: Jan 1, 2017
Ráteheted ezt akármilyen aksira, a leírásban szereplő feszültségszinteknél fognak világítani a LED -ek...
Köszi a válaszokat, akkor megnyugodtam!
Mert szeretnék építeni egy TDA2005 IC-ből készült erősítőt.Ebben az esetben hova kössem a védőföldet?Esetleg a trafó vasmagjára amiről meghajtom.
Szia! Az, hogy le szokták az erősítőt földelni, még nem jelenti azt, hogy ezzel helyesen is jártak el. Lehetőség szerint építsd a készüléket kettős szigetelésűre!
Ha a trafóról megy minden akkor tilos földelni, viszont a hálózati oldal szigetelését meg kell oldani.
Hogy értsem ezt a "szigetelést" a hálózati oldalon.
Elektromosan legyen legalább kettős szigetelésű a 230 V-os rész.
Köszönöm a választ.A neten már utánna néztem.
Sziasztok!
Vasmag beszerzésében van valakinek tapasztalata, hol érdemes körülnézni? A hozzászólás módosítva: Jan 2, 2017
Milyen vasmag; ferrit, lemez? MÉH-telep, E-hulladék lerakó.
Üdv!
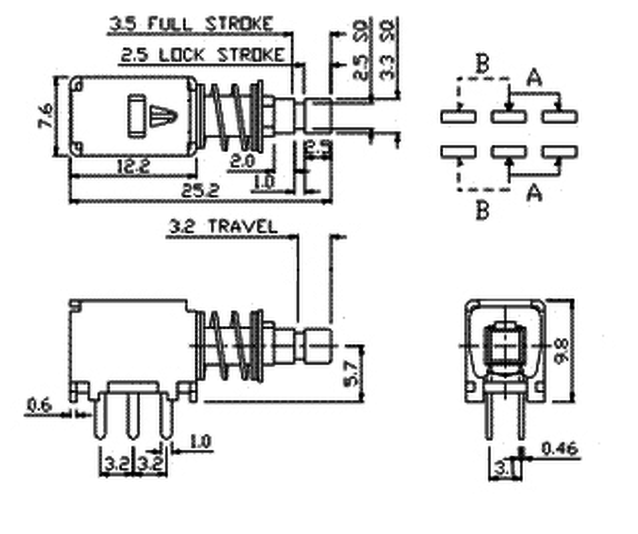
Az lenne a kérdésem, hogy az isostat kapcsoló hogyan kapcsol? Mármint bekapcsoláskor a szemben lévő elvezetéseket kapcsolja össze? Mert van egy ami nemakar kapcsolni, és nemszeretném roszul átkötni. A hozzászólás módosítva: Jan 2, 2017
Kép van a kapcsolóról? Általában, ha szemből nézed a kapcsolót (onnan, ahol megnyomod), a jobb és bal oldal elkülönül. A jobb oldali három közül a középső a közös és a hozzád közelebb vagy távolabb esővel köti össze a középső lábat. A bal oldal is így müködik.
Egy kép is.. Kiengedve az A-A-val jelzett pontok vannak összezárva, benyomva a B-B. De az A és B oldal egymástól függetlenek. Ahogy a nyilak mutatják. Hosszabb soron ugyan ez ismétlődik.
A hozzászólás módosítva: Jan 2, 2017
|
Bejelentkezés
Hirdetés |













