Fórum témák

» Több friss téma
Fórum » Erősítők tápegységei
 
Témaindító: seedz, idő: Nov 24, 2005
Lapozás: OK   10 / 13
(#) Pali79 válasza Kovidivi hozzászólására (») Feb 6, 2016 /
 
Ahogy egyre többet olvasok a témával kapcsolatban egyre nagyobb a bizonytalanság. Reloop írta valahol, hogy az egyenirányítás elé kell tenni a biztit és akkor nincs fél táp veszély. Viszont máshol azt írják, hogy sokkal jobb dupla graetz használata, ilyenkor meg nem tudom kiküszöbölni a féltáp veszélyét. A primer oldal biztit úgy eltalálni, hogy kimenjen ha a szekunder oldalon baj van.. Hát nem tudom. Akkor most melyik a jó megoldás
A hozzászólás módosítva: Feb 6, 2016
(#) Helios válasza Kovidivi hozzászólására (») Feb 6, 2016 /
 
Akkor mi lenne a "tökéletes" biztositás?
(#) Kovidivi válasza Helios hozzászólására (») Feb 6, 2016 /
 
Pl. amit Pali79 is írt, szekunder oldal, de egyenirányítók elé, és/vagy primer oldal.
Ha 1x150W-os erősítő (vagy 2x70W) lóg a szekunderen, akkor az 1-2A-es lassú bizti meg fogja védeni a trafót, és mindent egy szekunder oldali zárlatnál. Ha bekapcsoláskor véletlenül kimegy a kondik töltődése miatt, be kell rakni eggyel nagyobbat.
A szekunder oldalon egy zárlat, amit pl. az IC robbanása okoz, akkora áramot szeretne felvenni, amekkorát bír. Rövidre zárja a szekundert, így a primert is. Ott kimegy a bizti, és kész.
A hozzászólás módosítva: Feb 6, 2016
(#) Helios válasza Kovidivi hozzászólására (») Feb 6, 2016 /
 
Én most úgy terveztem meg a tápomat, hogy 1-1 Graetz irányitja az 1-1 szekundert. És a hid elé terveztem be a biztositékot. 2 darab 7294-es hidat szeretnék hajtani majd a táppal. De a hidpanelekhez is tettem biztositékot.
A hozzászólás módosítva: Feb 6, 2016
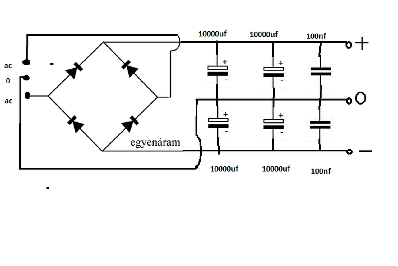
(#) Pali79 hozzászólása Feb 6, 2016 /
 
Csatolom az én elképzelésem. Vélemény?

táp.JPG
    
(#) krisz69 hozzászólása Feb 6, 2016 /
 
Szekunder oldalra is lehet tenni biztosítékot. Csak mindenkép érdemes beforrasztani .meg én egy picit nagyobbat tenék az ajánlotnál. És csak lomha jőhet szóba.
(#) morgo válasza Pali79 hozzászólására (») Feb 6, 2016 /
 
A bemenetet miért nem rakod a túlsó végére? A vezetősáv is rövidebb lenne, meg amúgy sem célszerű az AC-t a táp kimenete mellé rakni. Így megszórhatja brummal az egyenfeszültséget.
A GND-t miért figurázod? Legyen egy nagy összefüggő felület. A nagyáramú vezetősávok elég vastagak lesznek?
(#) belganarancs válasza Pali79 hozzászólására (») Feb 6, 2016 /
 
Szia!

Szerintem is át kellene rendezned.Vannak már kész,jó megoldások a tápra-csak keresni kell a topicban.
(#) Helios hozzászólása Feb 6, 2016 /
 
Itt az enyém.
A hozzászólás módosítva: Feb 6, 2016

kkk.JPG
    
(#) krisz69 válasza Pali79 hozzászólására (») Feb 6, 2016 /
 
Hidegités hiányolom, megén ac feszűltséget jólnelkűlőniteném a Dc től. Nehogy megszórja.
(#) Pali79 válasza morgo hozzászólására (») Feb 6, 2016 /
 
A másik oldalára nem tudom tenni a az AC-t max oldalra, mert a hidat hűtőbordára akarom tenni. A DNG-t azért csináltam úgy, mert mindenhol a csillag pontot favorizálják. Először én is egy nagy felületet terveztem aztán olvasgattam és ezért lett ilyen.
(#) krisz69 hozzászólása Feb 6, 2016 /
 
pl ez egy igen egyszerű módja a dolognak. még lehet tenni a táp kisütésnek pl 1-1 ledet 4,7kohmon keresztül de azt is hídegiteni érdemes.(biztosíték meg saját meglátás szerint)
(#) Pali79 hozzászólása Feb 6, 2016 /
 
Áttettem az AC-t oldalra. Így jobb?

táp_1.JPG
    
(#) krisz69 válasza Pali79 hozzászólására (») Feb 6, 2016 /
 
Ez. Jobban néz ki . Én tennék még 100nf et a+gnd gnd- kőzé .simitásnak.
(#) Helios válasza Pali79 hozzászólására (») Feb 6, 2016 /
 
Kisütő ellenállásként iktass be 10k-t a + GND GND - közé.
(#) Pali79 válasza krisz69 hozzászólására (») Feb 6, 2016 /
 
Azt majd teszek smd-t a fólia oldalra.
(#) reloop válasza Pali79 hozzászólására (») Feb 6, 2016 / 1
 
Szia! Figyelmedbe ajánlom Alkotó kolléga igényesen kidolgozott és dokumentált tervéből a tápegység részt! Bővebben: Link
Figyeld meg a pufferek közös pontjából, azaz a csillagpontból minden áramköri egység külön ágon ágon kap testet. Ez a búgásmentes táp alfája és omegája.
Esetedben ugyan így: végfok, előerősítő, Zenerek(!), hangszóró külön vezetősávot igényelnek egy csillagpontból indítva.
Az 1k5 ellenállásodon 30V esik, ez ugyan mindössze 0,6W disszipáció, de 2-3W-os ellenállás kell ahhoz, hogy ne legyen forró.
(#) krisz69 válasza reloop hozzászólására (») Feb 6, 2016 /
 
igen ez egy szép alkotás
(#) reloop válasza Kovidivi hozzászólására (») Feb 6, 2016 / 1
 
Szia! Ennek a projektnek a trafó a legdrágább alkatrésze, akár a TDA7294 kárára is érdemes a kiemelten foglalkozni a védelmével.
(#) Helios hozzászólása Feb 6, 2016 /
 
Elmélyülten figyelem a témával kapcsolatos bejegyzéseket. Hogyan lehet kialakitani a tökéletes védelmet? Akár 1-1 monoblokknak, vagy 1-1 hidnak? A túl sok biztositék sem előnyös, de ha nincs akkor az sem. A féltáposodást hogyan lehet kikerülni?
A hozzászólás módosítva: Feb 6, 2016
(#) krisz69 válasza reloop hozzászólására (») Feb 6, 2016 /
 
igen mert 600-huf os icr- ől van szó . a táp meg sokkal drágább mulatság.
(#) Pali79 válasza reloop hozzászólására (») Feb 6, 2016 /
 
Szia! Köszön szépen a tanácsot! A Zenereknek vittem külön vezetősávot a csillagpontból. A hangszoróét nem tudom így megoldani, mert az a panelon fixen ki van építve.
A hozzászólás módosítva: Feb 6, 2016
(#) Pali79 válasza Helios hozzászólására (») Feb 6, 2016 /
 
Idézet:
„A féltáposodást hogyan lehet kikerülni?”

Ha csak 1 egyenirányítót használsz és elé teszed a biztit.
A hozzászólás módosítva: Feb 6, 2016
(#) Helios válasza Pali79 hozzászólására (») Feb 6, 2016 /
 
Igen, azt tudom. De nem teljesen egyforma a 2 szekunderem. Pár milivolt, maximum 1v eltérés van a 2 tekercs között.
(#) Pali79 válasza Helios hozzászólására (») Feb 6, 2016 /
 
Az még nem gáz szerintem.
(#) Helios válasza Pali79 hozzászólására (») Feb 6, 2016 / 1
 
Azért is döntöttem a 2 hidas egyenirányitás mellett, mert elméletileg kicsit kompenzálódik az eltérés. De most meg azzal a problémával szembesültem, hogy nem fér el a 2 hid a panelemen.
(#) Alkotó válasza Helios hozzászólására (») Feb 6, 2016 /
 
A biztosíték sosem a végfokozatot védi, hanem a tápegységet, vagy a hálózatot. Másképpen fogalmazva, a "bemeneti oldal" túlterhelése ellen ígér védelmet. Bizonyos esetekben -de egyáltalán nem törvényszerűen- ez egybeeshet a fogyasztó védelmével is.
A hozzászólás módosítva: Feb 6, 2016
(#) Helios válasza Alkotó hozzászólására (») Feb 6, 2016 /
 
Akkor a tisztánlátás végett. +-36V-os tápfeszültséghez, 320VA-es toroidhoz, és 2db TDA7294-es hidhoz hol és mekkora biztositékot kellene elhelyeznem, hogy rendben legyenek a dolgok? A terveim szerint van a Graetz előtt, plusz a végfokok előtt.
(#) reloop válasza Pali79 hozzászólására (») Feb 6, 2016 /
 
A szóló IC-s bekötésnél te döntöd el honnan kap testet a hangszóró. Attól, hogy van ilyen jelű panelcsatlakozási lehetőség még nem kell élned vele. Nincs arra szükség, hogy a hangszóróáram azon a vezetékszakaszon folyjon, mely az erősítőt a táp csillagpontjával köti össze. Óhatatlanul feszültségesés jön létre, amely eljut a bemeneti testpontig a panel közvetítésével. Továbbra is Alkotó paneltervének tanulmányozását ajánlom.
(#) alex0 válasza Helios hozzászólására (») Feb 6, 2016 /
 
Én a graetz elé nem tennék, mert a nagy puffer töltése miatt kiégne az erősítőnek megfelelő biztosíték. A puffer és az erősítő közé már lehet tenni, de a primerbe mindenképp. Ha baj van, a bizti ég ki, nem a lakás.
Az erősítők elé 4 amperes minden ágba, a primerbe meg 2 amperes valószínűleg elegendő. Persze minden bizti lomha kivitel.
Következő: »»   10 / 13
Bejelentkezés

Belépés

Hirdetés
XDT.hu
Az oldalon sütiket használunk a helyes működéshez. Bővebb információt az adatvédelmi szabályzatban olvashatsz. Megértettem