Fórum témák
» Több friss téma |
Mielőtt kérdezel, a következő két dolgot ellenőrizd!
I. A helyes tápfeszültségek megléte.
II. A kimeneten van-e egyenfeszültség.
Élesztés.
Üdv. A Gallien Krueger besszusfejekbe is használják. Egyszerű, olcsó.
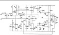
Kapcsoló.
A mellékelt rajz egy hasonló kínai lágyindítóé.
Köszönöm a jelzésed, amikor valami ennyire kézenfekvő és még sincs elterjedve képes elbizonytalanítani az embert. (Egyébként a HE történetében megesett, hogy egyik fórumtársunk vérig sértődött amiért a Surge Guard Thermistor ajánlását nem vették komolyan.)
Üdv. sokáig volt megnyitva a módosítás, a kép elment, viszont lemaradt a kiegészítő szöveg. Így értelmetlen, hogy mit is keres ott az a kapcsoló. A képen lévő kapcsoló viccelt meg. Basszuserősítő egy 600 VA-es toroiddal volt szerelve. Egy relés lágyindító nem tudott elengedni, mert a zenész kolega izzadt keze megcsúszott a kapcsolón, ezért csak egy pillanatra nyitott ki, utána azonnal visszazárt. Vitte is a 6,3 A-es primer biztiket. Ezt talán megúszná egy NTC, hiszen egy erősítő lekapcsolása normál körülmények között lehalkítva történik. Ekkor már talán annyira visszahül, hogy újra több ohmos üzemmódba kerül. Érdemes olyan kapcsolót használni, ami nem ugorhat vissza. Például karos billenőkapcsolót.
Üdv! Tettem egy rajzot a lágyindítósba: Bővebben: Link
A valóságban nem mindíg van valódi összefüggés eseménysorozatok egyes mozzanatai közt.
Én a leírtakat tapasztaltam az adott típussal, a tiédben ettől még lehet más a hiba. Minden esetre azt a 200 Ft-ot megéri az alkatrészköltsége kipróbálni amit írtam. Ha nem jön be, akkor lehet tovább agyalni. Talán már kezdünk túl sok időt eltölteni annak elméleti fejtegetésével, hogy a felhasználó által leírt szituáció előidézheti-e az általam leírt alkatrészek tönkremenetelét. Biztos vagyok benne, hogy jobban örülne ha működne már az a cájg, mint annak ha a végén Nobel díjat kapnánk mi ketten elméleti erősítő javítás témájában.
Sziasztok!
Szeretnék építeni egy NAIM NAP250-et. Találtam egy Alkotó fórumtárs által feltett nyák tervet. Bővebben: Link Az lenne a kérdésem azokhoz akik építettek már ilyet, hogy szükséges-e a stabilizált tápegység megépítése? Aminek gondolom nagyobb teljesítményen való járatás esetén van értelme, illetve, hogy ez az stabilizátor befolyásolja-e a hangzást? Soha nem hallgatok hangosan zenét max 80-90dB, tehát arra gondoltam hogy kihagynám belőle. Egy réginek tűnő rajzon (talán az eredeti 1975-ös) BDY58-as tranzisztor van, amit E-bay-en be lehet szerezni, viszont láttam helyettesítéseket MJ15003-al, de az eredtiben SM3282 van, amiről semmi infót nem találni. Valószínű, hogy a gyár által készült rendelésre. Érdemes megvenni a BDY58-at, vagy az MJ15003-al is el lehet érni ugyanazt az eredményt?
Egyáltalán nem szükséges, de a rajzon és a panelen sincs stabilizátor, tehát nem egészen világos, hogy ez most honnan is jött. AMúgy nem 3281 az az SN? Csak mert akkor 2SC3281 lesz az, de tegyél bele 2SC5200-át.
A hozzászólás módosítva: Feb 19, 2016
A képen látható.
Sziasztok!
Most lettem kész a Castone CPA 100H-m átalakításával. Kapott egy 1.4kw-os toroidot meg stereo lett, kapott 2*20000µF kondit. Szerintetek milyen lett?
Ebbe a pici erősítőbe minek ekkora trafó ?Vagy valamit félre olvasok ?
Monóból sztereóra építette át. Dupla teljesítmény igény...
4 ohmra kell, mivel 4 ohmon 2*550W kijön belőle, oda pedig nem tehetek 630as trafót
![]() 8 ohmra pedig elég lenne a 630as gyárija is, de egyet már sikerült megfőznöm, szóval indokolt volt
Valoban, a bekapcsolo gomb
![]() Rairom ezt is. Kossz a segitseget!
Amit stabilizátornak gondolsz, az csak részben az. Ezen kívül áramkorlát is és a féltápfesz kimaradást is figyeli, sőt a bekapcsolási anomáliákra is gondja van.
Az erősítő egybe van tervezve a táppal. Még nem láttam külön megépíteni a kettőt. Ettől még persze szólhat, de ha már ezt a legendásan míves kapcsolást akarod, akkor talán kompletten lenne célszerű.
Nem látok lágyindítót benne...pedig ez a nagy toroid biztos leveri a megszakítót direktbe kapcsolva. Régebben én is meg akartam ezt építeni, de végül a Cyrus Two lett belőle. Nagyon elégedett vagyok vele.
Életem egyik legnagyobb projektje ami működik de már csak a csatlakozást kell a hátlapra kivezetni. LM1875-el készült. A zárt doboz hátlapjára szereltem. Nincs kérdésem.
Ha az építést választod, akkor a panelterveket felteszem neked ide.
Szia! Gyakorlatilag toroid elé raktad az NTC-t? Nem rontott nagyon a feszültségesésen? Ugye a működése, hirtelen terhelésre felmelegszik, megnő az ellenállása, korlátoz, visszahűl, újra kis ellenállású. Hidegen kb 4 ohm körül van, ami feszültségesést a kapcsolóüzemű tápban kompenzálnak a visszacsatolással, a pc táp amúgy is stabilizált. Mondjuk 300 wattot biztos kibír, mert a pc táp is hasonló teljesítményt vesz fel. Házi hifiben egyszerű, és nagyszerű megoldás lehetne, ahol úgysem kell nagy teljesítmény, és nem kell minimálisan tartani a feszültségesést, hogy minél nagyobb teljesítményt adjon. Csak a működése miatt, senki ne forrasza bele a vezetékbe, jól betekerve szigetelőbe.
A hozzászólás módosítva: Feb 19, 2016
Szia! Az NTC ellenállása fordítottan arányos a hőmérsékletével. Ahogy felmelegszik lemegy 0,5-1 ohm-ra és stabilizálódik az állapota, mert a kisebb ellenálláson kevesebb hő fejlődik.
Találtam olyan kapcsolóüzemű tápot, ahol közönséges 1ohm 5W ellenállás látja el ezt a feladatot. 2-3A áramfelvételnél 2-3V-ot vesz el a hálózati feszültségből (az NTC még ettől is kevesebbet), ez nem ingatja meg a készülék működését. Elkezdtem ezen komolyabban dolgozni, majd beszámolok a tapasztalatokról.
Igazad van, este már kevertem a ptc-vel
Kíváncsian várom a fejleményeket. Én kicseréltem a kapcsitápomban relé-ellenállásr-ra, mert túl nagyot ejtett a primeren Nem is a váltóoldalon volt tapasztalható, hanem az egyenirányítás után. Igaz nem 300wattnál, jóval felette... Phile80: Ha túl lenne gerjesztve a toroid, nem kéne megnőnie a nyugalmi áramfelvételének?
Sziasztok olyan kerdesem lenne hogy egy tda2050-es hidat lehet 6ohm-os hangszoroval hajtani?
Azt sem kell elfelejteni, hogy a kikapcsoláskor megmaradó mágnesezettségi állapot, és a bekapcsolási fázishelyzet tud "misztikus" biztosíték leveréseket okozni...
22 A-es automata? Szokatlan érték.
Szia! A TDA2050 maximális kimenő árama 5A, a 6Ω-os hangszóróhoz a tápfeszültség a 3-5 lábak között ne legyen több 30V-nál. Azért a maradékfeszültség és a tápesés miatt kivezérlés nélküli állapotban elérheti a 40V-ot, vagy ha úgy tetszik a ±20V-ot.
Nekem van ithon egy 2x17V-os 2x4,4A-es tap az eleg lenne dupla hidhoz vagyis 4ic-re?
Ez egy visszatérő hiba, a 2x17V-ról nem írtad egyen, vagy váltakozófeszültség. Ha egyenfeszültség akkor megfelel.
Hat ez valto feszultseg.Akkor ez egyeniranyitva tul sok neki?
A hídkapcsoláshoz sok, de egy IC-vel 30W körüli teljesítményt érhetsz el, ami igen tekintélyes.
|
Bejelentkezés
Hirdetés |






















