Fórum témák
» Több friss téma |
Fórum » TV hiba, mi a megoldás?
Bővebben: Link
A hozzászólás módosítva: Feb 28, 2016
Ki is vettem úgy mértem,elöbb átforrasztom a tápot mert nagyitózva ugy tünik sok a bizonytalan forrasztás.Ha semmit nem jelent aztán lépek tovább.
Sziasztok! Van egy Videoton TS 4329 SP típusú tv-m. Olyan problémám lenne, hogy az évek során egyre nehezebben veszi a távirányítót és ma már teljesen közel kell mennem, hogy betudjam kapcsolni. De nem a távirányító rossz szerintem ugyanis minél többet megy a tv bekapcsolva annál inkább megjavul és ekkor már veszi a jelet a táviráyítóbol. Mi okozhatja mit nézzek meg??
Szia a kis plexi ablakot, ami mögött a vevő van megtisztítottad? Olyan rég javítottam már ilyeneket, hogy nem emlékszem, hol van a távirányító vevője. De nálam egy Samsung TV e miatt nem látta már a távirányítót (kosz).
Ennek a gépnek,ha jól emlékszem,még fémdobozos az infravevője.Abban,ha kiszárad az a pár kis elkó,okozhat ilyet.Azt ellenőrizd.
Persze miután fecemeca tanácsát megfogadva a kisablakot megpucoltad. Üdv! István
Kisablakot kívülről megpucoltam már sokszor. És igen a vevője az elején van ahol kiírja a csatorna számát és fém dobozka van benne igen. Kondi kiszáradásra gondoltam én is egyből csak azt nem tudtam, hogy hol cseréljem a kondikat. De nem is tudtam, hogy abba a fém dobozban van kondi. Majd megnézem remélem jó lesz köszönöm!
Próbáld meg belülről is, mert oda rakódik le az évtizedek pora.
Szia!
Íme a jelenség, bekapcsoláskor villan párat a led, nem tudom ez jelent-e valamit ezeknél a készülékeknél. Viszont az érdekes az, hogy bekapcsolás után közvetlen még jó a képe, viszont kis idő elteltével a videón is látható torzulás jön létre szépen fokozatosan. Ezt mintha valami hang is kísérné a készülés teteje felől, de konkrétan nem tudom meghatározni honnan jön. Lehet a nagyfesz csatlakozásánál nem szigetel rendesen a gumi? Bővebben: Link
Én nem Magyarországon élek de szeretnék kérdezni...
a tv.m kb 3 éves 32LN575V-ZE tipusú....néhány napja kikapcsol magától majd vissza is kapcsolódik.... van hogy 2 óráig müködik van hogy 5 perc alatt 3szor ki-be kapcsol....esetleg tudnak segiteni mi lehet a probléma...válaszukat köszönöm...üdv.Toth Z.
Szia!
A panelek kopogtatásra reagálnak? Van összefüggés az üzemidő és a kikapcsolgatások sűrűsége között? Ha kikapcsolt,rögtön vissza lehet kapcsolni? Üdv! István
Szia! Köszi a gyors választ! Nincs összefüggés van amikor müködik x időt és kikapcsol...van hogy kikapcsol bekapcsol 5-6 szor egymás után...de nem kell bekapcsolnom mert kikapcs után rögtön visszakapcsol...mire gondolsz a panelek kopogtatásán..bocsi nem igazán értek hozzá...gondoltam hogy csak szoftver frissités de azt irja a legfrissebbet használja...előre is köszi a választ....üdv: Zoltán
Hellotok!
Tomson tv tàpegysegben kimegy egy dioda es a bizti Mi okozhatja?
Ha állandóan tönkremennek, akkor zárlatos a tápegység.
Hellotok!
Szeretnék segitséget kérni.Thomson 436 Itc 008 tv ,ha rádugom a lemágnesező tekercs dugaszát a csattlakozójára kiveri a biztit és egy diodát a tápban Mi lehet a hiba oka?
PTC ellenállás zárlatos lehet. Azt mindenképpen cserélni kell. Hogy a diódát miért lövi ki nem tudom. Mert nem sok köze van hozzá.
Ha a ptc zárlatos,nem kellene kivernie a biztit akkor is ha nincs rádugva a csatlakozo?
Ha a ptc zárlatos,nem kellene kivernie a biztit akkor is ha nincs rádugva a csatlakozo?
Űdv van egy SAMSUNG LE 40 D 503-as lcd tv és levált a két szallagkábel a panelről mivel tudnám visszaragasztani,?
NA hát teljesen tiszta volt belül is. De viszont a 2 kondit ki szeretném cserélni. Azt akarom kérdezni, hogy mennyire fontos, hogy ugyanolyan értékűek legyenek?? 63V 2.2 µF helyett belerakhatom mondjuk az 50V-os 4,7µF-ot? Nem találok itthon egyenértékűt vele..
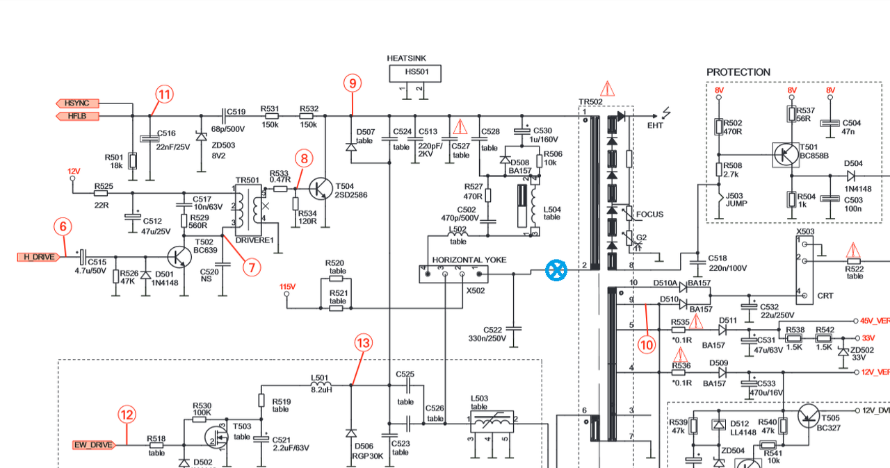
Szia megszakitsam a fóliát a tranzisztor-trafó között ugy kössem az izzót?
Nem nem rakhatod bele pláne hogy kisebb is a feszültség értéke.
Nem, a táp és a trafó közé tedd be.
Jó csak igy nem megy nekem.Egy rajzot mellékeltem erröl meg tudnád mondani hogyan, hova kössem pontosan?
A kék izzólámpa jelölés helyére kösd be sorosan a rajz szerint.
Rendben sejtettem. Akkor még kutatok. Vagy max holnap veszek!
Rajta az izzó,de igy semmit nem fog csinálni mivel ugye nincs stby se, csak a relé kattog led villogással ebböl adódóan nem tudom üzemre kapcsolni.
Neked szántam a választ rossz helyre irtam!
|
Bejelentkezés
Hirdetés |






