| Fórum témák 
 
 » Több friss téma | - Ez a felület kizárólag, az elektronikában kezdők kérdéseinek van fenntartva és nem elfelejtve, hogy hobbielektronika a fórumunk! - Ami tehát azt jelenti, hogy a nagymama bevásárlását nem itt beszéljük meg, ill. ez nem üzenőfal! - Kerülendő az olyan kérdés, amit egy másik meglévő (több mint 17000 van), témában kellene kitárgyalni! - És végül büntetés terhe mellett kerülendő az MSN és egyéb szleng, a magyar helyesírás mellőzése, beleértve a mondateleji nagybetűket is! 
				Hello! Anélkül, hogy valaki tudná, milyen elektronikáról van szó, erre nem igazán lehet válaszolni. De ellenfázisban kellene hogy működjön. Vagy is amikor most sötét, akkor kellene világítania. Egyébként a kapuknak van külön topikja, ott célszerűbb lett volna megkérdezni. De típus megjelöléssel.						 
				Vagy egy darab relé, amelynek a nyugalmi érintkezőjén keresztül állandóan világít a lámpa. A tekercse pedig az eredeti lámpa kivezetésre megy, és ha éppen világítana, akkor meghúz a relé és így villogni fog... A relé kiválasztása kicsit problematikus, mert 24V AC tekercsű viszonylag ritka jószág, de egyenirányítani mindig lehet... 
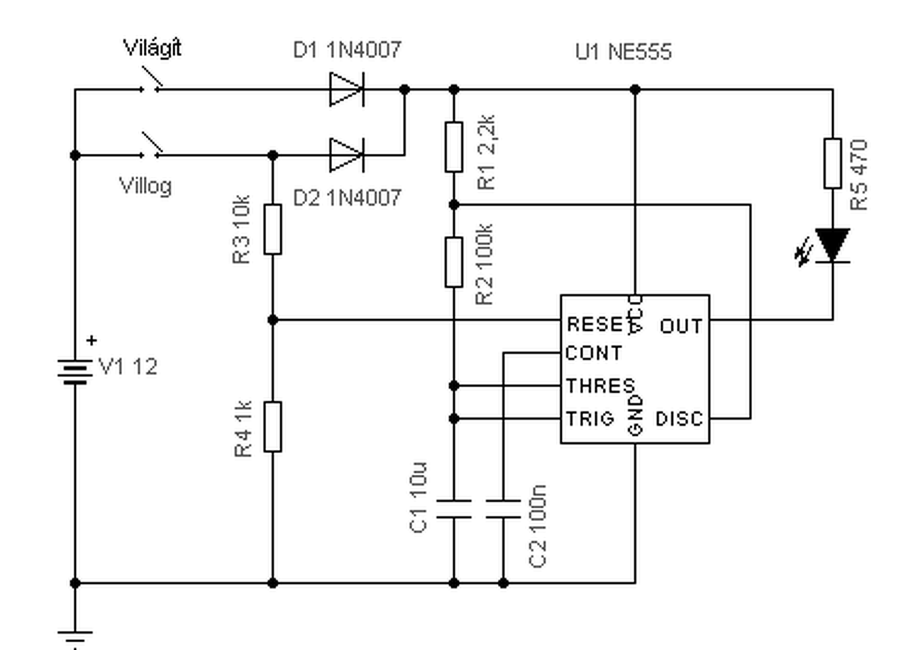
				Felejtsük el,hogy kapu.Van led amit egy kapcsolóval kapcsolok,ha felkapcsolom világit. Ugyan erre a ledre rákötök egy multivibrátort ami villogtatja is. Egy leddel szeretném megoldani azt,hogy ha csak tápfeszt kapcsolok rá akkor világítson,de amikor a multivibrátort kapcsolom rá akkor meg villogtassa. 
				Sziasztok! A következőre szeretnék megoldást. Az alapfelállás, hogy egy lakást szeretnék 12V-tal bekábelezni, és lenne egy központi tápegység (egy kiszuperált PS3 táp). Viszont azért, hogy ne menjen napi 24 órában (hisz csak pár órát vannak használva a rákötött LED-ek), így arra gondoltam, hogy a kimenettel párhuzamosan teszek be egy akkut (3db Li-ION cella sorba kötve). Mikor az akku fel van töltve ~12V-ra, a tápegység kikapcsol. Mikor az akku feszültsége leesik mondjuk ~10.5V-ra, a tápegység bekapcsol, és visszatölti az akkut. Ennek a vezérléséhez kellene nekem elektronika. Valakinek ötlete? 
				Ez így tökéletes lenne,ezt esetleg kiváltani egy Fet-el vagy kettővel,hogy ne kattogjon a relé.						 
				Kell egy triac, ami felkapcs után állandóan nyit a lámpádra... Bekapcsolsz egy multivibrátort a motorfeszről, az pedig egy optóval söntölgeti a triac gyújtókörét. 
				Az akku töltésével, kisütésével több energiád elveszik szerintem, mintha állandóan menne a táp az x százalékos hatásfokával. Egy lítium akkut pedig semmiképpen nem töltenék PC táppal töltésvezérlő nélkül, mert csúnya robbanás lehet a vége... Ha nincs igény a szünetmentesítésre, akkor szerintem csak simán kösd a ledeket a tápra. Ha kell szünetmentesítés is, akkor valami másfajta táp kimenetére egy zselés akkut kell kötni simán. A táp feszültségét be kell állítani 13,8V-14V-ra, és rajta lehet állandóan, nem kell kapcsolgatni. 
				Üresjáratban 15W-ot eszik a táp, napi összesen 4 óránál többet szerintem nem lenne ténylegesen használva. A töltést természetesen áramkorláttal gondoltam. De szünetmentességre nincs szükség.						 
				Neked inkább egy olyan megoldás kellene, hogy van egy külön, kis fogyasztású áramköröd, ami akksiról megy (1db lithium ion cella elég), és 12V-ot ad a kimenetre (egy mini step up megoldja a feszültség konverziót), egy soros ellenálláson keresztül (mondjuk 100ohm), és figyeli, hogy meg van-e a 100ohm után a 12V. Ha bekapcsolsz egy fogyasztót, akkor a 100ohm-on feszültség esik, és lecsökken a 12V-od. Ekkor kell bekapcsolni a PS3 tápot, ami a 100ohm után megtáplálja a LED-eket, vagy amit kell. A kikapcsolás már kicsit problémásabb... Mérni kellene az átfolyó áramot, és ha egy bizonyos szint alá esik, akkor lekapcsolni a PS3-at. De be kellene rakni késleltetést is, pl. ha 12V-os erősítőt hajtasz halkan, ne kapcsolgasson le a PS3, amikor éppen jön a zeneszámok közti szünet. Én így oldanám meg. A figyelő áramkört pedig lehet tölteni a PS3-ról normális töltésvezérlővel, és mivel az a cella sosem kap nagy terhelést, így a töltésnek sem kell gyorsnak lennie. Azt ugye tudod, hogy ilyen alacsony feszültségnél már ha csak 1-2A-t akarsz kivenni, nagyon vastag vezetékek kellenek? A fogyasztóidtól függően, lehet más megoldást kellene keresned. A hozzászólás módosítva: Ápr 16, 2016 
				Itt nem a megoldással van baj, hanem az igénnyel. Mert amit írsz, azt maga a Led is tudja hiszen ha tápot kap világít. Ha azt egy multivibrátor (vagy bármi) szaggatja akkor villog.  De nem lehet tudni, mit szeretnél, mi hogyan kapcsolja be majd a multit. Milyen tápfesz van, és ott van-e állandóan. Tehát számtalan megoldást lehet találni egy gondra, ha logikus a kérés. Pld. Ha feszültséget kap az áramkör, ég a Led. Ha egy másik vezetéken kap egy indító jelet az áramkör, akkor villogtatja a Led-et. Tehát nem az a lényeg, hogyan lehet megoldani, hanem hogy hogyan/mivel szeretnéd üzemeltetni a mit.. 
				Az ötlet tetszik, erre lenne szükségem. A rendszerre kizárólag LED-ek lennének kötve, így kikapcsolási késleltetés sem kell. Nem számoltam még pontosan utána a szükséges kábelkeresztmetszetnek, de elsőre 2.5-es audio kábelre gondoltam.						 
				Milyen LED? Hány méterre vinnéd a kábelt? Mennyi lenne az össze fogyasztás? Ha már PS3 táp, ami minimum 150W-os, akkor gondolom a fogyasztásod is minimum 50W lenne. Ez túl nagy veszteség. Amit a kábelre kellene költened, jobban jársz, ha helyileg oldod meg kicsi kapcsolóüzemű tápokkal, amiknek a primer részét kapcsolod a kapcsolóval.						 
				Van egy tucat 25k-s sztereó potméterem. Lassan fél órája azon kísérletezek, hogy egy 50k-s monot varázsoljak belőle, bűvész sajnos nem vagyok, eddig sikertelenül. Van rá mód? Kötögetem a lábakat, ide, oda... 
				Lerajzolva papírra, látva, nem hiszem, hogy lehetséges lenne.						 
				Nincs. Ahhoz, hogy 50k-t kapj, a két pályát sorba kell kötni. Viszont, a két csúszka egyszerre járja be a két pályát. Ha csak az egyik kimenetet használod, akkor csak a "feléig" tudod eltekerni a potit. Ha valahogy összekötöd őket, akkor nem 50k-s potit kapsz, csak végállásban.						 
				Sziasztok nemreg rendeltem egy ilyen egyeniranyitot es neztem a tetejet ,eleg furcsan nezki mintha mar regi lene vagy kopott ilyesmi,vagy nemtudom,vagy semi komoly? Kep A hozzászólás módosítva: Ápr 16, 2016 
				Hali! Ha jó különben, nem gond. Cseppet letisztítod, aztán pasztázod úgyis, ha hűtőbordára teszed. A hozzászólás módosítva: Ápr 16, 2016 
				Ja rendben meg nemprobaltam mondjuk,csak aszitem valami mas    
				Homokformába öntött lehet a ház, ezért ilyen, normális.						 
				Egy másik kérdésem is lenne hogy az ilyet Hid hogyan lehetne nyáklapba beilleszteni?						 
				Szerintem ne illeszd be, mert ekkora amperes graetzről ne vékony rézfóliával vidd el a nagy áramot. De ha annyira ez a vágyad, be kell fűrészelni, az az optimális, ahogy a lábak vannak. Fúrsz sok kis 1 mm-es lyukat, aztán "összevágod" egy-egy résnek. A hozzászólás módosítva: Ápr 16, 2016 
				Sehogy sem. Egy nagy hőt termelő, hűtést igénylő alkatrészt nem teszünk a nyomtatott áramkörre.						 
				Hat nem menne ott nagy aram ,meg az egyik haverom igy csinalta es meg nemvolt semi problema . Szoval kb csak egy 150w os erositohoz hasznalnam eztet lenyegeben ,es nemkell ra hutes sem. A hozzászólás módosítva: Ápr 16, 2016 
				Akkor tedd úgy, ha neked az tetszik. De hűtést célszerű alkalmaznod  akkor is. A fólia pedig maradjon a lehető legnagyobb a lábaknál, mert ott is tud kicsit hűlni. Nem tudom elképzelni, hogy minek nyákra tenni egyébként..  Ebben az esetben elég lesz egy vastagabb drótot átfűzni a lábon lévő lyukon és azt beforrasztanod, mint egy keskeny "U"-szög. A hozzászólás módosítva: Ápr 16, 2016 
				Mert az egyeniranyitast hozza csak egy nyaklapra tennem  ahol minden ottvan   ) ,egy aktiv hangszorot epitek es nekem igy jobblenne ,nemlenne a dobozba osszevisza   | Bejelentkezés Hirdetés | 










