Fórum témák
» Több friss téma |
Ki kell ehhez forrasztanom az ellenállásokat? Valamint nekem színkód kellene az ellenállásokhoz, különben nem tudom, hogy mekkorák voltak eredetileg. És megfogadom a tanácsot: fogok egy 1µf körüli kondenzátort tenni a bejövő jellel sorosan.
Egyik lábát kiemeled, mérsz. Színkód itt van a fejlécben a segédprogramok közt.
Köszönöm, ha valamelyik nap rá tudom venni magam, akkor mérek...
Sziasztok. Adott egy Philips 22AH777 rádiós erősítő.
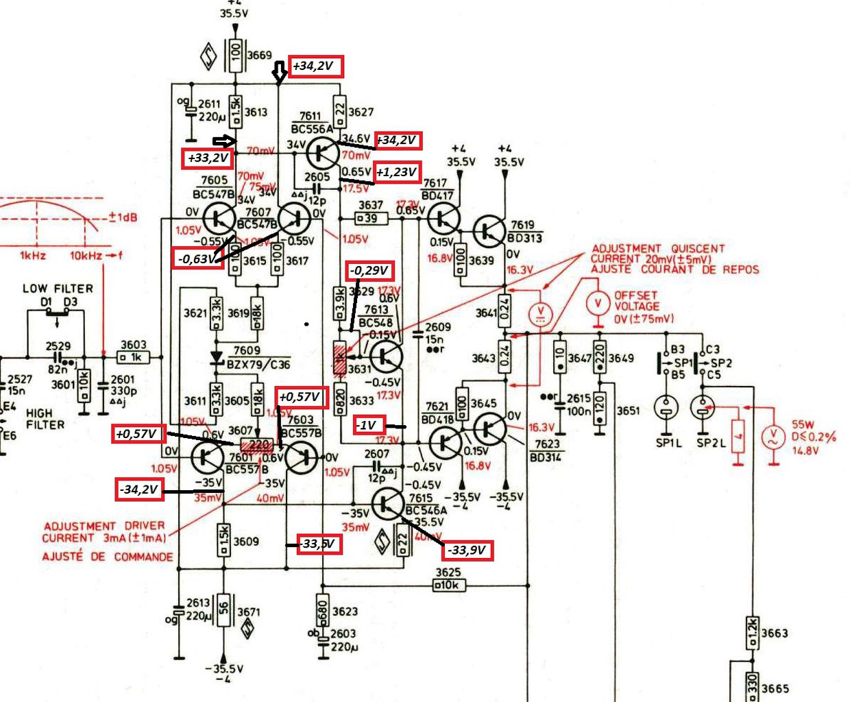
Mindkét oldali végfok hibával került hozzám. Illetve azt mondták, hogy nincs más gond. Az eredeti véget MJ15003, MJ15004-el helyettesítettem( ez volt itthon) , a meghajtókat is 2SD, 2SB párral ami mind fesz, mind áram értékben megfelelt. A maradék hibás tranzisztorokat pedig BC 546 - BC182-re, BC556 - BC558-ra cseréltem. Az egyik oldal élesztése simán ment. megfelelő nyugalmit állítottam be a service manual alapján. Viszont a másik oldal ha megfeszülök sem akar összejönni. Mellékelek két képet feszültség értékekkel. A rajzon megjelölt feszültségek értékek az ellenállásokon mérhetőek, kivéve a kimeneti feszültség, a Zenner diódán mért feszültségek, és a trimmer potik közepén ezek értelemszerűen a GND-hez képest van mérve. Valakinek ötlete? Ha valamilyen feszültség értéket mérnem kell még, szóljatok. A hozzászólás módosítva: Márc 20, 2016
Szia! Mi is a problémád?
Azt írja a drivert állítsd 3±1mA-re, a "jó" 1,2mA, a rossz 14mA a 22ohm ellenálláson eső feszültség alapján.
A rossz oldalon ha beállítok 66mV ot, akkor ugye ez pont 3mA a 22ohm-on. Viszont ekkor a nyugalmit nem lehet 5mA felé vinni, illetve ha a kimenetre hangszórót kötök, egy 47 ohmal sorosan, akkor már összeomlik a vég. a védelem reléje ki-be kapcsol.
Ha nem tudod felvinni a nyugalmit, akkor rossz, vagy rosszul beültetett tranzisztorod van még.
Ha nem találod, írd rá a rajzra a tranzisztorok bázis és emitter-feszültségét testhez képest, jelöld a negatív feszültséget!
Rendben, holnap mérek, és jelentkezek. Addig is köszönöm a segítséget.
Szia reloop.
A mérések a driver 3mA es beállítása után lettek mérve úgy, hogy a nyugalmi trimmerét a minimális állásba tekertem. A végfok emitterén amit tudok mérni a lekapcsolás előtt az a 20mV helyett 3,5mV.
Hiányzik pár eredmény, különösen 7601,7603 és 7617 bázis, de a 7617 és 7621 emitter is nélkülözhetetlen.
A hozzászólás módosítva: Márc 21, 2016
Szia reloop.
A 7601, 7603 bázisa 0V bár a műszer kábel miatt be is gerjed azonnal. A jó oldal is ugyan így viselkedik. 7617 bázisa +1,08V 7617 emitter +0,46V 7621 emitter -0,42V A hozzászólás módosítva: Márc 21, 2016
Így már világos, a 7613 tranyó rossz, vagy rosszul van beültetve. Ha megnézed 3629 és 3633 áramait, a tranzisztor bázisán visszafelé
folyik az áram.
Mindenképp ellenőrzöm holnap. A 7613 a hozzám kerüléskor is zárlatos volt a meghajtás, és véggel együtt. Ugyan nem volt BC548, BC182 vel helyettesítettem. Ez nem lehet gond szerintem. Ha a driver árama nem 3mA, (lényegesen magasabb) az tönkre teheti a 7613-at? Azért kérdezem, mert össze-vissza el volt tekergetve...
A 7613-at a végtranzisztor meghajtó zárlat teheti tönkre. Azért nézd meg a kollektor-emitter helyén van-e, mert pont fordítottnak néz ki.
Rendben. Azért érdekes ez az erősítő, mert a már jó oldalon a driver áram 1,4mA (nem is állítottam, csak a hibás tranzisztorokat cseréltem) a nyugalmi meg 20mV az ellenállásokon mérve. Tökéletesen működik. A rossz oldalon pedig már előző javítás nyomait láttam. Gondoltam, hogy ez az oldal is elsőre beröffen...... Persze az eltekert trimmereket ugyan abba a helyzetbe forgattam ellenállás értékre mint a már jó oldalon, és izzós védelemmel indítottam .... No de holnap meglátom mi derül ki. Amint hazajöttem melóból és tudok valamit, akkor mindenképp írok.
Az sm-ben talátam egy érdekességet a 7613 fesz értékeinél..... kollektor +35,5V az nem elírás? .
A hozzászólás módosítva: Márc 21, 2016
A hozzá kapcsolódó 7617 bázis pedig 0,65V, de persze ez sem reális.
A 3631 poti minimális állása alatt a minimális ellenállást, vagy a minimális nyugalmi áramot kell érteni?
Az előbbire gondoltam. A hozzászólás módosítva: Márc 21, 2016
Egy Scott 410a erősítő produkálja ezt a hibát:
: Bekapcsoláskor a hangszórók membránja egész erősen kitér és utána visszaáll eredeti pozícióba, a kivezérlésmérő mutatója is kitér ebben az időben . Ez tart olyan 3.4 mp ideig és utána a hiba megszűnik . ezután teljesen jól működik. A következő bekapcsolásnál újra ugyanez a hiba. Mértem egyenáramot az erősítő kimenetén amikor a hibát produkálja bekapcsolás után és 1- 5 volt között mutatott a műszer. Utána semmi egyenáramot nem produkált működött rendesen. Tud valaki ebben segíteni?
Szia! Ez egyik pillanatról a másikra alakult ki, vagy volt előzménye? Egyformán viselkedik a két csatorna?
Szia.
Ez be/kikapcsolási koppanásgátló áramköri hibájára utal, nincs némítása ki/bekapcsoláskor. Az Elektrotanyán ott van a szervizkönyve, de nem tudtam ide feltenni, mert nagyobb a fájlmérete a megengedettnél. A rajz szerint van benne koppanásgátló áramkör, a szervizkönyvében a 8. oldalon találod a végfokkal együtt a rajzát. Alul, az F4 -től kezdve végig kell követni azt a kört. De először azt ellenőrizd le, hogy világítanak-e a műszert megvilágító izzók? Ha nem, akkor valószínűleg elszállt az F4 -es, 315mA -es lomha biztosíték. Az a feszültség kell a némítás működéséhez is. Jelöltem neked az érintett részeket. A hozzászólás módosítva: Ápr 23, 2016
Így került hozzám ezzel a hibával. Egyformán mind a két oldal ugyanezt a hibát produkálja.
Tégy voltmérőt a Q15 bázisán lévő TP mérési pontra! Milyen a feszültség felfutása? A C61 miatt nem lehet túl gyors, ha nincs kiszáradva.
A jelölt áramköri részeket kell megnézni.
Az elkók már lehet, hogy ki vannak száradva. Izzók mennek? F4 jó? Ja, persze... anélkül nem is szólna... A hozzászólás módosítva: Ápr 23, 2016
Köszönöm . A jobb oldali műszer izzója nem világít, átnézem a biztosítékokat és azt a koppanásgátló áramkört.
F4 nélkül Q16 nyitva van, ha jól látom.
Gyanakszom én is az elkókra mivel jó régi készülék, és nem volt használva szerintem jó pár éve.
Járasd egy kicsit, hagy formázódjanak az elkók, nem kell mindjárt kidobálni őket
|
Bejelentkezés
Hirdetés |







folyik az áram.





