Fórum témák
» Több friss téma |
74LS166 a párhuzamos bemenetein levő értékeket egy órajel felfutó élére tölti be, ha a Shift/Load bemenete alacsony szinten van. A léptetés minden órajel felfutó élre történik, ha a Shift/Load bemenete nmagas szinten van.
CD4021 -nek nem kell órajel a párhuzamos bemenet betöltéséhez.
Köszönöm! Igazad volt és most már meg is találtam az adatlapban amit leírtál.
Hát igen átsiklottam rajta, mert azt hittem ugyanolyan mint a CD4021. Hiba volt.
Van egy áramköröm, ahol 4044-es tárolók és 4014-es shift regiszterek dolgoznak.
Arra gondoltam, hogy egy nagyobb PIC-cel kiváltom ezeket az eszközöket. A 4044-sel nincs gondom, viszont a 4014-es működésében nem vagyok biztos. Ha az adatlapot jól értem, a P/S control bemenet kap egy magas impulzust, akkor leolvassa a párhuzamos portokat és ezt követő órajelre elindul és shiftelni kezdi a tartalmát. Illetve a serial bemenetre érkező biteket is hasonlóan tovább görgeti a saját kimenetére? Jól értettem?
A CD4014 -nek is kell az órajelen egy felfutó él a P/S control bemenet magas szintje mellett, hogy betöltse a párhuzamos bemenetén levő adatot.
OK!
- Az órajel folyamatosan ketyeg... - Eközben magas szintet kap a P/S bemenet, - Erre a párhuzamos bemeneteken lévő állapotot betölti a tárolójába, - Ahogy visszaáll a P/S alacsonyra, elindul a shiftelés, - Ezzel egyidőben a serial bemenetre érkező jeleket is tovább shifteli a saját adatai után a kimenet felé. - És az órajel csak ketyeg és ketyeg... Ha kifutott a tartalom, akkor pedig 0-ák mennek kifelé. Jó volt a gondolat menet? A hozzászólás módosítva: Feb 26, 2014
Idézet: „- Eközben magas szintet kap a P/S bemenet, - Erre a párhuzamos bemeneteken lévő állapotot betölti a tárolójába,” Amennyiben van legalább egy órajel felfutás a P/S impulzus magas szintje alatt. Idézet: „Ha kifutott a tartalom, akkor pedig 0-ák mennek kifelé.” Az megy kifelé, amit 8 felfutó éllel ezelőtt a soros bemenetén beolvasott.
Mármint úgy értettem, hogy ha már mindent shiftelt, a serial bemeneten érkező cuccot is, akkor jönnek a nullák.
Úgy működik, ahogy írtam... Ha vált a soros bemenete 8 órajel felfutó él elteltével megjelenik a soros kimeneten.
Sziasztok!
Próbálok beüzemelni 3 darab 74HC164-et, amiket használt panelekből forrasztottam ki. A próbapanelemen van az IC, 5V tápot kap, az órajele egy 555-ös IC-ről érkezik, a bemenetei (DSA-DSB) össze vannak kötve, és egy kapcsolóval sorosan a tápfeszültségre húzva, az MR lába a pozitív tápon, és a kimenetein 3 LED van, mert csak ennyi fért el a próbapanelen. Az első IC kapásból rossz lehet, mert a tápfeszültség rákapcsolásával világít mindhárom LED órajel nélkül is. Ezt hanyagoltam eddig. A másik kettő IC már egy fokkal jobb, mert órajel hatására léptet, de akkor is "jelet kap valahonnan", ha nem nyomom a bemenethez tartozó gombot. Tehát minden órajelre egyre több LED világít, és ha mindhárom világít, az sem segít, ha a reset lábat eltávolítom a tápfeszültségről. Ha a bemenetről leszedem a vezetékeket (hátha valami kontakthiba), akkor is ugyanúgy sorban elkezdenek világítani a LEDek. Lehetséges hogy rosszak az IC-k, vagy csak elrontottam valamit?
Szia !
Bemeneteket húzd GND-re, hogy ne lebegjen ha nem nyomod a gombot.
Alapszabály üres bemenetet nem hagyunk.Alap esetben minden bemenetet a kívánt szintre húznám egy min 1k ellenállással.Ezt utána már vezetékkel is akár kötheted az ellentétes szintre. Ha ez nincs bármely bemenethez hozzáérsz , már szórakozni fog.
A tápfeszültséget szűrő kondenzátorokról se feledkezz meg. Minden IC táp és föld lábához rövid vezetékezéssel 100 nF kerámia kondenzátort kell kötni.
Köszönöm a gyors válaszokat, ez volt a hiba.
Sziasztok! Egyszerű számlálót szeretnék 74HC164-el készíteni. 10db ledet szeretnék egymás után bekapcsolni úgy, hogy az előzőek égve maradnak, tehát a 10. felfutó élre már világít az összes led.
A 11. felfutásra pedig ismét csak az 1-es led világít. Lehet egyáltalán 1db "órajelre" törölni és léptetni? Esetleg milyen más módszerrel lehetne elérni a fenti számlálást? Köszi.
Közben ezt sikerült kiötölni, az órajel invertálását felhasználva sikerül 1 lépésben, most már csak az a kérdésem, hogy ez így stabíl-e a valóságban?
5x15mA-al terhelhető? A hozzászólás módosítva: Aug 17, 2014
Hello! Szerintem így fog működni, ahogy lerajzoltam.
- A 10. órajel felfutó élére bebillen a Q10 - A 10. órajel lefutó élére törlődnek a Shift regiszterek, de a törlés a Q10 megszűnésével azonnal el is tűnik. - A 11. órajel felfutó élére bebillen a Q1. - A 12. órajel felfutó élére bebillen a Q2. stb.. De a Q10, csak fél órajel idejéig fog világítani, és a Q1 fél órajel idejéig lesz sötét. (Amúgy ha úgy működne, ahogy elsőként leírtad, akkor a Q1 állandóan világítana, csak első bekapcsoláskor nem.) Viszont a regiszter tápfesz bekapcsolásakor elvileg bármilyen állapotot felvehet, nincs Reset jel az áramkörbe. Szóval ha ez megfelelő így, akkor szerintem működni fog. Hogy a terhelést bírja-e, azt a tok disszipációjából és a kimenetre jutó maradék feszültségből lehetne számolni. De a teljes tok disszipációját én a HC család adatlapján nem látom, a Led nyitófeszültségét meg nem írtad. A kimenti fokozat terhelésénél, meg Voh 6 és 7,8mA szerepel az adatlapon.. De nézd meg Te is.. A hozzászólás módosítva: Aug 17, 2014
A reset induláskor valóban hiányzik, de szerintem nem fontos, mert hamar helyre áll magától...
A led 2,2V-on nyit, 20mA-es, a tok elvileg 500mW-ot disszipálhat.
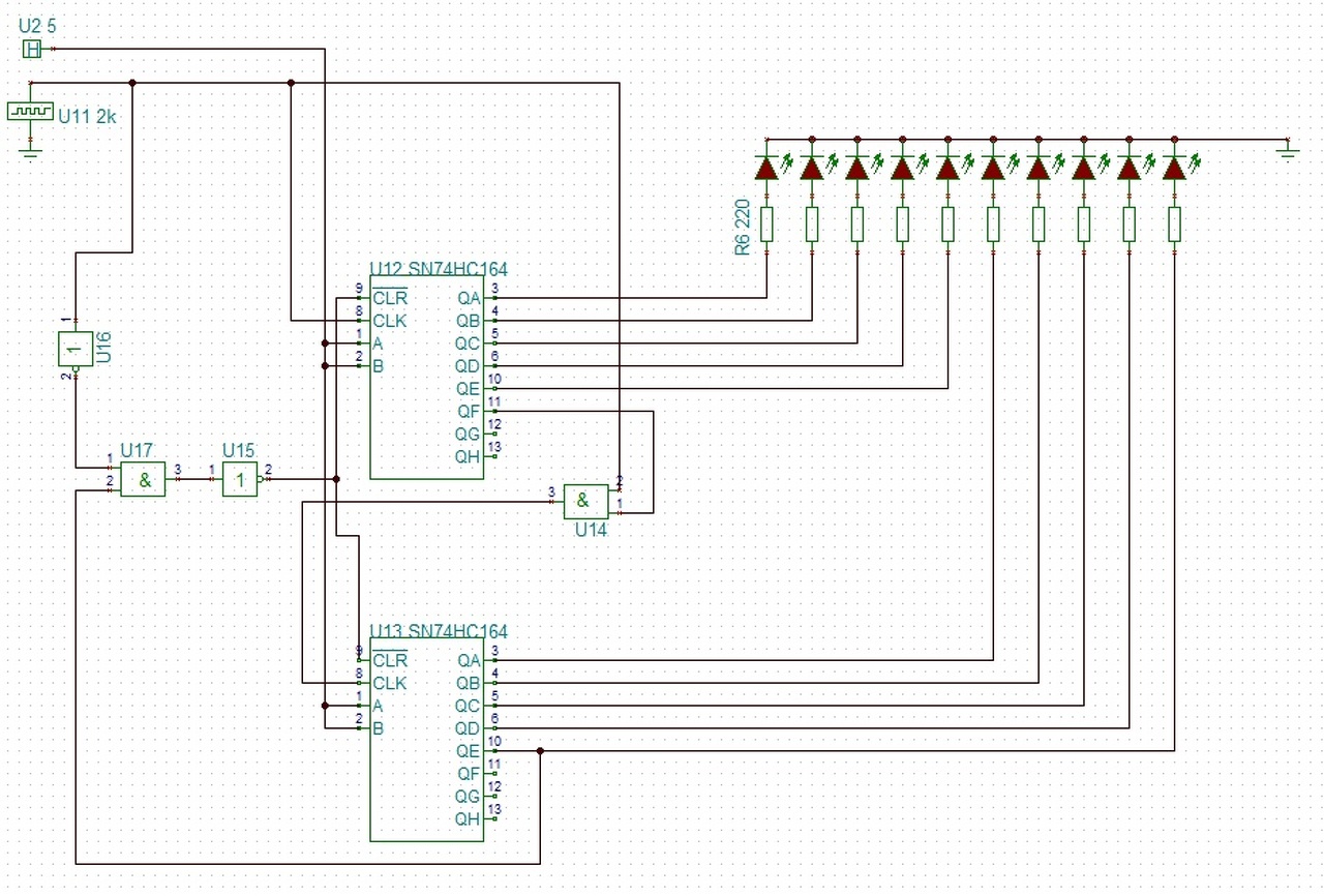
Rendben, befejeztem az 1.0 elvi rajzomat. Átfolyásmérő indikátora lenne, számláló és shift reg. segítségével ami 2x10 szegmenses ledbart hajtana. Megköszönném ha lenne hozzá építő jellegű kritika.
Sziasztok
Segítséget szeretnék kérni, eddig 1 darab 74HC595-öt használtam de most többet kellene használnom és nem tudom hogy pontosan hogyan is működik. Mellékeltem egy "Móricka rajzot" ami alapján szeretném működésre bírni Az elképzelésem hogy 6x8 bitet küldök ki és a 6-os shift kapja az elsőt majd így visszafelé az 1-ső shiftig. Jól gondolom?
Sziasztok!
Én 8 db shift regisztert kötöttem egymás után. Olyan problémám akadt, hogy a 8 ból 7nél nem teljesen olyan a kimenet mint amit én szeretnék. Néha olyan lábakon is van magas jel amelyiken nem kellene, viszont nem 5V hanem kevesebb. Aztán vettem észre hogy a 8ból 7db 74hc595B1 jelzésű és ST felirat van még rajta a 8. pedig amelyiknél nincs semmi gond az 74HC595N és NXP felirat. Valaki tudja esetleg mi lehet a probléma? Esetleg valami megoldás azon kívül hogy kicserélem mindegyiket az nxp-s fajtára? Előre is köszi
Szerintem sok sok 10-100nf tápszűrő kondenzátor a táplábaihoz minél közelebb, meg a stabilizátor kimenetére 1µF mkp kondenzátor
Sziasztok!
Valaki esetleg el tudná röviden magyarázni a MIC5891 Shift Regiszter működését? Angolból nagyon kevés vagyok.
A Data In lábon az órajel segítségével beküldöd az adatot. A Strobe a beküldött adatot átmásolja a tárolóba (Latch) és ha a kimenet engedélyezve van (Output Enable), akkor a beküldött adat megjelenik a kimeneten.
Ha a Data Out lábat a következő regiszter Data In lábával összekötöd, valamint az órajel (Clock) lábakat közösíted, akkor egymás után két léptetőregisztert is fel tudsz tölteni. Elméletileg végtelen számú ilyen egymás után köthető, bár gondolm nem ez a cél.
Sziasztok!
Egy olyan shiftregiszter keresek ami 5 volton müködik 10 lábat tud eltolni. Van ilyen??? Segítséget elöre köszönöm
Hello! Általában 4 és 8 bites regisztereket gyártanak. De sorba kapcsolással tetszőlegesen bővíthetők..
Pont ezt akartam elkerülni
( Na mindegy....74HC595 sorba kötöt kapcsolást kérhetnék szépen? ![]() A tervem van egy 5x5x5 ledkockám ami piros és zöld (1 led) ledből áll. Az 10 lábbal tudnám meg hajtani a sorokat (+). Emlékeim szerintem + jön ki a shiftregiszter lábain nem??? szerk.: 74HC4017 ha minden igaz 10bites nem?? A hozzászólás módosítva: Ápr 24, 2016
74HC595 működése és több összekötése: Bővebben: Link. Az jön ki a regiszter lábán, amit akarsz, ez lenne az egész lényege.
A 4017-es egy számláló IC, tíz kimenettel.
"Az jön ki a regiszter lábán, amit akarsz, ez lenne az egész lényege."
Most jöttem rá milyen hülye vagyok )) 1 és 0 mi XD 5 volt jön ki rajta ugye???köszönöm szépen a segítséget így már menni fog ) |
Bejelentkezés
Hirdetés |







( Na mindegy....
XD 5 volt jön ki rajta ugye???


