Fórum témák

» Több friss téma
Fórum » LED-es kivezérlésjelzők
 
Témaindító: KeserűCukor, idő: Márc 27, 2006
Témakörök:
Lapozás: OK   131 / 151
(#) reloop válasza Allen Collins hozzászólására (») Feb 23, 2016 /
 
Mérd meg mekkora feszültség jut el az ötös lábra (testhez képest)!
(#) Allen Collins válasza reloop hozzászólására (») Feb 23, 2016 /
 
0V-t mértem rajta... Az lehetséges?
(#) reloop válasza Allen Collins hozzászólására (») Feb 23, 2016 /
 
Ha kevés a jel, nem jut át a diódán.
(#) proli007 válasza Allen Collins hozzászólására (») Feb 23, 2016 /
 
..Viszont ekkor az össze Led-nek sötétben kellene maradni..
(#) Allen Collins válasza proli007 hozzászólására (») Feb 23, 2016 /
 
A potit elég végállásba tekerem mire megjelennek a fények... Akkor az az aktív csúcsegyenirányítás kellene amiről írtál, reloop? Arról tudsz mutatni valami leírást esetleg, mert még nem hallottam róla. Lényegében egy előerősítő lenne?
(#) proli007 válasza Allen Collins hozzászólására (») Feb 23, 2016 /
 
Nos az ami értelmetlen, mert akkor nincs referencia feszültség.
Komplett VU méter rajzot is találsz Alkotó tervével.
A csúcsérték képző, alapvetően nem erősítő. De azt sem írtad le, hogy mire szeretnéd kötni. Vonalkimenetre, vagy hangszóróra. Mert ez a kapcsolás amit választottál hangszóró kimentre való.
Egyébként itt olvashatsz róla.
A hozzászólás módosítva: Feb 23, 2016
(#) Allen Collins válasza proli007 hozzászólására (») Feb 23, 2016 /
 
Értem. Vonalkimenetre akartam, egy akt408 után (vagy esetleg 100V-os rendszerre iskolába) de akkor lehet, hogy olcsóbban jön ki ha inkább egy tranzisztorosat építek meg. Köszönöm a cikket!
A hozzászólás módosítva: Feb 23, 2016
(#) proli007 válasza Allen Collins hozzászólására (») Feb 23, 2016 /
 
Te tudod. De ez miért lenne komplikált?
Egyébként egy sima egyenirányító is csúcsegyenirányító, csak vonalkimenetre nem jó. Mert a vonal kimeneten kb. 775mVeff érték van, ami kb. 1,1V csúscértékű. A dióda meg 600mV alatt ki sem nyit. Vagy is nagyon torz lesz az egész. De a 100V-ra már megfelelő, csak egy feszültség osztó kell a bemenetre, hogy ne 100V-ot, hanem kb. 6V-ot kapjon az áramkör a 100-ból. Ekkor már elhanyagolható a dióda 600mV nyitófeszültsége.
(#) zsolez76 hozzászólása Máj 12, 2016 /
 
Sziasztok! Vettem egy Unisef Ghettoblastert és pár napja olyan gond van vele,hogy nem villognak a kivezérlés ledek,csak ég a két első led egyfolytában. A magnón minden működik csak a led villogás szünt meg! Mi lehet a gond? Köszönöm! A képen látható a magnó.
(#) proli007 válasza zsolez76 hozzászólására (») Máj 12, 2016 /
 
Hello! Két lehetőség van. Vagy elromlott a kivezérlésjelző, vagy nincs a bemenetén a hangfrekvenciás jel. Esetleg ha a kijelző bemenetén kondi (elkó) van, és az átvezet, akkor csak a DC egyenfeszültséget mutatja a kijelző..
(#) zsolez76 válasza proli007 hozzászólására (») Máj 12, 2016 /
 
Néha bevillan a 3. Led is ritmusra,de a két led tartósan ég. Annyira nem értek hozzá sajna de képet mutatok,hátla kiderül valami. Köszönöm!
(#) zsolez76 válasza proli007 hozzászólására (») Máj 12, 2016 /
 
Ezek a képek akkor készültek mikor hozzám került a magnó,itt még jól működtek a ledek. Amikor bekapcsolom a power gombot és megszólal a rádió,akkor a ledek még nem égnek,csak mikor eltelik egy 2-3 másodperc akkor kezdenek el világítani folyamatosan.
(#) zsolez76 hozzászólása Máj 16, 2016 /
 
Most már arra jöttem rá,hogy egy darabig villog ütemre azután egyszer csak ég egyfolytában három led,akkor a tape-rádió-mikrophone kapcsolót letolom mikrofonra és vissza rádióra mndjuk,akkor villog ütemre egy darabig(változó meddig) utána megint ég a 3 led. A kapcsolóval lehet valami?
(#) zenebolond válasza zsolez76 hozzászólására (») Máj 16, 2016 /
 
Egészen véletlenül nem melegszik fel nagyon a ledmeghajtó?
(#) patkany hozzászólása Máj 16, 2016 /
 
Sziasztok!

Hasonló téma volt már tárgyalva, itt, vagy más topikban, de nem követtem végig és azt hiszem a megoldás bonyolultabb is mint én szeretném.

A megoldandó feladat az lenne, hogy egy RGB ledes VU métert készítsek, minek állíthatóak a színei. Szerencsére nem minden lednek külön, hanem az összesnek egyszerre. Így a három alapszíntől több lehetne elérhető.
A fényforrás egy led szalag lenne, ami ledjei közös anódosak. Én arra gondoltam, hogy a katódokra rakok valamilyen félvezetőt, (kis áramú tranzisztor, vagy j-FET - amelyik jobban megfelel a célnak), melyek egyik fő elektródája megy a katódokra, a másik a led meghajtóra, a vezérlő elektródák ellenállásokon keresztül összefogva egy potihoz, mivel állítható lenne a rajtuk átfolyó áram , vagy fesz.
Elvi rajzot mellékelek. Ez így működne? Javaslatotokat, javításotokat várom!
Az IC nem kötött, bármi más lehet, lényeg, hogy a VU szerepét betöltse és a színek keverhetőek legyenek.

RGB VU.JPG
    
(#) zsolez76 válasza zenebolond hozzászólására (») Máj 16, 2016 /
 
Hát ezt sajnos nem tudom,de majd megnézem!
(#) proli007 válasza patkany hozzászólására (») Máj 18, 2016 / 1
 
Hello! Nem tudom mekkora áramra gondoltál, Led-enként, de ha mondjuk 20mA-re, akkor én nem ezt a módszert választanám, hanem a három színnek három LM3914, és azok áramát szabályoznám..
(#) patkany válasza proli007 hozzászólására (») Máj 18, 2016 /
 
Helló!

Voltaképpen valóban kézenfekvőbb ha 3db meghajtót építek és ledek tápfeszét szabályoznám. Hogy nem gondoltam erre?!
(#) Alkotó válasza patkany hozzászólására (») Máj 18, 2016 /
 
Az LM sorozat kimenete áramgenerátoros. A feszültséget nem tudod szabályozni, de az áramot igen.
(#) patkany válasza Alkotó hozzászólására (») Máj 19, 2016 /
 
Akkor tranzisztor lenne a megfelelő szabályzó elem a fet helyett?
(#) Csupasz válasza patkany hozzászólására (») Máj 19, 2016 /
 
Ha már külön IC-ket használsz, akkor egy ellenállással beállítod a kellő áramot. Nem kell se FET, se tranya.
(#) proli007 válasza patkany hozzászólására (») Máj 19, 2016 /
 
Pontosan ahogy Csupasz írja, az LM3914-nél állítod a Led-ek áramgenerátorának áramát külön-külön, de így egy színre, egyszerre.
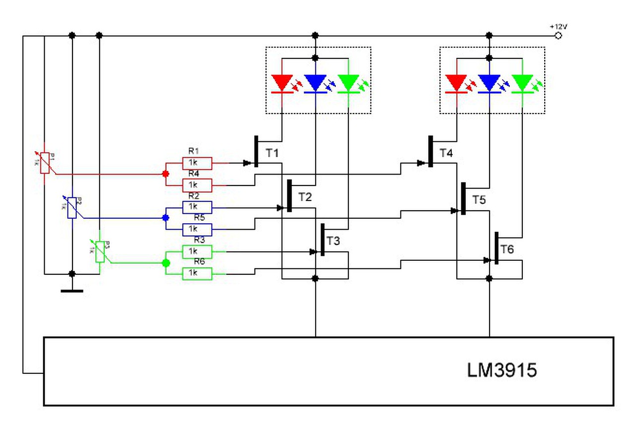
(#) proli007 válasza patkany hozzászólására (») Máj 20, 2016 /
 
Hello! Megrajzoltam mit kell elkövetni. A három-három sorba kötött Led-et nem rajzoltam bele, csak egyet..
(#) patkany hozzászólása Máj 20, 2016 /
 
Köszönöm a segítségeteket!
Természetesen a külön vezérlők esetén nem szándékoztam semmiféle félvezetőt alkalmazni a ledek meghajtásánál.
(#) shield válasza patkany hozzászólására (») Máj 22, 2016 /
 
Próbáltam elképzel, hogy fog ez mutatni kivezérlőként, nem tudom...
Szívesen megnéznék egy videót róla, ha elkészült.
(#) patkany válasza shield hozzászólására (») Máj 27, 2016 /
 
Az igazsághoz hozzá tartozik, hogy én épp oly olyan kíváncsi vagyok rá, mert még ilyet nem építettem, de még nem is láttam. Prototípus lesz lehet! Ha elkészült mindenképpen valamilyen formában nyilvánossá teszem.

Azonban a dologhoz annyi hozzátartozik, hogy proli007 rajzától némileg elüt az alapkoncepció. Bár nem írtam, de valóban 30 led kerül meghajtásra, de színenként. Így a 3x vezérlő annyit tesz, hogy 3x3 IC. Tehát minden alap szín a teljes 30db-os sorral üzemel, és vagy a 3 sor tápfeszültségér szabályzom majd, vagy a kivezérelhetőségét, így a 3 szín nem teljes hosszban kerül átfedésben, hanem a kivezérlés mértékéig.

Nem akarok belemenni a kombinatorikájába, mert látni és értelmezni egyszerűbb, mint leírni.
Annyi jószolgálatot tehetek a közügyért, hogy a ledszalag meg van, és van 3 db IC-ém, egy 10db-os RGB sort összedrótozhatok! Egyre jobban érdekel engem is, de nem nekem lesz, így anyagra várok...
(#) btbalazs hozzászólása Jún 13, 2016 /
 
Sziasztok!
Egy olyan problémám lenne, hogy megépítettem a csatolt kapcsolást, és minél nagyobb a jelszint, (magasabb ledek kigyulladnak) az első ledek annál halványabbak! Esetleg más is tapasztalt ilyesmi problémát? Mit lehetne ebben az esetben tenni? Illetve még egy olyan kérsésem lenne, hogy magas fényerejű ledekkel működőképes a kapcsolás?

A segítséget köszönöm előre is!

Üdv. Balázs
(#) proli007 válasza btbalazs hozzászólására (») Jún 13, 2016 /
 
Hello! Ennek a kapcsolásnak alaphibája, hogy a bemenet váltófeszültséget kap. Ugyanakkor a kijelzés "DOT" módban van. Vagy is mindig csak egy egy Led égne. De mivel a váltófeszültség pillanatértéke "fel-le rohangál" a nulla és a maximum között, "BAR" vonalmódnak látszik a kijelzés. Egy-egy Led addig világít, míg a jel az Ő tartományában van.
Lehet cseppet javul a helyzet, ha a 9-es lábat a tápra kötöd, de várhatóan az egyenirányított jel jobb megoldást ad.
Működik magas fényerejű Led-ekkel is, de az első diódával párhuzamosan kel kötni egy 2,2koh-os ellenállást, mert az első kimenetnek alapáram felvétele is van, amitől az halványan de világítani fog.
(#) btbalazs válasza proli007 hozzászólására (») Jún 13, 2016 /
 
Hello. Próbáltam a tápot rákötni a 9es lábra, valamint egyenirányítani is, de így se lett jobb semmivel, a BAR mód eléréséhez milyen alakításra lenne szükség?
(#) proli007 válasza btbalazs hozzászólására (») Jún 13, 2016 /
 
A BAR módhoz, csak a 9-est kell a tápra kötni. De nálad akkor célszerű a tápfeszt is megnézni, mekkora és mennyit esik. Mert BAR módban ha minden Led ég, akkor kb. 300mA lesz az öszfogyasztás. De ezt az IC 12V mellett már nem fogja tolerálni, mert kb. 1W maximális tok disszipációt érdemes csak megengedni neki. (Cseppet alá van méretezve az R1 ellenállás, mert a 390ohm a tok maximális 30mA kimenti áramát engedné meg..)
Következő: »»   131 / 151
Bejelentkezés

Belépés

Hirdetés
XDT.hu
Az oldalon sütiket használunk a helyes működéshez. Bővebb információt az adatvédelmi szabályzatban olvashatsz. Megértettem