Fórum témák
» Több friss téma |
- Ez a felület kizárólag, az elektronikában kezdők kérdéseinek van fenntartva és nem elfelejtve, hogy hobbielektronika a fórumunk!
- Ami tehát azt jelenti, hogy a nagymama bevásárlását nem itt beszéljük meg, ill. ez nem üzenőfal! - Kerülendő az olyan kérdés, amit egy másik meglévő (több mint 17000 van), témában kellene kitárgyalni! - És végül büntetés terhe mellett kerülendő az MSN és egyéb szleng, a magyar helyesírás mellőzése, beleértve a mondateleji nagybetűket is!
Sziasztok! Tudna valaki segíteni nekem egy olyan problémában, hogy szeretnék egy komparátor kapcsolást kérni, ami 0,6 voltnál kapcsol, és 28 voltos áramkörbe kellene. Egy gázpedál jeladó alapjárat kapcsoló szimulációjához. A motor vezérlő ECU bemenetére menne a kimeneti jel.
Sziasztok!
Korábban írtam, hogy melegítőlapot szeretnék építeni. Mivel elektronikában kezdő vagyok, ezért sajnos csak egy szakszerűtlen tervet tudtam készíteni hozzá. Remélem azért érthető. Meg tudnátok mondani, hogy így működhet-e a dolog? melegítőlap terv
Gyanítom, hogy egy ilyen móricka (nem kritizálni akarom a rajzod) ábráról senki nem fogja tudni eldönteni, hogy valójában hogy is vannak összekötve a részegységek...
Kérj meg valakit, aki legalább szabványos módon le tudja rajzolni, mit is akarsz igazán...
Az alapelképzelés jó, a bal oldali thermo-kapcsoló szabályozná a hőmérsékletet. Viszont a ventillátort nem egészen értem, az érzékelője a lapon kívül látszik, mit keringtetne?
Az összeszerelést mindenféleképp hozzáértőre bízd, 230 Volt nagyot rúg ha nem stimmel valami. Tetszik a rajzod, érdekes megközelítése az elektronikának. A hozzászólás módosítva: Máj 22, 2016
A piros szaggatott vonalak két elválasztott teret jelölnek, mint egy egyszintes ház. A földszinten vannak az elektromos eszközök. A ventilátor csak akkor lépne működésbe, ha az alsó térben 40 fok fölé esne a hőmérséklet. A 12 Voltos átalakítónak ez az ideális hőmérséklete az ebay szerint.
A hozzászólás módosítva: Máj 22, 2016
Rendben, tanulmányozni fogom a szabványos ábrázolást. Sok mindent meg kellett már tanulnom, de az elektronikai szakrajzot sajnos nem
.
Használd a *válasz* gombot
Az a sok + meg - jel elég zavaros, de megvalósitható.
A képen pirossal jelölt rész használata díjtalan, Te is bátran használhatod.
![]() A 12 Voltos résznél jó a + - jel mert egyenáram. A 230 Volt váltóáram, oda a ~ jelet szoktuk használni.
Köszi, nem vagyok nagy fórumozó. Meg a másik tippet is köszi. Tudom, hogy a váltóáramnál a nulla és a fázis váltakozik, csak valahogy jelölni akartam magamnak, melyiket honnan kötöm, ezért írtam oda is +, -t.
Semmi gond, kezdetben elnézhető, de mindenféleképp valaki hozzáértővel is nézesd át mielött bármit rákapcsolnál a 230 Voltra.
meglett a válasz gomb is, fog ez menni.
Persze, én csak a véleményekre voltam kíváncsi. Sok minden nem érkezett még meg, és a vázhoz még neki sem láttam. Üzembe helyezés előtt meg elviszem villanyszerelőhöz természetesen.
Sok sikert, remélem hasznos lesz az eszköz ha elkészül.
Hello! A komparátor nem gond, csak adathiányos amit kérsz.
- Gondolom a 28V az a tápfeszültség. - Milyen feszültségű és terhelhetőségű jelre van szüksége az ECU-nak? - Mikor legyen a kimenti feszültség (vagy mi) magas szintű, ha 600mV felett van a feszültség? - Kell-e hiszterézis (ki és bekapcsolás közötti különbség) és ha igen, mekkora legyen.
Bocsi igazad van. A kimeneti feszültségnek szintén 28 voltnak kellene lenni. Valójában viszont nem is pontosan 28 volt mert egy járműben változó a feszültség 23-és 28 volt között. Tehát a kiment a táp feszültség. Nem kell hiszterézis. A billenési feszültség sem kell, hogy 0,6 volt legyen, mert 0,45 és 0,9 volt közé kell esnie. Az ,hogy milyen terhelhetőségű legyen a jel azt sajnos nem tudom. Szerintem egy motorvezérlő elektronika nem terhel egy bemenő jelet jobban 100 mA-nél.
Mondjuk azt most sem mondtad meg, hogy mikor legyen a kimenet magas, ha 600mV alatt, vagy felett van a jel. (Csak szólok, hogy ha a 600mV-os bemenetre nem kötsz semmit, a kimenet magas szintű lesz.) A potival 0..1,2V között állíthatod a billenési feszültséget.
Felett. Ha jól látom ez pont olyan. Köszönöm. Mit kössek a referencia lábra? Ellenállás osztót?
A hozzászólás módosítva: Máj 22, 2016
A TL431 milyen alkatrész? Zénernek nézem, de a visszacsatolt lábát nem értem.
Tulajdonképpen egy változtatható feszültségű zéner, (innen a jele is) ami itt referencia feszültséget szolgáltat a kapcsolási értékhez. Hiszen a tápfeszültség változni fog. De ha nem kell túl satbil kapcsolási érték, akkor használhatsz helyette zénert is. Csak az R4 ellenállást célszerű a zéner feszültsége szerint megválasztani, hogy a potinak ne legyen túl nagy a beállítási tartománya..
Harmincvalahány lábra kellene érzékelőt kötni, és abból vissza lehet következtetni a kijelzett értékre. A feladat jó sok programozást igényel, azon kívül, hogy igen precíz forrasztásra van szükség. Megkockáztatom, nulláról kiindulva egyszerűbb lehet a megoldás egy célhardver megépítésével - ha valaki rendelkezik a kellő hangfeldolgozási gyakorlattal.
Nem éppen egy ujjgyakorlatról van szó, ezért nem tud segíteni senki. A hozzászólás módosítva: Máj 22, 2016
Rendben, köszi szépen. Gondoltam én is hogy bonyolult lenne
Gitár frekvencia mérésről beszélünk, az azért nem egy nagy kaland. Arduinóval pedig különösen nem.
Abban igazad van, hogy eléggé nyakatekert megoldás egy gyári gitárhangoló kijelzőjéből visszaállítani azt az egy frekvencia értéket A hozzászólás módosítva: Máj 22, 2016
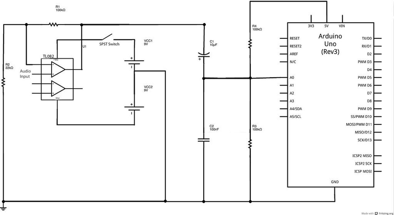
Üdv!
Korábban már írtam a gitárhangolóval kapcsolatban, és úgy döntöttem hogy inkább megépítem nulláról. Arra gondoltam hogy a gitárból kijövő jelet fogom használni. Találtam egy kapcsolási rajzot(mellékelem). Nem tűnik bonyolultnak, csak az a két darab 9V-os elem nem tetszik, értem hogy a műv erősítőnek kell a negatív delej. Valaki megtudna erősíteni abban hogy a másik képen csatolt megoldás jó-e a negatív/pozitív szint előállításához? Előre is köszönöm, Üdv Máté
Szia!
Egy megfelelő OPA-val meg lehet oldani féltáppal is (railtorail), bár még az sem feltétlenül szükséges. Az analóg jel referenciapontja az ADC 1/2-ed referenciafeszültsége lesz és a bemenőjelet egy kondenzátorral választod le. A mikrokontrollerben meg a csúcsokat számolod, de akár FFT-t is alkalmazhatsz. Én azonban azt is megfontolnám, hogy kell-e analóg jelet mérni, egy komparátoros fokozat egyszerűsíthetné a dolgokat. A hozzászólás módosítva: Máj 22, 2016
|
Bejelentkezés
Hirdetés |





. 









