Fórum témák
» Több friss téma |
Fórum » PIC - Miértek, hogyanok haladóknak
Már nagyon régóta(4 évből mióta programozok 1,5-2 éve) csak 32őzök és csak ritkán megyek lejeb mert meg őrit, hogy nincs c++ "alsóbb szinten". Ezt írtam már előző hozzászólásba is biztos nem láttad
Idézet: „hasonló mintha PC-re fejlesztenél” én pont ezért váltottam a 32-re, mert egy c# fejlesztés után a c nagyon fura dolog és mint írtam feljebb csak itt van c++, aztán persze sok sok mindenben találtam meg, hogy miért jobb.
Hali,
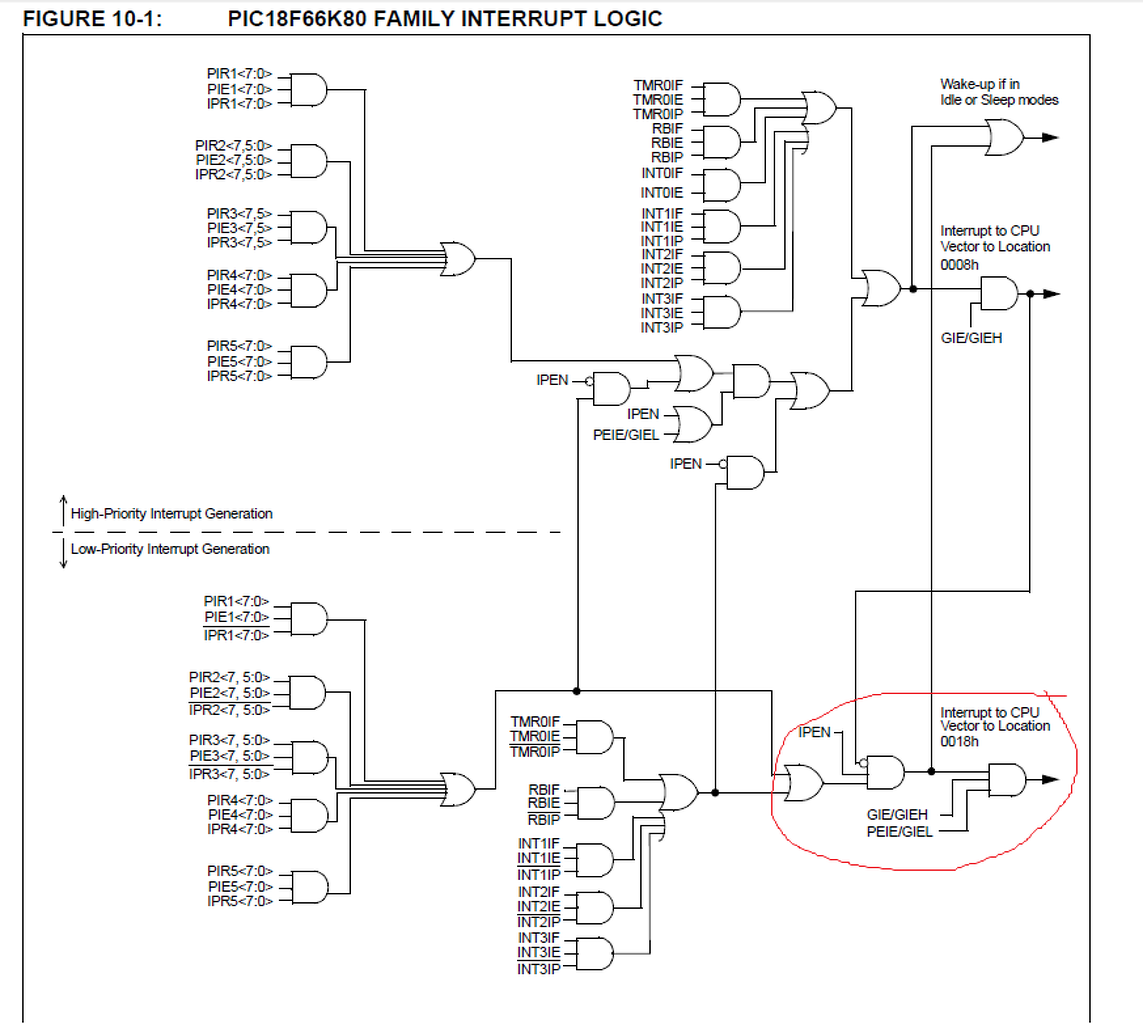
PIC18F26K80, assembly, MPLAB 8.88, prioritásos megszakítással (IPEN=1), ám az alacsony szintű megszakításra csak akkor fut a program, ha a GIEH bitet is 1-be állítom, holott a leírás szerint elég lenne a GIEL bitet 1-be állítani. Érdekesség, hogy a kép szerint is mindkettőt 1-be kell állítani. Ritkán használtam eddig prioritásos megszakítást (mármint külön magas és alacsonyt), talán szökő évente egyszer, szóval lehet én értek valamit félre, vagy ha nem, akkor most mi a helyzet? ![]() Előre is köszönöm!
Szia!
Nem, az adatlap is azt mondja, hogy kétszintű megszakításnál a GIEH minden megszakítást tilt, míg a GIEL csak az alacsony szintűeket
Na basszus, már megint figyelmetlen voltam.
Köszi! Idézet: „PIC eletében a Vcap kondenzátor a leggyengébb láncszem.” Tapasztalatom szerint a kerámia SMD kondi nem modnható gyengének. Egy se ment még tönkre eddig, szerencsére és nem is számítok rá, hogy megtörténne.
Itt a fórumon távgyógyítottam PIC32MX -el szerelt robotporszívót, amiben a Vcap nem tönkre...
Kerámia kondi volt? Persze lehet, csak nehéz elképzelni, mint a síelő indiánt.
Gyári készülék volt. Nem tudom, hogy milyen kondenzátor volt benne. A kondenzátorok ESR értékére szigorú előírás van az adatlapokan, csak néhány gyártó típusát ajánlják.
Kisebb, mint 1ohm-ot mondanak, de ezen nem sokat rugóztam, betettem egy 10mikrós SMD kerámiát és ráforrasztottam egy 100nanót a tetejére. MX és MZ is stabilan megy vele.
Kerámia 100 nano környékén véget ér, tantál lehetett az a 10 mikros
Most linkelni nem tudom, hol találtam azt a blogot, de valaki lebontotta a 32mz fedelét, hogy megnézze, mi van alatta, és mintha olyasmit írt volna, hogy 180 nanométeresnek tűnik a cucc a régi 250-eshez képest.
Samsungék reklámoltak egy olyat, hogy 10 nanométeren gyártottak 128 gigabites ddr tokot. Valahol ott mozog most a top csapat.
Találtam egy ilyet: http://www.siliconchip.com.au/Issue/2013/December/A+Look+At+The+New...roller. A jobb oldalon írja, hogy a TSMC 90nm-en gyártja a 32mz-t.
Oké, a jelek szerint a kondenzátorokból valami kimaradt nekem
Elég sok minden "megfordult" most itt(gyártástechnológia C stb..) és az jutott eszembe, hogy a dsPIC-ben lévő DSC és a PIC32-ben lévő FPU által nyújtott lehetőségeket az XC16 és XC32 kihasználja?
Nekem itten a zacsiban épp' egy 100µF-os és egy 220µF-os kerámiakondi lapul. (6,3V)
A hozzászólás módosítva: Jún 14, 2016
Nem teljesen egyértelmű a válaszod számomra. Szóval a beépített fv.-ek alatt azt érted, hogy mondjuk írok *(szorzás) jelet akkor arra a C meghív egy fv.-t és kihasználja a hw.-t?
Mert például az XC16-ban találkoztam a DSC-hez összerakott fv.-el pl.: FFT de ez jóval összetettebb, mint egy szorzás.
Ha éppen vannak projectjeid, amik használni kívánnak olyan erőforrásokat, gondolom könnyedén írni tudsz egy lehető legkisebb main()-t, ami épp csak a kérdéses funkció felhasználásából áll (részemről semmi olyasmim nincs most, de még XC-m sincsen telepítve). A linkert elvileg fel lehet paraméterezni asm listafile készítésére is. Simán csak lefordítod a progit, és az asm kimenetben ott lesznek az utalások a célhardverre - ha ott lesznek. Ha lecsekkoltad, légyszi írj fel ide egy note-ot róla, had legyünk képben mind.
A kontroller-specifikus változókra (pl.:_Fract, _Accum), ill. beépített függvényekre (pl.: __builtin_mac) gondolok. Én biztos vagyok benne hogy a fordító kihasználja a hardver nyújtotta lehetőségeket (pl. lebegőpontos ALU) és nem fapadosan old meg pl. egy lebegőpontos osztást. (kivonás, léptetés, összehasonlítás)
A hozzászólás módosítva: Jún 14, 2016
Nekem segített Hp41C a porszívó javításban.
Elektrolit kondenzátor volt, most már kerámia van benne.
Köszi az infót!
Végkövetkeztetés: Vcap-ra kerámiát kell használni 10-47µF tartományban.
Na ez még nekem is új!
Ha nem titok, hol vetted? A hozzászólás módosítva: Jún 15, 2016
Itt a munkahelyemen használunk ilyet, tehát nem én vettem.
Viszont bármely valamirevaló elektronikai áruházban kapsz; pl.: TME A hozzászólás módosítva: Jún 15, 2016
Most nálam is aktuális lett a dolog. Akkor a VCAP-ra nyugodt szívvel mehet a kerámia?
Mi a gond a kerámiával? Tán' nem szimpatikus?
Szisztok!
A Vcap-hoz tantál kondi sem jó? Szerk.: közben jött is a válasz. Meg is ilyedtem, mert az eddigi projektekben tantál volt. A hozzászólás módosítva: Jún 15, 2016
Igen olvastam a doksit, de inkább a tapasztalatban bízok mint a Microchipben. Meg nekem a tantál jobban "hangzik" oda mint egy kerámia, de ha lehet akkor lehet
. És nyák tekintetben is jobb mert kevesebb helyet foglal.
A kerámiakondiknak jobb az ESR értéke és magasabb hőmérsékletet bírnak, így azok előnyösebbek kapcsolóüzemű tápokhoz, továbbá kevésbé hajlamosak az eldurranásra. (A tantál kondik elég csúnya dolgokat tudnak művelni.)
|
Bejelentkezés
Hirdetés |







Ha nem titok, hol vetted? 

. És nyák tekintetben is jobb mert kevesebb helyet foglal. 




