Fórum témák

» Több friss téma
Fórum » Erősítő mindig és mindig
Mielőtt kérdezel, a következő két dolgot ellenőrizd! I. A helyes tápfeszültségek megléte. II. A kimeneten van-e egyenfeszültség. Élesztés.
Lapozás: OK   1870 / 2582
(#) krisz69 válasza videoton6363 hozzászólására (») Jún 20, 2016 /
 
Nekem csak anyi az érdekes a dologban. Hogy meghúz a relé. Ha jelzem ha van benne védelem . Akkor nem húzhatna meg a relé ! És nem kerűlhetne egyen fesz a kimenetre. Másik egy kérdés lenne végig méricskélted a tranzisztorokat a panelen ?
(#) Buvarruha válasza krisz69 hozzászólására (») Jún 20, 2016 /
 
Gondolom nem tápfeszig akad ki, csak néhány volt DC van a kimeneten és arra nem reagál a védelem, ha ez igaz, akkor nem is a végtranzisztorok hibásak.
(#) latyakosa válasza Primary hozzászólására (») Jún 20, 2016 /
 
A következőt gondoltam, vennék még 4 db TDA2030-t és 2db TDA2050.
A magasakat elég lenne a hidalt tda2030-ról hajtani, a 4 db mély-közép hangszórónak hidalva lehetne küldeni a TDA2050-ről. Mivel trafóból csak egy van, a központi dobozba csak a tápegységet és az előfokozatot (kis kimeneti ellenállású buffer) tenném. Így elég 2 eres vezeték a tápnak, és egy eres árnyékolt vezeték az oldalankénti meghajtáshoz.
A hangváltót passzív szűrőkkel valósítanám meg az erősítő bemenetén.
Milyen hangsugárzókat tervezel használni, nagy az érzékenységbéli eltérés a magas és a mély-közép között ?
(#) latyakosa válasza Letiodj hozzászólására (») Jún 20, 2016 /
 
A disszipálandó hőtől a bakelit nyák szenesedhet.
Mi a pontos típusszáma az erősítőnek ? A Sanyo V38-l nem mentem sokra

Javaslom fotózd körbe a készüléket és a belsejét, a panelt alulról is, hogy lássuk mivel állunk szemben!
(#) Letiodj válasza latyakosa hozzászólására (») Jún 20, 2016 /
 
Az aljáról majd holnap mert már távol vagyok tőle.
(#) latyakosa válasza Letiodj hozzászólására (») Jún 20, 2016 /
 
Az stk végfok IC meghibásodás elég valószínű, de ne legyen igazam..
(#) Primary válasza latyakosa hozzászólására (») Jún 20, 2016 /
 
Nem ragaszkodom a TDA IC-khez. Szóval ha venni kell még 6 darabot, akkor inkább kerítek egy másik megoldást.
A VF3 kellően olcsó, és az IRF540, IRF9540 ha jól nézem bővel elboldogul tizen amperekkel. Egyedül az a bajom, hogy semmi védelem nincs benne.
(#) videoton6363 válasza Buvarruha hozzászólására (») Jún 20, 2016 /
 
Üdv!

A relét valaki szándékosan áthidalta. Valószínüleg így próbálták áterőszakolni rajta az erősített jelet. A végtranyókat nem tudom kimérni, mert nincs csipogós multim, csak sima.
(#) latyakosa válasza videoton6363 hozzászólására (») Jún 21, 2016 /
 
Ha tud a multimétered ellenállást mérni, akár azzal is ellenőrizhető a tranzisztor működése .
(#) voodoo válasza videoton6363 hozzászólására (») Jún 21, 2016 /
 
Szia!

Akkor valószínű, hogy a végtranzisztorok zárlatosak, elképzelhető, hogy forrósodik is. Mind két oldal kimenetén egyforma a hibajelenség?
Ne hangszóróval ellenőrizd, hanem a kimenetre tégy V mérőt és 1 másodpercig kapcsold be, csak úgy kíváncsiság képp mit mutat?
(#) latyakosa válasza Primary hozzászólására (») Jún 21, 2016 /
 
hidalt vf3 ?
(#) Primary válasza latyakosa hozzászólására (») Jún 21, 2016 /
 
Most olvasgatom a topicjat.
(#) zotya1983 válasza videoton6363 hozzászólására (») Jún 21, 2016 /
 
Nem kell csipogós legyen,sima dióda állásban ellenőrizhető az hogy működnek e mindegyik megfelelően.E-C-B lábak közt egyik irányban sem mérhetsz zárlatot vagy szakadást.Ha ez így van akkor a tranzisztor nem működik...4-700 as érték közt diódát (nyitófeszültséget) fogsz mérni ha jók...De ha pl fordítva mindkét irányban mérőcsúcsot felcserélve semmit nem mérsz akkor is rossz a tr.Néha Ezt az oldalt nem árt segítségül hívni.Ha van HFE érték mérő a műszereden akkor akár az is jó szolgálatot tesz,összevetve a többi tranzisztorral nagy eltérések nem lehetnek,ha csökkenő erősítést mutat az általában már gyanús...
A hozzászólás módosítva: Jún 21, 2016
(#) Buvarruha válasza zotya1983 hozzászólására (») Jún 21, 2016 /
 
Ha záróirányban is mérsz rajta valamit akkor hibás a tranzisztor, csak bázis emitter és bázis kollektor között mérve lehet bármiféle értéke és csakis egy irányban, ha bármi más módon mérhető rajta valami, akkor hibás.
(#) zotya1983 válasza Buvarruha hozzászólására (») Jún 21, 2016 /
 
(Igen) köszönöm a kijavítást...
(#) Karesz 50 válasza misi93 hozzászólására (») Jún 21, 2016 /
 
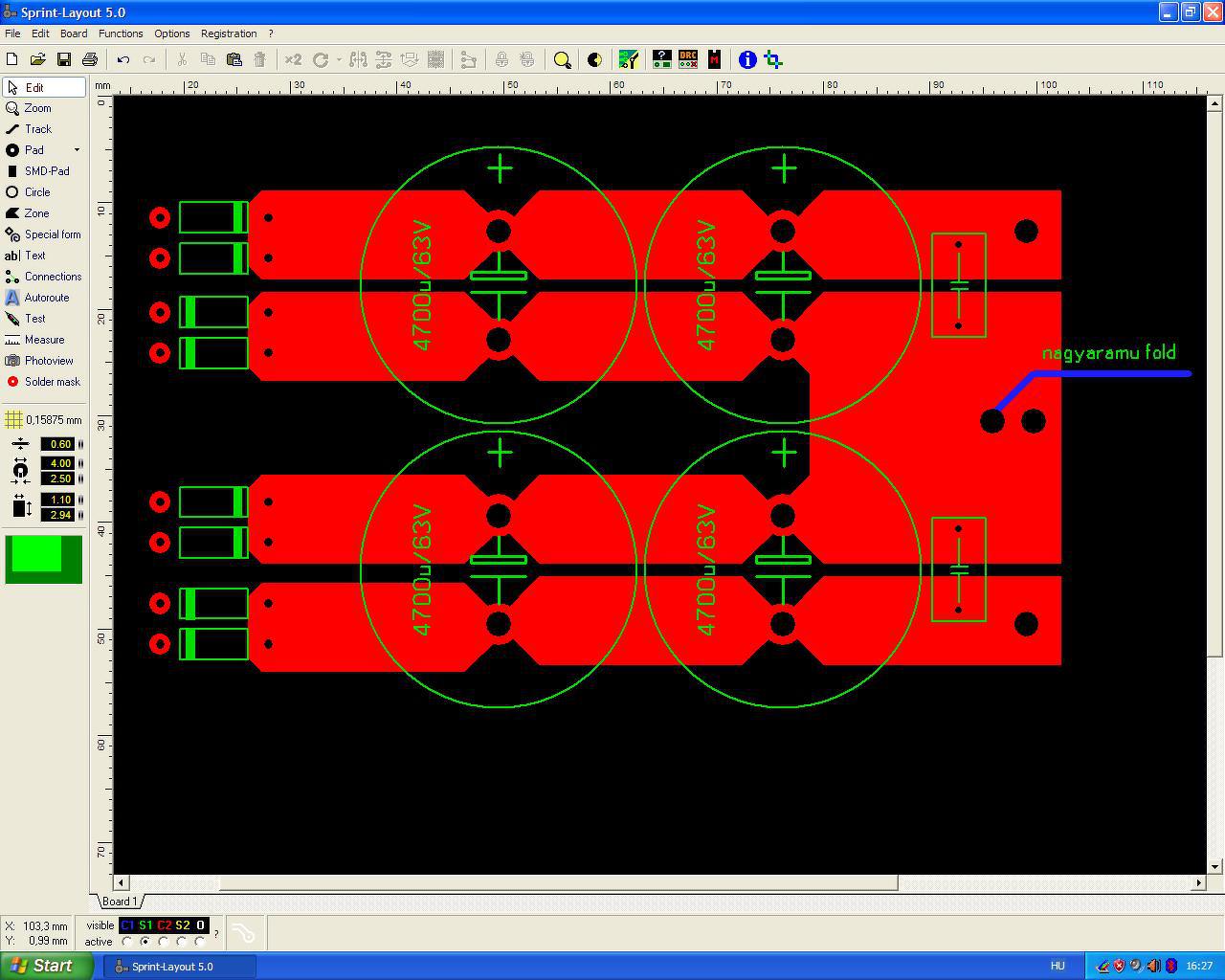
Még annyit hozzáfűznék... ha nekem erősítőt kellene csinálnom, valahogy így rajzolnám meg a nyákot.

puffer.JPG
    
(#) Alkotó válasza Karesz 50 hozzászólására (») Jún 21, 2016 /
 
Elmondanád, milyen előnyt jelent a kondenzátor lábainál a jelentős elvékonyodás?
(#) tomi1990120 hozzászólása Jún 21, 2016 /
 
Sziasztok meg mindig az Akai am32-es erositovel kinlodok.Nem tetcik a nyugalmi arama vagy en nem ertek hozza de azt irjak a service manualban hogy azon a ket tüsken a vegfoknal 20mV-ot kene merni de en bekapcsolastol kezdve mertem egyik fele olyan 70-75-nel allt be a masik meg olyan 55-60mv kozott.Azt szeretnem kerdezni hogy ezeket azokkal a kis trimerekkel be kene allitani 20mv-ra?Ettol melegedhetnek azok a kis tranzisztorok a nagy nyugalmi aramtol?
(#) Karesz 50 válasza Alkotó hozzászólására (») Jún 21, 2016 / 4
 
Így nem tudja "megkerülni" a puffert az áram. A pufferkondi szűri a tápot. Balról belemegy a lüktető egyenáram a kondiba, jobbról kijön a szűrt egyenfeszültség. Az áramimpulzusok csúcsait úgyis a kondinak kell "elnyelnie", tehát felesleges köré a vezeték amin kúszóáramok tudnak kialakulni.
Ezt "katt" verte bele a buta kis fejembe.
(#) Alkotó válasza Karesz 50 hozzászólására (») Jún 21, 2016 /
 
Köszönöm a magyarázatot.
(#) Kovidivi válasza Karesz 50 hozzászólására (») Jún 22, 2016 /
 
Szerintem ez túlzás. Bárcsak valaki készítene rendes méréseket.
(#) Karesz 50 válasza Kovidivi hozzászólására (») Jún 22, 2016 /
 
Az "A" ábrán húztam egy 5mm széles vezetősávot a Graetz-től a kimenetig. Ezt helyettesíthetem a "B" szerinti 2db 2.5mm-es vezetősávval. Ha akarom, nézhetek rá úgy is, hogy a Graetz-et közvetlenül a kimenetre kötöttem egy másik vezetékkel. A "C" ábrán kb. a valósnak tekinthető ellenállásértéket rajzoltam be. (Az impedanciákkal tele rajzolgathatnék egy A4-es lapot, de ezt most nem teszem meg és túl sok értelme sem lenne.) Azonnal szemet szúrhat, hogy a pufferek belső ellenállása ki tudja kényszeríteni a hozzávezetésekből azt a külső - nevezzük úgy, hogy kúszóáram utat.
Persze ez csak egy elmélet. Lehet másképp is csinálni, mindenkinek saját ízlése és belátása szerint.
(#) Ge Lee válasza Kovidivi hozzászólására (») Jún 22, 2016 / 1
 
Nem túlzás, de mondjuk egy közepes teljesítményű végfokban nem sok jelentősége van. Le lehet modellezni, a dolog lényege abban rejlik, hogy az áram a forrásból (trafó) a terhelés felé igyekszik. Ha az adott pillanatban a kondi nem vesz fel akkora áramot mert éppen töltött, akkor a terhelés a trafó felől is fog húzni áramot, ha van út ahol "meg tudja kerülni" a kondit. Ugye nekünk az nem jó, az a jó, ha a terhelés közvetlenül a kondiból húzza ki a töltést.
Gyors és nagy áramváltozásoknál van ennek igazán jelentősége (pl. kapcsolóüzem), nem csak az ellenállások hanem az induktivitások miatt is. De ha megrángatod mondjuk egy labortáp kimenetét nagy árammal (dinamikus viselkedés), ott is mérhető a kimeneten a "rossz nyákterv".
(#) Karesz 50 válasza Ge Lee hozzászólására (») Jún 22, 2016 /
 
Még annyit hozzáfűznék ehhez, hogy az analóg végfokban is vannak gyors és nagy áramváltozások és az analóg erősítőnek is van impulzusátvitele. Itt is villámgyorsan ki kell nyitni és le kell zárni a végfeteket és itt is van összenyitás a két végfet között. (Ezt szépen ki is lehet mérni.) Extrém esetben egy rossz nyáktervnél előfordulhat, hogy nem is a nagyjelű erősítő vezérli a buffer fokozatot, hanem maga a nyák "vezetékezése".
(#) Alkotó válasza Karesz 50 hozzászólására (») Jún 22, 2016 /
 
A kondenzátor lába körüli forrszem méretét azért nem lehet szabadon csökkenteni, mert ezt tartja a kondenzátort a helyén, ez a mechanikai rögzítés is egyben.
Az ábrád eltolt vonalvezetésétől eltérően rajzoltam egy szimmetrikusan befutó vonalat, és egy jó nagy pöttyöt a kondenzátor lábához. Ebben az általánosan alkalmazott megoldásban milyen buktatót látsz?
(#) MikulaSan hozzászólása Jún 22, 2016 /
 
Sziasztok. Problémába ütköztem miszerint beszereztem egy nyáktervet viszont nem tudom hogy hogy méretezzem át a nyomtatási méretre. Sajnos fogalmam sincs mekkora volna az az adott méret melybe át kellene alakítani. Mellékeltem a nyáktervet és a beültetési rajzot hátha segít. Ez egy tda2005-el kompatibilis rajz. Ha valaki segítene és lekicsinyítené számomra hálás lennék.
(#) szamóca válasza Alkotó hozzászólására (») Jún 22, 2016 /
 
Néhol látni ilyen kialakítást. A nagy teljesítményeknél a nevesebbek huzaloznak, síneznek.
(#) bereczk.jans válasza MikulaSan hozzászólására (») Jún 22, 2016 / 1
 
Pl. a nyák rajzot átteszed wordl szövegszerkesztőbe. Fölötte és alatta én m és n karakterekből csinálok egy sornyit. Ha pontosabb akarsz lenni akár pontokkal teszed. Csinálsz próba nyomtatást, megméred az első és az utolsó IC láb hosszát és összehasonlítod a tényleges hosszal és annyi %-kal megnöveled a képet a sarkánál fogva. A kontrol karaktersorhoz viszonyítva játszol. Amit magad is megtehetsz olyan dolgokban nem muszály mások segítséget kérni! Persze kapcsolási rajz szerkesztőkkel is meglehet csinálni.
(#) reloop válasza szamóca hozzászólására (») Jún 22, 2016 /
 
Szia! A Dartzell és a Luxman táp puffermezeje ugyan látványosabb, de igénytelenebb a másik kettőnél.
(#) Buvarruha válasza reloop hozzászólására (») Jún 22, 2016 /
 
Szerintem is, a luxman kifejezetten rossznak tűnik, mivel szinte egy pontba érkezik a trafó és távozik tövább a GND, a pufferek meg a lemez végén vannak. Én szimetrikusnál elválasztom a kondik lábánál a vezetősávot, majd utána összekötöm és így tovább, ha több kondi van és ez eddig nagyon bevált.

GNDPCB.jpg
    
Következő: »»   1870 / 2582
Bejelentkezés

Belépés

Hirdetés
XDT.hu
Az oldalon sütiket használunk a helyes működéshez. Bővebb információt az adatvédelmi szabályzatban olvashatsz. Megértettem