Fórum témák
» Több friss téma |
Mielőtt kérdezel, a következő két dolgot ellenőrizd!
I. A helyes tápfeszültségek megléte.
II. A kimeneten van-e egyenfeszültség.
Élesztés.
Nekem csak anyi az érdekes a dologban. Hogy meghúz a relé. Ha jelzem ha van benne védelem . Akkor nem húzhatna meg a relé ! És nem kerűlhetne egyen fesz a kimenetre. Másik egy kérdés lenne végig méricskélted a tranzisztorokat a panelen ?
Gondolom nem tápfeszig akad ki, csak néhány volt DC van a kimeneten és arra nem reagál a védelem, ha ez igaz, akkor nem is a végtranzisztorok hibásak.
A következőt gondoltam, vennék még 4 db TDA2030-t és 2db TDA2050.
A magasakat elég lenne a hidalt tda2030-ról hajtani, a 4 db mély-közép hangszórónak hidalva lehetne küldeni a TDA2050-ről. Mivel trafóból csak egy van, a központi dobozba csak a tápegységet és az előfokozatot (kis kimeneti ellenállású buffer) tenném. Így elég 2 eres vezeték a tápnak, és egy eres árnyékolt vezeték az oldalankénti meghajtáshoz. A hangváltót passzív szűrőkkel valósítanám meg az erősítő bemenetén. Milyen hangsugárzókat tervezel használni, nagy az érzékenységbéli eltérés a magas és a mély-közép között ?
A disszipálandó hőtől a bakelit nyák szenesedhet.
Mi a pontos típusszáma az erősítőnek ? A Sanyo V38-l nem mentem sokra ![]() Javaslom fotózd körbe a készüléket és a belsejét, a panelt alulról is, hogy lássuk mivel állunk szemben!
Az aljáról majd holnap mert már távol vagyok tőle.
Az stk végfok IC meghibásodás elég valószínű, de ne legyen igazam..
Üdv!
A relét valaki szándékosan áthidalta. Valószínüleg így próbálták áterőszakolni rajta az erősített jelet. A végtranyókat nem tudom kimérni, mert nincs csipogós multim, csak sima.
Ha tud a multimétered ellenállást mérni, akár azzal is ellenőrizhető a tranzisztor működése .
Szia!
Akkor valószínű, hogy a végtranzisztorok zárlatosak, elképzelhető, hogy forrósodik is. Mind két oldal kimenetén egyforma a hibajelenség? Ne hangszóróval ellenőrizd, hanem a kimenetre tégy V mérőt és 1 másodpercig kapcsold be, csak úgy kíváncsiság képp mit mutat?
Nem kell csipogós legyen,sima dióda állásban ellenőrizhető az hogy működnek e mindegyik megfelelően.E-C-B lábak közt egyik irányban sem mérhetsz zárlatot vagy szakadást.Ha ez így van akkor a tranzisztor nem működik...4-700 as érték közt diódát (nyitófeszültséget) fogsz mérni ha jók...De ha pl fordítva mindkét irányban mérőcsúcsot felcserélve semmit nem mérsz akkor is rossz a tr.Néha Ezt az oldalt nem árt segítségül hívni.Ha van HFE érték mérő a műszereden akkor akár az is jó szolgálatot tesz,összevetve a többi tranzisztorral nagy eltérések nem lehetnek,ha csökkenő erősítést mutat az általában már gyanús...
A hozzászólás módosítva: Jún 21, 2016
Ha záróirányban is mérsz rajta valamit akkor hibás a tranzisztor, csak bázis emitter és bázis kollektor között mérve lehet bármiféle értéke és csakis egy irányban, ha bármi más módon mérhető rajta valami, akkor hibás.
Még annyit hozzáfűznék... ha nekem erősítőt kellene csinálnom, valahogy így rajzolnám meg a nyákot.
Elmondanád, milyen előnyt jelent a kondenzátor lábainál a jelentős elvékonyodás?
Sziasztok meg mindig az Akai am32-es erositovel kinlodok.Nem tetcik a nyugalmi arama vagy en nem ertek hozza de azt irjak a service manualban hogy azon a ket tüsken a vegfoknal 20mV-ot kene merni de en bekapcsolastol kezdve mertem egyik fele olyan 70-75-nel allt be a masik meg olyan 55-60mv kozott.Azt szeretnem kerdezni hogy ezeket azokkal a kis trimerekkel be kene allitani 20mv-ra?Ettol melegedhetnek azok a kis tranzisztorok a nagy nyugalmi aramtol?
Így nem tudja "megkerülni" a puffert az áram. A pufferkondi szűri a tápot. Balról belemegy a lüktető egyenáram a kondiba, jobbról kijön a szűrt egyenfeszültség. Az áramimpulzusok csúcsait úgyis a kondinak kell "elnyelnie", tehát felesleges köré a vezeték amin kúszóáramok tudnak kialakulni.
Ezt "katt" verte bele a buta kis fejembe.
Szerintem ez túlzás. Bárcsak valaki készítene rendes méréseket.
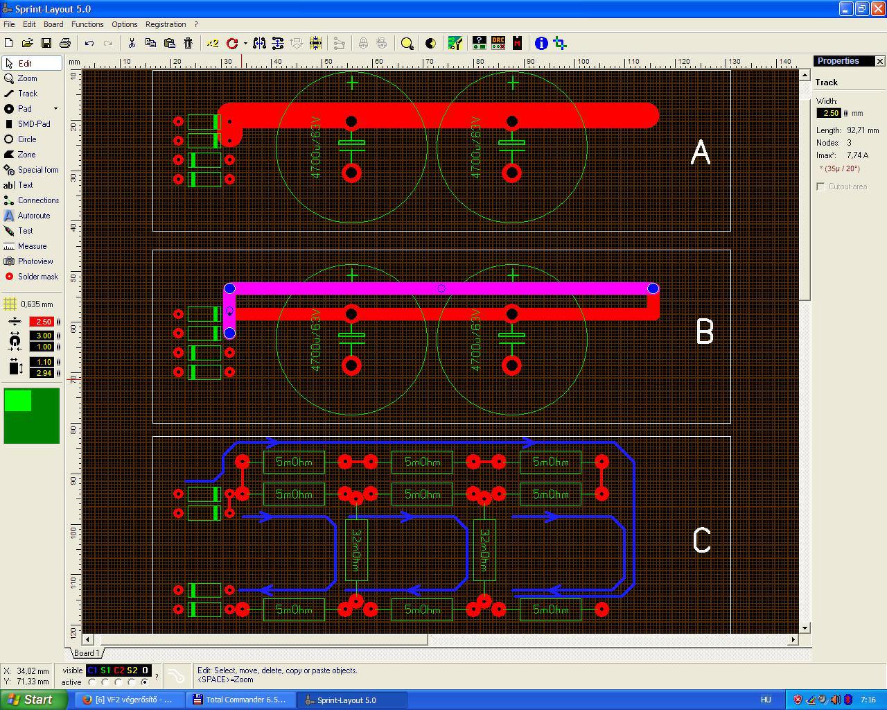
Az "A" ábrán húztam egy 5mm széles vezetősávot a Graetz-től a kimenetig. Ezt helyettesíthetem a "B" szerinti 2db 2.5mm-es vezetősávval. Ha akarom, nézhetek rá úgy is, hogy a Graetz-et közvetlenül a kimenetre kötöttem egy másik vezetékkel. A "C" ábrán kb. a valósnak tekinthető ellenállásértéket rajzoltam be. (Az impedanciákkal tele rajzolgathatnék egy A4-es lapot, de ezt most nem teszem meg és túl sok értelme sem lenne.) Azonnal szemet szúrhat, hogy a pufferek belső ellenállása ki tudja kényszeríteni a hozzávezetésekből azt a külső - nevezzük úgy, hogy kúszóáram utat.
Persze ez csak egy elmélet. Lehet másképp is csinálni, mindenkinek saját ízlése és belátása szerint.
Nem túlzás, de mondjuk egy közepes teljesítményű végfokban nem sok jelentősége van. Le lehet modellezni, a dolog lényege abban rejlik, hogy az áram a forrásból (trafó) a terhelés felé igyekszik. Ha az adott pillanatban a kondi nem vesz fel akkora áramot mert éppen töltött, akkor a terhelés a trafó felől is fog húzni áramot, ha van út ahol "meg tudja kerülni" a kondit. Ugye nekünk az nem jó, az a jó, ha a terhelés közvetlenül a kondiból húzza ki a töltést.
Gyors és nagy áramváltozásoknál van ennek igazán jelentősége (pl. kapcsolóüzem), nem csak az ellenállások hanem az induktivitások miatt is. De ha megrángatod mondjuk egy labortáp kimenetét nagy árammal (dinamikus viselkedés), ott is mérhető a kimeneten a "rossz nyákterv".
Még annyit hozzáfűznék ehhez, hogy az analóg végfokban is vannak gyors és nagy áramváltozások és az analóg erősítőnek is van impulzusátvitele. Itt is villámgyorsan ki kell nyitni és le kell zárni a végfeteket és itt is van összenyitás a két végfet között. (Ezt szépen ki is lehet mérni.) Extrém esetben egy rossz nyáktervnél előfordulhat, hogy nem is a nagyjelű erősítő vezérli a buffer fokozatot, hanem maga a nyák "vezetékezése".
A kondenzátor lába körüli forrszem méretét azért nem lehet szabadon csökkenteni, mert ezt tartja a kondenzátort a helyén, ez a mechanikai rögzítés is egyben.
Az ábrád eltolt vonalvezetésétől eltérően rajzoltam egy szimmetrikusan befutó vonalat, és egy jó nagy pöttyöt a kondenzátor lábához. Ebben az általánosan alkalmazott megoldásban milyen buktatót látsz?
Sziasztok. Problémába ütköztem miszerint beszereztem egy nyáktervet viszont nem tudom hogy hogy méretezzem át a nyomtatási méretre. Sajnos fogalmam sincs mekkora volna az az adott méret melybe át kellene alakítani. Mellékeltem a nyáktervet és a beültetési rajzot hátha segít. Ez egy tda2005-el kompatibilis rajz. Ha valaki segítene és lekicsinyítené számomra hálás lennék.
Néhol látni ilyen kialakítást. A nagy teljesítményeknél a nevesebbek huzaloznak, síneznek.
Pl. a nyák rajzot átteszed wordl szövegszerkesztőbe. Fölötte és alatta én m és n karakterekből csinálok egy sornyit. Ha pontosabb akarsz lenni akár pontokkal teszed. Csinálsz próba nyomtatást, megméred az első és az utolsó IC láb hosszát és összehasonlítod a tényleges hosszal és annyi %-kal megnöveled a képet a sarkánál fogva. A kontrol karaktersorhoz viszonyítva játszol. Amit magad is megtehetsz olyan dolgokban nem muszály mások segítséget kérni! Persze kapcsolási rajz szerkesztőkkel is meglehet csinálni.
Szia! A Dartzell és a Luxman táp puffermezeje ugyan látványosabb, de igénytelenebb a másik kettőnél.
Szerintem is, a luxman kifejezetten rossznak tűnik, mivel szinte egy pontba érkezik a trafó és távozik tövább a GND, a pufferek meg a lemez végén vannak. Én szimetrikusnál elválasztom a kondik lábánál a vezetősávot, majd utána összekötöm és így tovább, ha több kondi van és ez eddig nagyon bevált.
|
Bejelentkezés
Hirdetés |























