Fórum témák

» Több friss téma
Fórum » Rádióamatőrök topikja
Lapozás: OK   137 / 258
(#) szendi001 válasza gtk hozzászólására (») Jún 17, 2016 /
 
Ez RH cucc lesz? Van rajzod róla?
(#) gtk válasza gtk hozzászólására (») Jún 17, 2016 /
 
A BLF-ek profi generatorrol 20 dBm-el voltak meghajta, ezt a teljesitmenyt a bementi trafo ketfele osztja. Igy is tobb mint ami kell neki a 1, 1.5W kimenohoz.
(#) gtk válasza szendi001 hozzászólására (») Jún 17, 2016 /
 
RH cucc. Nincs most keznel a rajz, a panelt mar korabban lattad
A hozzászólás módosítva: Jún 17, 2016
(#) szendi001 válasza gtk hozzászólására (») Jún 17, 2016 /
 
Gerjedés látszik a nyugalmi áramfelvétel jellegén. Közelíts hozzá rezet vagy ferritet, ugrál az áram, ha gerjed a cumó.
(#) gtk válasza szendi001 hozzászólására (») Jún 17, 2016 /
 
Bemeneti jel nelkul a nyugalmi aram rendben van, es teszt utan ha leveszem a bemeneti jelet rola, akkor is rendben van. Viszont ahogy irtam, 20W-ot eszik, ebbol 10 kb ki kellene menjen, es kimegy ~ 2 .. 3 W.
Tovabba 20 dBm bemenonel kellene legyen 90-100 W kimeno. A max aramfelvetel 12.5V mellett kb 1.8 A.
(#) szendi001 válasza gtk hozzászólására (») Jún 17, 2016 /
 
Most jutott eszembe: A ferrit anyaga jó? Ugyanilyen a tünet akkor is ha el van kötve a trafó. Mindkettő volt már nekem is.
(#) gtk válasza gtk hozzászólására (») Jún 17, 2016 /
 
Jovo heten meg ramerek gerjedes ugyben. Sajnos most nincs keznel merestechnika, labortap, stb,.. Csak ertetlenkedek
(#) gtk válasza szendi001 hozzászólására (») Jún 17, 2016 /
 
Ferritek anyaga termeszetesen jo
Gerjedes vagy imedancia illesztes vagy mindkettore gyanakszom. De illesztes ide vagy oda, akkor is a 20W-bol valami csak ki kellene menjen a kimenetre. A kimeneti trafonal az illesztes biztosan jo.
Elkotes alatt mire gondolsz? Bifilarisan tekercselt trafo van a ket fokozat kozott, ket FET hajtja, kozepleagazas van a FETek felol (hidegitve test fele), BJT vegfok bazisai felol egy menet, nincs kozepleagazas.
A hozzászólás módosítva: Jún 17, 2016
(#) pucuka válasza gtk hozzászólására (») Jún 17, 2016 /
 
Egy kapcsirajz jó lenne.
(#) Hetope válasza gtk hozzászólására (») Jún 17, 2016 /
 
Az illesztések nagyon fontosak! Kell tudni hogy a bemeneti rész jól illeszkedik-e mert már ott sokat lehet bukni de ugyan úgy a kimeneti rész is kényes főleg ha széles sávúról beszélünk. Mondok 1 példát . Volt egy 1.5 Wattos QRP készülék és ahhoz kellett volna készíteni végfokot 10Watt betáp mellett. Be lett szerezve egy olyan tranzisztor aminek a felvett egyen áramú teljesítménye 10W és azt írta a katalógus hogy ebből 6W-ot tud 28 megán. A haverok találtak egy könyvben rajzot amely pont 1 tranzisztoros megoldáshoz adták úgy hogy a bemenet is 50Ω és a kimenet is 50Ω. Na a probléma az volt hogy ott légmagos hangolt tekercsek voltak leágazásokkal.
Ilyet nem szabad komolyan venni ! A haverok elkészítették és aztán jöttek hogy valami nem OK. Amikor össze raktam a meghajtást és a végére a műterhelést az volt a jelenség hogy a bemenő 1.5 Watt mellett kijött 2 Watt és közben a végfok maga 2 Ampert fogyasztott 13.5 Voltról! A megoldás az lett hogy toroid trafók lettek alkalmazva de úgy hogy csak az impedanciák lettek a bemeneten leosztva 3Ω környékére ami már közel volt a bázis impedanciához ezért még kellett az emitteren egy kicsit korrigálni. A kollektorban szintén trafó hogy feltranszformáljuk 50Ω - ra. Azután jött az 5 tagú aluláteresztő és illesztő egység AMIDON gyűrűk alkalmazásával. Na ide próbáltam egyéb gyűrűket használni mert azt gondoltam hogy a menetszámok és a kapacitás értékek változtatásával úgyis megtalálom a megfelelő kombinációt de tévedtem mert 2 hónapi kísérletezés után be kellett látnom hogy ez nem így működik. Keress a netten hasonló teljesítményű rajzot és építs olyan illesztő aluláteresztőt olyan alkatrészekből ami már ki van próbálva. Ha jó rajzot pontosan után építed meg lesz az öröm! Ja majd el felejtem a lényeget ! Mivel nagyon jó kis tranzisztor lett választva laboratóriumi körülmények között a 10Watt egyenáramból 8.2 Watt RF jutott a műterhelésre !
A hozzászólás módosítva: Jún 17, 2016
(#) gtk hozzászólása Jún 18, 2016 /
 
Valoszinuleg az a hiba hogy a kollektor folytot elkotottem. Koszi az otletet Szendi. Nincs keznel a cucc csak a kep rola,.. hetfon megnezem.
A hozzászólás módosítva: Jún 18, 2016
(#) Doky586 válasza Hetope hozzászólására (») Jún 18, 2016 /
 
Idézet:
„bemenő 1.5 Watt mellett kijött 2 Watt”

Ilyet nagyon megéri építeni.. nem kell túlzásba vinni..
(#) Hetope válasza Doky586 hozzászólására (») Jún 18, 2016 /
 
Hát igen viccesnek tűnik de ők majdnem sírtak kínjukban.
(#) tomipap válasza Hetope hozzászólására (») Jún 25, 2016 /
 
Ez hogy lehet?
(#) Hetope válasza tomipap hozzászólására (») Jún 25, 2016 /
 
Ha arra gondolsz hogy rettenetesen rossz volt a kihasználtsága az éppen az rossz illesztéseken múlt. Ha nem arra akkor írd meg.
(#) elektroncso hozzászólása Jún 26, 2016 /
 
Sziasztok.
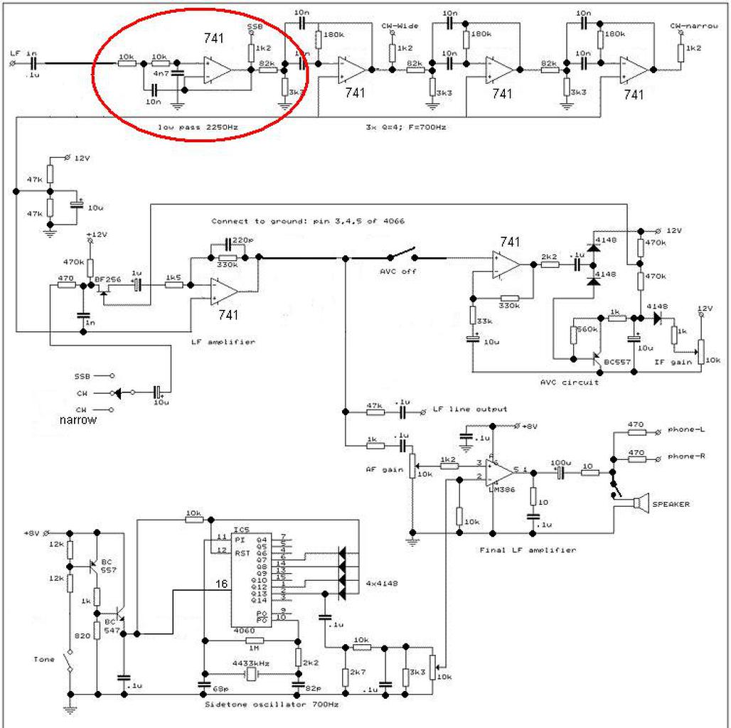
Lenne egy kérésem felétek. Nézzetek rá a mellékelt rajz pirossal bekarikázott részére, működőképes az a rész?
Nemrég találtam rá erre a rajzra, és úgy döntöttem, hogy megépítem, ez lesz a HF fokozat a következő rádiómban. Ma összeszereltem a rajz felső részén lévő szűrőrészt, viszont nem működik rendesen. Ha a bemenetre rákötöm a számítógép hangkimenetét és tápfeszültséget (+12V) is ráadom akkor egyik kimeneten sem jelenik meg a jel. Ha a tápfeszültséget kikapcsolom, akkor a kimeneteken van jel (a 10nF-os kondenzátorokon keresztül kerüli meg a műveleti erősítőket, de természetesen fokozatonként egyre halkabb). Viszont ha a bekarikázott rész műv. erősítőjét kiveszem, a tápfeszültséget pedig ráadom, akkor a bekarikázott részben lévő 10nF-os kondin átjut a jel a következő fokozatba, aminek a kimenetén megjelenik a vágott jel, a CW narrow kimeneten szintén megjelenik a még jobban vagott hang. Vagyis a bekarikázott rész nem működik jól. A paneltervet átnéztem, az jó, és az IC a tápfeszültséget is megkapja. Lehet, hogy rossz a rajz, más részen is találtam elírást. Viszont én kevés vagyok ahhoz, hogy ezt megmondjam.
Illetve valaki el tudná nekem mondani, hogy ezen a konkrét rajzon mely alkatrészek képezik az RC szűrőket?

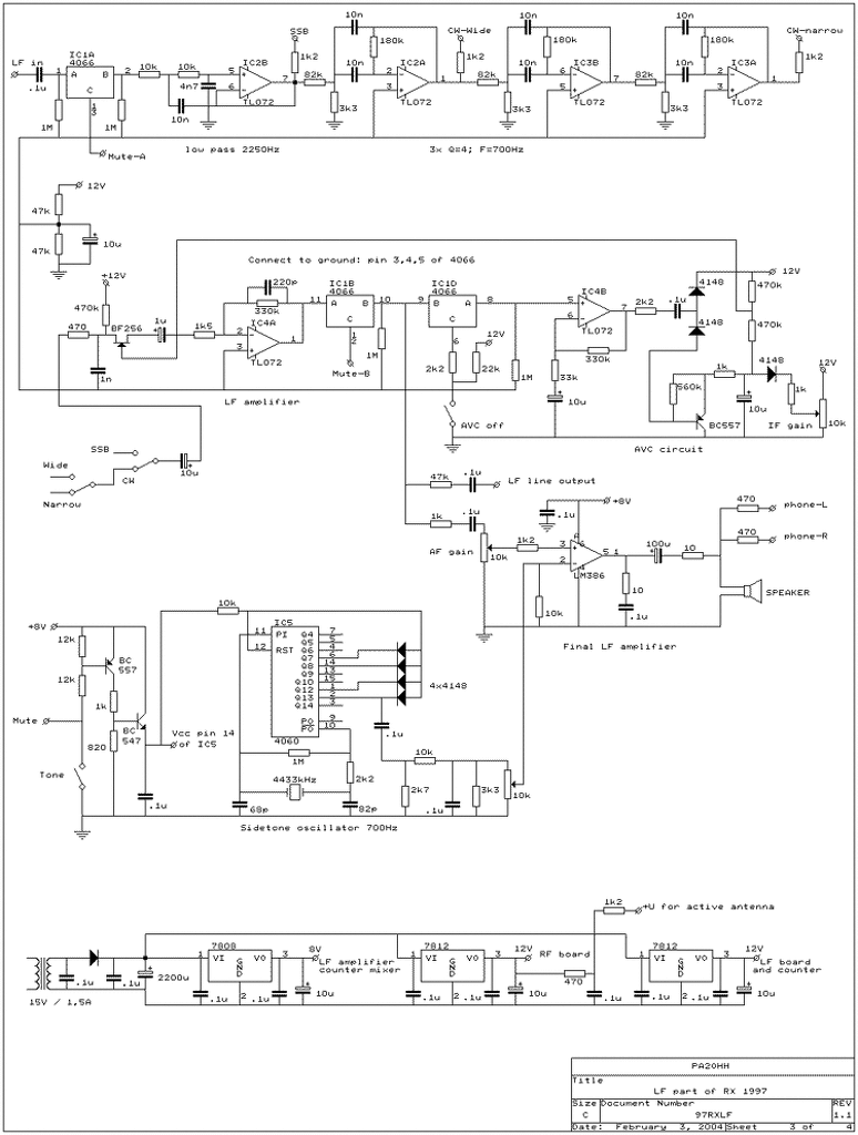
Mellékelem az eredeti rajzot is, amiben elvégeztem pár módosítást, többek között az önhang részben kijavítottam a talált elírást, az eredeti a VCC pin 14 of IC5, de átnézve a helyes: VCC pin to 16 of IC5.
A hozzászólás módosítva: Jún 26, 2016
(#) Gafly válasza elektroncso hozzászólására (») Jún 26, 2016 /
 
Nem, mert lebeg a + bemenet egyenáramúlag.
(#) elektroncso válasza Gafly hozzászólására (») Jún 26, 2016 /
 
Értem. Esetleg a mellékelt módosítást elvégezve jó lehet?
Illetve már megyek és ki is próbálom.
(#) elektroncso válasza elektroncso hozzászólására (») Jún 26, 2016 /
 
Így már működik. Köszönöm a segítséget! Egy 470k-s ellenállást használtam. Úgy látszik én voltam a hülye. Gondolkodás nélkül kivágtam a rajzból a két 1M-s ellenállást, azzal, hogy azok biztos a 4066-oshoz tartoznak. Ezek szerint a többi kihagyott 1M-s ellenállást is be kell tenni az AVC körben. Ezeknek a paneljei még szerencsére nem készült el.

A hozzászólásom végén lévő kérdés még áll.
A hozzászólás módosítva: Jún 26, 2016
(#) Gafly válasza elektroncso hozzászólására (») Jún 26, 2016 /
 
A CD4060 16-os lába a Vcc. Általában a "sarokra" szokták tenni a tápfeszültséget a digitális IC esetében.
(#) elektroncso válasza Gafly hozzászólására (») Jún 26, 2016 /
 
Ezért is rajzoltam át.
(#) szendi001 válasza gtk hozzászólására (») Jún 29, 2016 /
 
Szia GTK! Mi lett a vége? A tarfó volt a hibás?
(#) Doky586 válasza gtk hozzászólására (») Jún 29, 2016 /
 
vagy(?) szendi001:
"Bifilarisan tekercselt trafo van"
ez így AC szempontból egy rövidzárlat. Kapcs rajzot nem találtam, de az kell oda..?
A hozzászólás módosítva: Jún 29, 2016
(#) sdrlab válasza Hetope hozzászólására (») Jún 29, 2016 /
 
82%-os hatásfok ?? Hogy mikkel nem találkozik itt az ember...
Milyen üzemmódja volt annak a tranzisztornak, D ?
(#) Hetope válasza sdrlab hozzászólására (») Jún 29, 2016 /
 
Csak sima C üzem ! Ha nagyon érdekel elkérem a készüléket és megírom a tranzisztor típusát.
A hozzászólás módosítva: Jún 29, 2016
(#) gtk válasza szendi001 hozzászólására (») Jún 30, 2016 /
 
Szia ! Meg nem tudom. A folytot atkotottem, kulonosebb meres stb. nelkul.
Szombaton szeretnek foglalkozni vele.

A napokban vettem egy jelgeneratort (HP 8657B), most mar majdnem teljes a labor. Ezzel kapcs. a cel az hogy a HP E4406A spektr. analizatorral egyutt fogom majd szuro es egyeb meresekre hasznalni. Utobbin van ethernet, elobbit meg GPIB/USB-n tudom vezerelni PCrol.
Igy ha lassabban is, de merni lehet majd vele szuroket, stb. Majd a telen meg a YIG vezerlesnek ujra nekiallok. Ott is lenne 0-2 GHz, vagy 2-4 GHz lehetosegem,..
(#) gtk válasza Doky586 hozzászólására (») Jún 30, 2016 /
 
Bifilarisan tekercselt folyto a kollektor korokben (2 x BJT)
A hozzászólás módosítva: Jún 30, 2016
(#) Doky586 válasza gtk hozzászólására (») Jún 30, 2016 /
 
Bővebben: Link Tehát az induktivitása elhanyagolható. Ha az ohmos ellenállása is akkor az egy sima átkötéssel (rövidzár) egyenértékű.. nem csoda ha nem jön ki belőle szinte semmi. oda 'nagy' induktivitás kéne..
A hozzászólás módosítva: Jún 30, 2016
(#) gtk válasza Doky586 hozzászólására (») Jún 30, 2016 /
 
Ezt most inkabb ne kezdjuk el vitatni. A bifilaris tekercseles az azonos fizikai konstrukcio miatt van. Ket folyto egy magon. Van induktivitasa is.
(#) Doky586 válasza gtk hozzászólására (») Jún 30, 2016 /
 
"Bifilarisan tekercselt folyto"
linkelnél egy képet vagy rajzot vagy bármit róla..?
mert szerintem valamit félreértesz
Következő: »»   137 / 258
Bejelentkezés

Belépés

Hirdetés
XDT.hu
Az oldalon sütiket használunk a helyes működéshez. Bővebb információt az adatvédelmi szabályzatban olvashatsz. Megértettem