Fórum témák
» Több friss téma |
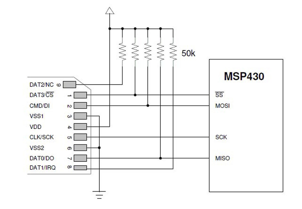
SD, microSD egy kutya, csak a méret más. A neten van pár bekötési rajz. Arra figyelj, hogy 3,3 V-os az SD kártya. Olyan formátumban írsz rá, amilyen neked tetszik. A kezelését viszont a kontrollerből kell megoldani.
Legalább próbálj meg keresgélni egy kicsit. SPI busz kell hozzá.
Annyit szeretnék még kédezni hogy egy telefon audiojelét szeretném a piclábába vinni hogy tegyem hogy később Analogbol digitális konvertáljak de ne süssem meg a picet??
Gondoskodj róla, hogy a jel csúcsértéke ne haladja meg a kontroller tápfeszültségét. Itt van infó: Bővebben: Link.
Igy nem lesz baj???
Bármilyen Tranzisztor jó oda pl bc337???
Keresgélek c-nél magasabb szintű prog nyelv támogatásokat mikrovezérlőkhöz. Bármit, ami van. Talán egy kicsit off, hogy nem csak pic-hez, de mondjuk, hogy pic-hez is, elvégre ami fejlődik, előbb-utóbb eléri a pic-et is. Amit eddig találtam: mikrovezérlő javascript
Mik vannak még?
Ezt én nem értem. Az a kérdés, hogy a teljes program, animációval együtt belefér-e a PIC memóriájába! Igen vagy nem? Ha igen akkor nincs min gondolkodni, ha nem, akkor lehet agyalni, hogy miként bővíted, de a 6% az nagyon nagyon kevés, itt még biztos nincs min gondolkodni.
Így lesz csak igazán nagy baj! Semmi sem korlátozza a PIC-be bejutó áram nagyságát.
5v-os Zénerel tudod korlátozni a PIC-re eső feszültséget, esetleg.
A PIC-re eső áramerősséget pedig egy soros ellenállással tudod szabályozni..
Pl. Flowcode.
Csak az a baj, ahogy "mész följebb", úgy egyre több a hiba, és egyre nehezebb megtalálni (mármint a fordítókban, illetve nem is a fordítóban, hanem a header/cfg..stb fájlokban..). Nyilván, emiatt még lehet használni, sőt, kell is, mert nincs más. Bár nekem a legutóbbi asm projectem bő 3800 sor, és egész jól át lehet látni. ![]() Szerk.: a fenti irományomat inkább a C és társaira értettem. A hozzászólás módosítva: Júl 29, 2016
Azt még hozzátenném, hogy ha LINE szintű jelről van szó az nagyon kevés ahhoz, hogy normális mérést lehessen csinálni belőle. Erre nekem már volt próbálkozásom, de a kivitelezésig nem jutottam el. A kivezezérlésjelző de nem ledekkel topicban megtalálod az ajánlott kapcsolást hozzá.
Idézet: 10k Lehuzó oda rakakok ?? Mint példáúl: nyomógombnál. „Így lesz csak igazán nagy baj! Semmi sem korlátozza a PIC-be bejutó áram nagyságát.”
Soros ellenállás kell a tranyó és a PIC lába közé mondjuk 500-300 ohm körüli.
A hozzászólás módosítva: Júl 29, 2016
Nem mondanám magasabb színtűnek, de én például MikroPascalt használok. De ebből van akár MikroBasic is. Ki mit szeret.
Idézet: „Semmi sem korlátozza a PIC-be bejutó áram nagyságát.” Miért is kéne?
A PIC-ben beépített védelem van, ezért elvileg nincs szükség külső védelemre. Azt, hogy az elvileg szó bekerült annak az az oka, hogy nem dokumentált a beépített schottky védődiódák elektromos jellemzői. Ezért javasoltam a bemeneti áram korlátozását (hasonlóan, mint a zéner diódás stabilizátornál) pár oldallal ezelőtt.
A zéner diódás védelemről márt volt szó itt a topicban, lényege, hogy nem az a jó megoldás. Az audiójel negatív periódusaitól meg nem is véd. kriszrap: Az általad linkelt rajz teljesen értelmetlen és felesleges. Készítettem DsPIC-cel audió analizátort (FFT), ahol a LINE out/ fejhallgató kimenetet egyszerűen rákötöttem az egyik bemeneti lábra (kondenzátoros leválasztással). Máig tökéletesen működik!
Audio jelet rákötöm a pic lábára tisztán ?? (5v zener diód azért ott van és az ohm).
És ha állitani akarom a bemenőjelet potival??? Ennyi? A hozzászólás módosítva: Júl 29, 2016
Az adatlap szerint 25 mA-t lehet egy lábra engedni. Én biztos nem spórolnék el egy 5 Ft-os ellenállást ha azzal a PIC-et megóvhatom.
Igen én rákötöttem zéner nélkül, csak leválasztó kondenzátor került sorba kötve, az is csak azért, mert a tabletem fejhallgató kimenete nem leválasztott. Potmétert beköthetsz, értéke 10kOhm alatti legyen, ezt javasolja a PIC doksija. Természetesen -katalógusadat hiányában- a maximális bemeneti feszültség értéke ismeretlen. Nálam 7-9 volt körül volt az audiójel csúcsfeszülsége. Ez még nem okozott kárt. (A DsPIC 3.3v-os)
pic18f46k22 Használok hogy kössem be a potit???
Elviekben nem lesz baj addig, amíg a pic lábat véletlenül nem kapcsolod kimeneti alacsonyra, miközben audio jelként bemeneti magasat küldesz rá.
Ha meg mersz bízni benne, hogy márpedig te sosem követsz el olyan hibát, és hajlandó vagy rá feltenni azt a pic-et is, akkor jó lesz az úgy, és tranzisztornak is bármilyen npn-t odarakhatsz (igen, bc 337-et is). Ha mégsem bízol magadban annyira, a tranzisztor emitter és pic láb közé rakj oda egy soros 1K-t. Kicsit halkabb lesz tőle a bemenet, de a pic-nek még csak melegedésnyi baja sem lehet azon a módon. Majd amikor már a végleges kapcsolás és program is kiforrottá vált, egyszerűen csak rövidre zárod.
Még vacilálok de tranzisztoros megoldás lesz 1k ellenálásasl al.
Már csak annyi hogy a tranzisztor hogyan "nyitogassam"?? Vagy az audio jel mehet ellenálláson keresztül a bázisra?? Idézet: Ez a kimenetként való működésre vonatkozik. (Ennyi áramot képes szolgáltatni vagy elnyelni a láb) Csakhogy itt most bemenetről volt szó. „Az adatlap szerint 25 mA-t lehet egy lábra engedni.”
A rajzod szerint, ha az audiójel feszültsége eléri, avagy meghaladja a ~0.7v-ot logikai 1 kerül a PIC bemenetére. De csak is akkor, abban a pillanatban!
Ha az a cél, hogy az analóg jel meglétekor H szintet legyen fel a PIC lábán akkor a megoldásod nem jó! A tranzisztor előtt egyenirányítani, pufferelni kellene az analóg jelet. A tranzisztor emittere és a föld közé szintén ~10kohm kell, mert ha a tranzisztor zárt a PIC lába lebegni fog. Amennyiben az audiójel mérése szükséges a tranzisztornak ilyen formában nincs keresnivalója az áramkörben.
Ha A/D konverterrel szeretnéd mintavételezni az analóg jelet:
- El kell tolni a nullpontját a PIC tápfeszültségének felével, - Fel kell erősíteni a jelet, hogy a csúcsértéke elérje a PIC tápfeszültségének felét, - Biztosítani kell a túlfeszültség védelmet már az erősítő elött, - Sávkorlátozni kell a jelet a használni kívánt mintavételezési frekvencia felénél. Ne legyen magasabb frekvenciájú összetevő benne, mint a mintavételezési frekvencia fele. Ha csak az a kérdés, hogy van-e jel a bemeneten: - A CMOS bemenet kb 2.0V felett tekinti magas és 0.8V alatt tekinti alacsonynak szintnek a jelet. - Az ST bemenet 0.8 * Vdd felett tekinti magas és 0.2 * Vdd alatt tekinti alacsonynak szintnek a jelet. - Érdemes felhasználni a belső komparátor egységet - ha van a kiválasztott típusban. Ha az analóg jel szintje lenne érdekes: - A jel szintjét egy külső csúcsegyenirányítóval képezni, a csúcsegyenirányító kimenetét a 0..Vdd tartományra alakítani. A hozzászólás módosítva: Júl 29, 2016
Na az a tervem hogy led kockából Vu meter(nem kell pontosnak lenni . látvány elem) csináljak és potival tudom majd bemenő jelet álltani ennyit szeretnék .ADC-használnék.
A hozzászólás módosítva: Júl 29, 2016
A kapcsolás felső két műveleti erősítője a csúcsegyenirányító valősítja meg. Az erősítést úgy állítsd be, hogy több V nagyságrendű legyen a második erősítő kiementén a jelé, de nem haladja meg a PIC tápfeszültségét. A kimenetet viheted egy PIC analóg bemenetére.
Idézet: „ (Ennyi áramot képes szolgáltatni vagy elnyelni a láb) Csakhogy itt most bemenetről volt szó. ” Bemenet = elnyelni Nem??? |
Bejelentkezés
Hirdetés |












