Fórum témák
» Több friss téma |
Fórum » ICL7106/ICL7107
Értem én, már hogy ne érteném.
A 200 mv-os érzékenységre a 2 V használata esetében 1/10-es, 20 V esetében 1/100-as osztót kellene majd elétenni. A 200 V-os méréshatárhoz pedig simán 1/1000-es osztó kell. Ám az a 3,3 V már bőven felette van a 2 V-os határnak. Az ember kissé fordítva értelmezte, amit leírt. A hozzászólás módosítva: Nov 12, 2015
Szia
Akkor hogy hogy értettem a 3,3V a 2V állásba csak tulcsordúlást fog jelezni. (1xxx) az x szek azért vannak ptt hogy a nem jelenitet digitet lehessen látni. NEKED a 3,3V hoz hogy ki tudjad jelezni 20V os méréshatárt kell beállítani x3,30fog a kijelzőn megjelenni. A 20 az egy megnem jelenithető szám, a meghajtó részéről, mert csak 19,99 tud kijelezni. "Azt írod: - "A 3,3V sajnos kisseb mint a 2V"." elnézésed kérem de itt azt értettem hogy a kijelző csak 2nél kissebet tud megjeleniteni, igy a 2V méréshatárba a3,3V tényleg nem fér bele. Esetleg még annyit hogy a ellenállásokat teheted létra szerüen így 3db ellenállásbol meg lehet oldan a 20V és a 200V oti. Hátul utője hogy 3 ellenállást kell összhangba hozni. Lehet hogy egy helyére kettő vagy három ellenállás fog kerülni (sorba / párhuzamossan ) Semmiképen nem használnák végleges megoldásnak pótmétert. üdv. A hozzászólás módosítva: Nov 12, 2015
Sziasztok!
3d printerem szabályzóján nem jó sajnos a hőmérő. Icl7107cpl-t felhasználva megoldható, hogy 250°C-ig tartson a méréshatár? Köszönöm!
Nem használod a tizedespontot és 2V-os méréshatárt választasz. Ekkor 250mV-nál 250-et fog jelezni.
A hozzászólás módosítva: Dec 5, 2015
Köszi!
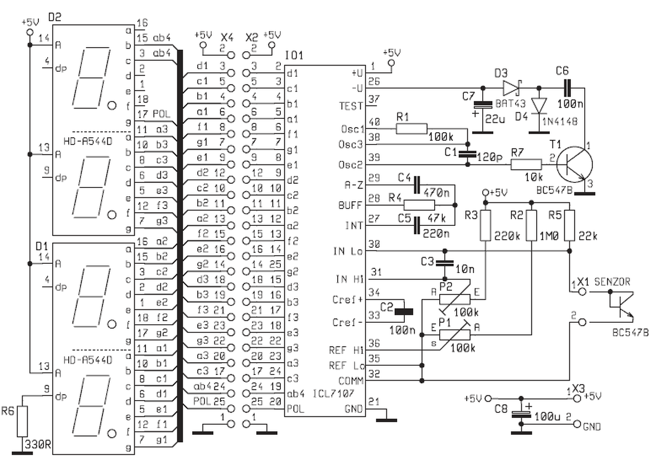
Sziasztok. Elöször is Sikerekben gazdag Boldog Ujévet mindenkinek. Másodszor pedig ime az idei utolso kérdésem hozzátok:Megépitettem az Alkoto akárhány voltos panelméröjét , de rövidrezárt bemenettel ,a REF HI értékét beálitva 100mv ra a testhez képest mérve, sehogysem sikerül 000 kijelzést kapnom. Az egyik panelmérö 004 -et mutat , a másik viszont -(minusz) 004. mi lehet a probléma, Azt szeretném ha leirná valaki hogy melyek a kritikus alkatrészek és mire kell figyelni egy ilyen panelmérö épités esetén, azért hogy a lehetö legjobb eredményt kapjuk végkifejletként? Elöre is köszöntem a joszándékot mindenkinek üdv dddemeter!
Szia
Boldog új évet kívánok én is. "de rövidrezárt bemenettel ,a REF HI értékét beálitva 100mv ra a testhez képest mérve" Sajnos nem jó az elgondolás! A bemenetre 30, és a 31 lábra adsz 100mV és a REF HI t addig tekered amíg a kijelzőn nem lesz 100,0 az érték. "sehogysem sikerül 000 kijelzést kapnom." Ha nem nulla sok minden lehet, de a nulláért a 29 es lábon lévő kondenzátor a felelős. Érdemes stabil ( kicsi hőfokfüggés előny ) választani, ugyan úgy a 33, és a34 lábaknál lévő kondenzátorra is érdemes áldozni, mert ennek a töltését kisülését méri az IC. Típust nem mondanák, mert amit használtam, jelen pillanatba 3helyen kerestem, de hiába. A 0 jelzést még a nyák lemez is okozhatja, Nyákon előforduló szivárgó áramok közre játszhatnak. üdv.
Sziasztok!
Tudna nekem valaki ajánlani 7107-eshez egy megbízható hőmérő kapcsolást? Nekem van 2 rajzom, de azt nem tudom, hogy mennyire lehetnek megbízhatóak. Vagy inkább maradjak az LM35-ösnél és hasonlóak. Elsődlegesen 0-tól +130 °C-ig használnám csak. A tapasztalatokat előre is köszönöm. A hozzászólás módosítva: Jan 6, 2016
Arduino mini pro és DS18b20-on nem gondolkoztál még? Nagyobb pontosságot kapnál valószínűleg. LCD-n is kiírhatnád a hőmérsékletet, vagy ugyanígy megoldható lenne hétszegmenses kijelzőn is. Ha LCD-re írod ki a hőmérsékletet, akkor a programod nagyon egyszerű lesz. De biztosan segítenek az Arduino topicban is. Mondjuk a DS18b20 125fokig mér, -10-től 85fokig garantált a fél fokC-os pontosság. És a legfontosabb, hogy nem kell kalibrálni. Mert a víz, ami forr, az sem 100fokC-os! Az olvadó jég sem 0fokC-os.
A hozzászólás módosítva: Jan 7, 2016
Szia!
A lay-ban megtalálod a kapcsolási rajzot is, meg a nyáktervet is. Nekem hiba nélkül működött!
Szia!
Úgy döntöttem, hogy inkább maradok a Dallas DS1820-nál! Azt tudom, hogy 100%-ig megbízhatóbb mint a diódás és a tranzisztoros megoldás! Mert ha jól tudom, akkor a diódát és a tranzisztort nem arra fejlesztették ki, hogy hőmérsékletet mérjünk vele. "Ez csak egy opció" Találtam is egy egyszerű rajzot + SOFT kipróbálom azt kiderül. De szerintem nagy gond nem lehet vele. Proci van, kijelző van. Arduino-t azért nem akarok, mert egy fix készüléket akarok összerakni dobozolva. Az Arduino meg egy kísérletező eszköz. De azért kösz. Bővebben: Link A hozzászólás módosítva: Jan 9, 2016
Ha nem Arduinot használsz, akkor még talán jobban is jársz!
![]() Csak gyorsan átfutottam, de én hex fájlt nem találtam. Ami forráskód ott van, ahhoz még kellenek a könyvtárak, de még az include rész sincs a programban, de az LCD kezelés, se a 1-Wire protokollt kezelő rész. A hozzászólás módosítva: Jan 9, 2016
Nem vitatom a pozitív véleményed a DS1820-ról, én is használom. Nagy előnye, hogy valós érték jön tőle, nem kell a hitelesítéssel szórakozni.
Idézet: „Mert ha jól tudom, akkor a diódát és a tranzisztort nem arra fejlesztették ki, hogy hőmérsékletet mérjünk vele. "Ez csak egy opció"” Belül abban is dióda a szenzor - mi más lenne, hiszen annak a 2mV/fokC változása lineáris.
Szia!
Nézem a nyák tervet, tetszik, csak nem világos... Egyoldalon van az IC és a kijelző? - átfedéssel? - vagy csak nem látom helyesen a lényeget?
Szia!
Rosszul látod. A kijelző a fólia oldalon van. A sárga színű alkatrészek kerülnek a fólia oldalra, a pirosak az alkatrészoldalra. A nyákterv ennek megfelelően vasaláshoz készült. Mivel a 7107 foglalatban van, elfér alatta a dióda, meg az átkötés. A hozzászólás módosítva: Jan 9, 2016
Sziasztok!
Abban kérek segítséget, hogy valamilyen megoldással 06-tal led szegmens kijelzőt hajtsak meg. Ugyanis 06-om van és led kijelzőm, és egyikre sem akarok különösképp költeni.
Hello! Értelmetlen dolog. Az LCD-t egész másként hajtják meg és az áram tartománya is más. De ha "egyszerű paraszt ésszel gondolkodol", szerinted gyártanánk két fajtát, ha a két feladatra megfelelne csak az egyik is?
Természetesen nem véletlenül két különböző alkatrészt gyártanak, csak egy felvetés volt, hogy hátha... De akkor muszáj leszek LCD-ket venni!
A hozzávaló LCD kb ugyanannyiba kerül, mint az IC (kb 6-700Ft), nem szabad ezzel tölteni az időt, hogy faragsz hozzá 23 tranzisztoros áramkört...
Pedig valami hasonló megoldáson törtem a fejem, de nem éri meg a ráfordított időt valóban.
Nézegetem a hozzá való lcd-ket, de az a 6-700Ft nettó összeg, bár bruttóban sem egy vagyon az az 1000-1200Ft. Így csak a nyákon kell igazítani kicsit. Egyébként más a nyák a két IC-nek? Itt szinte mindenki ledessel mürmöl, és nekem is ledes tevem van. Még nem ültem neki összehasonlítani a két kapcsolást.
Kicsit kell csak változtatni, mert az LCD-hez van egy BP (backplane - közös) láb, ami a LED-esnél valami más. Épp hirdet valaki az apróban LCD-s kütyü roncsokat, abban panelestül van...
Hello! Semelyik. Azt külön kell megoldani. Általában XOR kapuval szokás, ahol az egyik bemenetre a BP (BackPlane) csatlakozik, másikra a vezérlőjele. Kimenetére az LCD. Nézz meg egy multiméter rajzot.
#Gyula66
Ez az áramkör 3,5V és 1V közötti feszültséget 0..100%-ként jeleníti meg. Beállításnál, először 3,5V feszültség mellett P1-el beállítod a 0% értéket, és utána 1V bement mellett a 100% értéket. A hozzászólás módosítva: Szept 20, 2016
Nagyon köszönöm. Az lenne a kérdésem, ha LCD-vel szeretném meg csinálni, akkor csak az IC-t kell cserélnem 7106-ra és a kijelzőt LCD-re? Csak azért kérdezem mert elemes üzemmódban tovább bírná. Azt írtad "Beállításnál, először 3,5V feszültség mellett P1-el beállítod a 0% értéket, és utána 1V bement mellett a 100% értéket." A 1000%-ot a P2-vel?
A hozzászólás módosítva: Szept 20, 2016
Nem egészen, mert a 7106-nak más a tápellátása. Ott csak egy tápfesz van, és a referenciát is másképpen kell előállítani. Mert a bementi feszültségek szintje kötött a tápfeszültség pontokhoz képest.
Testvérek. LCD verziónál is lehet negatív tápot adni és akkor lehet közös az INLO és a táp GND.
Köszönöm a választ, akkor maradok ennél a verziónál.
Ha LCD-t szeretnél, akkor ajánlok egy könnyebben járható verziót. Veszel egy PM-438 panelmérőt, és a lenti módon kiegészíted ezzel az áramkörrel. A műszer méréstartományát 2V-ra állítod, és hogy az utolsó előtti tizedespontot jelezze ki. És már kész is vagy..
|
Bejelentkezés
Hirdetés |














