Fórum témák
» Több friss téma |
Fórum » Elektroncsöves indukciós kemence
Témaindító: csavarkulcs, idő: Jún 8, 2016
Cipőt, a cipőboltból. Elő kell keríteni a cső gyári adatlapját, és láss csodát. . .
Tehát akkor mégis csak 4000 voltos anódfesszel megy,
gu-ra váltáskor mit kell módosítani a kapcsoláson, az anódfeszen kívül?
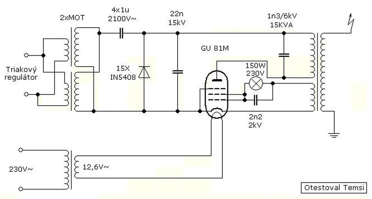
Ezt sikerült alkotnom, kérek egy leellenőrzést, mert nem biztos hogy jó.
A segédrácsot ne kösd a vezérrácsra... annak külön + feszültség kell ( adatlap ).
akkor a 3-as maradhat ott ahol van?
a 4-est hova és hogy kössem?
Nézd meg a cső adatlapján, hány voltra kösd- Ug2-t keress ( 4-es láb).
A 3. láb, g1 a levegőben lóg. Hasonlítsd az elvet egy már feltett rajzodhoz. A hozzászólás módosítva: Aug 5, 2016
Nekem ez orosz.
GU81M-nél pl. 3000 volt anódfesz, 600 volt segédrács ( Ug2 ) oké.
Szépen bemásolod az angol részt google fordítóba és magyar lesz. A hozzászólás módosítva: Aug 5, 2016
Sorban mindent:
Kondik: 10kV kondik még nem tudom hogy hogy legyen jó 16 amperre, a csillám kondi helyett jó a kerámia? Ebből kettő, sorosan A műszereknek A műszerek: 1A 100mA vagy 500mA A tekercseket majd elkészítem, biztosítékot a mikróból szedtem, 0.75A 5kV. A táp egy mikrosütő trafója és magnetronja, és kondenzátora lesz.Tisztában vagyok a magnetron veszélyeivel, ezért eltávolítottam a mágneseket hogy diódaként alkalmazhassam. A hozzászólás módosítva: Aug 5, 2016
Azok a 10kVoltotsak nem eladóak, ezért itt van ez:Bővebben: Link
Bővebben: Link Bővebben: conrad A hozzászólás módosítva: Aug 6, 2016
Szerintem az anódkörben ezek a kondik esélytelenek. Pár másodperc és annyi. Kérdezz rá a rádióamatőr topikban, talán van valakinek pár kW-os adója, milyen típusú és formájú kondikat használ oda RH legalsó sávon.
A GU81 segédrácsnak pedig egy 250 voltos szekunder, feszkétszerezővel egyenirányítva, stabilizálva fetekkel, áramkontrollal. A hozzászólás módosítva: Aug 6, 2016
Csak kondibanknak kiképezve, hogy eloszoljon a terhelés. Ezeket a kondikat nem kimondottan nagyfrekvenciás alkalmazásokhoz találták ki. Rádióadókba való kerámia csőkondenzátorok inkább jók, de azok ritkák.
Nem lesz olcsó mulatság a használható kivitel...
Jobbat nem fogsz találni, az az érzésem... vannak ( voltak ) még egyik végükön felgömb forma csőkondik is, de a tárcsa jobb. Nyilván 4-5 cm átmérővel, vagy cseppet kisebbekből összerakva.
A börzén szokott lenni nagyfrekis, nagy kondi, ott beszerezheted. Félgömb végű cső.
Innen koppintottam.
Egy teslatekercs. A hozzászólás módosítva: Aug 15, 2016
Szereztem egy hegesztő inverterbe való ferrit magot, arra elkészíthetném a kimenő trafót, így nem lenne légmagos, és kevesebb réz kéne hozzá.
Mert 16 amperre, 12méter réz, meg a rézlap, nagyon sokba kerül. Van hozzá csévetest is, meg minden, bontott zománchuzal, litze...
Ha "csak" 450 kHz-ben gondolkozol, oda nagyon jó ferrit kéne és a kilowattokra.
A másik: ilyen "sablon" skiccekkel nem sokra mész... az a "15x1N5408" egy lecsupaszított elvi dolog, meg a 4x1 uF...- ide már sokkal komolyabb műhelyrajzok kellenek. A hozzászólás módosítva: Aug 16, 2016
0.34 légrés van benne, ha jól tudom.
Mellette a GYSMI 165 hegesztőm.
Hogyan tudtad ilyen szépen szétszedni és letakarítani a vasmagot és a csévetestet?
Idézet: „Hogyan tudtad ilyen szépen szétszedni és letakarítani a vasmagot és a csévetestet?” Nagyon egyszerűen. Újat kell venni.
Ezt a burábu-n vettem, direkt hegesztő inverterbe való.
de megfelelő vegyszerekkel biztos egy régiből is lehet újat varázsolni.
Ha a mikró trafó szekunderére gondolsz akkor azt nem lehet buherálni az egész egy tömböt alkot..ami be van lakkozva. A trafó vasról leszedni se egyszerű úgy van rápaszirozva. Ráadásul az újabb mikrókban aluból van a szekunder.
Ekészültem a fojtóval, a kimenővel, és a fűtéssel, a kondi is megvan a táphoz, meg a dióda is, csak még mikrótrafót nem sikerült szereznem, meg kondenzátort. Árammérőket majd veszek.
A munkatekercs kondenzátorát szeretném elkészíteni, üveg dielektrikummal.
Ismertek valamilyen kondnenzátor számoló alkalmazást? Vagy valamilyen precíz mérőműszert? A maxvell nem mért semmit.
Itt találsz ilyent:
Kondenzátor Nem hiszem, hogy találsz hozzá üveget és elég macerás lenne megalkotni.
Az üvegnek nagy a dielektromos vesztesége. A rezgőkörben nagy áramok folynak, nem mindegy.
Mit javasolsz?
|
Bejelentkezés
Hirdetés |


















