Fórum témák
» Több friss téma |
Mielőtt kérdezel, a következő két dolgot ellenőrizd!
I. A helyes tápfeszültségek megléte.
II. A kimeneten van-e egyenfeszültség.
Élesztés.
Sziasztok! Van egy Quadom már egészen befejezésközeli állapotban. 2x110V-ról jár át lett tranzisztorozva, belekerült hangszóróvédelem, motoros potméter, távvezérlés, táv be-kikapcsolás. A motoros potméterrel még küzdök - de van még egy apró nyűgöm. Beépítettem egy olcsó kínai hangszóróvédelmet - ami fel is robbant első alkalommal - de nem adtam fel. Kicseréltem a graetzet, kapott egy erősebb diódát, amin a trafótól kapja a váltót - és már teszi is a be- kikapcsolás védelmet - ahogyan kell. Igaz a 7812-je még meleg, de azt megoldom majd más DC-DC konverterrel. Ami a gondom: Egy Ilyen kék paneles védelmem van. Gyárilag két darab 15k-Ohmon keresztül érzékeli a DC-t a végfokról - ezzel is védve a hangszórókat. Sajnos ez azt eredményezte, hogy kb 30-as hangerő értéknél (100-ig megy a motoros poti skála) már letiltotta a kimenetet. Most ott járok, hogy 100k van betéve és 90-es hangerő környékén tilt. Mivel nem ismerem a kapcsolás logikáját, inkább kérdezek - Találkozott már valaki itt hasonló problémával - megoldással? Nyilván még mérnem is kell jócskán, csak kezd túl sok idő lenni, amit ráfordítottam. Nyilván a végeredményt azért befotózom...
Most is már használható így a végfok, csak szeretném tényleg úgy befejezni, hogy csak felkerüljön a helyére - használatra....
Szia!Nekem nagyon régóta ez van a tda 7294 hídamban,ott is háromnegyed hangerő felett tilt,nem néztem még meg,de valószínűsítem hogy akkor már több dc komponens a kimeneten mint kellene ezért kapcsolgat ki be...Első körben a tápjára gyanakodtam hogy akkor már rángatózhat,de nem...Akkor nem vagyok egyedül a problémával...Itt végülis éppen jókor tílt mert tovább már nagyon nincs is értelme hajtanom.A tiltás nekem műterheléses tesztkor jelentkezett épp a drift elött.
A hozzászólás módosítva: Nov 8, 2016
A végfok kimenetén váltakozó feszültség van jelszinttől függetlenül, szóval nincs DC komponens. Vacak a kütyü, ennyi. Megint csak azt nem értem, hogy ami egyszerű és nagyszerű az miért nem jó. Tettem fel jó régen egy rajzot, 12V-os táp kell neki ami szinte minden dobozban van (vagy nem nehéz csinálni), 12V-os relével, egy egyszerű kis kapcsolás. Nekem a 400W-os végfokomban is szépen teszi a dolgát. Ehhez képest építgetik itt sokan az érdekesnél érdekesebb, meg bonyolultnál bonyolultabb rajzokat. Minek?
A 400 as végfokomban viszont nem kapcsolgatott le ugyanez a koppanásgátló
Semmi baj ezzel teljesen jó kapcsolás.Ugyanúgy elmegy 12-15 v ac vel...
A 7812 bemenetére nem köthetsz akármekkora feszültséget. 40V körül van a maximum.
A lekapcsolást pedig DC okozza a kimeneten. Ha nem billeg a DC munkapontja a végfoknak valami hiba miatt (táp probléma, hibás végfok), akkor a védelem bemenetén kell megnövelni a soros ellenállások után lévő elkó kapacitását. A hozzászólás módosítva: Nov 9, 2016
L7812 -vel sokan nincsenek tisztába sajnos :/ max 40v de ott eszeveszett mód fűt !! Terhelhetősége 1,5A ! Én kisérleteztem már vele. Közel 2 A át lehet rajta tuszkolni. De nagy borda kell neki. Kötöttem már párhuzamosan 2 darabot. Működik. Bár azt hallottam nem biztos hogy párhuzamossan köthetőek. (Mindegy nállam bevált
)
Szia! Az egyszerűség itt is adott. A koppanásgátló része - tökéletesen teszi is a dolgát - miután a graetz egyszer felrobbant
-és rendbe tettem. Persze nem erre a feszültségszintre volt méretezve. Azóta a graetz utáni kondit is kicseréltem, mert jobba békesség. Tehát mint koppanásgátló teszi a dolgát. A DC komponens pedig konkrétan nincs, szkóppal ránéztem. Inkább arra gyanakszom, hogy túl hamar kap akkora vezérlőfeszültséget, amire a tranzisztora már kapcsol. Ha más nem - teszek rá még nagyobb ellenállásokat - előbb utóbb elérek egy kritikus - még elfogadható értéket, csak gondoltam hátha más is kínlódott vele. Egyébként az milyen kapcsolás, amire hivatkozol? A hozzászólás módosítva: Nov 9, 2016
Szia! Ez rendben van - 20V váltót tudok neki adni vagy 24-et . Sajnos ezt a graetz nem bírta. Most egy darab diódáról kapja a 24V-ot - erről viszont el kell mennie gond nélkül még a 7812-nek is - csak így sokat disszipál. Ezért lecserélem mindenképpen egy ugyanolyan 3 lábú DC-DC konverterre. Ezzel sincs gond. Csak azzal, hogy hamarabb kapcsolja le a kimenetet, mint a max teljesítmény. 110W körüli lenne a maximum - jó lenne pont 100W-ra belőni. Vagy éppen 101-re
A hozzászólás módosítva: Nov 9, 2016
Sziasztok! Meg is oldottam magam a kérdést. Volt egy földhurok zaj - problémám, pedig tökéletesnek hittem a kialakítást. Csakhogy mindkét végfok bemenetére bekötöttem az árnyékolást, holott a rendszerföldet már megkapta. Az egyiket kikötöttem, erre megszűnt a földhurok és nem oldott le a védelem sem. Azaz - a kínai védelem jó! Csak tette a dolgát
. Megóvta a hangszórót. Csak tanulságként: a kínai motoros potméterem + földes. Még szerencse, hogy volt egy kis független standby tápom eleve erre kialakítva. Minden csendes, nincs zaj, nincs brumm, megy a kijelző, a távirányító, a védelem. Megy 2x36V-ról és 2x56V-ról is a végfok. Ha megjön hozzá pár kondi, kicserélem az 50V-osokat 80V-osra a végfokpaneleken, akkor megy majd 2x56V-ról. Addig elzenélgetek vele kisebb teljesítményen. Nemsokára fotó Köszi mindenkinek ! A hozzászólás módosítva: Nov 9, 2016
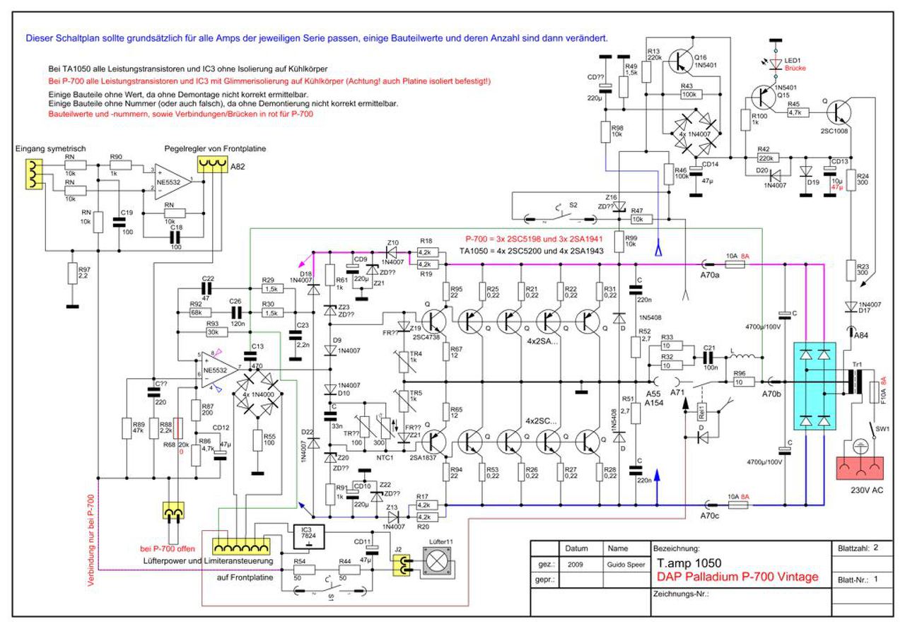
Sziasztok eljutottam addig. Szét szedjem a T-amp 1050 em sokkolt .. Kimeneti rövidzárt kapott. Monden rövidzárba van.
Lehangoló látvány. De annál jobb lesz amikor megjavítod!
Állítólag van rövidzár védelem...ezekszerint nincs.
Ezt az áramkört a legegyszerűbb helyettesíteni: egy darab drót...
Áramot nem igazán tudtam mérni mert ha bekötöttem az ampermérőt(multiméter) akkor nem sistereg folyamatosan, hanem másodpercenként reccsen egyet, gondolom nem kap elég áramot.(így kb 62 mA-t mért) Szerintem nem az ic vel van a gond, mert csináltam új nyákot és kicseréltem az ic-t, de ugyan azt produkálja csak most nincs rajta borda szal 1 másodperc után már forró. Van egy 150nF kondi a rajzon a 12-es láb és vcc között. Ha azt kiveszem akkor nem melegszik, szól, csak eléggé torzít.
Nem tudom hogy kéne megoldani.
Átnéztem tüzetesebben a NYÁK-ot, mert ezek szerint gerjed. Kérlek linkeld be a kapcsolási rajzot ami alapján készítetted! Erre emlékeztet, de ettől kicsit eltértél, viszont az építésed és a rajz ugyan azt a hibát tartalmazza.
Átnéztem megint,és a bemenet nálam az egyes lábon volt, átraktam 5. re.(2 db 47K ellenállással van összeadva a 2 csatorna jele, még a bemeneti kondi előtt, de ez nem zavarhat semmit) Már tiszta a hang, de ha belerakom a 150nF kondit ugyan úgy forrósodik. A rajz egyébként ugyan az, a pdf doksijából néztem, csak nálam 8 ohm-os a hangszóró.
Bejelöltem két fontos részletet ami nálad hiányzik, ha jól látom.
Azok megvannak, most működik rendesen. Azt még mindig nem értem hogy ha az a kondi benne van miért melegszik. Köszi a segítséget!
Sziasztok. Olyanban kérném segítségeteket. A rajzon nincs feltüntetve milyen zénez dioda kell bele. Ezt hogy tudnám megállapítani ? ZD23, illetve ZD 20
A Z21/22 a műveleti tápja, ezért én 15V-osra szavazok. A Z20/23 értéke a következőkből saccolható: Az R94/95-ön esni kell kb 0,6 V-nak, hogy a végtranyók BE könyökét elérje. Ebből adódik, hogy az R65/67-en 0,33V esik darabonként. A két meghajtó tranyó bázisa között ezért kb 2V kell hogy legyen. Ugyanennyinek kell lennie a D10/11+TR??, és a vele párhuzamos NTC1-en eső feszültségnek is. Ez akkor valósul meg, ha az R61/91-en 10 mA körüli áram folyik. Ebből jön ki, hogy a Z20/23 4,7-5,6V körüli lehet.
Sajnos totális káosz van .Minden rossz ami rosz lehet :/ az Ne 5532 nek kigyulladt a lába. El van égve! Még az a szerencsém a szerencsétlenségben. A nyák nyagyából épp maradt.
Továbbra is gerjed az erősítő, hacsak a gyári rajz szerinti C6 pozícióba nem hibás kondit akarnál berakni.
Az 1000µF kondenzátort a végfok panelen kell elhelyezned (!) és a negatív lábáról külön vezetősávon kell elérned egyrészt a jelföldet igénylő C2, C3, C5, R6 alkatrészeket valamint a bemenet testpontját, másrészt a teljesítményföldet, mely IC 4, 7 lábait és C7-et érinti.
Most teljesen jól szól, szerintem nem árt neki az az egy kondi hiánya, nem is melegszik. Új nyákot nem csinálok, se időm se kedvem nincs már hozzá, úgyis csak itthoni zenehallgatásra kell, pl építés közben. Tudom hogy a panelen kéne elhelyezni az 1000µF kondit, de a doboz miatt nem férne el, elolvastam az egész PDF- et ki is jegyzeteltem hogy melyik kondit melyikhez kell közel rakni...
Azt írja hogy c7 c8 azért kell hogy megelőzzük az oszcillációt, de pont hogy akkor kezd el búgni amikor bekötöm c8-at.
Attól a konditól az 1000µF hiányában a tápra kerül a kimenő jel, ebből ered az oszcilláció.
Jó az a kondenzátor? Mert nálam éppen egy kondi okozott jó nagy zárlatot. Kicseréltem, azóta nincs gondom.
Nembaj. Majd ha lesz következő verzió akkor már úgy lesz megcsinálva, egyébként is "ami működik azt ne próbáld meg megjavítani"
![]() Igen jó volt a kondi, frissen ropogósan vettem egyenesen a boltból, de nem azért volt ropogós mert elégett.
Sziasztok!
Ki néztem ezt a kapcsolást,mert van 4 pár 2N3055-MJ2955 s meg szeretném kérdezni,hogy érdemes e bele kezdeni,s hogy szerintetek mennyire élet képes a kapcsolás.Bővebben: Link
Sziasztok.
Mi a véleményetek erről az erősítőről? Egyáltalán a kapcsolás is működőképes e? A nyugalmi áram beállítása eléggé egyszerűnek tűnik.... Milyen minőséget képviselhet? Illetve van e értelme belenyúlni az áramkörbe, hogy a nyugalmi áram beállítása hőfüggő legyen? Mennyi lehet a tápfeszültsége ennek az erősítőnek (én kb. a felső határt 2X90V körül gondolom már csak a végtranzisztorok Uce feszültsége miatt is)? A nyák rajzolatot nem én terveztem, de a netről leszedett forrás tele volt hibával. Ezzel kapcsolatban lenne pár kérdésem. A bemenet föld nem volt összekötve a gnd-el, semmilyen módon. Ezt összekötöttem egy helyen... jó e ez így, vagy máshogyan kell megoldani? A nyákon és a kapcsolási rajzon ugyan nem volt beépítve, mégis raktam egy-egy 100u F25V os kondit a TL071 műveleti erősítő ic tápkörébe szűrés miatt. És ha valakinek van ideje, ha nem teher, nézze át van még hiba a nyáktervbe. utóirat: Közben észrevettem, hogy van topikja ennek az erősítőnek. Ha nem illik ide akkor töröljétek. A hozzászólás módosítva: Nov 16, 2016
|
Bejelentkezés
Hirdetés |




Most is már használható így a végfok, csak szeretném tényleg úgy befejezni, hogy csak felkerüljön a helyére - használatra....

) 










