Fórum témák

» Több friss téma
Fórum » Hegesztő inverter javítás
Lapozás: OK   47 / 119
(#) jimmi12 válasza Hetope hozzászólására (») Okt 24, 2016 /
 
Ez talán segít:
MZ smd jelölés
(#) Hetope válasza jimmi12 hozzászólására (») Okt 24, 2016 /
 
Kösz hogy segíteni próbálsz De már végig turkáltam mindent többek között ezeket is de amikor letöltöd akkor látszik hogy ezek nem is kétlábúak.
(#) zozi83 hozzászólása Okt 27, 2016 /
 
Sziasztok,
IGBT helyettesítésben szeretnék egy kis segítséget kérni kedves kollégák!
Az eredeti : IRGP20B120UDE
Amit találtam helyette a Ret-nél: IRG4PH40UDPBF

A helyettesítésben nincs nagy tapasztalatom ezidáig beszerezhetőek voltak az alkatrészek amiket kerestem.
Feltöltöttem az adatlapokat és a meghajtó áramkört visszarajzoltam a panelról.
Kérdésem, hogy megfelelő lehet a talált alkatrész. Eddigi információim szerint Magyarországi beszerzésből nem vásárolható az eredeti.

Egy 3 fázisú Migatronic inverter javításában vagyok.

Szép napot!
Köszönöm
(#) otvenkilenc válasza zozi83 hozzászólására (») Okt 27, 2016 /
 
A kapcsolási paramétereknél kezdeném a feszültség és áram értékek után.
(#) waldi75 hozzászólása Okt 28, 2016 /
 
Sziasztok.
Adott egy ESAB arc 180 inverter.Az eredeti hiba a segédtáp időszakos leállása volt.Ha ment akkor is magas volt a táp.A 24v helyett 27,5v. IC csere stb után a probléma megszűnt.2db pálca elhegesztése után nem fog ívet.Inverter megállt.A tápok jók mindenhol.Melegedés nem volt.Arra gondoltam talán az előző tápmegfutás miatt adta meg magát a vezérlés. A tc4420-ak után nem tudok már mérni semmilyen pwm jelet.Skóp hiányában csak true rms műszerrel vizsgáltam.Valahol olvastam ,hogy ez a gép alapból ad ki kb. 14v-ot és ív fogáskor ezt "rövidre zárva indul az inverter"A tc4420 cserére gondoltam.
Valakinek volt hasonló problémája vagy tapasztalata?(vagy egy rajz
(#) Chipmunk1960 válasza bukovary hozzászólására (») Okt 30, 2016 /
 
Szia, a vezérlést mindenképpen meg kellene szkóppal nézni, esetleg a snubber körben nem e ütött át valami.
(#) elektroncso válasza Chipmunk1960 hozzászólására (») Okt 31, 2016 /
 
Nos, újra itt vagyok. Bocsánat a kihagyásért, de mostanra érkeztek meg a FET-ek. Kicseréltem őket és a vezérlő tranzisztorokat is (BC327-et tettem be a PN2907 helyett). A hegesztőt miután csatlakoztattam a hálózathoz, bekapcsolás után világítani kezdett rajta a bekapcsolást jelző LED és elindult a hűtőventilátor is. Viszont ha az "áramot feljebb csavarom" akkor elkezd világítani a másik LED is, ami nem tudom mit jelez vissza (mintha egy villám jel lenne mellette). Persze nem lehet vele hegeszteni, még csak nem is szikrázik. Valaki tapasztalt már hasonlót? Mit nézzek meg, mi lehet a hiba?
Múltkor rámértem oszcilloszkóppal a vezérlésre, az egyik vezérlőtranzisztor bázisán 20V körüli impulzusokat mértem, a másikon csak 5V körüliek voltak az impulzusok. Elképzelhető, hogy meghalt a vezérlés? Egy függőleges kerámia alapú NYÁK, szerencsére nincs beöntve semmivel, javíthatónak látszik, feltéve ha nem a fémgőzölt ellenállások közül szakadt meg valamelyik.
Előre is köszönöm.
A hozzászólás módosítva: Okt 31, 2016
(#) elektroncso válasza elektroncso hozzászólására (») Okt 31, 2016 /
 
Visszafejtettem a kapcsolási rajzát, holnap feltöltöm.
(#) elektroncso válasza elektroncso hozzászólására (») Nov 1, 2016 /
 
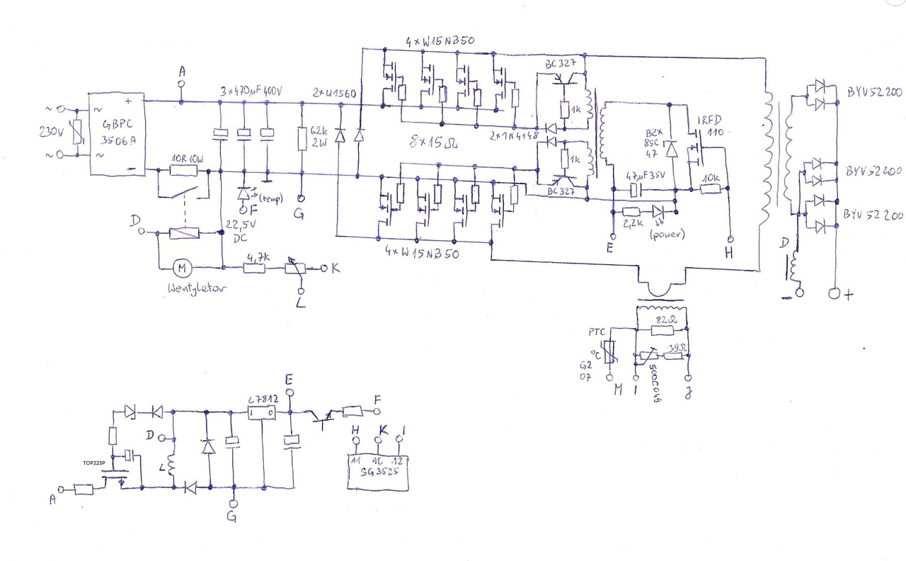
Melléklem az EPS CITYWORK 130 kapcsolási rajzát.
Amit észre vettem, hogyha "feljebb csavarom az áramot" akkor leesik a LM317 által 14V-ra stabilizált tápfeszültség értéke (lassabban forog a ventilátor is, bár ez utóbbi most nézem, lemaradt a kapcs. rajzról, de a LM317 kimenetére van kötve).

A kapcsolási rajz - hibás volta miatt törölve a feladó kérésére. Mod.
A hozzászólás módosítva: Nov 8, 2016
(#) ferci válasza elektroncso hozzászólására (») Nov 1, 2016 /
 
Talán nézd meg a 317 bemenetét, hány volt van olyankor.. vagy esik a hálózat is annyit, hogy már nem tud stabilizálni, vagy megszórja vhogy a nagyobb hegesztőáram.
(#) waldi75 válasza waldi75 hozzászólására (») Nov 2, 2016 /
 
Sziasztok!
Bejött a tipp. A tc4420-at kicserélve elindult az inverter.Közben sikerült találni egy rajzot amelyen szintén ezt a vezérlőt használják.Bár csak tömbvázlat szerű de a semminél több.
Feltöltöm hátha valakinek segít.
(#) zozi83 válasza zozi83 hozzászólására (») Nov 2, 2016 /
 
Sziasztok!

Az említett helyettesítő IGBT-vel a gép elindult, de nem teljes a siker.
A kijelzőn elektróda funkcióban az áram érték 0 és a beállított áramérték között ugrál, a kimenő feszültség 85V, de ez is ingadozik. A főtrafó ciripelő hangot ad ami az ingadozás mértékében változik.
Ahogy a kimenet terhelést kap 1 pár IGBT elhalálozik.
A gép 42kHz-en működik, szép négyszögjeleket kapnak a gate-ek.
Az impulzustrafókig mindent kicseréltem mind a 4 IGBT oldalon 1. körben, azután komplett vezérlőpanelt is cseréltem 2. körben ugyan az a helyzet.

Tisztelettel kérdezném javított-e már valaki Migatronic Navigator 3000 gépet?

Üdv.
(#) zozi83 válasza zozi83 hozzászólására (») Nov 7, 2016 /
 
A kérdésem tárgytalan, köszönöm. Megy márkaszervizbe a masina.
(#) Chipmunk1960 válasza zozi83 hozzászólására (») Nov 7, 2016 /
 
Szia, Az IGBT még jobb is, szerintem mint az eredeti, a probléma a vezérlésben keresendő. Kapcsolási rajzot nem találtam hozzá, gondolom a kollégák sem, ezért nem írtak. A kimeneten 50V körül kell lenni terheletlenül, a 85 nagyon magas. Látatlanban, rajz nélkül senki nem fog tudni tanácsot adni, főleg, ha lövöldözi az 1000 Ft körüli IGBT-ket. Ezen nem kell megsértődni. Üdvözlettel: Mike
(#) zozi83 válasza Chipmunk1960 hozzászólására (») Nov 7, 2016 /
 
Nem sértődés, nem volt ma jó napom talán ezért böktem ide ezt a sort így hálátlanul) a fórum már sokat segített a gépjavításaim során csupán csak olvasva, rengeteg infó van itt és a másik inverteres témában, köszönet érte. Meguntam a kísérletezést. A mérések alapján hidegen jó minden, műterhelésen kb:20A-ig jól megy a gép, de e felett hirtelen igbt halál a vége. A végfok 4 igbt-s híd kapcsolású kondenzátoron keresztül a transzformátor. Ezt a teljesítménypanelt már nem gyártják, így nem tudtam cserélni, sajnos. Az elképzelhető, hogy a másik típusú igbt-vel a primer áram nem a gyári tartományban van és ezért nem működik megfelelően. Vagy a transzformátorral soros kondenzátorok azon a működési frekvencián nem hozzák a gyári paramétereiket.
Az a baj, hogy ennél a gépnél egy egyszerű panel is 60 -70.000 Ft. nem az a kísérletezős kategória. A kapcsolási rajz amit tudtam szerezni a panelt csak DC inverter néven blokkvázlat szintjén kezeli.
Tisztelettel: Zoli
(#) zozi83 válasza zozi83 hozzászólására (») Nov 7, 2016 /
 
Holnap egy Iweld HD 1600 LT lesz műtőasztalon, ma végigmértem szkóppal az egyik pár igbt-nél nincs négyszögjel. UCC3895dw a lelke, a környékén minden rendben a gate trafók után lesz valami, de majd holnap.

Jó éjt!
(#) eyess válasza zozi83 hozzászólására (») Nov 7, 2016 /
 
Migatronic Sigma hányas lenne ez pontosan ?
(#) zozi83 válasza eyess hozzászólására (») Nov 7, 2016 /
 
Szia,

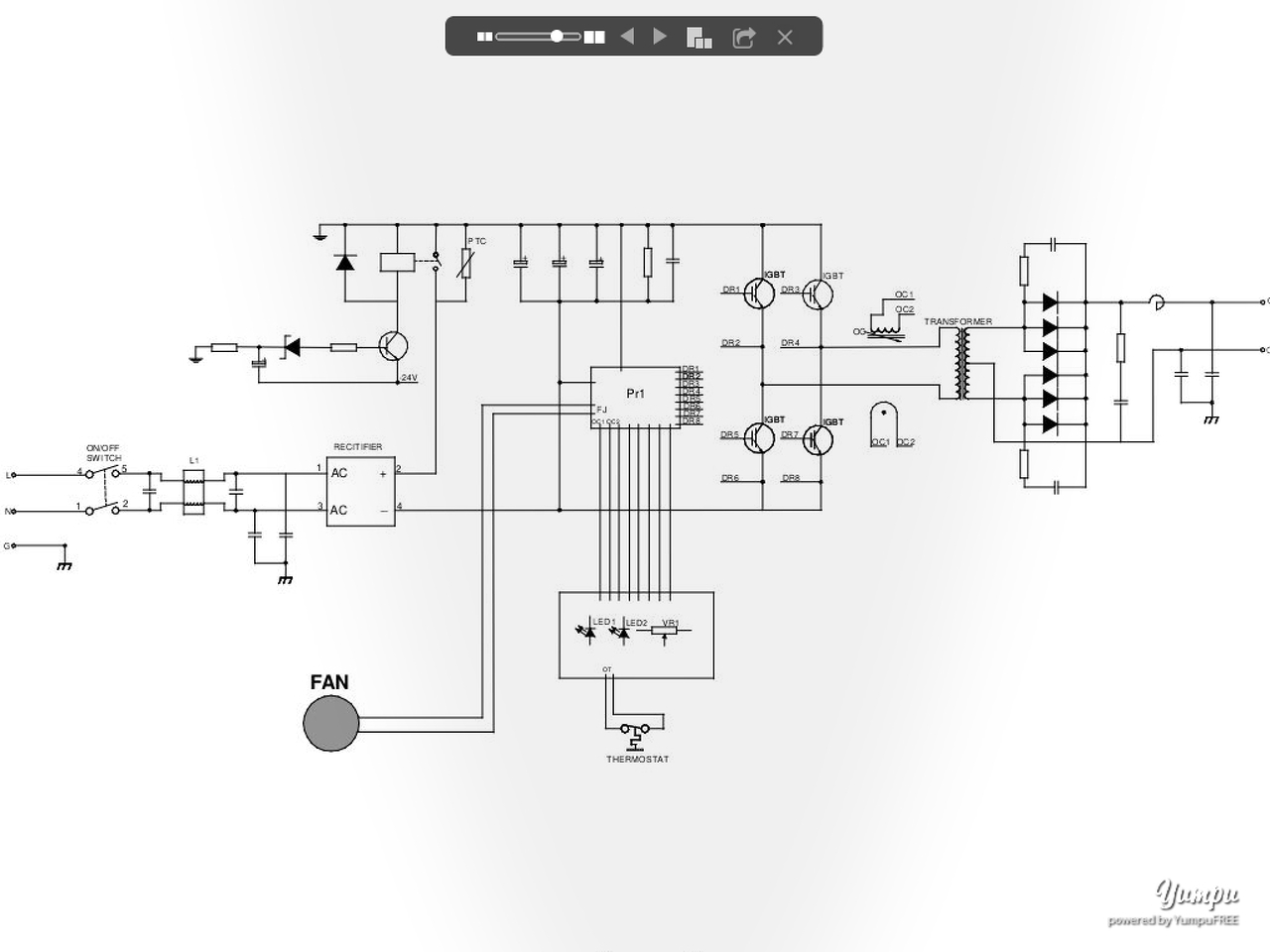
Migatronic Navigator 3000 DC 2007-es gyártás
(AC funkció nincs benne)
A hozzászólás módosítva: Nov 7, 2016

navigator.jpg
    
(#) eyess válasza zozi83 hozzászólására (») Nov 7, 2016 /
 
Értem egyébként lehet bele kapni eredetit is .És ne gondold , hogy a szervíz olcsóbb lesz .

Egyébként itt kapni és egész baráti az ár 10 DB ért .

Bővebben: Link
A hozzászólás módosítva: Nov 7, 2016
(#) zozi83 válasza eyess hozzászólására (») Nov 7, 2016 /
 
IGBT-re gondolsz?, időközben keresgettem és a Conradnal van irgp30b120kde, áramerősségben kicsit nagyobb.

Köszönöm a linket.
A hozzászólás módosítva: Nov 7, 2016
(#) mpisti válasza elektroncso hozzászólására (») Nov 8, 2016 /
 
A szekunder kör(hegesztőáramkör) szerintem hibásan szerepel a rajzon. A valóságban a felső 3 dióda(másfél BYV52)végzi az egyenirányítást, tehát az anódjára megy a feszültség a trafóról, és a katódján van a fojtó, a fojtó kimenete a pozitív sarok. A másik 5 dióda(2,5 BYV52)katódja a felső diódák katódjával vannak kapcsolatban, az anódok pedig a "-"kivezetésen, azaz a trafó szekunderének a másik végén, ezek vezetik vissza a fojtóban eltárolódott energiát.Ezen kívül az árammérő trafó primere és szekundere egészen biztos hogy nincs kapcsolatban egymással, hiszen akkor a hálózati áram a vezérlőfeszültséggel azonos potenciálon lenne.
A hozzászólás módosítva: Nov 8, 2016
(#) elektroncso válasza mpisti hozzászólására (») Nov 8, 2016 /
 
Köszönöm, hogy figyelmeztettél!
Az egyenirányító részt tényleg elrontottam. Mellékelem a javított rajzot.
A TR1 viszont így van tényleg, ahogyan a rajzon, annyi különbséggel, hogy a R34 jelzésű ellenállást lehagytam a rajzról (ezt is pótoltam).
(#) mpisti válasza elektroncso hozzászólására (») Nov 9, 2016 /
 
Van nálam javításon egy Energia 130-as, ami szinte teljesen megegyezik a citywork-al. Ha időm engedi megnézem az árammérő trafó bekötését. Nem tudom elképzelni hogy összekötötték volna a főáramú részt a szabályzókörrel,tekintettel arra hogy a többi EPS gépben ez nem jellemző -de semmi sem kizárt.
(#) elektroncso válasza mpisti hozzászólására (») Nov 9, 2016 /
 
Közben megtaláltam az Elektrotanyán a LDC1002-es modul kacsolási rajzát, így könnyebb lesz holnap elvégeznem a méréseket.
(#) zozi83 válasza mpisti hozzászólására (») Nov 13, 2016 /
 
Szia István,

korábban olvastam a snubber meghibásodásról írt hozzászólásaid. Sípolhat snubber hiba miatt gép. Javítok egy Ergus 160/50 invertert, két problémával szeretnélek megkeresni.
Első:Beérkezett állapotban igbt zárlat, nincs négyszögjel 1-ik oldalon.
Javítás után a gép működik,(hegeszt is) új, előzővel egyező alkatrészek a meghajtótrafóig, viszont halk sípolás van üresjáratban és terhelés nélkül melegszik az igbt hűtőborda.
Találtam rajzot hozzá, ebben nincs ellenállás-kondenzátor snubber, csak 2 db RURP860.
Javítás során mértem a négyszögjelet igbt-k nélkül a G-eken és igbt-vel. A felfutó él tetején van egy enyhe hullámforma mindkét oldali meghajtón.
Ami gyanús volt, hogy a vezérlő ic ( sg3525) kimenetén nem szép sarkos a négyszögjel.
A felfutó él itt ívesen hajtott, ic csere után is, külső tápról is.
( IRFD110 G-re közvetlenül kapcsolódik az ic-ről. Kivettem a fet-et is, hátha terheli a vez.kimenetet, de nem). Mi okozhatja a sípolást illetve a jelalak ívességét.
Második gondom az én hibám:A segédtáp TOP223YN+7812 a tápfeszültség méregetés során sikeresen eltávozott egy ellenállás és a 223 füst kíséretében, már tudom melyik lábra ne tegyem a mérőfejet. Azóta kicseréltem 223 zenerek+7812, viszont az smd ellenállás jelenleg mérhető értéke 623kohm a TOP223 D-vel sorosan a +320V-ra megy. Ezzel az értékel nem megy, smd-kódból az első karakter 1-es az látszik, a többi elégett. Ebben a kapcsolási módban nem találtam a neten a 223-at. ( vagy nem jól kerestem)

Segítséged előre is köszönve,
üdv.: Zoli

Ergus160.jpg
    
(#) zozi83 válasza Chipmunk1960 hozzászólására (») Nov 13, 2016 /
 
Szia!

Ahogy írtad a vezérlésben volt a baj. A gép működik, software-es gondja volt.
Újrainstallálás és már ment is. Az kérdés még, hogy mitől veszett össze a két panel.
Persze a kiváltott alkatrész időtállósága majd a vallatásnál kiderül, de biztató a műterhelésen eltöltött 150A/ fél óra mellett 36 °C -os igbt-k.

Üdvözlettel:
Zoli
(#) mpisti válasza zozi83 hozzászólására (») Nov 13, 2016 / 1
 
Az a "hullám forma" a meghajtójelen nem igazán gond, ilyen több meghajtónál is van. Ami lényeges,hogy a jel felfutása elég meredek legyen, azaz elég gyors legyen a gate kapacitás feltöltési idő. Az viszont már nem jó jel, hogy a 3525 kimenete nem szabályos négyszög. Ennek sarkosnak kellene lennie terheletlen állapotban. A tápra vonatkozó kérdésre sajnos nem tudom a választ, talán a TOP223 application note segítséget adhat.
(#) zozi83 válasza mpisti hozzászólására (») Nov 16, 2016 /
 
Szia,
a keresett ellenállás értéke: 10 ohm.
Így a táp már rendben van, a sípolás viszont megvan, készítettem néhány fotót a jelalakról. A "hullám" alatt ezt étettem nem a legjobb megfogalmazás inkább tranziens.
A 3525 kimenetén új IC esetén valamely környező alkatrész okozhatja a négyszögjel ívességét?
Az áramköri kártya hasonló a Cemont-hoz.
A hozzászólás módosítva: Nov 16, 2016
(#) Chipmunk1960 válasza zozi83 hozzászólására (») Nov 16, 2016 /
 
Ez kb 25% túllövés, biztos, hogy a szkóp, zsinórok, földelés jó? Próbáld ki 10x osztó állásban is.
(#) mpisti válasza zozi83 hozzászólására (») Nov 17, 2016 /
 
A 2. fotón látható hogy a meghajtás nem jó. A felfutóél sem, és a lefutóél sem korrekt. Ez nem túllövés. Próbáld ki a mérőkábelt a szkóp saját négyszög kimenetéről, hogy ott tökéletes -e a négyszögjel formája. Ha nem, akkor kompenzálni kell a mérőzsinóron levő trimmerrel a hibát-ha van ilyen a tapintócsúcson. Valószínű a hibát nem mérőzsinór probléma okozza, hanem a meghajtókör hibája látható a szkópon. A kérdés, hogy ezt a jelalakot hol mérted? Az IGBT G-E elektródái közt, vagy a PWM IC kimenetén? Ha a PWM IC kimenete ilyen, akkor ott hidegítési probléma, hibás, megváltozott értékű kondi, vagy ellenállás lehet a ludas, de akár erőteljes mágneses zavar is jelen lehet. Ezt nem lesz egyszerű kiszűrni, de a javításhoz mindenképpen le kell választani a meghajtó fokozatot és a PWM IC kimenetétől indulva alkatrészről alkatrészre vizsgálni kell a jel formáját. Korrekt rajz nélkül nem lesz egyszerű dolgod.
Következő: »»   47 / 119
Bejelentkezés

Belépés

Hirdetés
XDT.hu
Az oldalon sütiket használunk a helyes működéshez. Bővebb információt az adatvédelmi szabályzatban olvashatsz. Megértettem