Fórum témák
» Több friss téma |
Fórum » WinAmp vezérlése
Sziasztok,remélem tud nekem valaki segíteni.Hasonló problémával küszködök, mint Peterrapid.Már az egész topicot végigolvastam,de nem találtam megoldást a problémámra.Elsősorban az áramkör bemérésére kellene valami ötlet.Most itt megjegyzem hogy 2*újra építettem,és két külön gépen is próbáltam.Több gyanús dolog vetődött fel nálam,ami a bemérést indokolja
L ha a com portcsatlakozónál az 5-7,8 lábra rámérek multiméterrel,-12 volt jelenik meg!-12V,ott nem plussznak kellene lennie?A dióda után már nincs is feszültség,tehát a stab ic(a dióda és a stab ic tuti jó)és a vevő sem kap áramot.Most lehet hogy hülyeséget írtam ezzel a bemérési formával,ezért várok valami ötletet,gondoltam hogy esetleg az alaplapom rossz,na de mind a kettő?Esetleg valaki találkozott már ilyen problémákkal?Vagy vannak alaplap tipusok amivel nem müködik a kapcsolás?
Szia!
Kukkants bele ebbe a topicba és olvasd el az első oldalt, ott ugyanis részletesen kibeszéltük ezt a problémát. Igazából leírtam volna ide is hogy mi a probléma, csak most nincs sok időm meg lusta is vagyok, tehát inkább belinkeltem neked a topicot
helou kezdo vok es megtetszett nekem is ez a kulso vezerles ez jou volna mas ra is nem csak winampra de most maradjunk a winapnal ha tudnatok segiteni egy nyakrajzal es egy beultetesi rajzzal napersze meg egy alaktreszlistaval az jou lenne es nagyon megkoszonnem ha valaki tud az segitsen lecci elore is kosz
sziasztok vki nemtudna nekem segiteni egy alkatreszlistaval???elore is kosz
ja meg azt akarnam kerdezni hogy egy sima asztali dvd lejatszobol nem e jou bele display mert csak az van ha kel mert van a havernak es ideadja biztos szoval jou vagy nem???
itt van minden
esetleg olvasd végig a témát, és még csatolok 1-2 oldalt erről. Bővebben: LinkBővebben: Link ja és az eleje felé olyan 3-4 oldaltól érdemes elolvasni, mert lehet, hogy felmerül nálad probléma, és arra esetleg ott is megtalálod a választ, és gyorsabban megy az építés ha kérdésed lenne még akkor írj
szerinteteke erre a panelra mglehet csinalni a winamp vezerlot??van nekem belole 2drb kene a segitsegetek hogy jou e ez a panel.elore is kosz
ja meg hogy az lcd helyebe nem e jou egy sima asztali dvd lejatszo displaye???
Igen, a panel megfelelő.Csak ügyelj a fóliaoldalon a megfelelő összekötésekre(vezető sávok kialakítására), de a légszerelés is jó megoldás lehet, én is úgy csináltam.
A kijelzővel kapcsolatban viszont nem tudok tanácsot adni, ennyire nem vágom a témát,én is csak most barátkozom vele. Üdv!
meglehet max mellé teszel még 1 et
![]() tipus és akk megmondom jah és pixelesnek csak gratulálni tudok ha lesz 1 kis időm biztosan megépítem akkor most te melyik kapcsolást szeretnéd megépíteni? mert itt ott ellentmondások vannak
hat en a winamp vezerlot szeretnem akkor szted jou erre a panelra csak kel melle meg egy ilyen???akkor jou a dvd s display,tudnal nekem majd segiteni????elore is kosz
a jou=jó en a winamp veyerlot akarom ay lcd es 4 gomb van rajta
hat azt meg nemtoom a pontos leirasat mert meg a havernal van de annyit took hogy mustek dvd lejatszobol van de asszem az nemlessz jou mert az talan csak szamokat ir es betuket talan nem de meg megkerdem pontosan
Szervusztok !
Van 1 LIRC-es kérdésem ebben a topicban : UJ TOPIC Légyszíves ebben a topicban folytassátok mivel sokkal másabb a probléma mint az eddigiek ! Kösszi !
Üdv mindenkinek!
Sok idő volt, de végigplvastam a topikot, megtetszett ez az infravevős dolog, és meg is építettem. Működik szépen, és jól lehet használni ![]() aki nem tudda megcsinálni, az meg ne haragudjon, de ez kb olyan nehéz mint bekötni 1 cipőt. További szép napot mindenkinek!
Helló. Én is megépitettem a vevőt meg minden,de a progi nem tudja megkülömböztetni a jeleket,nyomok egy gombot és csinál mindent ösze vissza
.Nem tudom vajon az ir vevővel van valami mert nem talaltam ithol csak TFMS5360-ast vagy van még Tsop1838-as-om ,próbáljam meg azzal mert olvastam valahol hogy az is jó...A grider 3.2-progit használom meg az első képen látható rajzot.Ja még akartam kerdezni hogy találtam még1 rajzot ahol a 8,9-es nincs bekötve ...miért?(2-es rajz)Előre is kösz a válaszért!!!
Szia!
Lehet hogy nem fix jeleket küld a távirányítód és ezért szivat... Nézd meg a program alsó sarkában a "led" mellet hogy amikor lenyomsz egy gombot akkor a kód változik-e ha változik akkor a távirányító a bűnös.. üdv!
Hát ugrálnak ott a számok ösze visza
Pehh van 3 távirányitóm és mind úgy csinál... Kösz a válaszért!
Sziasztok!
Rádiótávirányításúra nem lehetne megcsinálni? A billentyűzeten úgyis vannak multimédia gombok így felesleges az infrás távirányító, viszont van amikor olyan helyen vagyok, ahova már kevés az infra (pl az udvaron).
Sziasztok!
Kicsit elvetemült, de érdemes megnézni: Winamp vezérlése Midibox-al Akinek tetszik az itt folytassa a keresgélést!
helóóóóóóóóóóóóó
Én is meg építettem , de nem megyen . Ell kezdtem mérni a feszültséget és a diodán nem folyik áram ja és -9 voltot kap .NEM + 9 voltot kellene mérni? Segítsetek . Meg ne mondja nmekem senki hogy - 9 volt az normális mert a stabilizátor a pozitiv feszültségből csinál pozitivat.
Hello.
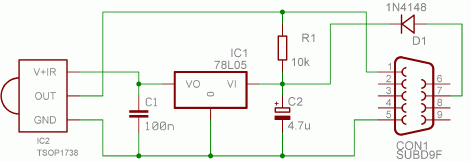
Ez az winamp vezérlő tényleg működik? A rajz szerint a soros port 7 lábán + feszültség van, az 5 lába pedig a GND. Én multiméterrel ennek az ellenkezőjét mértem, 7 láb=GND, 5 és 9 láb + feszültség. De ha tényleg így van akkor az áramkör nincs, hogy müködjön, vagy tévednék? Valaki utbaigazítana? Köszi
Szia!
Mindössze a te hozzászólásod felett kettővel ott van pont ugyanez a kérdés, és rögtön alatta ott a válasz is rá... És a 7-es láb soha nem lesz GND, az mindig a táp, ami az 5-ös lábhoz képest vagy pozitív, vagy negatív. Az 5-ös láb a GND, tehát ahhoz képest kell mérni. Vagyis a lényeg hogy most a 7-es láb "negatívabb", mint az 5-ös. Ahhoz, hogy ez megforduljon, olvasd el az én hozzászólásomat, ott figyel pont a tied felett eggyel ![]() szerk.: Ja azt elfelejtettem mondani, hogy én személy szerint több példányt is építettem már ebből az infrás winamp vezérlőből, és mind működött elsőre, tehát nem egy nagy kihívás megcsinálni. Megmondom őszintén a szoftveres résszel kb 30x annyi időt vacakoltam első alkalommal, mint amit az építés (kb 10 perc maratással együtt) igénybe vett. |
Bejelentkezés
Hirdetés |




L ha a com portcsatlakozónál az 5-7,8 lábra rámérek multiméterrel,-12 volt jelenik meg!-12V,ott nem plussznak kellene lennie?A dióda után már nincs is feszültség,tehát a stab ic(a dióda és a stab ic tuti jó)és a vevő sem kap áramot.Most lehet hogy hülyeséget írtam ezzel a bemérési formával,ezért várok valami ötletet,gondoltam hogy esetleg az alaplapom rossz,na de mind a kettő?Esetleg valaki találkozott már ilyen problémákkal?Vagy vannak alaplap tipusok amivel nem müködik a kapcsolás?






.Nem tudom vajon az ir vevővel van valami mert nem talaltam ithol csak TFMS5360-ast vagy van még Tsop1838-as-om ,próbáljam meg azzal mert olvastam valahol hogy az is jó...A grider 3.2-progit használom meg az első képen látható rajzot.Ja még akartam kerdezni hogy találtam még1 rajzot ahol a 8,9-es nincs bekötve ...miért?(2-es rajz)Előre is kösz a válaszért!!! 

