Fórum témák

» Több friss téma
Fórum » Erősítő mindig és mindig
Mielőtt kérdezel, a következő két dolgot ellenőrizd! I. A helyes tápfeszültségek megléte. II. A kimeneten van-e egyenfeszültség. Élesztés.
Lapozás: OK   1936 / 2571
(#) latyakosa válasza 13_Balu50 hozzászólására (») Jan 6, 2017 /
 
Szia,
Köszi az ötletet, tartok tőle nem fog elférni a lecsupaszított változat sem a jelenlegi helyre.
(#) 13_Balu50 válasza latyakosa hozzászólására (») Jan 7, 2017 /
 
A méret jelentősen csökkenthető, a 150 W -hoz bőven elég 2-2 végtranyó is, találsz olyan rajzot és nyákot is. Ha BD249c-BD 250c-el akarod megépíteni a tápfeszültség ne menjen 50 volt fölé.
(#) adapter hozzászólása Jan 7, 2017 /
 
Sziasztok,
Egy ismerősöm megkért hogy építsek már neki egy 8-10W körüli erősítőt ( 8ohmra) úgy, hogy ténylegesen tudjon 20-20kHz közötti tartományt átvinni.
(Amúgy gyerektáborokban szokott zenei feladatokat kitalálni, ahhoz kellene, melyik a legmélyebb hang amit hallanak, zenék felismerése, meg ilyesmik....) Eddig ilyen, olcsó kis sztereo cd játszókkal operált, de azt mondja az nem az igazi. Jobb hangsugárzókat kap majd valahonnan, engem csak az erősítő miatt keresett meg.
Szerintetek melyik kapcsolás lenne rá alkalmas?
(#) latyakosa válasza adapter hozzászólására (») Jan 7, 2017 /
 
Sok féle IC-s megoldás létezik erre a teljesítményre, milyen táplálású lenne telepes vagy hálózati ?
Hálózatról a TD2030, TDA7495 is jó lehet vagy akkus üzemhez modernebb D osztályú kit-k is beszerezhetőek pl ebay-ról.
(#) adapter válasza latyakosa hozzászólására (») Jan 7, 2017 /
 
Hálózati táplálású, amennyire tudom nincs szükség akkus táplálásra.
(#) mc-4 hozzászólása Jan 7, 2017 /
 
Sziasztok!
Az erősítő kapcsolásban ahol nincs jelezve az ellenállások teljesítménye azok hány wattosak?
Köszi!
A hozzászólás módosítva: Jan 7, 2017
(#) reloop válasza mc-4 hozzászólására (») Jan 7, 2017 /
 
Szia! A listában nem jelölt teljesítményű ellenállások 0,5W-osak a leírás fotója alapján és azt reálisnak is tartom.
(#) latyakosa válasza adapter hozzászólására (») Jan 7, 2017 /
 
TDA2030
illetve a topikja Bővebben: Link
(#) mc-4 válasza reloop hozzászólására (») Jan 8, 2017 /
 
Köszönöm szépen!
(#) adapter válasza latyakosa hozzászólására (») Jan 8, 2017 /
 
Köszi, de valamelyik LM nem lenne jobb? (esetleg LM 1876 ?)
(Nem túl sok erősítőt építettem még, és azokat is magasabb teljesítmény szinten... Bár az első erősítőm a 2030-as volt, halvány emlékeim szerint erősen torzított, de az simán lehetett a hibák halmazától amit akkor elkövettem... )
(#) kezdoke hozzászólása Jan 8, 2017 /
 
Sziasztok

Egy kis segítségre lenne szükségem, szereztem egy Bando márkájú(1.kép) trafót gondolom valami hifiből való.
Az lenne a kérdésem hogy ha a 13-14 es lábat összekötöm(2.kép) akkor mennyire lenne alkalmas szimmetrikus tápnak ? Ami aggaszt, hogy az egyik 11,8Vac a másik 12,4Vac, és én ezzel gondoltam stabilizálni (3. kép)
A hozzászólás módosítva: Jan 8, 2017
(#) reloop válasza kezdoke hozzászólására (») Jan 8, 2017 /
 
Szia! A 16-17-18 kivezetések látszanak alkalmasnak végerősítő tápegységéhez. Előerősítőnek kár összekötnöd a két eltérő feszültségű szekundert, a magasabb feszültségű fogja tölteni a puffereket kétszer egyutas egyenirányítással. Ha a 11,8V és a 12,4V feszültségű tekercseket külön Graetz-cel egyenirányítod és szűröd, akkor jársz el helyesen. Ha a szimmetrikus táp egyik oldalának nagyobb a terhelése, akkor oda kösd be a magasabb feszültségű szekundert.
(#) kezdoke válasza reloop hozzászólására (») Jan 8, 2017 /
 
Szóval akkor egyiket is másikat is egyenirányítom Graetz-el és megszűröm majd utána közösítem és azt stabilizálom?
(#) Gafly válasza kezdoke hozzászólására (») Jan 8, 2017 /
 
Szerintem az eredeti (linkelt) elgondolásod tökéletes.
Az a kis eltérés meg nem számít.
(#) latyakosa válasza adapter hozzászólására (») Jan 8, 2017 /
 
Biztos jobb az LM 1876 a TDA2030-nál, de azt csak jó minőségű hangszórók segítségével fogod hallani. Helyes áramkör esetén a 2030-s erősítő is hallgatható, nem torzít, kivéve ha nagyon vájtfülű vagy , de vélhetően akkor sem a torzítása fog zavarni.
A hozzászólás módosítva: Jan 8, 2017
(#) reloop válasza Gafly hozzászólására (») Jan 8, 2017 /
 
Ahhoz, hogy a kisebb feszültségű tekercsen egyáltalán áram folyjon, a pufferek feszültségének közel 1V-ot kell esni egy fél periódus alatt. Bár működőképes, de nem szakszerű megoldás. Dupla Graetz-cel kisebb lesz a kimenő feszültség hullámossága. Aztán, hogy ez számít-e a felhasználó tudja eldönteni, egyelőre nem ismert a fogyasztó.
(#) kezdoke válasza reloop hozzászólására (») Jan 8, 2017 /
 
A fogyasztó egy müveleterősítős előerősítő lenne (remélem ez végre kielégíti az elvárásaimat)
(#) reloop válasza kezdoke hozzászólására (») Jan 8, 2017 /
 
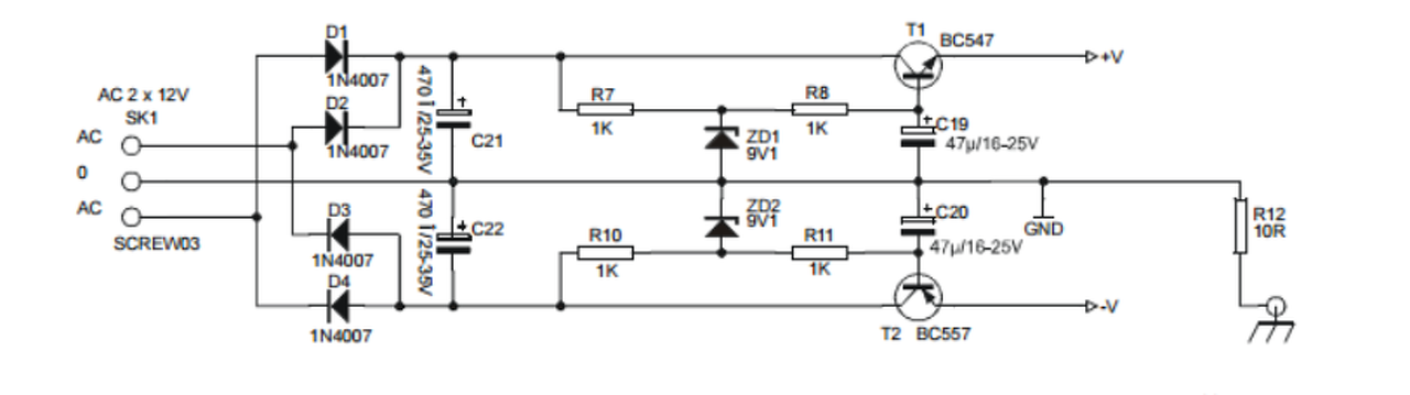
Nem elutasítva Gafly kolléga ajánlását sem, a magam részére azért az alábbi ábra szerint alakítanám ki a tápot.

Táp.gif
    
(#) Gafly válasza reloop hozzászólására (») Jan 8, 2017 /
 
Tehát szedje szét a közösen kivezetett középső megcsapolást, levegőben "mókolja" össze, rakjon külön egyenirányítót mindkét oldalra. Tulajdonképpen lehet, különösen ha "szakszerűen" meg tudja csinálni...
A hozzászólás módosítva: Jan 8, 2017
(#) reloop válasza Gafly hozzászólására (») Jan 8, 2017 /
 
A kép és kezdoke elmondása alapján két független szekunderről van szó - legalábbis nekem ez jön le.
(#) Gafly válasza reloop hozzászólására (») Jan 8, 2017 /
 
Szerintem a képen ott egyben van a közepe (szerintem). De két szállal jön ki.
Leszálltam a témáról (úgyis pont elkészült az ebéd :jump.
(#) kezdoke válasza reloop hozzászólására (») Jan 8, 2017 /
 
Mérések alapján két független szekunder van.
(#) steelbird válasza kezdoke hozzászólására (») Jan 8, 2017 /
 
Ez a Sony HCD-RG60 hifi trafója. Rajta van a Sony cikkszáma, az alapján a Google megtalálta. (1-437-231-11) Szervízkönyvet rajzzal, bekötésekkel, feszültség értékekkel innen lehet hozzá letölteni. Ezt a trafót kár elpazarolni egy előerősítőbe..
A hozzászólás módosítva: Jan 8, 2017
(#) kezdoke válasza steelbird hozzászólására (») Jan 8, 2017 /
 
Ezt a trafót pakolás közben találtam (anno kaphattam valakitől) és pont fél kész állapotban van egy st151 es erősítő ezért arra gondoltam akkor nem kellene még egy trafó bele hanem ennek a segéd tápjait használni csak sajnos nem találtam még az ST-hez normális előerősítőt
(#) reloop válasza kezdoke hozzászólására (») Jan 8, 2017 /
 
Itt egy áramkör amivel elégedett az építője.
(#) Toth Attila válasza kezdoke hozzászólására (») Jan 8, 2017 /
 
Sziasztok javítsatok ki, de én úgy látom a trafót illetőleg, hogy a 14 az eleve közös pont és ehhez képest van a két 13,15 számú tekercs kivezetés. Tehát alapból közösítve van a 14-es ponton a két tekercs.
(#) Toth Attila válasza kezdoke hozzászólására (») Jan 8, 2017 /
 
Kizárt hogy két független szekundere legyen az adott pontokon, ohm mérővel ezt ellenőrizheted.
(#) reloop válasza Toth Attila hozzászólására (») Jan 8, 2017 /
 
Szia! Kinagyítottam, a 14-esen egy szál drótot látok. Persze itt a rajza is ami eloszlat minden félreértést.
A hozzászólás módosítva: Jan 8, 2017
(#) Toth Attila válasza reloop hozzászólására (») Jan 8, 2017 /
 
Szia!
Elismerem ezt jól benéztem! Ami megtévesztett, az a kézzel kirajzolt kivezetések a papíron. "Kell is nekem egyből hozzászólni". Kinagyítva és újból átnézve a képeket más a helyzet. Ha a kérdező úgy rajzolja le a kivezetéseket ahogy fizikailag elrendezve van a trafón, nem nézem el.
A hozzászólás módosítva: Jan 8, 2017
(#) reloop válasza Toth Attila hozzászólására (») Jan 8, 2017 /
 
A trafó a bűnös, már a 20. hozzászólást generálja a zsivány
Következő: »»   1936 / 2571
Bejelentkezés

Belépés

Hirdetés
XDT.hu
Az oldalon sütiket használunk a helyes működéshez. Bővebb információt az adatvédelmi szabályzatban olvashatsz. Megértettem