Fórum témák
» Több friss téma |
Mielőtt kérdezel, a következő két dolgot ellenőrizd!
I. A helyes tápfeszültségek megléte.
II. A kimeneten van-e egyenfeszültség.
Élesztés.
Akkor leplezzük le a zsiványt..
Egyenirányító-hidak és stabilizátorok a tárgyalt szekunderekhez - linkednek hála.
Az a baj, hogy a szóban forgó melléktekercsek feszültségei elég kevesek. Ezekből csak 9V -os dupla tápegységet lehet összehozni. Bár terheletlenül, végfok nélkül lehet, hogy kicsivel több jön le a trafóról.
A tervezett előerősítő 1,55V érzékenységű végfokot hajt, ±9V akár ideálisnak is mondható.
Sziasztok! A két képen szereplő csatlakozót szeretném összekötni. A jel a jack felől menne a din (ami az erősítőbe csatlakozik) felé. Melyik kivezetéseket kell összekötni egymással? Előre is köszönöm!
Szia!A din csatlakozód mono, oda-vissza menő.Sztereónak öt pólusú kell, szabvány szerint!
Köszönöm a segítséget!
Üdvözletem a kartársaknak!
Kaptam javításra egy ilyen vackot. Serceg nagyon. Állítólag meg lett hajtva. De a potik sem 100%-osak. Elég gagyi valami, előfordúlhat, hogy a tranyók hőmegfutása miatt lett sörét zajos a cucc? 4db TIP41C van benne. Még csak nem is komplementer. A képről látszik, hogy enm egy űrtechnika! Előre is köszönök minden választ!
Szia! Különösebb előnyt, vagy hátrányt nem tudnék említeni, talán a Q8 emitter-ellenállás (0Ω) szokatlan.
- RMS teljesítmény: 2x100w
- Maximális teljesítmény: 2x200w Ekkora hűtőbordával? Kizárt, még a 10W-ot is sokallom.
Mint írtam, süt rolla a gagyiság, ennek tudtában is vagyok, és nem is az enyém. Ez a része nemöérdekel. A markating baromságokkal épp ezért nem is foglalkoztam, csak a küllem miatt linkeltem be. Két db TDA2030-cat többre becsülnék ettöl a hulladéktól, de az érdekel, miért serceghet úgy, mintha szalonna sülne? Szilveszeri buli után két nappal jött elő a hiba állítólag.
A hozzászólás módosítva: Jan 9, 2017
Szia! Számít a hangerő poti állása? Ha nem, akkor a végfok a gyanús, például végtranzisztor emitter-ellenállás.
Lehet meleg volt a belsejében és valamelyik elkó kibutult.
Több értelme lenne valóban, de óriási ráfizetés volna a tulajdinosnak még kb. 15 ezer ft-ot ráfizetni, mikor ezé a hulladékért kiadott már 33 ezret. Teljességében ráfizetés ez is mert 10 ezret nem adnék érte, de ez egy,ilyen világ. Aki nem ért hozzá, pórul jár. Maga a végfok egy pár ezer ft-ból kijön, de minimum megérdemelne egy jó torroidot, esetleg egy smps tápot.
Átbogarászom az ellenállásokat, kondikat és majd kiderül... reloop: a kis jelű tranyók (TO92 tokozású) meghibásodása okozhat ilyen zavart? Munt zajgenerátor, beviszi a zajt. A poti tekergetésre kicsit változik csak.
Mindig ott keresd a baj forrását, ami utoljára történt. Ha szilveszteri buli, akkor túlmelegedhetett - ez biztos. Türelemmel és némi alázattal lenne érdemes közeledned a végfokhoz, mert valaki egyszer megcsinálta és a buliban is nyilván jó volt. Ha a hűtése gyengécske, akkor a végétől érdemes elindulni visszafelé. Először a nagyáramú részekkel kezdeném, az biztos. A potik hibáját a legkönnyebb kiszűrni, hiszen vagy egy ellenállásdekáddal, vagy egy sima ellenállás osztóval kiváltható egy adott hangerőn. Így a képet elnézve sanszos, hogy kicsi volt a hűtése a bulihoz. A TIP-et sem tartom túl jó félvezető választásnak, mert nem túl magas a feszültségtűrése. Persze nem tudom hány voltról jár és sokat nem látok ki a képből. A bal felső részen a kondi igen csúnya foltokat mutat, azt is kivenném, mert a második gyanúsított mindig a táp. Ráadásul a kondik túl közel vannak a hűtőbordához, ami egyenesen a tönkremenetelükhöz vezet. A panel egyébként csak igénytelenül van beforrasztva. Régen az ilyeneken "Sing-sing" felirat szerepelt, utalva arra, hogy börtönben, rabok rakták össze. Ha már ekora a doboz belseje - lehet, hogy hosszabb távon megérdemelnének azok a félvezetők egy nagyobb hűtést, messzebb a kondiktól.
Sziasztok nekem is volt hasonlo problemam egy skytronic erositovel.Ott bekapcs utan 5perc elteltevel fustolt.Szetszedtem es a tapkondi adta meg magat rendesen meg volt dagadva
Köszönöm a segítő információkat!
Kezdésnek az egyen irányítást a pufferekkel, valószínű külön panelre teszem. A tranzisztorokat egy homogén hűtő felületre szerelem a jobb hő együttfutás és hűtés miatt, és erősebb hűtést kap. Szerencs a szerencsétlenségben, hogy hely az legalább van az ilyesfajta átalakításhoz. Azt is gondoltam, hogy jobb tranzisztorokat kellene rakni bele. Na nem MJ-re gondoltam, hanem valami BDxxx-re, vagy ami jobban bírja a gyűrődést és hangban is kicsit jobb, ami festültségben és áramban megfelel. Bár e tekintetben akár egy BD139 is megfelelhet. Tápfeszültség egy +/- 20V-nál nem igen lehet több, még nem mértem meg, de még kevesebbet is megkockáztatnék. Nem egy erőgép! ![]() A potit akkor egy próba idejére kiváltom ellenállás osztóval. Az a helyzet, hogy a ketyere alapvetőleg elég brummos, pedig a trafó nincs közel a panelhez, hogy beleszórjon. Ez éppen lehet még a gyenge pufferelés miatt, de az is lehet, hogy alapból silány a trafó. Futok vele pár kört, és majd kiadja a hibáját valahol.
Sziasztok. Hol mérjek nyugalmi áramot javítás után ? és a 2-db 1-kohmos timmer nem treljessen tiszta mire is való.
Mamám, add el a házat
![]() El leszel vele egy darabig
Egy garnitura tranyonak anyi...:/ (de ebayes volt!)
Ááálj!Itt külön kell a p és az n csatornás oldalt állítani...Minden oldalon az emitterellenállások a mérvadók..Jó lenne ilyenkor tudni mi a gyári ajánlás...
Üdv!
Megépítettem egy TDA2005 IC-ből készült erősítőt, az adatlapján található bridge változatot.A tápja egy max.1,2A os 10V os trafó,egyenirányítva graetz-el pufferelve 2x2200µF-al.Plussz a bemenetre kötöttem egy 50K-s hagerőszabályzó potmétert (linerális).A kérdésem az lenne hogy mikor bekapcsolom akkor a hangszóró membránja "kiugrik" (én tápra tippelek mintha nem lenne eléggé kisimítva)plussz zúg is (nem annyira halkan mint kéne szerintem).Torzít is egyébként.A hangszóró egy 6Ohmos (20W) EASTTECH márkájú. Ezeknek a hibáknak a kijavítására szeretnék segítséget kérni.
Szia! Ezt a garnitúra dolgot nem értem. Először ugye egy pár végtranyót ültetünk be és arányosan nagyobb impedanciájú terheléssel tesztelünk. A téma fejlécében van egy link az élesztéshez. Azzal az eljárással viszonylag ellenőrzött körülmények között hullik a férgese.
Sajnos nem. Be űltettem azbösszes tranzisztort. Égőn keresztűl el is indult szépen. Viszont mikkor megkapta a teljes tápot. Pukk. :/
Szia! Ha az áramkorlátra gondolsz, az elég egységes ennél a topológiánál. A névleges terhelőimpedanciának megfelelő műterhelést kötünk a kimenetre. Enyhe clipbe vezéreljük az erősítőt és a potival megkeressük azt a pontot, ahol a kivezérelhetőséget éppen korlátozni kezdi. Egy gondolatnyit lehet rajta lazítani is.
Ez az égőzés csak ilyen kényszermegoldás, ebben a kategóriában áramkorlátos labortápot használunk a javítás során. Egyelőre nem tudjuk, hogy a beépített tranzisztorok voltak a hibásak, vagy a panel rejt valami meglepetést.
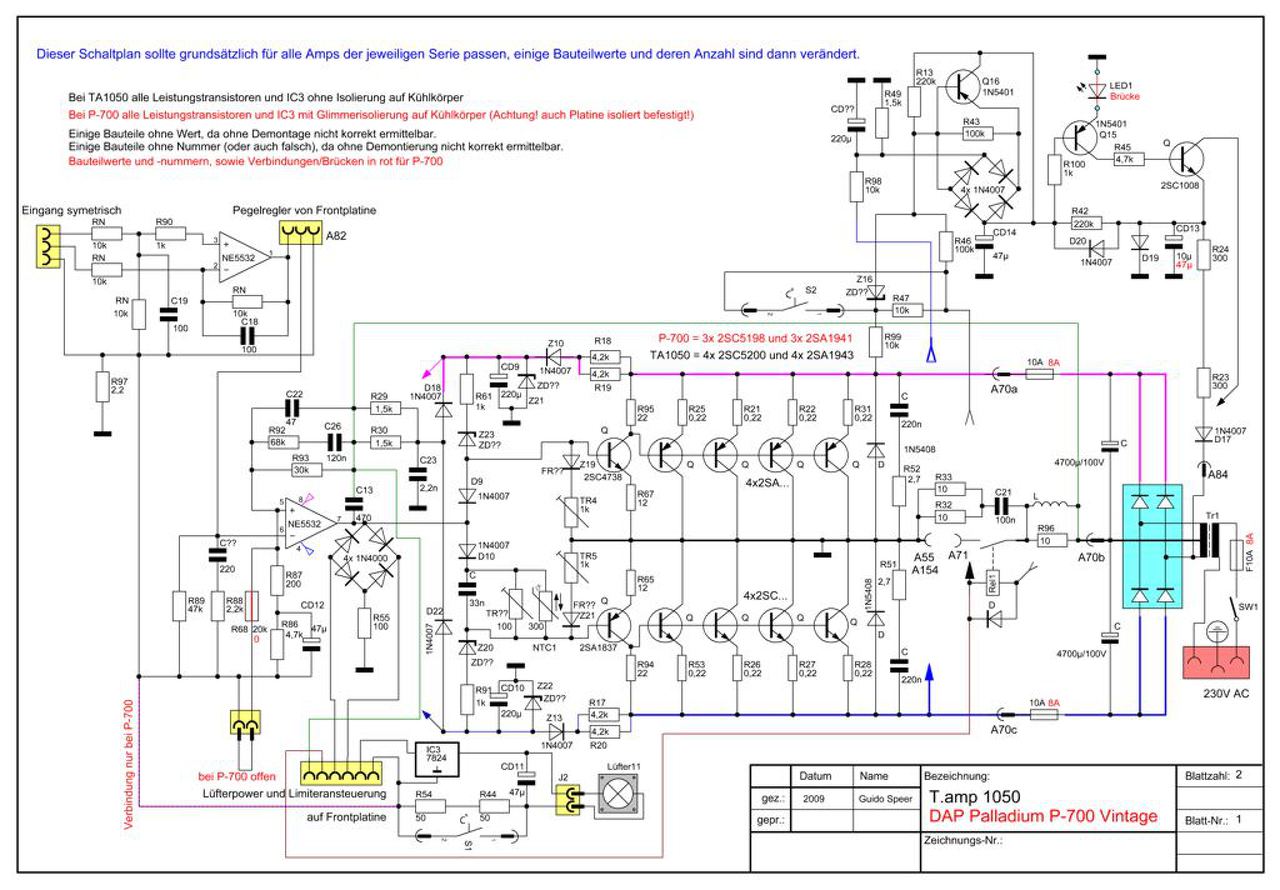
Szoktam írni, ahol van esély a DC stabil állapot kialakulására végtranzisztorok nélkül, ott már a beültetés előtt kimérjük mekkora B-E feszültség várja a tranyót. Ez most pont olyan ami még segédellenállást sem igényel. Az előbbi linken R94 és R95 pozíciószámú ellenállások értékét feszültségmentes állapotban leellenőrizzük, majd áram alá helyezve 0,5-0,55V értékkel lehetünk elégedettek. A 0V és a 0,7V feletti érték nagyon nem jó.
Az előző garnitura tranzisztornál. El lőte az R94 et. Cseréltem az R95 el egyűtt. Igaz csak 5% tűrésűt kaptam..
A hozzászólás módosítva: Jan 12, 2017
|
Bejelentkezés
Hirdetés |
















