Fórum témák
» Több friss téma |
Nem nagyon.
húzd le az alaplapot így úgy mérd, de beleméred a feltöltött kondenzátort amíg ki nincs sütve.
Üdv.Egy Technika 19-943 lcd tv kellett szétszednem.Nem reagál semmire.Táp részen a két nagyfesz kondin nem mérek semmi feszt.Biztositék rendben.Lehetséges hibák?merre méricskéljek?köszi!
Kábel
Sziasztok!
A segítségeteket kérem. Adott egy használt noname led tv. Minden bemeneten tökéletes képet ad, kivéve az usb-t. Itt villogó, vibráló kép jelenik meg. Lsd képek. Vajon mi okozhatja usb bemeneten ezt a problémát. A led tv tápja 3,8 A – 12 V-os. Nem eredeti. Nem tudom, pontosan milyen lehet az eredeti tápja, de 48 w az energia felvétele. Elnézést kérek a fórumban teljesen nem ideillő témáért. Köszönöm előre is a segítségeteket.
Sziasztok!
Segítséget szeretnék kérni van egy technika 16l-914 tv olyat csinál hogy az hol van hang hol nincs usbn is elmegy a hang, Kikapcsolódás után vissza és megint van hang egy darabig ezt játszom egész nap. Köszönöm Imre
Ha Vestel 17mb62-es alaplap van benne és a scart alatt 1db végfok van akkor hőlégfúvóval leszedni(hűtőfelület az IC alatt van), letakarítani, és szépen visszaforasztani. Az esetek nagy többségében jó lesz.
A hozzászólás módosítva: Márc 20, 2016
Ez van benne esetleg ha bejelőlnéd hogy hol van vagy más ötlet csináltam factory resetet azótaaz USB jó a szabadon fogható RTLmeg a tv kettő nél megy el a hang a tobbi csatorna jó a és dvb-t antennáról működik a tv
Köszi Imre
Kár , hogy az alaplap másik oldaláról nem csináltál képeket .
Sajnos ezen nem az a végfok van amire én gondolt, lehet BGA hiba, volt ebből pár ami elmelegedett.
Holnap csinálok róla azthiszem üres
Eszembe jutott valami, fülhalgató jack aljzatba parszor dugd be a dugót volt hogy az szórakozott.
Vagy amikor elmegy a hang , nézd meg fülhalgatón megmarad e.
A fejhallgatót próbáltam már de azon nincs hang egyáltalán
Tegnap megint kezdődött megint minden elölről
nem volt mmég forrasztva seholsem
Itt lesz egy kis segítség .
sajna nem az van rajta.
2 db miniatűr 1mm*1mm végfok A hozzászólás módosítva: Márc 23, 2016
Pedig rajz szerint ez meg még TL072 es is talán.
Esetleg még ezeket nézd át.
Hogyan tudom megmérni a kondikat mert ha jóllátom smd kondi?
Köszönöm
Sziasztok!
Van egy Technika 32 inch 904A dled tv. meghibásodott a ledes háttér világítás tip TIS-4A 94v-01415 hol lehet beszerezni vagy használt ledsorból szét lehetne bontani ,de nincs egyik sem. Ez vajon jó https://www.aliexpress.com/item-img/LG-LED-Backlight-1210-3528-2835...c8uLr#??? Várom a segítséget.
Sziasztok!
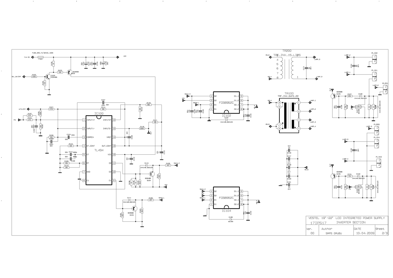
Technika 22-943 lcd tv bekapcsoláskor csak egy pillanatra működteti a háttérvilágítást. A képernyőre világítva látszik a kép. A TR100 trafó bemenetén nincs feszültség. Tudnátok segíteni?
Rossz meghajtó FET-ek, vagy rossz trafó.
Tisztel Szakik! Segítségre lenne szükségem egy Technika Lcd tv miatt. A hiba az, hogy bekapcsolás után ezt a folyamatot csinálja és nem áll le. Szoftveresen kellene frissítenem? Esetleg tudnátok leírást, hogy hogyan kell csinálni?
Sziasztok!
Technika 40coll 904baw14 Adott ez a LED-TV, ajándékba vettük használtan a szülőknek de mire célbaért csak a készenléti led villogott a bekapcsolásra. Ahol vettük tökéletesen ment persze. Main: 17mb82s LCD: ves395 Tápok jók. 1,2V 1,5V 3,3V 5V Egy Fet(?) ami a 12V-ot az LCD-nek kapcsolja megszakadt, de az LCD nem zárlatos labortáppal nézve 250mA-t vesz fel üresjáratban. Ezen kívül nem találtam fizikai hibát. Áttúrtam a netet, ez alapján szoftverhiba irányába haladtam: - leszedtem az eepromokat, készítettem egy LPT-portos eszközt hozzá, tartalmat mentettem, 2x töröltem, visszaírtam, semmi változás. - pont ilyen szoftvert nem találtam, csak hasonlókkal próbálkoztam, semmi változás. - rátaláltam a török recovery fájlra, csináltam usb frissítést, azzal már mutatott életjeleket (pl. bekapcsolta a világítás pint-t) de nem volt a kijelzővel összekötve így nem tudom az működhetett-e. -sajnos hülye módon egyből rátoltam USB-n egy újabb jónak ígérkező szoftvert, ettől teljesen megbolondult, a készenléti LED is csak kb. fél perc után kapcsolt be, a pendrive nem is villog. -ezután visszaírtam az előző tartalmakat az eepromba, hamarabb kapcsol a készenléti de más semmi. -rákötöttem a SCART 10+12-re egy soros-usb konvertert, a PC soros monitorán 115000 bauddal jönnek is az infók. Nem mentettem le de azt írja amit értelmezni tudok hogy nem stimmel az eeprom ID, ellenőrizni hogy a T8061(?) életben van-e, a környezeti leírók, a beállítások ezek meg azok, normál boot elindítva, led bekapcsol, hiba, lekapcsolás... ha kell lementem a szöveget. A lényeg hogy azt olvastam hogy egy hyperterminal nevű progival lehet parancsokat adni a procinak, illetve közvetlenül beleíratni fájlokat. Ez nekem kicsit magas, de van még egy ilyen TV (vettünk másikat hogy azt mondhassam a szülőknek megjavult ne érezzék magukat rosszul, persze szétszedni nem mertem már) és egy angol fórumban írtak egy szkriptet USB-re ami elvileg kiszedi az összes fájlt pendrive-ra a jó TV-ből, ráadásul memóriacímekkel, és ezeket be lehetne írni - kis szerencsével. A kérdés valaki csinált már ilyet? Ha igen tudna segíteni egy kis iránymutatással? Elnézést a hosszú bevezetőért... Köszönöm! A hozzászólás módosítva: Jan 4, 2017
Megoldódott, ebayről rendeltem hasonló main-t, 3500Ft-ért, beflasheltem a lementett tartalmat és jó lett, nem szoftverhiba volt ezek szerint.
Sziasztok!
Vásároltunk Technika 43-278-AW15B tv-t, az vele a probléma, hogy a UPC-s set top box-ot ha bedugjuk a scart csatlakozóba nem kapcsol be a tv, mi lehet a gond? Tehát így működik jelenleg: áramtalanítva van mindkettő, először bekapcsoljuk a TV-t, majd scart bedug és bekapcsoljuk a Set Top Boxot így működik. Ha azonban kikapcsolod meg kell ismételni a műveletsort. Ha csak kábellel csinálod akkor bekapcsol, de a csatornák 90%-át nem nyitja meg, mert nincs hozzáférés. Valakinek valami ötlet? |
Bejelentkezés
Hirdetés |

























