Fórum témák
» Több friss téma |
Arra még a szomszéd ipari szalagfűrész gépét is rákötheti...
De most ugye ezt nem komolyan gondoltad ?
Most miért? Elvileg lehetséges. Itt van például egy 4 áramkörös relé.
A hozzászólás módosítva: Jan 31, 2017
Azért bocs, de a relé és a mágneskapcsoló között van egy "árnyalatnyi" különbség...
De relével is teljesen fölösleges bonyolítani, és drágítani. És ha már linkelted, akkor láthatod, hogy majdnem tízszer annyiba kerül, mint a fórumtársunk által linkelt kapcsoló. Folytathatnám még az érveket...de a többit Rád bízom...
Szia! Ez a kapcsoló egy Yackley ami három állású, négy áramkörös, kivitel. Csatolok egy képet róla. Igaz helyettesíthető egy háromtagú izosztátsorral is, de a forgó yackley egyszerűbb megoldás!
Szia! Ezzel a relével többek közt az a probléma, hogy túl nagy helyet foglal.
Szia! Az első hozzá szolásomban ilyet linkeltem magam is.Tehát ezt kell rendelnem.
Sziasztok!
Ezen a rajzon az AD834 tápjának bekötése tényleg így van? Több forrás is így hivatkozik rá, de ez komoly? Van ennek bármi értelme? Mennyivel jobb ez, mint egy normálisan szűrt +5V?
Szia!
Nem néztem utána a doksiban, de ez ( az általad bekeretezett rész ) a feliratok alapján nem a táp, hanem a sweep üzemmódot meghatározó paraméterek beállítására szolgálhat...!
Szia!
iamrob fórumtárs az AD834-re kérdezett. A bekarikázást én követtem el a cikk írása során, nem ő, és az valóban a sweep üzemmód beállítására szolgál. Az AD834 analóg szorzó áramkör párosítása az AD811-el gyári ajánlás. Az úgy jó ahogy a rajzon van. A hozzászólás módosítva: Feb 13, 2017
Bocs, a kép megnyitása után "kapásból" ez a bekeretezett rész jelent meg, nem is néztem, hogy milyen IC-hez tartozik, azt hittem ez a problémás rész !
Azért a gyári ajánlás nem ilyen az adatlap szerint: Bővebben: Link , a 3-as, 6-os lábak megkapják a tápot ! A hozzászólás módosítva: Feb 13, 2017
Igen, én is láttam, hogy ez a gyári ajánlás, de ha te - mint gyakorlatban felhasználó - nem erősíti meg, hogy ez így működik, akkor simán azt hittem volna, hogy csak el van rajzolva. Őszintén szólva elég "furcsa" egy megoldás...
Ezt látatlanban (és kipróbálás nélkül) nem mertem volna így nyákra vinni.Köszönöm a megerősítést, viszont ha valakinek van tippje arra, hogy ez miért jobb így, mint egy direktben szűrt +5V, akkor arra kíváncsi lennék...
Valószínűleg azért, mert egyébként plusz-mínusz tápot igényel az IC. Én elfogadtam a gyári ajánlást, csak kiegészítettem az offszet állítás lehetőségét is megadva egy plusz AD811-el.
Ha az utánépítésben gondolkodsz, arra nagyon figyelj, hogy az AD811 diff. input fesz. maximum +- 6V lehet. Először tehát be kell állítani a megelőző fokozatok megfelelő működési tartományát és az utolsó AD811-et csak ezután beforrasztani, mert szerencsétlen esetben az IC tönkremehet. Üdv.
A végfokig még nem jutottam el, de a tanácsot köszönöm, még jól jöhet.
![]() A plusz-mínusz táp egyértelmű és jogos, csak érdekes, hogy a mínusz ágat simán megkapja, a plusszal meg trükköz. Azért lenne egyszerűbb a direkt +12, mert akkor az offset állítást be lehetne vinni az első AD811 fokozatba. Így viszont az AD834 kimenetén lévő áramviszonyok függvénye a pozitív táp, ezért abba nem biztos, hogy illik belenyúlni. Igazából a sweep és/vagy a moduláció lehetőségére nekem nincs szükségem, csak amiatt merült fel az AD834 használata, hogy a magassabb frekvenciatartományban is normális jelalakot kapjak és ezt egy mezei potméterrel nem nagyon lehetne elérni. Idézet: „csak amiatt merült fel az AD834 használata, hogy a magassabb frekvenciatartományban is normális jelalakot kapjak és ezt egy mezei potméterrel nem nagyon lehetne elérni.” Ez így igaz, ezért is lett betervezve. Viszont, ha újratervezed a végfokot, javaslom, hogy tervezz be egy offszet állítási lehetőséget az AD834 Y1 bemenetére vagy inkább még az előtte lévő IC8a + bemenetére, hogy a DC szintet valóban nullára lehessen állítani, mert csak nullaszor valami eredménye lesz valóban nulla. Ez nálam kimaradt.
Ez jó ötlet, köszönöm ismét, valószínű nekem is elkerülte volna a figyelmemet. Szerencsére az én esetemben nem lett volna zavaró a kimeneten maradó néhány mV-nyi jel, lévén hogy főleg digitális áramkörök mérésére készülne, persze sose lehet tudni, mire lehet szükség.
Én a végfokot első körben úgy tervezem, hogy legyen egy ellenfázisú kimenetem is, valamint hogy legyen olyan beállítás, ahol az offset fixen az amlitudóval azonos, tehát a jel alsó csúcsértéke éppen 0V.
Sziasztok! Kipróbálható állapotba került a fügvény generátorom. Készítettem néhány képet a jel alakokról. Azt hiszem beépíthető állapotban van.
A hozzászólás módosítva: Feb 25, 2017
Sajnos a képek lemaradtak. A kapcsolás xr2206-al készült.
Nem hegyes kicsit az a szinusz?
A 13-14 lábak között lévő trimerrel lehet a torzítást minimalizálni.
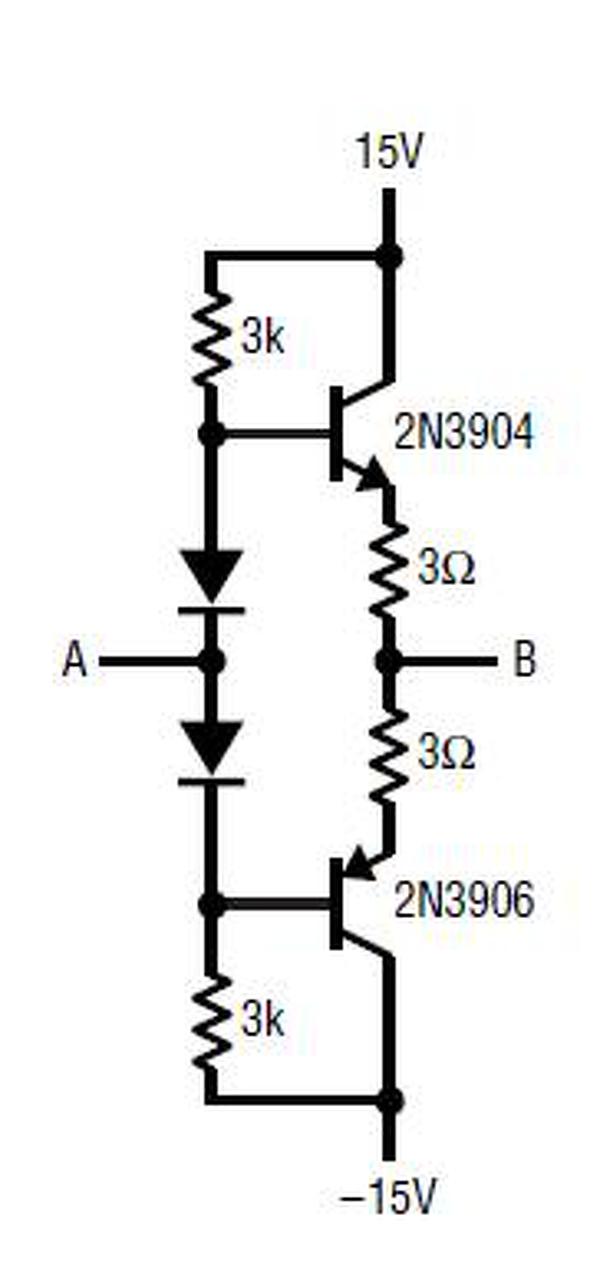
Jó lesz ez...a kimeneti erősítőt hogy oldottad meg? Azért kérdem, mert épp ezen dolgozom, (lásd melléklet).
A hozzászólás módosítva: Feb 25, 2017
A nagy kérdés, hogy mekkora kimeneti terhelést akar. Nálad ez frekiben jó, de saccintásra 200 ohmnál nagyobb kell legyen a terhelés. Ha kisebbet akar nehéz dolga lesz.
Az eredeti kapcsolásban A BD -kkel 10 ohm körüli kimenő impedanciát lehet elérni, viszont az 50 MHz körüli fT elég szűkös az impulzus kimenet erősítéséhez.
Köszönöm, ezzel is csak előbbre leszünk. Lényeges itt a tranzisztorok szimmetriája? Bétára közelieket választottam, nyugalomban pár század volt van a nulla helyett, ugyanennyi eltéréssel éri el a tápfeszültséget is, egyelőre egy miniatűr izzót (rizsszemnél nagyobbat) hajtottam meg...izzott. Kettő készült, egy a rajz szerinti tranzisztorokkal, a másikban, analóg célra, BC282-212 párossal. Lényeges, hogy komplementer párok -szimmetrikusak- legyenek?
Ez alapján építettem. Nem változtattam rajta. Beállítva sajnos még nincs mivel két darab trimmer nem olyan értékű mint a kapcsoláson. Mire dobozolásra kerül sora addigra azok is meglesznek. Bővebben: Link
A hozzászólás módosítva: Feb 25, 2017
Mivel analóg lineáris erősítőről van szó, kívánatos, hogy párban legyenek. minél nagyobb az eltérés, annál nagyobb lesz a hozzáadott torzítás. Bár úgy gondolom, a színuszosító áramkör torzítása mellett elhanyagolható, de sohasem mértem ilyet.
Van olyanból, bizony még gyermekkoromból, az jobban bírná, könnyeben is hűthető, mert egy 8 ohmos hangszóróra igen csak megizzadt. Lehet az lesz a vége, de most egy másikkal szemezek, BCP 51-56 os páros, 100MHz, 1A, 1W. SMD, egy négyzetcentis fóliára ráforrasztva talán jó lesz. Jobban hiszek a korszerűbb, újabb tranzisztorokban, egyszer olvastam valami hidrogéndiffúzióról, ami a félvezetőket öregíti.
BD138, BD139 még jobban hűthető,még viszonylag jó bétával, határfrekvenciában mivel emitterkövető kapcsolás, bőven elég.
Igen, az eredeti kapcsolásban is ilyenek vannak. Csakhogy az 50 MHz körüli határfrekvenciájuk igencsak szűkös egy 2 MHz -es négyszögjel átviteléhez.
A BC301 - 303 nak ez a paramétere 120 MHz, és a max árama is csak 0,5 A -el kisebb. Ez nagyjából egy 50 ohmos terhelés meghajtására elegendő. Ha nem akarsz közvetlenül dinamikus hangszórót meghajtani, (2 MHz -en miért is tenné) akkor nem kellenek a BD -k.
160Mhz határfrekvenciát ír a katalógus, Philips amit néztem.
|
Bejelentkezés
Hirdetés |




De relével is teljesen fölösleges bonyolítani, és drágítani. És ha már linkelted, akkor láthatod, hogy majdnem tízszer annyiba kerül, mint a fórumtársunk által linkelt kapcsoló. Folytathatnám még az érveket...de a többit Rád bízom... 

Mennyivel jobb ez, mint egy normálisan szűrt +5V?
Ezt látatlanban (és kipróbálás nélkül) nem mertem volna így nyákra vinni.





