Fórum témák
» Több friss téma |
Fórum » Geiger-Müller számláló (hobbi)
Adat lapot próbáltam már keresni de általam érthető nyelven (Magyar, Angol) nem volt.
Ez nem GM cső, viszont radioaktív. Van találat rá innen a fórumból, olvasd el a válaszokat.
Ez nem GM cső, hanem túlfeszültség levezető.
Azért belinkelhetted volna az a cseh leírást, ne nekem kelljen keresni.
Én is láttam hogy van rá innen találat de nem találtam meg.
Bővebben: Link
A hozzászólás módosítva: Márc 6, 2017
Nem tudom ez volt e már de jónak tűnik. pocketmagic.net
Vettem egy ilyent:
SI3BG meg a feszültség előállításához egy ilyent: HV step-up A héten akarom összeállítani a számlálót elég ha majd csak kattog. Csak ezzel mit tudok majd megnézni mert ha megnézzük a radioktív bomlási sorokat csak Hard Beta and Gamma sugárzást észlel, ami érdekes lenne az az urán meg a radon de azok alfa sugárzással bomlanak, a salakból készült házunk sugárzása érdekelne.
Szia. Ez a táp szerintem nem lesz jó neked,én is használtam önrezgős tranzisztoros tápot és konkrétan ordított a cső leválasztó kondiján a kapcsoló jel (magyarul fütyült a végerősítő ,annak ütemében hogy kapcsolgatott a táp). Keress valami komolyabb megoldást,erre sajnos szerintem ez a panel nem lesz megfelelő.
Szerintem nem jó a cső, ráadtam a 400V ot 10M Ohm on keresztül, de nem folyik rajta áram amit a mérőellenálláson kellene mérni, katalógusadat szerint 15 - 20 μA áramnak kellene folynia de nem mérek rajta semmit, illetve a háttérsugárzás mellett kb 5 másodpercenként kellene egy beütésnek lennie.
Üdv mindenkinek!
Van egy IH-81 típusú katonai sugárzásmérőm. Ennek mekkora az érzékenysége? Háttérsugárzásra kell neki valamit mutatnia? Mekkora feszültségnek kéne lenni az érzékelőn? Ez szilárdtest érzékelős, vagy gázkisülésen alapul, mint a GM-cső? Két rövid, hengeres érzékelő van benne. Köszönöm!
Üdv!
Köszönöm a segítséget. Ezek szerint az érzékelőn mérhető 30V körüli feszültség megfelelő.
Igen, de azt ne nagyon méregesd, mert ha sikerül kinyírni a MEV hibrid bemenetét nehéz lesz pótolni.
Sziasztok. Visszatértem a témához ismét. SMD-ben gondoltam megoldani az 555-el a tápot az SGS-5 csőhöz. Van bevált kapcsolás a cső táplálásához? (555-el megvalósított,lehetőleg zajmentes tápegység.)
Így gondoltam elképzelésem szerint,de ez is még csak 15Khz körül van sajnos. A kimenő fesz így 500V körüli, a csövet sajnos nem tudom beleszimulálni a programba de így megfelelne? Azon is gondolkoztam hogy mosfet-el kéne kapcsolgatni a trafóra az áramot...de egyenlőre örülök neki hogy ez működik. Holnap élesbe összerakom és majd kiderül. A tranzisztor ami a 3,7V-ot kapcsolgatja egy BD139 alapján mintázott, a cső alatti (ami jelenleg a led-et kapcsolgatja) egy egyszerű BC548C. Holnap elmegyek veszek még alkatrészeket a készülékhez és majd kiderül hogy élesben hogyan működik,ha minden jó akkor gondolkozok a publikálásán a kapcsolásnak (persze építéssel egybekötve).
A hozzászólás módosítva: Ápr 10, 2017
Elkészült a mosfet-es kapcsolás is. Ugyan azt tudja csak a táp terhelése válik kisebbé azáltal hogy a fet-nek nincs "magas" belső kapcsoló ellenállása,így kevésbé terheli a tápáramkört. Vélemények,jöhet negatív,pozitív egyaránt. (Végül is publikálni kívánom a kapcsolást így jó ha még most savaznak és nem akkor amikor már az egész kész és felkerült az oldalra.
)
Hello! Ha az 555 Dis kimenete közvetlen a kondira van kötve, nem az 1k-4k7 összekötésére, akkor a kimenet gyakorlatilag szinte állandóan magas szinten van, és csak egy pillanatra van alacsony szinten. Tehát a fet állandóan nyitva lesz, és a zárási idő várhatóan nem lesz elég sem a Fet számára, sem a trafó lemágneseződésre sem..
A 3,7V miatt Logikai Fet kell, és a mezei 555 sem biztos hogy erről működni fog. De miért nem mész át a DC-DC vagy kapcsolóüzemű topikba? Mert ez kapcsolóüzemű táp, ahol ebből a szempontból a Geiger cső irreleváns. Viszont mivel nincs feszültségszabályozás a körben, nem biztos hogy a csőnek az megfelelő. A hozzászólás módosítva: Ápr 10, 2017
És ha egy 2K2-es osztóval (2db 2,2K-s ellenállás) közepelem a discharge lábat?
Sziasztok!
Ez mennyire kiforrott kapcsolás? Bővebben: Link A megépítésén gondolkodom, illetve valakinek nincs hozzá eladó csöve esetleg?
Szia!
A hozzászólásban megtalálod a linket az eredeti kapcsolásról. Visszaolvasva az én és Shance hozzászólásait, minimálisan módosítottunk a hardveren mind a ketten. Letisztult átlátható programja van, számos csőhöz illeszthető, vagy akár két csöves kialakításra is van lehetőség, a hardver némi átalakításával (pl. 2db SBM20 párhuzamosan a nagyobb érzékenység miatt). A lineáris tartományban meglehetősen pontos, az ez fölötti tartományban kezd pontatlan lenni, mivel nincs a programban csőspecifikus korrekció. Ám tesztkörülményektől eltekintve nem szeretném a gyakorlatban megtapasztalni ezt a tartományt. A tápegység viszonylag egyszerű kialakítású, bár a hatásfoka hagy kívánnivalót maga után. Javítani lehet pl. egy 1:70÷100 áttételű mini trafóval, azonban az magadnak kell megtekerni és kikísérletezni. Ez esetben a feszültség többszöröző helyett egyszerű egyenirányítót tudsz használni. Feltöltöttem a "Radu Motisan" féle GM számláló egy részletét. A teljes kapcsolásnak a hátránya az, hogy az Arduino nemcsak a számlálást végzi, hanem a feszültség beállítást is, ezért magasabb tartományokban már nagy az impulzus vesztés, ezért itt jóval pontatlanabb. Ezért nem szabad a csőfeszültség beállítását a MEGA328-ra bízni. hanem külső step-up konvertert kell alkalmazni. Tehát összefoglalva: miután áttanulmányoztad az eredeti oldalt, Shance és az én tapasztalataimat, bátran belevághatsz a megépítésbe. (Persze előbb be kell szerezni egy csövet. Körülnézhetsz a Vaterán, vagy az eBay és számos más hasonló oldalon a neked tetsző cső után. Az eredeti oldalon találsz leírást a fellelhető csövekről is)
Ez lemaradt.
Szia! Az AVR-be írandó hex-et fel tudnád tölteni és a fusebitekről némi infót? Köszi
Esetleg valaki nem tudna adni az előttem közölt áramkörhöz egy hex fájlt? Sajnos én nem találom a nevezett oldalon a hexet, fordítgatáshoz sajnos nem értek....
Hello,
A hex-et Te is könnyen létre tudod hozni, csak az arduino programját kell hozzá letöltened. Betöltöd a programot, és futatod az ellenőrzést, ennek folyamán létrehozza a hex-et, amit a windows temp mappájából tudsz kivadászni. Érdemes megpróbálni, mert sok mindent lehet állítani. Azért csináltam két hex-et. A 11.1-s verziót Phillips kódra állítottam. A 12.0-s verzió csak ilyen vagy ehhez hasonló 38kHz-es NEC távirányítóval megy. Ezt leszámítva nagy különbség nincsen köztük. Fuse bitnél csak annyit kell tenni, hogy kirakod külső kvarcra. EXTENDED:0xff HIGH:0xD9 LOW:0xff
Meg jött az ebay-en vásárolt sbm-20 csövem. Szerintetek normális az, ha megrázom zörög benne valami? Elméletileg tesztelt, új példányt vásároltam és be is volt normálisan csomagolva. Elképzelhető, hogy működik ez még így, vagy kuka?
Nem kéne zörögnie, attól még akár működhet is. Ki kell próbálni egy szabályos kapcsolással. Addíg ne értékeld az eladót amíg ki nem próbáltad.
Sziasztok!
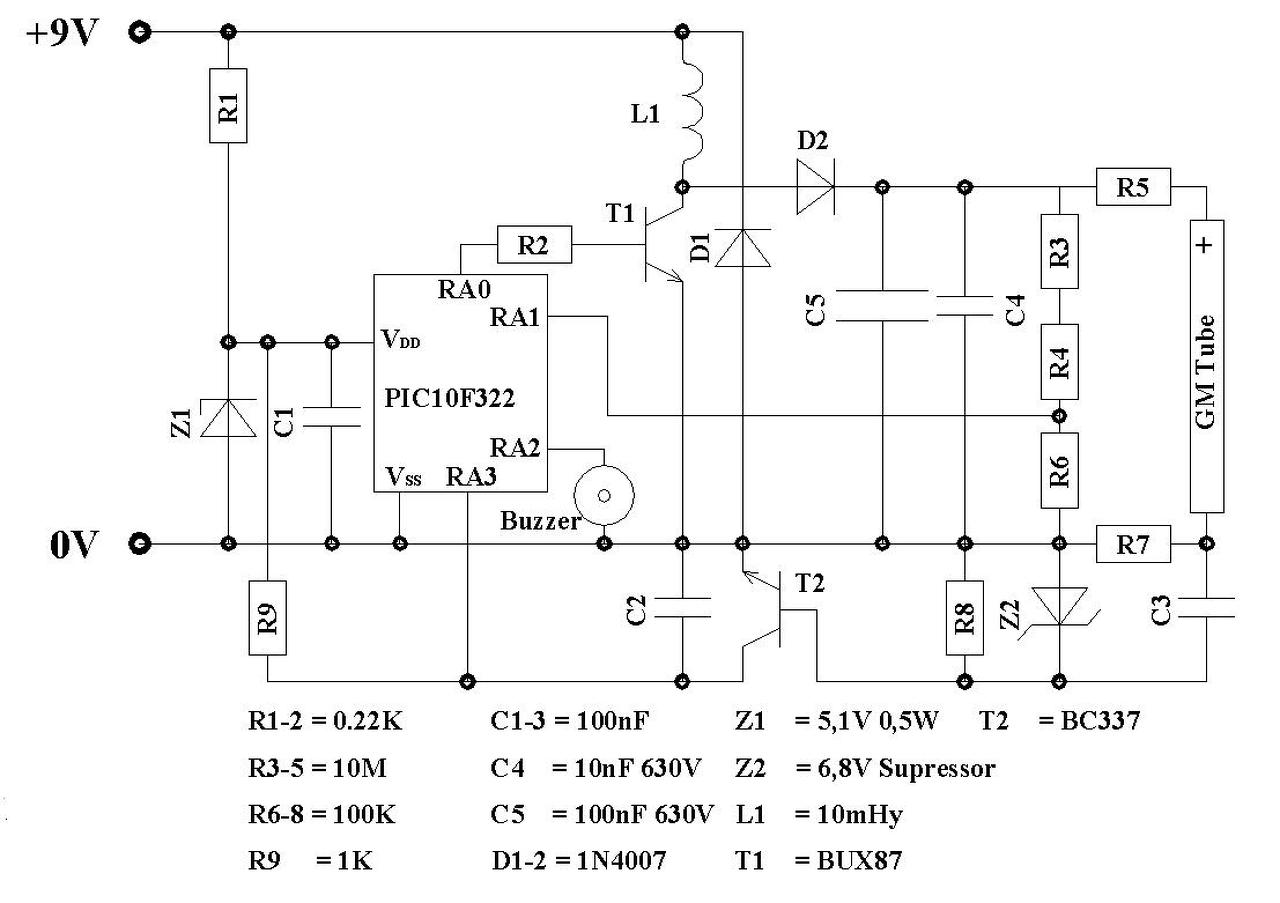
Elkészült végre saját tervezésű sugárzás jelzőm. A lelke egy PIC10F322-es mikrokontroller. Egy lépcsőben, tekerccsel állítja elő a szükséges 400V-ot. A visszacsatolás révén ezt pontosan be is állítja. Közben azt is figyeli, hogy létre jön-e egyáltalán a 400 volt. Ha 2 másodpercig nincs meg, leállítja az oszcillátort, és szaggatott sípoló hibajelet ad. 40KHz-s 70% kitöltésű PWM jellel van hajtva a feszültség sokszorozó. Mivel nem a szokásos kattogó hangot akartam, ezért egy buzzert tettem hangjelzőnek. Mivel a buzzer számára túl rövidek az impulzusok, ezért a PIC azokat is feldolgozza. Az áramkőr teljes fogyasztása 30mA. Közzé teszem a kapcsolási rajzot. Ha valakinek kedve támad utánépíteni, feltöltöm a hexet is.
Annak örülnénk.
Esetleg a nyák tervet is, ha már meg van. A hozzászólás módosítva: Nov 18, 2017
|
Bejelentkezés
Hirdetés |





) 


Esetleg a nyák tervet is, ha már meg van. 




