Fórum témák
» Több friss téma |
Fórum » Keverőpult építése, javítása
A kapcsolásból igazából a fokozatok érdekelnek. Nincs ekkora keverőre szükségem, csak egy részét építeném meg. Valahol több lenne, mint egy átlag keverő, valahol kevesebb.
Építheted ez alapján a rajz alapján is a be- és kimeneti fokozatokat. Halványan be van rajzolva a hangszín kör is. A kimenetre a Master poti után viszont én még tennék egy kimeneti fokozatot, ami függetlenítené a Master potit a terheléstől.
Sziasztok ! Vettem egy Gemini ps 626 x keverő pultot a mikrofon része nem szól csúnya kokányolást találtam.Ha így be kötöm működhet ? Köszönöm szépen.
A hozzászólás módosítva: Dec 12, 2016
Ha minden vezetősávot helyreállítasz és az IC jó, akkor működhet. ezt így a képekből nehéz eldönteni.
Oké csak nekem nem egyértelmű a vezető sáv.
Kapcsolási rajzot kell hozzá keríteni. Ez itt például a Gemini PS-727. (Alul a Processing felirat helyett megjelenő Get Manulal feliratra kattintva tudod letölteni.) Talán ez a része hasonló.
Hello mindenkinek. Olyan kérdésem lenne, hogy egy 2 csatornás keverőt szeretnék építeni. Nem kell semmi extra hogy mély magas stb állítása. Csak a két bemenő hang hangerejét tudjam állítani. Valakinek van valami kapcsolása? Jó lenne ha csak plusz tápos megoldás lenne. Előre is köszönöm
Hello! Pld. itt van. Két bementet elhagysz, és kész is vagy.
Sziasztok. Keverőpultban 1-1-ben kiváltható a 741-es ic NE5532-vel? Vagy valamely TL sorozatú ic volna megfelelő hozzá? A válaszokat előre is köszönöm.
Azokban 748 szokott lenni, a 741 kiszajú változata. Ha stimmel a lábkiosztás, akkor igen.
Ebben a keverőben viszont sajnos 741 van
,minden esetre most gondolkozok a TL071-en,azt látom megegyező bekötésű helyettesítőjének. Van benne (kicsit sajnálatosan is) 741 és 748 vegyesen (egy csatorna két műveletit használ,de egy csatornán belül hál isten nem különböznek). Kérdésem még az volna hogy a benne lévő 748-asokat nem érdemes gondolom lecserélni ? (fém tokos a 90%-a az egészből),de van amelyik csatornában csak 741-esek vannak.
Üdv!
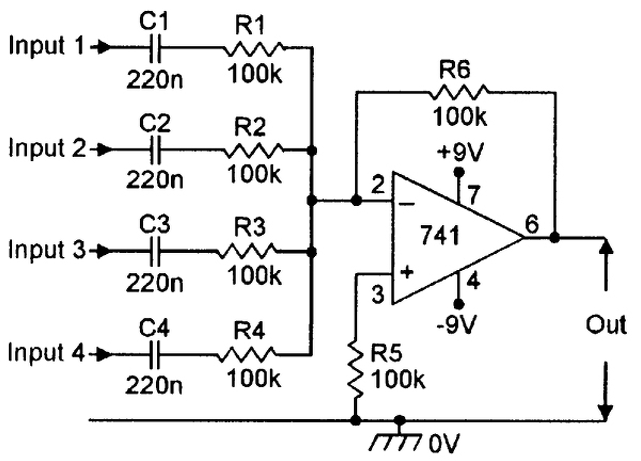
A képen látható keverőhöz jó az NE5532 ic is? (low noise) Mármint hogy nem kell módosítani benne semmit? Előre is köszi a választ!
Üdv! Nem kell semmit módosítanod. Az IC lábait értelem szerűen kösd be!
Illetve a kapcs. rajz semmit se mond a tápfeszről, ott is lyukra lehet futni, bár ennek kicsi az esélye.
A hozzászólás módosítva: Márc 23, 2017
Ha így építed meg a rajz alapján, akkor felesleges bele az 5532-es, mert ez így már alapból zajos lesz.
Az alsó részen látható passzív-keverő rész zajos, ettől az egész zajos lesz a kimenetén nézve. Az alsó részhez is IC-vel megépített erősítőfokozat kellene, kisebb erősítéssel, mint a fölső csatornák, amik vélhetően mikrofonhoz valók, a 100-szoros erősítés miatt. Az alsó, vonalszintű csatornákhoz, azonos kapcsolásban elég lenne a 47k-47k ellenállásos bemeneti-visszacsatoló ellenállás. A potméterek is az alsó részben inkább 47-100kOhm értékűek legyenek és a bemeneten, az IC előtt. Ha az alsó rész is IC-vel támogatott lesz, akkor a most bennlévő 47kohm-os ellenállásokat ki lehet venni, helyettük 1-1kOhm kell összegzőnek a kimeneti IC-fokozat elé. Sok sikert! Üdv!
Az alsó rész nem egy külön passzív keverő, az alsó 3 csatorna jelét ugyanúgy a kimeneti opamp összegzi aktív keverő fokozatként, mint ahogy a többi csatorna jelét is. Azok a bemenetek minden bizonnyal nagyjelű műsorforrás jelét hivatottak fogadni (az már más kérdés, hogy egy illesztő fokozatot megkívánnának azok a bemenetek). Az LM324 zajosabb, mint az NE5532, úgyhogy előnyére válna mindenképpen az áramkörnek.
Mikrofon előfoknak viszont nem használnám, főleg nem aszimmetrikus jelfogadással. De ez a kapcsolás láthatóan nem professzionális célokra lett tervezve, egyszerű házi használatra viszont megfelelhet. A hozzászólás módosítva: Márc 23, 2017
Köszönöm a válaszokat!
Nem várok el semmi komolyat. A NYÁK nincs még meg, úgyhogy az IC-hez igazítom a panelt.
Ha szükségét érzed, tedd majd be a NYÁK-terv ellenőrzés topicba! A rajz nem tartalmazza, de ajánlatos az IC-k táplábaihoz 100uF+100nF szűrőket ültetned.
De, az alsó rész egy passzív keverőfokozat, aminek az összegzett jele az IC-bemenetén nézve már zajos lesz, a kimeneten erősítés után, pláne.
Minden csatornába jó lenne egy IC-fokozat, a csatorna felhasználástól függő erősítéssel és azok kimenetei lennének összegezve, akkor sokkal kisebb zaj lenne a kimeneten, de ezt majd a megépítője hallani fogja és esetleg megírja nekünk, hogy mit és hogyan épített meg. Ismeretlen bemeneti forrásimpedanciához pedig jó lenne FET-bemenetű, kis zajú erősítő IC, mint mondjuk az OPA2134, vagy más hasonló. A tápot az IC lábaihoz minél közelebb hidegíteni kell kb. 47-100nF-os kerámia kondenzátorokkal és a panelon külön még a bejövő tápnál soros 10Ohm-on keresztül 100-220µF ELKO is jó ha van. Sok sikert! Üdv!
Értem, hogy mire gondolsz, viszont attól, hogy azokban a csatornákban nincs aktív elem, még maga a keverő FOKOZAT aktív (a kimeneti opa).
Szerintem is az also rész (passzív) csapnivalo terv. Teljesen mellözi a logikát s igy soha nem lesz az amit várnak töle.
Mindenképpen megérne egy ujratervezést. A hozzászólás módosítva: Márc 26, 2017
Lehet, de tele van a net ilyen rajzokkal. Egyik bemeneten sincs aktív fokozat.
A hozzászólás módosítva: Márc 26, 2017
Hello! Milyen jó, hogy mindenki mond valamit, független a kérdező igényeitől. Csak azt kérdezte, jó-e a 324 helytett egy 5532..
Ráadásul nincs definiálva milyen zajról is van szó. Hol van itt a passzív keverő? És mitől zajosabb egyik mint a másik? Félek, hogy feltételezett dolgok az indokok csak.
Az semmit nem jelent ( a net már csak ilyen szemétdomb), de ezért amit beraktál van közöttük a tiedénél jobb is.
Az also 3 bemenet passzivnak mondhato, hiszen nincs ott erösitö, csak az összegezett jel van erösitve. Mivel ezek nagyszintü jelek az LM324 zaja itt nem igen számit ( a másik 3 bemenetnél igen). Ennek ellenére ide is jobb IC illene mint a matuzsálemi LM324. A hozzászólás módosítva: Márc 26, 2017
Passzívnak mondható? Nem éppen egy-egy tipikus invertáló kapcsolás mind a hat?
A jel mielött az invertálo fokozatra jut már keveredik. De a hiba nem itt van, hanem a bemeneten.
A műveleti erősítő 13-as lábbal jelölt bemenetére ideális esetben úgy tekinthetünk, hogy ott nincs feszültségváltozás, az áramok eredőjének kell nullának lenni. Ennek tükrében vizsgálva egy vonali bemenetet, nem jöhet szóba a jelek előzetes keveredése. Kipróbált dolog ez, esetleg én nem magyarázom elég világosan.
Nem ott van a baj, hanem a bemeneten. A 3 potira DC is kerülhet amitöl serceg az egész keveröpultocska. Azaz a leválaszto kondik vannak rossz helyen. Csak ennyi, és sajnos sokszor elöfordul a neten is meg az ocska pultokban.
|
Bejelentkezés
Hirdetés |







,minden esetre most gondolkozok a 








Viszont az 



