Fórum témák
» Több friss téma |
Mielőtt kérdezel, a következő két dolgot ellenőrizd!
I. A helyes tápfeszültségek megléte.
II. A kimeneten van-e egyenfeszültség.
Élesztés.
Szia. Mért eredmények. Rövidre zádt bemeneten felélesztettem a panelt. (Élesztés szabályai mellett.) izzon keresztül. Mérve. (100w) 2x46-48v ra esett a tápfesz. Méricskélve a source ellenàllások on. Teljesen különböző értékeket mértem. + oldali source ellenállás okon. Volt ahol 1-2mv volt ahol egészen 8mv ot is. Itt már gyanus volt számomra valami nem teljesen kerek. Próbakép rà inditva teljes tàpfeszen ami 2x83v. Másik érdekes dolog ált fent. Az összes. +oldali source ellenálláson. 0mv volt mérhető. (sajnos negatív. Oldalt nem tudtam mérni nem fértem hozá) kimenet szěpen be állt 0v ra. Dc nem volt mérhető. Adtam neki bemenő jelet szépen szóllt is. Fére tettem az egészet. Másnap első inditásnál. Hogy további méréseket készitsek. Azonnal csatt.... +oldalon összes FET. - oldalon 1db teljes zárlatba ment. A meghajtás egyik tranzisztora is. Meg egy kondenzátor szét durrant. Első mérésekre enyi.
Lehet a maximális áramnál is mérni, de nem feltétlenül szükséges. Nem kell hozzá áramgenerátor, csak egy labortáp. Simán rákötöm a labortáp egyik kivezetését a gate-re és a drain-re, a másikat a source-ra (az adott FET polaritásának megfelelően), beállítok egy akkora feszt, hogy kb. 50 mA folyjon az egyik példányon, és ugyanezzel a beállítással végigmegyek az összesen, és a mért áram alapján kategorizálom 3-4 csoportba. Utána pár A-t állítok be, és kategóriánként újra mérem. Fontos, hogy gyorsan végezzük a mérést, vagy közben egy nagy tömegű hűtőbordára szorítsuk, mert a melegedés hatására elmászik. Ezért is nem nagy drain feszültség mellett végzem a tesztet.
Nem szükséges 1-2 %-os egyezés, 20 % bőven elég, meg persze némi tartalék a méretezésnél. Persze, ha valaki veszi a fáradságot, és teszteli nagy fesz és áram mellett is, és összeválogatja ennél is pontosabban, akkor biztos jobb lesz a megbízhatóság, de ki az, aki hűtőbordára szerel 100 tranyót, leméri, felírkálja hozzá az értékeket, összeválogatja, hogy utána felhasználjon belőlük 20 db-ot? Reálisabb az, hogy 20-20 tranyóból összeválogatunk 6-6-ot az egyik végfokhoz, 6-6-ot a másikhoz, és megmarad 8-8 db ami nem illik össze semmivel
Itt vannak a fotok is. A zener roszul volt az első nyák terven amit legyártottam ezért került így.
Így már jobb, kizárható egy csomó hibaok (diódák ezek szerint tényleg jó polaritással vannak beültetve), viszont felmerül a kérdés, hogy vajon még mi változott meg azóta? Nem egy hálás munka képernyőről visszarajzolni egy tervet...
A típusszámok is kérdésesek, mi lett valójában beültetve? BC...? Zéner? Az 1-8 mV önmagában nem tragédia, a teljes táp melletti 0 mV viszont súlyos hibát sejtet. Újra kéne mérni, először kis tápfeszen, szkóppal, munkaponti feszültségeket is.
Amint megkapja az ùj alkatrészeket. Végig mérek mindent. És meg ìrom hol mit mértem. Csak az után probálom teljes tápon.
Pl én,én megcsinálom a 100db os mérést is ha erről van szó
A többit a fiókba dobom és ha egyszer kell jó lesz másra,vagy netalán összeillik majd egy másik garnitúrával. A hozzászólás módosítva: Márc 27, 2017
a kérdés ilyenkor mi alapján kategorizálod? Átfolyó áram adott feszültség mellett?
Én úgy látom, hogy a 685-ös képen nézve a középső ELKO ki van durranva, azt mindenképpen ki kellene cserélni, mielőtt a drága FET-ek beépülnének.
Üdv!
Mindenképpen mérd össze a FET-eket. Én a helyedben még finomítanám a NYÁK-ot. Milyen vastagok a +- ágak vezetékei? Célszerű lenne végig hidegíteni és megerősíteni. Régen szívtam ilyen sok FET-el énis.
A hozzászólás módosítva: Márc 27, 2017
Így van. Ez egy az egyben megfelel annak, ahogy az áramkörben viselkedniük kell, azonos feszültség mellett nagyjából egyező áram kell. A fordított módszer esetén (konstans áram mellett mért fesz) a feszültség differenciákat még be kéne szorozni a meredekséggel (amit szintén mérni, de legalábbis számolni kéne) hogy megkapjuk az áramdifferenciákat és így ki tudjuk értékelni, hogy melyik tranyó fogadható még el. Ez csak fölösleges macera lenne.
Ezt ő is tudja. Akkor durrant el, amikor a + oldal biztije kiment és a zárlatos tranyókon keresztül nagatív fesz kényszerült a + sínre.
Köszönöm!Nagyjából kirajzolódott előttem a dolog,így ha egy kapcsolási rajzzal vagy csak megközelítőlegessel tudnál szolgálni megköszönném,gondolom külön kell a p-s nek és az n es nek egy egy áramkör vagy egy cserélhető tokozás amibe a meghajtó p-n es tranzisztor ilyenformán instant cserélhető mérések idejére..
szia. Pont ugyanígy jártam egy Ágota DS1200-al. Csak nekem egy hét után jött a nagy durr. Széttörtem az összes fetet, meg volt még gyári is, (kikukáztam). Fele akkora lapka nem volt a tokokban, mint a gyári Motorolákban. IR rectifier-ek voltak.
Nem voltam elég körül tekintő. De megtanultam egy életre...
Az a baj hogy már 50-50% pont az irfp 240-9240-250 nnél hogy nem hamisat fogsz ki bárhonnan is veszed meg,így marad az hogy beépítés előtt jól le kell őket terhelgetni mielőtt elpukkannak,inkább ott jöjjön elő a hiba.
Nekem gyári készülék durrant. Teljes félvezető, elkó, g, s ellenállás sor csere, még ott is voltak égések. Előről kezd az egész, félvezető más forrásból beszerez, 2-szer durrant így el, mire megtaláltam a használható forrást. Az ember belead apait, anyait, és ezekkel a mostani ócska alkatrészekkel küzd!!
Én IRF630/9630-okkal küzdöttem, 32 db. van az erölködőben. Az egyik garnitúrát egy szakmában aktívan dolgozó ismerősömmel szedettem össze, válogatta garnitúrába, de az is röpült. Kicsi a lapka bennük, igénybe vannak véve rendesen, vagy hősokkot kapnak, vagy egyszerűen átütnek. A 3. garnitúra vált be, akkor ha vigasztal, az IRF-ek még ócskábbak.
Épp nézegettem egy videót ahol nem hogy 10a drén áramot de 2 a t sem bírtak ki,inkább voltak valók olvasztótégelynek mintsem beépíteni valók...Szintén átütött a gate rajtuk és mehettek a kukába...
Nemrég beszereztem még 1 DS1200-at, az egyik oldalban minden tranyó még az eredeti gyári, másik felét fölélesztem, és uccu neki műteher, melyik fog hamarabb "szólni". (szerencsém, hogy 150Ft-os tétel a végfet) Kiderül hova, miféle irányba "fejlődik" a technika...
Sajnos egyre több az ócska és szándékosan rontott Félvezető. Úgymond tervezett elavulás . És gazdaság fenntartása a céljuk ezzel. A véleményem megvan... De sajnos ferdeszemű barátainkra vagyunk kényszerülve, és az ö kénye kedvükre. Ezt akarta a gazdaság hát megkaptuk és iszuk is a levét nap mint nap.
Idézet: „Pl én,én megcsinálom a 100db os mérést is ha erről van szó A többit a fiókba dobom és ha egyszer kell jó lesz másra,vagy netalán összeillik majd egy másik garnitúrával.” Nézzük mit nyersz vele: 20 % helyett 2 % egyezéssel 6 helyett 5 FET is elég, ez egy sztereó erősítőben 4 tranyó, mondjuk 1500 Ft spórolás kb. 4 óra plusz munka árán, és lesz egy végtranyóhiba esetén baromi nehezen javítható erősítőd. Viszont 80 db-bal többet kellett venned. Ez a fiókban 5 év múlva, mire felhasználod, harmadannyit fog érni. Vagy eladod most mindössze 5000 Ft veszteséggel és némi hirdetés, postázás, stb árán. Megéri?
Ez nem egészen így van, mert pl. a lomex-ben nekem még sosem sikerült hamis félvezetőt vennem. Abból a 400W-os VF2 modból (4 pár FET) aminek a rajzát annak idején feltettem a topikjába, készült néhány sztereó garnitúra, és amennyire tudom eddig egy sem ment tönkre belőle, pedig egyáltalán nem lettek a fetek válogatva.
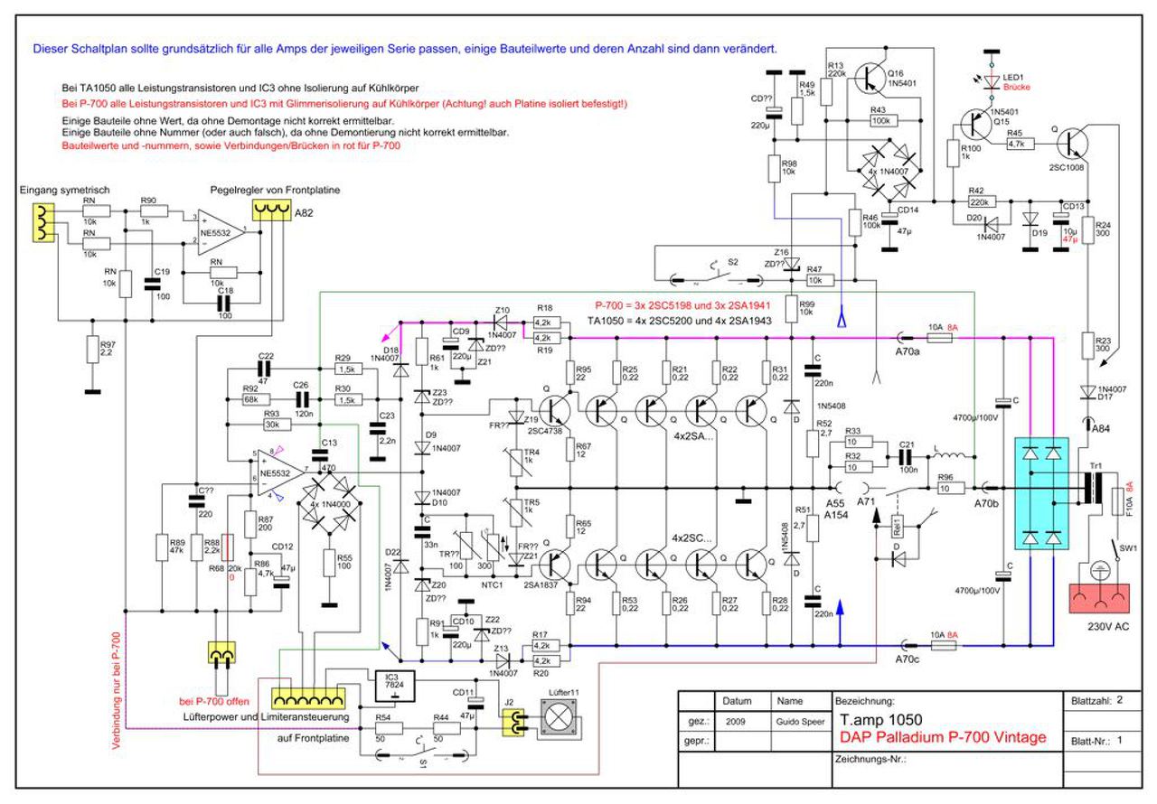
Adott egy t-amp 1050 es végfok sikeresen javítottam kapcsolási rajz alapján. Viszont a javított oldal halkabban szólt mint az originál ( sose javított)oldal. Szét bontottam és méricskéltem. A kapcsolási rajzon az R87 200 ohm viszont . a sose javított oldalnak az R87 e 150 ohm . A kérdésem a következő lenne okozhatta e hogy , e miatt volt halkabb a javított oldal.??
Na akkor majd a lomextől vásárolok innentől.Pafi:Nem éri meg sokszor pont erről szól a hobbielektronika...
100 db-ot fél óra alatt átmérsz. Brax-nál voltam anno, a különféle félvezetők összemérve külön fiókokban várjâk a beépítést. Annyi mindent lát az ember amit igenis érdemes átvenni az amatôrnek , hiszen ettől (is) fejlődik.
A rajzon csak egy labortáp és egy FET lenne ha lerajzolnám. Esetleg még egy árammérő, ha a beépített nem elég pontos.
Persze ha hamis vagy selejtes sorozatú tranyót fogsz ki, akkor semmit nem ér az egész, de ez egy másik témakör. Ez ellen muszáj megbízható forgalmazótól vásárolni, vagy nagy teljesítményen tesztelni, de nem 20 vagy 100 netán hamis tranyót kell venni, hanem 2-t, és ha azok jók, akkor venni még. Farnelltől, TME-től még sosem kaptam hamisat, Lomex-től sem rémlik. Kontha, Arwill, és az összes kis bolt már bukott nálam.
Szia. Úgy rémlik Pafi írta a PVM témában, hogy a teljesítmény félvezetőket az adatlapon feltüntetett maximális disszipáció felével pár másodpercig (természetesen tisztességesen hűtve) megterhelve azonnal kiugrik a hamis példány. Ezt a gyakorlat be is igazolta. Volt itthon egy marék 2N3773. Még a Quad-os korszakból maradt. A teszten kihullott, természetesen el is halálozott példányok lapkái alig fele méretű volt, mint kellett volna. De akkor még nem volt itthon internet, így nehéz volt beazonosítani a példányokat. A TO-3 tokozás amúgy is kínálta a hamisítás lehetőségét. Viszont plasztik tokozásnál vannak egyedi tulajdonságok, amit viszonylag könnyű észrevenni ha nem stimmel. Ha a gyártó adatlapját megnézzük, minden porcikának egyeznie kell. Tapasztalatom szerint komplementer feteknél a "P" csatornásat kevésbé hamisítják, mert ahoz kellene valami olcsóbb "P" csatornás donor. Bizalomgerjesztő, ha a "P" és "N" csatornásak tokozása megegyezik. Természetesen például a Toshiba K1529/J200-nál a más színű tok nem hamisításra utal.
Vásároltam 2SK1058/2SJ162 feteket a -----(egyelőre nem írom le a kereskedés nevét) magyarországi webáruházában. A "P" csatornásak eredeti Renesas gyártmányúak voltak, de az "N" csatornásaknak még a tokozásuk sem volt az adatlapnak megfelelő. A Hitachi feliratot azért rányomtatták, ami már az újjam nedvességétől is elkezdett leoldódni. Természetesen már a műszeres ellenőrzéskor kiderült, hogy a DS lábak fordítva vannak. Jó két hétbe tellett, mire igazamat bizonyítani tudtam. Hosszú vita előzte meg a kártalanításomat, mert a visszaküldött feteket bevizsgálták, és az az eredmény jött vissza, hogy a fetek működőképesek. Jó pár telefonálásba telt, mire el tudtam magyarázni, hogy a gyártó nem ilyen lábkiosztással tokozza a lapkát, meg hogy a lényegi 100 mA-es hőmérsékletfüggetlen munkapontot nem tudja. Az, hogy a beszállító vitt az üzletnek hamis félvezetőket, az engem nem vígasztal meg. Azóta mindig postapontra rendelek alkatrészt, és a postai dolgozóval bontatom fel a küldeményt. De azóta még nem volt miért reklomálnom.
Ez -3dB-t jelent, tehát ugyanakkora jelnél fele kimenő teljesítményt. Ha ekkora volt az eltérés, akkor igen. Ha jóval halkabb volt, akkor még lehet más is.
igen pont a fele volt.... Ezek szerint hibás a kapcsolási rajz.
A hozzászólás módosítva: Márc 28, 2017
|
Bejelentkezés
Hirdetés |









A többit a fiókba dobom és ha egyszer kell jó lesz másra,vagy netalán összeillik majd egy másik garnitúrával.








