Fórum témák

» Több friss téma
Fórum » Elektronikában kezdők kérdései
- Ez a felület kizárólag, az elektronikában kezdők kérdéseinek van fenntartva és nem elfelejtve, hogy hobbielektronika a fórumunk!
- Ami tehát azt jelenti, hogy a nagymama bevásárlását nem itt beszéljük meg, ill. ez nem üzenőfal!
- Kerülendő az olyan kérdés, amit egy másik meglévő (több mint 17000 van), témában kellene kitárgyalni!
- És végül büntetés terhe mellett kerülendő az MSN és egyéb szleng, a magyar helyesírás mellőzése, beleértve a mondateleji nagybetűket is!
Lapozás: OK   2972 / 4051
(#) Stewe válasza Tranzisztor mester hozzászólására (») Ápr 1, 2017 /
 
Van.
Felesleges folyamatosan mérni, nem akarod a száradás ütemét naplózni.
Ugyanez a kapcsolás, egy időzítéssel kicsit kiegészítve, hogy például fél órénként mérjen, és ha "száraznak találja" akkor adjon egy hangjelzést, hajtson meg egy LEDet, stb.
Az viszont biztos, hogy a tápoldatok ellenállása a sótartalom miatt jelentősen eltér a víztől, nagyon nehéz belőni az elfogadható értéket.
A hozzászólás módosítva: Ápr 1, 2017
(#) tbarath válasza reloop hozzászólására (») Ápr 1, 2017 /
 
A nagy fémdarabot félreértettem.
És köszi a linket, jó tudni hogy ilyen is van.
(#) Remci hozzászólása Ápr 1, 2017 /
 
Sziasztok!
Azt szeretném kérdezni, hogy egy ilyen szilárd test relével olyan villany motornak ami nem szénkefés, vagyis csak állórész tekercse van, a forgó részen meg nincs tekercs ( nem tudom mi a neve, hasonló mint a régi Tesla lemezjátszók motorja ) a fordulat szám változtatására használhatom-e? Jelenleg fűtőszál teljesítmény szabályzására használom, de érdekelne hogy ventilátorhoz is lehetne-e használni? Azt írja az ismertető hogy ohmikus terheléshez, de nem tudom hogy ilyen villanymotor minek számít.
(#) Bakman válasza Remci hozzászólására (») Ápr 1, 2017 / 1
 
Nem használhatod. Te aszinkron motor fordulatszámát szeretnéd szabályozni. Annak fordulata a frekvenciától függ, ezt a szilárdtest relé nem tudja megváltoztatni.
(#) Remci válasza Bakman hozzászólására (») Ápr 1, 2017 /
 
Köszönöm. Akkor ez halott ötlet. Legfeljebb megpróbálok keresni hozzá egy egyszerűbb kapcsolást, amivel megoldható.
(#) Bakman válasza Remci hozzászólására (») Ápr 1, 2017 /
 
(#) Remci válasza Bakman hozzászólására (») Ápr 1, 2017 /
 
Köszi,nézem.
(#) Addye hozzászólása Ápr 2, 2017 /
 
Sziasztok!
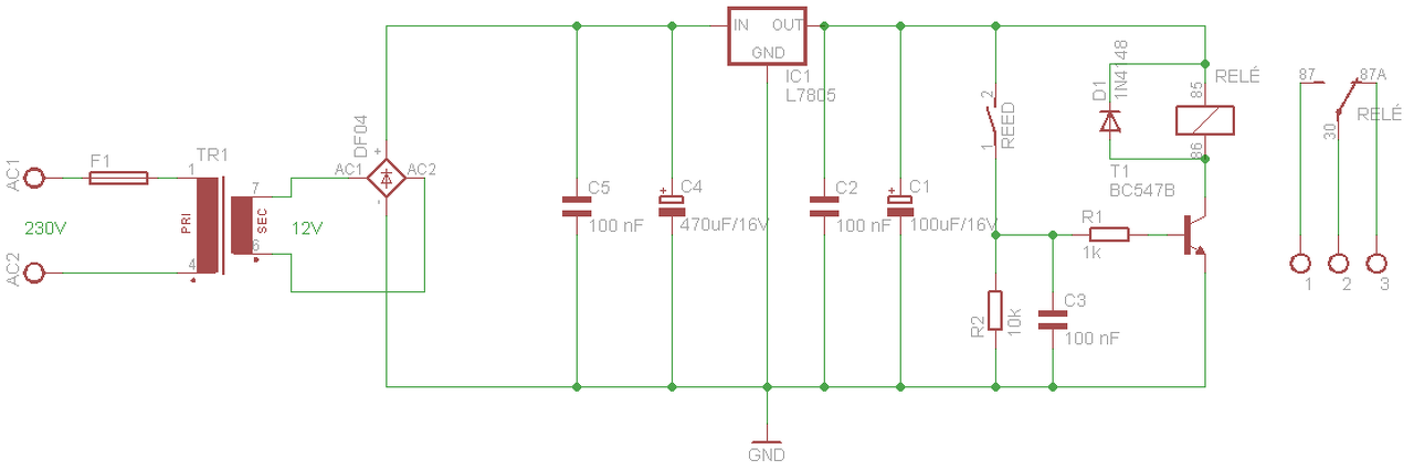
A lenti kapcsolásba kérnék segítséget, mert megépítve nem működik. A kapcsolás lényege, hogy egy REED relé kapcsolja a relét ki/be. A jelenség az, hogy az első megépítésnél a trafó borzasztóan zúg. Több példány kell belőle, így megpróbáltam úgy megépíteni a következőt, hogy először a trafót (12V) forrasztottam be, majd az egyenirányítást (DS04), aztán a kondikat és az L7805-öt, majd rámértem és csak 3,5V körül adott le az IC, viszont így nem zúgott a trafó. Mitől lehet ez? A NYÁK biztos jó, azt többször ellenőriztem.

Köszönöm előre a segítséget!

001.jpg
    
(#) pucuka válasza Addye hozzászólására (») Ápr 2, 2017 /
 
Hát az egyenirányító rész hun marad? A kapcsolásod szerint a trafón a kapcsoló után (minek?) egy kondi jön, ami megkapja a trafó váltóját. Még csoda, hogy nem robbant fel, a trafód pedig zúgással jelzi, hogy nem szereti a kondenzátor által képviselt rövidzárt.
(#) erdgab válasza Addye hozzászólására (») Ápr 2, 2017 /
 
Hol van az egyenirányító és a puffer?Nekem az a DS04 egy dip kapcsolót hoz.A 7805 nem megy váltófeszültségről,let,hogy már el is hullott.
(#) Addye válasza erdgab hozzászólására (») Ápr 2, 2017 /
 
Elírtam, bocsánat, DF04 végzi az egyenirányítást.
(#) pucuka válasza Addye hozzászólására (») Ápr 2, 2017 /
 
Biztos jól van betéve? Nem fordítva? Ha jól van, akkor a 330 mF -al párhuzamosan kéne még egy 100 µF is pufferkondi gyanánt.
A hozzászólás módosítva: Ápr 2, 2017
(#) jani1987 válasza Addye hozzászólására (») Ápr 2, 2017 /
 
A relé előtt a diódának van bármi értelme vagy csak én nem értem hogy kerül oda? Nem kevés a 330nF? Mert a rajzon annyit látok.
A hozzászólás módosítva: Ápr 2, 2017
(#) Kovidivi válasza jani1987 hozzászólására (») Ápr 2, 2017 /
 
Arra a diódára gondolsz, amelyik párhuzamosan van a relével?
(#) Firefighter1 hozzászólása Ápr 3, 2017 /
 
Sziasztok!
video illetve audio jel kapcsolàsra tudtok valamit javasolni?
PIC től kapnà a jelet!
(#) kadarist válasza Firefighter1 hozzászólására (») Ápr 3, 2017 /
 
Szia!
Vannak ezek a CMOS analóg kapcsolók, mint a 4066. Bővebben: Link.
(#) jani1987 válasza Kovidivi hozzászólására (») Ápr 3, 2017 /
 
Pontosan.
(#) kadarist válasza jani1987 hozzászólására (») Ápr 3, 2017 /
 
Dióda kell a kapcsoláskor fellépő induktív feszültség elnyelésére.
(#) sany válasza Addye hozzászólására (») Ápr 3, 2017 /
 
Szia!
Ahogy a többik írták, azok a pufferkondenzátorok elég kevésnek tűnnek szerintem is. A másik észrevételem az lenne , hogy én nem kötném közvetlen rá a stabilizátor IC-re a relét. Egy kapcsoló tranzisztor segítségével kapcsolgatnám. Én a képen látható módon oldanám meg. Persze így egy kicsit megnövekedne az alkatrészek száma. Ellenőrizd, hogy a dióda hidat jól kötötted-e be!
A hozzászólás módosítva: Ápr 3, 2017
(#) Gafly válasza sany hozzászólására (») Ápr 3, 2017 /
 
Mellesleg miért kell bele stabilizátor?
Jelfogónak nem kell stabil feszültség...
Inkább 12V-os jelfogót használnék, tranzisztorral ahogyan a rajzon van.
Ebben az esetben IC1, C1, C2, C5 nem kell, R1 lehet nagyobb is.
Trafó lehet 9V-os is.
T1, D1 viszont nagyobb is.
(#) Stewe válasza Addye hozzászólására (») Ápr 3, 2017 /
 
Gaffy után még az is eszembe jut, hogy nem is szükséges még az egyenirányítás sem, ha van egy megfelelő váltakozó feszültségű reléd....
A hozzászólás módosítva: Ápr 3, 2017
(#) KissZol hozzászólása Ápr 3, 2017 /
 
Sziasztok!

Arduino-val szeretnék egy 1,3KW-os szivattyút vezérelni. Az egyik kérdésem az lenne, hogy a ki-be kapcsolást mivel érdemes nekem kivitelezni? Van hozzá egy relé modulom, ami 10A-ig terhelhető,de ettől félek, nehogy összeégjenek a patkók. SSR? Vagy mágneskapcsoló? A másik, hogy azt olvastam, hogy hasznos az arudino-t az erősáramú részektől elszigetelni, mert előfordul, hogy újraindul. Ezt mivel érdemes? Előre is köszönöm a tanácsokat.
(#) Stewe válasza KissZol hozzászólására (») Ápr 3, 2017 /
 
Egyfázisú szivattyú, vagy háromfázisú?
Amit mindenképpen meg kell oldani, az Arduino kimenetének a galvanikus leválasztása.
Ez a legegyszerűbb optocsatolóval, egy szivattyúhoz a leglomhább is megfelel, de szilárdtest relének a bemenete is lehet LED-es.
(#) KissZol válasza Stewe hozzászólására (») Ápr 3, 2017 /
 
Egyfázisú a szivattyú. Akkor ha ezt az optocsatolot bekötöm ennek az SSR a bemenetére, akkor az úgy rendben lesz? (linkeltem a HESTORE-ból alakatrészeket) Köszönöm a segítséged!
(#) Stewe válasza KissZol hozzászólására (») Ápr 3, 2017 /
 
Igen, ez jó lehet, azzal a kiegészítéssel, hogy a teljes leválasztás az jelenti, hogy a fototranzisztor tápja is független legyen az Arduinoétól.
(#) KissZol válasza Stewe hozzászólására (») Ápr 3, 2017 /
 
Csatoltam egy képet. Megnéznéd kérlek, hogy így gondoltad e? Tehát akkor mindenképpen két táp kell nekem ugye? Egy az Arduino-nak egy a "kapcsolásnak". Az SSR-nek gondolom elég egy 5v 1A táp ugye? Ismételten köszönöm!

IMG_9017.JPG
    
(#) sany válasza Gafly hozzászólására (») Ápr 3, 2017 /
 
Azt nem tudom én sem hogy miért kell, de ha a kedves kérdező így szeretné... Lehet, hogy csak 5V -os relé áll rendelkezésre. A jogot megadom a kapcsolási rajz változtattatására, csak ötletnek szántam.
A hozzászólás módosítva: Ápr 3, 2017
(#) Stewe válasza KissZol hozzászólására (») Ápr 3, 2017 /
 
Az adatlap szerint Trigger current:12mA(max)
Ami azt jelenti, hogy nem kell neki egyamperes táp, egy 5-10V os zenert párhuzamosan kötsz egy ~10µF-os pufferkondival, és ezt a 230V-os hálózatról egy diódán és egy 10kOhmos ellenálláson keresztül töltöd.
(#) ktamas66 válasza KissZol hozzászólására (») Ápr 3, 2017 /
 
Az itt linkelt SSR-nek optós a bemenete.
(#) Stewe válasza ktamas66 hozzászólására (») Ápr 3, 2017 / 1
 
Valóban ez elé nem létszükséglet "optót" tenni....
Adatlap harmadik oldal alja.
A hozzászólás módosítva: Ápr 3, 2017
Következő: »»   2972 / 4051
Bejelentkezés

Belépés

Hirdetés
XDT.hu
Az oldalon sütiket használunk a helyes működéshez. Bővebb információt az adatvédelmi szabályzatban olvashatsz. Megértettem