Fórum témák
» Több friss téma |
Fórum » Időzítő
Témaindító: Mekkmester, idő: Dec 25, 2005
Témakörök:
Sima elko-t is betehetsz, nem kell oda tantál. Az a tápja biztos. A polaritásra figyelj és a feszültsége ne legyen az eredetinél kisebb. Szerintem ha nincs 47-es akár 100µF 35V-os is jó.
A hozzászólás módosítva: Feb 2, 2017
Oks. elkom az van igy tudom cserélni.
Hello. Meg lett a hiba! Az IC, Tranzisztor, dioda kivételével mindent ki cseréltem és semmi. És a led cseréje után jó lett.
A Ganz DYM késleltetövel lenne még egy kérdésem. A relé tekercsének ellenálása: 13k ohm, 5mA az áram felvétele. Lehetne e más relét kapcsoltatni vele ugy értve,hogy az idözitő részével másik relét kapcsolttatni pl. 7.5kohm ellenálásal rendelkezik és az áram felvétele 9,5mA
Hello! Ere akkor lehetne érdemi választ adni, ha ismernénk a rajzát. De kipróbálni egyszerűbb lett volna, mint megkérdezni, hiszen a Te kezedben van, mi meg csak tippelgetünk.
Hello. Igen ez igaz, lessz időm ki probálom remélem nem megy ki benne semmi.
Ha esetleg szétszeded, és teszel fel fotókat a nyáklemezek mind két oldaláról, akkor ki lehet rajzolni és okosodni a megoldásából.
Üdv!
Nyáklevilágítót építek és szükség lenne egy időzítőre. Arduinoval szeretném megoldani. Nem kellene túl bonyolult, valami kis 7 szegmenses kijelző, amin be tudom állítani a levilágosítási időt illetve visszaszámol. Ha végzett pedig sípol egyet. Van valami ötletetek? Előre is köszönöm!
Van. Ha az UNO a kérdés, miért nem ott tetted fel?
![]()
Nem tudtam eldönteni, hogy most itt tegyem fel, a levilágító építéses topicban vagy az arduinosban.
Akkor az arduinos topicban tudnád részletezni az ötleted?
Én oda soha nem írok. De ebből az sem derül ki, hogy a kérdés a hardver vagy szoftver. De mind kettőre ott kapsz választ.
Rendben, köszönöm! A hardver is, de főleg a szoftver!
Sziasztok!
Egy olyan időzítőre lenne szükségem, ami egy 12V-os jelfeszültség hatására indul, és húz egy relét. Azonban a 12V-os jel időnként megszakad akár többször is az időzítés alatt, és ekkor is meghúzva kell lennie a relének. Ráadásul az öt másodpercet mindig az utoljára megjelenő alacsony szinttől kell hogy számlálja, de ha újra érkezik egy magas jelszint törli a számlálást. Ha öt másodpercnél tovább nem kapja a 12V-os jelet, akkor elenged a relé. A hozzászólás módosítva: Ápr 26, 2017
Ha holyamatosan kapja a 12V-os indítójelet (mondjuk 10 másodpercen keresztül), akkor is le kell kapcsolnia 5 másodperckor?
Azaz 10 másodperces indítójel hatására 5, vagy 15 másodperc után kell lekapcsolnia?
Addig amíg a (szaggatott) jelet kapja a relének húznia kell, ha azonban 5másodpercig nincs jel lekapcsol.
A hozzászólás módosítva: Ápr 26, 2017
Nem értetted meg a kérdést: Ha hosszan van folyamatos jel, akkor is le kell kapcsolnia öt másodperc után, vagy csak a jel megszűnése után 5 másodperccel?
De szerintem neked egy "retriggerable monostable multivibrator" kell, például a klasszikus 555-el. Akár ez is jó lehet, megfelelően körbeépítve...
Hello! Így van, az újraindítható monostabil multi a megoldás. Mivel az 555-nek ez nem erőssége, egy tranyóval kell kisütögetni az időzítő kondit. De tettem is már fel ilyen kapcsolást Retrigg-3s. De a CD4538 ICt is lehet újraindítható módban működtetni. Ha viszont az időzítés késleltetési ideje nem túl kritikus, akkor egy FET+RCtaggal is megoldható a dolog. Ha a 12V megjön, feltölti a kondit, és ha elmegy akkor R2 kisüti. Ha a feszültsége a Fet küszöbfeszültsége alá esik, elejt a relé..
Nem értetted meg a kérdést: Ha hosszan van folyamatos jel, akkor is le kell kapcsolnia öt másodperc után, vagy csak a jel megszűnése után 5 másodperccel?
Leírtam, hogy ha jelet kap meghúz, és mindaddig húzva marad, amíg öt másodpercig nem kap jelet.
Köszi proli007!
Holnap összeállítom, bár FET-em az szerintem nincs.
Bipoláris tranzisztorral (darlington?) is mennie kell, csak akkor a bázissal sorba is kell ellenállás (mondjuk Proli rajzán C1 és R2 közé).
Illetve nagyobb kondenzátor (R2 és az új ellenállás lehet egyforma, olyan 22k és 470µF nagyságrendileg jó lehet).
Tiszteletem Tudom sok megoldás létezik de mégis arra kérlek benneteket , hogy egyszerű időzítő rajzot küldjetek am i kb 0-5-10percet lehet állítani és relét kapcsolna lejártakor hang jelzést adjon előre is köszönöm
Hello! Ez az "0-5-10percet" (hogyan) és a hangjelzés (mivel) kicsit bővebb magyarázatra szorulna..
Tiszteletem belehetne állítani 0-tól 10 percig szabályozható, bekapcsoláskor bekapcsolna egy relét
az idő lejártakor hangjelzést ad míg lenem állítom
Most bekapcsolásnál kapcsoljon be egy relét, vagy az idő lejáratkor?
A hangjelzés végig legyen amíg tart az időzítés és a végén te akarod leállítani?
Nem törlesztek semmit csak nem értelek.
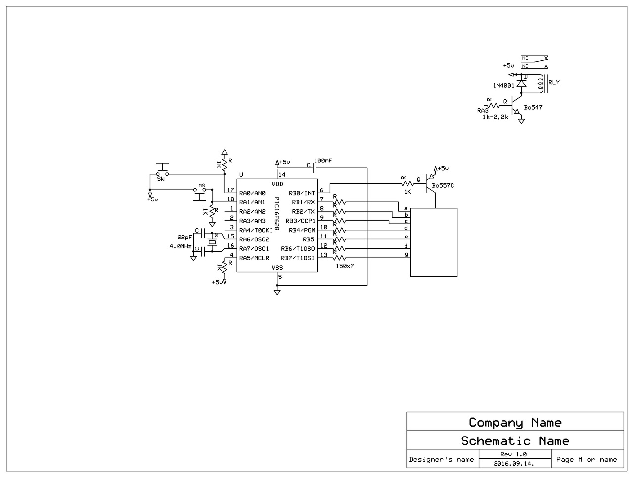
A hátralévő időt min szeretném megjeleníteni? lcd-n vagy Led kijelzőn? Van egy kapcsolási rajzom, ezt még régebben én rajzoltam a programot meg kaqkk fórumtárs írta hozzá. Egy 7szegmenses kijelzőn mutatja a hátralévő időt. A hozzászólás módosítva: Ápr 28, 2017
Szia semmiféle fakszni nem kell csak egyszerű időzítő amit potméterrel lehet állítani 0-5 perc között és a végén jelezze az idő lejártát ez egy fritőzhöz kell
Ha bekapcsolod, meghúz a relé. Ha lejárt az idő, akkor elejt a relé,megszólal a hangjelzés. Ha meguntad a sípolást, kikapcsolod. (Aktív sípoló kell bele..)
|
Bejelentkezés
Hirdetés |