Fórum témák
» Több friss téma |
Még valami eszembe jutott: A 7375-ös adatlapján nem látok Mute bemenetet, csak st-by lábat(7-es), ebben az esetben hogyan kell adaptálni a Kovidivi által közreadott rajzot?(178310)
Köszi!
hát sehogy. gondolom az ic belül tartalmazza azt, amit belinkeltem.
Csá!!
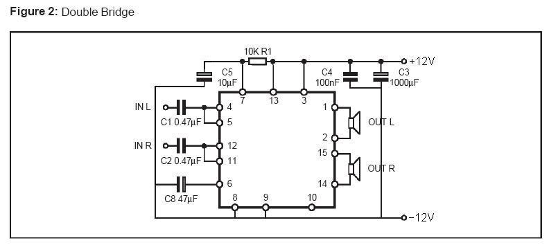
Nekem is tetszik ez az ic és csináltam hozzá egy rajzot eagle-ban. Csak nemtom h jó-e. Légyszi nézze már meg vki. Előre is köszi
Szia nincs eagle-m de ha csinálsz egy printscreen-t és paint be elmented jpg-be akko tudok segiteni
Szia!!
Itt a printscreen. Előre is köszi!!
Hali sztem jó lesz.
Ja ha a DIAG kimentre (10es láb) teszel egy LED-et akkor egy csómó minden hasznos infót szerezhetsz. pl alacsony tápfesz, túlvezérlés, zárlat, vagy egyébb hiba. Nekem hasznos mert hajlamos vagyok túlvezérelni néha Szal jó ha van Itt a bekötés:
Köszönöm!!
Megfogadom a tanácsod , rakok bele ledet. Még egyszer kössz
Sziasztok!
Van 1 autórádióm, amiben egy TDA7372A végfok van, 4x6W-ot tud. Ez nem túl sok, gondoltam jó lenne egy kicsit erősebb, mert nagyon hamar torzítanak a hangszórók (azok pedig bírnák). Tény, hogy a 7375 is "csak" 4x7W, de azzal már építettem erősítőt, nagyon tetszett, elég jól teljesített. Arra gondoltam lecserélem az IC-t 7375-re. Csak a 10-es láb esetén van eltérés a bekötésben. Kérdés, hogy ha lecserélem, akkor tudna-e működni a 7375 a 7372 helyett? Az alap kapcsolás is gyakorlatilag megegyezik, a 10-es láb mute a 7372A-n, ez a különbség. Előre is köszi a segítséget! TDA7372A
TDA7375-öt miért nem használod hidalva? úgy 4ohmon 2*20watt kijön belőle. készítesz hozzá új nyákot, és kész. az eredeti nyákról pedig vezetékekkel hozod el a földet, a tápot, a jelet, és a hangszórókra menő kábelt.
Mert az autórádió 4 csatornás, nem akarom 2 csatornásra alakítani. Csak arra gondoltam, egy IC cserével erősebbé tehetném a rádiót. A csomagtartóban egy hidalt 7375 dolgozik a mélyeknek. Ez a 7372 elég gyenge, nem nagy hangerővel már torzít, nem puffogtatni akarok vele, de ennél azért többre gondoltam.
Egyébként az sem kizárt, hogy az előző tulaj széthajtotta a végfokot is, mert a hangszórók totál le voltak strapálva, ilyen rossz állapotú hangszórókat régen láttam.
Ha 4 csatornát szeretnél, akkor rakj bele két db. tda7375-öt. De te tudod, csak tippet szeretnék adni
4 csatornát szeretnék, holnap megpróbálok szerezni TDA7560 vagy TDA7386 IC-k valamelyikét. Ezek 4db hidalt erősítőt tartalmaznak, megpróbálom ezek közül az egyiket berakni a rádióba.
A 2db 7375 nem biztos, hogy elférne a rádió belsejében , de azért köszi a tippet.
Sziasztok!
megépitettem még régen és van benne DIAG LED is, ami elvileg akkor villog/világít amikor nem jó neki valami. Namost ha hangosan hallgatom akkor villog, én arra gondoltam hogy a teljes kivezérlés határán van szegény de ha hangosítom nem hallható torzítás, csak jobban/többet villog a basszusokra. Lehet h a tápfesz kicsi neki? 12VAC van egyenirányitva és 10.000µF puffer. előre is köszi
Szia. a poén az, hogy terhelés nélkül is villog a led, plusz én nem vettem észre semmi változást a villogásban, akár 4ohmos hangszórót, akár 8ohmosat rakok rá. Tehát kicsit érdekes megoldást alkalmaznak, clip lednek nem igazán mondható (viszont egész korrektül működik, még ezen idokok ellenére is, mert már füllel hallhatóan torzít a zene, mikor már régen világít a led. a másik, hogy mikor már ki akar szakadni a 2wattos hangszóróm membránja, pont akkor kezd el világítani a led. Ez akkor jó, ha a nagyhangfalakat lövöm, és a hangerőtől nem hallom, hogy mikor torzítanak a kicsik, szemre belövöm a hangerőt a led világítása előttre, és kész.)
az ugy okés hogy szemre lövöm be a hangerőt de pl ha koleszba a kisrádióra kötöm rá már fele hangerőnél villog a LED, de teljes hangerőn se torzít vagy legalábbis nem hallom hogy torzítana. Csak folyamatosan ég a LED...
Lehet kipróbálom akksiról táplálni hátha tényleg a feszcsökkenés a baja...
A diag led nem csak a torzítást hivatott jelezni! ég minden esetben, ha valami hiba van a rendszerben. pl: rövidzár a kimeneten, esetleg a tápfesszel van valami baj, és még más ok miatt is világíthat (esetleg túl meleg az IC, stb...)!
Ha 4 hangszórós gyári adatlap szerinti kapcsolást építem meg, hogyan lehet mind a 4 csatornát egyszerre potméterrel szabályozni (halkítani-hangosítani)?
ds1669-el az összes csatornát egyszere tudod szabályozni. Ez egy nyomógombos kapcsolás. egyik gomb hangosít, másik halkít. Sztereó potiról hallottam már, ezzel két csatornát tudsz vezérelni egyszere, viszont olyat, ami 4 potit tartalmaz egy száron, olyannal még nem találkoztam... Szerintem a legegyszerűbb az lesz, ha 2db. sztereó potit raksz be! Vagy ha nem kell 4 külön csatorna , akkor pedig a két IC bemeneteit közösíted, amit egy sztereó potival szabályzol... több ötletem nincs sajnos... Esetleg dobd fel ezt a kérdésed a kezdő kérdések topicbam hátha mond valaki egy jó ötletet!
simán. elé esetleg egy poti, vagy ilyesmi, de elhagyható.
sziasztok!
Darka ha fenn vagy nekem is stand by problémám van és csak úgy oldódik fel ha zárlatot csinálok a te kapcsolásod alapján csináltam mi lehet a baj?
"a te kapcsolásod alapján csináltam" Kinek a kapcsolása alapján?
Szia!
Elektromosan semmi különbség nincs a kettő közt, mechanikailag annyi a különbség a kettő közt(AH-AV), hogy a lábai gyárilag hátra vannak hajtva, így fektetve tudod a panelbe forrasztani. |
Bejelentkezés
Hirdetés |





Szal jó ha van 

Kössz az infót 




