Fórum témák
» Több friss téma |
Most muszáj elmennem, de ahogy tudok jövök! Holnap ha lesz időd kérlek néz majd be a fórumra, mert egy-két apró kérdésem majd biztos lesz! Köszönök mindent!!!
Sziasztok!
Én egy olyan digitális kijelzőjű műszert szeretnék csinálni, ami méri egy adott áram frekvenciáját! Pl.: bedugom a hálózati konnektorba, és kiírja hogy 50! Ha azt kiírja hogy 50 az tökéletesen elég nem kell mellé Hz meg ilyesmi! Tom hogy a komolyabb multimétereken is van, de én olyat szeretnék ami 1Hz-től egészen 1-2GHz ig mér! Úgy is jó ha minden esetben Hz. Ha ezt túl nehéz lenne kivitelezni, akkor elég lenne az is hogy mondjuk 1Hz től mondjuk 40-50kHz ig! Ha valaki tudna valami kapcsolási rajzot, esetleg nyákrajzot is mellékelni, azt nagyon megköszönném! Előre is köszi a segítséget!
Tess ! 7Hz aluláteresztő
Hello!
Nos, itt a 7Hz-es szűrő, -30dB-es meredekséggel, és 1/10 DC feszültség osztással. (6% hibával, de a programban ez kalibrálással korrigálható) Az R1 és R3 47kohm-os ellenállás, egyben egy bemeneti DC osztót is alkot, hogy az érzékelő (kb. 10V-os) munkaponti feszültsége, nehogy DC-ben túlvezérelje az IC-t. A kimeneten, pedig ott van a 8,2/2,2kohm-os osztó, amivel a PIC A/D fesszültségéhez illesztjük a DC szintet. üdv! proli007
hm, tudtam, hogy láttam már:
http://www.hobbielektronika.hu/kapcsolasok/digitalis_frekvenciamero.html
Idézet: „Én egy olyan digitális kijelzőjű műszert szeretnék csinálni, ami méri egy adott áram frekvenciáját!” Jó reggelt! Ezt úgy hívják, hogy digitális frekvenciamérő! Keress rá a net-en, ezer kapcsolással fogsz találkozni. Komplett frekvenciamérőt is fogsz találni. (0..10Mhz-ig ICM7216 ha jól emlékszem.) És mi köze van a rezgésméréshez? üdv! proli007
Semmi különösebb, csak minden szűrő fokozatnak futásideje is van (integrál). Tehát a jel később jelenik meg a kimenetén. Itt a rezgés amplitúdóra nem vagyunk kiváncsiak, csak arra, ha a vonal szakadt....
Ha jelentősen alámennénk a frekivel, előbb érzékelnénk a jelszint csökkenést, vagy ugrást, a mért értékben, mintsem felfedeznénk a szakadást. Persze ez PIC programban nem gond, mert először megméred a munkapontot és ha az helyes, csak akkor méred meg a jelet. Aztán ismét megnézed a munkapontot, és ha még mindig jó, akkor dolgozod fel a mért jelet, működteted a határérték képzőt (relét). Ha hiba van közben bármikor, akkor hibajelzést generálsz, és nem adod ki a mért értéket és a határértéket sem. Ennyi! üdv! proli007
"És mi köze van a rezgésméréshez?"
A rezgéseket szokták jellemezni frekvenciával!
Köszönöm Mindenkinek a segítséget!!!
Leírtam a integrátor müködését, beraktam a 7Hz-es vágót! Remélem ennyi elég lesz már nekik!
Tegnap leadtam a "művet"!
Február elsején lesz meg az eredmény' A külső konzulens 4-t adott rá! Mégegyszer szeretném megköszönni Mindenkinek a segítséget! Nélkületek nem lett volna kész ez az iromány! Ahogy tudok valamit írok! Üdv, Cseri!
Sziasztok!
Megérkezett a szakdolgozat kiértékelése: - A feladat teljes mértékben meg lett oldva - Kiválló rajzok - A leirásban minimális elírások - A blokkvázlatban a szenzor betáp nincs értelmezve - A bemeneti szürö, csak a felülvágást mutatja - Jó magyarázatok - Kiválló kiértékelések - Tökéletes alkatrészválasztás - Szép illusztrációk - Miért pont ez a PIC választása (indok)? Összességében 4-est kaptam rá, de a védés még hátra van! Jövö héten kedden lesz meg a végleges eredmény! Köszönöm Mindenkinek a segítséget!!!
Hello
Kaptam egy feladatot egy olyan kapcsolás összerakására amivel egy vonalzó, vagy egy csipesz rezgésszámát meg tudnom állapítani. Tudnátok ehhez valamiféle kapcsolást ajánlani? Lehetőleg egyszerűt... THX
Hello!
Egy érzékelőre (esetleg erősítőre), és egy frekvenciamérőre van szükséged. Tekintve, hogy a csipesz mágnesezhető, azt egy induktivitással is érzékelheted (gitár hangszedő). Viszont a vonalzót vagy egy mikrofonnal (alacsony frekinél ez probléma lehet), vagy egy drága rezgésmérő fejjel tudod érzékelni. A hálón megtalálod ezeket. üdv! proli007
Húúú
Tudnál nekem linket adni a kapcsolásokról? Meg ha lehet akkor egy teljesen egyszerűt, nem muszály, hogy 100%-ban pontos legyen, csak mutasson egy körülbeli értéket.
Számítógép hangkártyára köthetnéd a tekercsérzékelő jelét. Hangelemző programokkal gyorsan megállapíthatod a frekvenciát. Szerintem ez a legegyszerűbb megoldás.
És tegyük hozzá, a leg praktikusabb is, mert nyílván kísérleti dologról van itt szó.
üdv! proli007
Ok kösz, és akk erreől az érzékelöről tudnátok nekem mutatni valami jó kapcsolást?
A gitár hangszedő úgy épül fel hogy van egy nagyon erős mágnesből álló mag és arra tekernek fel hajszál vékony huzalból több ezer menetet. Van több választásod. Elkészíted magad. Megveszed a hangszedőt. Kölcsön kérsz egy ismerőstől egy elektromos gitárt.
Szevasztok
Lenne 1 kérdésem, remélem jó hejen teszem fel???? Több 10Khz-frekvenciát hogy lehetne mechanikai mozgássá (rezgéssé) alakítani. 1 folyadék rezgetésével működő tisztitó berendezést szeretnék csinálni, de nem tudom hogy induljak neki. Minden ötletnek örülök ám. üdv.Karesz
Hello!
Például, egy ultrahangos párásítóból kibányászod a piezzo kristályt. (Hauser maci) üdv! proli007
Kösz az ötletet, majd megpróbálok ilyen párásítót találni. üdv.Karesz
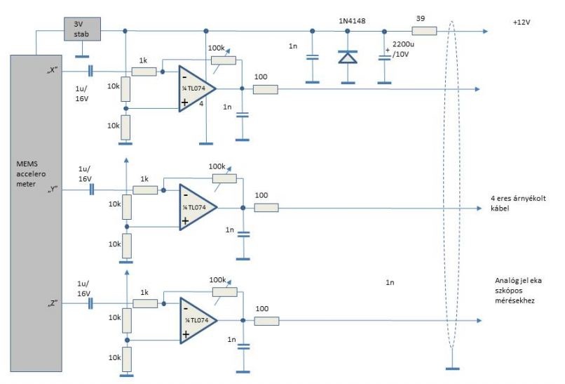
Sziasztok !
Ezt a szenzort tervezem most. A kérdésem az lenne , hogy a TL074 (SMD) kimeneteire 30-40 vezetéket szeretnék csatlakoztatni , mert a mérőműszer messze lesz az érzékelőtől. 30-40 méter vezetéknek már azért van kapacitása és ellenállása ami bezavarhatja a mérést. Kell tervezni ide áramerősítést vagy valamit , vagy mehet a kimeneti 100ohm-os utána 30-40m vezeték ?
Hello!
Kicsit hiányos a kérdésed. Nem írtad, milyen tól-ig frekit szeretnél átvinni, és milyen pontossággal. Mert ennek függvényében kell értelmezni a dolgokat. - Egy árnyékolt vezeték kapacitása, kb. 100..300pF méterenként. Tehát a 100ohm kimenti ellenállás után, 40m esetén kb. 12nF kábelkapacitással lehet számolni. A műveleti erősítő kimeneti ellenállása sem végtelen kicsi. Amíg a nyílthurkú erősítés és a körerősítés közötti erősítésből "marad valami", addig annak arányában tudja a kimentet meghajtani az IC. Vagy is adott frekvencián, ha a nyílhhurkú erősítés és a beállított erősítés között van 20dB (Au=10) erősítés tartalék, akkor a kimenet a bementi jelet kb. 10% hibával tudja követni. Tehát a 074, 40m kábellel, elvileg kb. 30kHz-ig tud felmenni. (De szerintem addig sem fog elmenni.) - Hogy a kábel ellenállása mennyire befolyásolja a kimenti jelet, az annak függvénye, milyen terhelés lesz a másik végén. Hiszen a feszültségesésé ez alapján lenne számítható. (Egyébként féltáp (6V) egyenfeszültség lesz ott, ahova küldöd a jelet.) - A gyorsulás mérő kimenti ellenállása is bele fog szólni az alsó határfrekvenciába. Ha az nulla lenne, akkor az 1µF/1kohm kb. 160Hz-es alsó határfrekit ad. (kb. a -3dB-es pont) Ha a jelforrásnak (gyorsulásérzékelőnek) is van kimeneti impedanciája, az megváltoztatja az erősítést, és az alsó határfrekvenciát is egyben. - IC kimenetére nem teszünk kondit. Mert az kapacitíven terheli a kimenetét, ami fázistoláshoz és végső soron gerjedéshez vezethet. üdv! proli007
Hello ! Köszönöm az eddigi segítséget is !
Akkor pótolom a hiányt. -A freki amit át szeretnék vinni az a gyorsulásmérő kimenete: 400Hz ; 3V max. -A mérésem célja, hogy a vasúti sínre szeretnénk erősíteni ezt a szenzort és mérni , hogy mit mutat ,ha áthalad rajta a vonat. -A gyorsulásmérő kimeneti impedanciája 32Kohm. -Az 1µF/1Kohm -ból , hogy következik a 160Hz ? -A kondit átalakítom szűrővé. Minek kellett ennyi plusz sortörés? A felesleget kiszedtem. A hozzászólás módosítva: Nov 18, 2012
Bocsánat még egy kérdés:
Használjak végső soron végfokozatot a 074 utána ? A gyorsulásmérőm végén a feszültségcsúcsok adják az infót nem a freki. A hozzászólás módosítva: Nov 18, 2012
Idézet: „-Az 1µF/1Kohm -ból , hogy következik a 160Hz ?” 1/(2*pi * 1000 * 10^-6) = 159, 1549431 Hz [off] Ez a képletszerkesztőbe nem bírtam beírni. |
Bejelentkezés
Hirdetés |












