Fórum témák
» Több friss téma |
Fórum » RS485 kérdések
Témaindító: kovácszozi82, idő: Júl 16, 2008
Témakörök:
Köszi szépen! Sokat segítettél. Még egy kérdésem lenne a fel és lehúzó ellenállásokkal kapcsolatosan a buszokon. Szakirodalmak írják hogy az A pontra egy 560 ohmos ellenállást a +V-re felé, a B-re egy 560 ohmos ellenállást a GND felé kell tenni. De mindegyik eszközre? Vagy csak 1-re? Gond az, ha minden RS485 IC-nél van egy-egy?
Gond, mert akkor azok mind párhuzamosan lesznek és azzal is birkóznia kell az adónak. Én mindig a mester oldalra teszek 1k-kat, 5-600m ig használtam eddig gond nélkül.
Sebi jól mondja, csak 1 helyre kell tenni, célszerű a masterhoz.
Itt egy részletes leírás: FAILSAFE Biasing of Differential Buses Ez a doksi 2db 750 Ohmos ellenállást javasol, egy 130 Ohmos lezáró ellenállással. Láttam már én is 1k le/fel húzókat, valószínűleg csak nagyon kiélezett esetben számítana ez. Amúgy léteznek már olyan RS485 driverek, amik belül oldják meg ezt a problémát (pl. SN65HVD3082E).
Nekünk a Loxone RS485-ös modulnál a legtávolabbi eszköznél A-B-re kell 120 Ohm
Szia. Még annyit akarok kérdezni, hogy a gnd-k bekötésénél hogyan kell eljárni?
Szóval abban a szakirodalomban amit linkeltél, abban az van hogy a gnd-k közé egy 100 ohmos ellenállás és amennyiben földelni akarom az áramköröm vagyis a táp gnd-t összekötöm a pe védővezetővel, akkor aközé is egy 100 ohmos ellenállás. És ha egy tápról mennek? Vagy ha ADM2587-t használok? Egyáltalán hogyan érdemes kialakítani? A projekt egy 8 siló hőmérőből álló modbus rtu alapú RS485 kommunikáció egy felügyeleti számitógéppel összekötve. Úgy képzeltem el, hogy a hőmérők egy tápról mennének és a számítógéphez,ami kb 150 méterre lenne oda egy ADM2587 alapú rs232 RS485 átalakító.
Nagy távolságú RS485-ös rendszerekkel nem volt még dolgom, talán más több tapasztalattal rendelkezik e téren.
A legfontosabb dolog egy ilyen rendszer kialakításakor a különböző eszközök GND-inek feszültségkülönbsége. A szabvány a +-7V-ot enged meg két node GND-je között, a legegyszerűbb transcieverek így vígan működnek, de léteznek olyanok is amelyek -20/+25V-ot engednek meg (pl. Texas Instuments SN65HVD17xx család). Ha még ennél is nagyobb feszültségkülönbség van az eszközök között akkor már csak az izolált megoldások jöhetnek számba. Természetesen nem csak a DC szinteltolódás érdekes, hanem a hozzáadódott AC zavar feszültségek is. Ez a távolság talán nem annyira veszélyes, viszonylag kis áramfogyasztású eszközökről van szó, amelyek nem rángatják a tápot, és nincs túl sok külső zavaró tényező, én úgy gondolom, hogy egy mezei RS485 driver is képes lenne ellátni a feladatot. Fontos, hogy árnyékolt kábelen keresztül vidd át a jelet és a tápot. A táp legyen minél vastagabb (ne essen ezen nagy fesz.), de legalább 1mm2, így nagy gond már nem lehet. A földeléshez meg annyit tudnék mondani, hogy a lényeg itt is az, hogy ne hozzunk létre földhurkot. Az a 100 Ohmos megoldás biztos jól működik, csak kis áramok folynak így, de mégsem mászik el feszültségben túl messzire. Szoktak még kondenzátor használni (akár párhuzamos ellenállással is), így csak kis DC áram folyik, de az AC zavarok lecsatolódhatnak a PE-re. Ha van még van időd és fontos a költséghatékony megoldás, akkor érdemes lenne megpróbálni egy egyszerű transcieverrel. Ha sürgős a dolog és a pénz sem számít annyira, akkor nem sokat gondolkodnék és izolálnék. Megköszönném, ha majd beszámolnál az eredményről, nagyon érdekel, hogy hogyan működik ilyen távolságon az RS485.
Sziasztok!
RS232-t (TTL) kellene átalakítanom RS485-re, de úgy, hogy csak az RX-TX vonalak vannak meg, és kell a kétirányú kommunikáció. Nézegettem ezeket a konverter IC-ket (RS485,487,SN75176), csak nem tudom hogy az adatirányt hogyan válasszam ki. Fel lehet valahogy használni a két lábat irányválasztónak? Előre is köszönöm a választ!
Üdv,
Soros (két eres+ árnyékolás) buszra akarok illeszteni egy soros WLAN átalakítót ami sorosan RS485 2w kommunikációra képes. Az átalakító vevőpárja utáni soros eszközöket már nem lehet elérni PLC oldalról. A buszon a jelszint -3,3 V alaphelyzetben, ha beiktatom az átalakítókat a jelszint az egész buszon elkúszik 0,6V ra. Földelési problémák ki lettek zárva. Valószínűleg valamilyen feszültség szinteltolásra vagy szint illesztésre lenne szükség. Tudna ebben segíteni valaki? Milyen eszközzel lehetne ezt megvalósítani? köszönöm
Esetleg kipróbálhatod, hogy folyamatosan engedélyezve van az írás, és az olvasás is, csak valahogy kezelni kell a visszhangot, ami keletkezik íráskor.
De ez a kapcsolás állítólag tudja amit szeretnél: Bővebben: Link A hozzászólás módosítva: Jan 17, 2015
Időközben vesztett aktualitásából a téma, de hasznos dolog, köszönöm!
Üdv!
Ha már itt vagyok nekem is lenne egy kérdésem. Modbus RTU kommunikációt szeretnék egy Raspberry Pi, és egy ATmega8 közt. A Raspberry mint master venne részt a csevelyben, egy Minimalmodbus nevű Python API-val. A Minimalmodbus pedig pySerial-t használ a soros kommunikációhoz. Eddig jó is. Csakhogy, valamiért amikor a pySerial megnyitja a soros portot kiküld egy 0xFF-et a portra, és csak utána a frame-t ami természetesen nem jó, mert a 0xFF helyén a címnek kéne lenni, amit megkap az AVR-és látja, hogy nem neki szól, úgyhogy nem szól semmit. A pySerial pedig önállóan, a Minimalmodbus nélkül is ezt csinálja. Minden egyes port nyitás alkamával. Próbáltam már google-ben keresni sorstársakat, de úgy tűnik csak engem zavar a dolog. Tud esetleg valaki valami logikus magyarázatot a dologra? A mellékelt képen látszik, hogy mit küld ki a Pi a buszon, és hogy mi jön be nekem.
Érdemben hozzászólni nem tudok, de az RS-485 transceivernek szokott lenni transmit enable lába. Mi lenne, ha egy GPIO-val tiltanád amíg a pyserial initeli a portot?
Hasonlóan nem szakszerűen jártam el, beállítottam a Minimalmodbus-t, hogy ne zárja a portot minden üzenet után. Így csak az első üzenet megy félre.
Sziasztok Guruk,
Elöljáróban annyi, hogy több mint 10 éve foglalkozom rendszergazdai feladatokkal, hálózatokkal, az RS485 eddig annyiban érintett, hogy szállítottam rs485-utp ip alapú konvertereket és kábeleztem. Most viszont jelenlegi munkahelyemen -érzésem szerint- meg akarnak vezetni, vagy a kivitelező sem tudja, mit is csinál: adott egy meteorológiai állomás egy épöülettől ~10 m-re. A kivitelezéskor kérdezték, hogy mobil (gprs) alapú vagy kábeles átvitelt akarunk az adatok lekéréséhez. A kábeles tűnt triviálisnak, mivel kb. 6000 Ft körüli havidíja lett volna a a mobilos verziónak. Behúzattam cat6 ftp kábeleket, a rackszekrénybe futnak be. Megjöttek beüzemelni, meglepve tapasztaltam, hogy a helyszínen forrasztgattak egy usb-konverterre utp kábelt, azzal próbálták megoldani a kommunikációt a kültéri eszközzel. Elszórakoztak vele fél napot, mire 9600-on elballagott valahogy a dolog. DE szóltak, hogy esetleges villám esetén agyon fogja csapni a PC-t..... Aztán költöztetni kellett a PC-t, átkerült máshová, valószínűleg másik fázisra, onnantól vagy ment vagy nem a dolog, lejöttek, állítottak az állomásnál valamit, utána megint megyegetett. Hogy tudnám ezt legegyszerűbben megoldani szerintetek? Szívem szerint feltennék egy UTP konvertert, és akkor biztosan leválasztottam a dolgot. Köszi, steve
Ezt csak úgy felteszem, mert részletesnek tűnik. (Dörmögő Dömötör augusztusi számában volt.)
Magyar nyelven az ob121.com-on van infó.
Sziasztok
Nem tudom pontosan hova kéne ezt í kérdést feltennem szóval ide is írok. Szerintetek lehet mikroprocesszorral megalkotni egy olyan rendszert amely RS 485 lekérdezne adatokat egy szabályzóról és ezeket az adatokat RS 232-őn kiküldené egy kijelzőre ? esetleg egy egyszerű átalakítóval kiküszöbölhetem a mikrovezérlőt? és a szabályzóról küldhetek adatokat közvetlenül? köszönöm a válaszokat.
Hogy milyen szinten megy az RX TX az a legkevesebb probléma, a használt protokol aminek egyeznie kell. Amennyiben azonos protokolt PL.: Modbusz RTU-t használnak akkor hardware-esen nincs akadálya egy sima átalakítónak. Jellemzően a PLC 485-ös felületét a HMI-k 232 esével ilyen kábellel : Bővebben: Link De tudni kell, hogy a kijelző milyen, címen mit ér el.
Üdv!
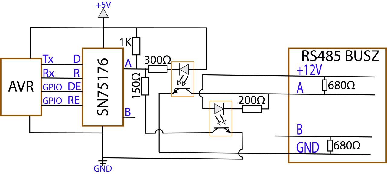
Már feltettem ezt a kérdést kb. egy hónapja, de egy szál választ sem kaptam rá. Talán most több szerencsém lesz. Szóval a képen egy galvanikus leválasztás kapcsolási rajza látható, RS485 buszhoz. Nem találtam semmilyen információt galvanikus leválasztáshoz, így alkottam egyet magam. A kérdésem tehát, hogy ez feltehetően működni fog-e, vagy hibás az egész elképzelés? (Itt csak az "A" vonal van megrajzolva, de nyilván a "B" is ilyen lenne, csak GND-re húzva.) Csatoltam egy .ai fájlt is, ha az valakinek jobban fekszik. Ez az Illustrator projekt látható a képen kirenderelve. A hozzászólás módosítva: Jún 3, 2016
Hibás az elképzelés. A leválasztásnak nem a differenciális vonalon kell lennie, hanem a teljes adóvevőt és a tápját kell elválasztani az áramkör többi részétől.
Példák:
Így már azt hiszem értem.
Bocsánat a késői reagálásért, sajnos el voltam havazva. Köszönöm a segítséget! Az első képen (a Proteus-szal szerkesztett) lévő VBSD1-es DC-DC konverter nem hanyagolható el, ha a piros keretes részben lévő izolált részt az RS485-tel együtt menő GND-vel és +12V-tal táplálom meg, távtáplálással? Illetve azt jól gondolom, hogy a TX és RX-hez "Bidirectional" csatornára, a RE és DE -hez pedig "Unidirectional" csatornára van szükség? A hozzászólás módosítva: Jún 7, 2016
De akkor hogyan tudom megoldani, hogy a piros keretes resz tavtáplálással menjen, azon a potenciálon, mint az rs485 busz. A többi rész meg helyi tápról.
?
Csinálnál egy vázlatot a hálózatról és hogy hol milyen tápról mennek az eszközök?
Remélem, elég szemléletes.
A hozzászólás módosítva: Jún 8, 2016
Nem igazán értem hogy minek a távtáplálás ha mindennek van saját tápja.
Ebben az esetben az izolált tápot is helyben állítják elő mindennek (külön), és csak az izolált földet kötik össze. Persze megoldható az is hogy az izolált tápot csak egy helyen állítod elő, a többi helyen lévő Adó-vevő pedig azt kapja meg. Akkor nem csorbul az izoláció. A hozzászólás módosítva: Jún 9, 2016
És ezen a rajzon az optoisolation-nek az SI8431 IC felel meg, a transformer isolation-nek pedig a vbsd1?
Ha az rs485 buszon 5V helyett 12V-ot szeretnék hasnálni, akkora szintillesztést hova kell tennem? Csak rakjak be egy logikai szintillesztőt az sn75176 A és B kimenete és a csavartérpár szálai közé? Nagyon köszönöm az eddigi segítséget is!
1.) Igen az IC végzi a jelek, a DC/DC átalakító pedig a tápfesz galvanikus leválasztását.
2.) Ne használj szintillesztést! Az RS422/RS485 átvitelnek 5V a szabványos jelszintje, annyiról járasd az adóvevőket. Ha mindenképp 12V-ot akarsz vinni a tápvonalon, akkor pedig helyileg állítsd elő nekik az 5V-ot. (Ha ezt a tápfeszt csak az adóvevőkhöz és az opto izolált oldalán használod, akkor a tápvonalon nem kell plusz izoláció.)
Sziasztok. PLC-hez RS-485 kábel készítése előtt állok. Kérdésem az volna hogy mire kell figyelnem a kábel elkészítésénél? Van esetleg jól bevált kapcsolás? Válaszokat előre is köszönöm.
A hozzászólás módosítva: Márc 23, 2017
Sziasztok,
Van egy adott frekvenciaváltóm RS485-ös porttal.(half duplex) A kijelzőjén le lehet olvasni klf. adatokat (freq, fesz, áram...) de egyszerre csak egyet. Olyat szeretnék, hogy az RS485-ön keresztül folyamatosan lehessen ezen adatok mindegyikét egyszerre olvasni. Lehetséges ilyen vagy eleve rossz az elképzelés? A másik kérdés: hogyan lehetne egyszerűen ezeket az adatokat pl. egy 4x20-as LCD-n megjeleníteni. (PIC-hez nem igazán értek, Arduinóm és BS2px-em van.) A hozzászólás módosítva: Júl 9, 2017
|
Bejelentkezés
Hirdetés |
















